LEMON Manuals: Even more car manuals for everyone: 1960-2025
Home >> Cadillac >> 2009 >> Escalade EXT >> Repair and Diagnosis >> Body & Frame >> Windows >> Fixed & MOVEABLE Window System >> Schematic and Routing Diagrams >> Moveable Window Schematics
April 5, 2026: LEMON Manuals is launched! Read the announcement.

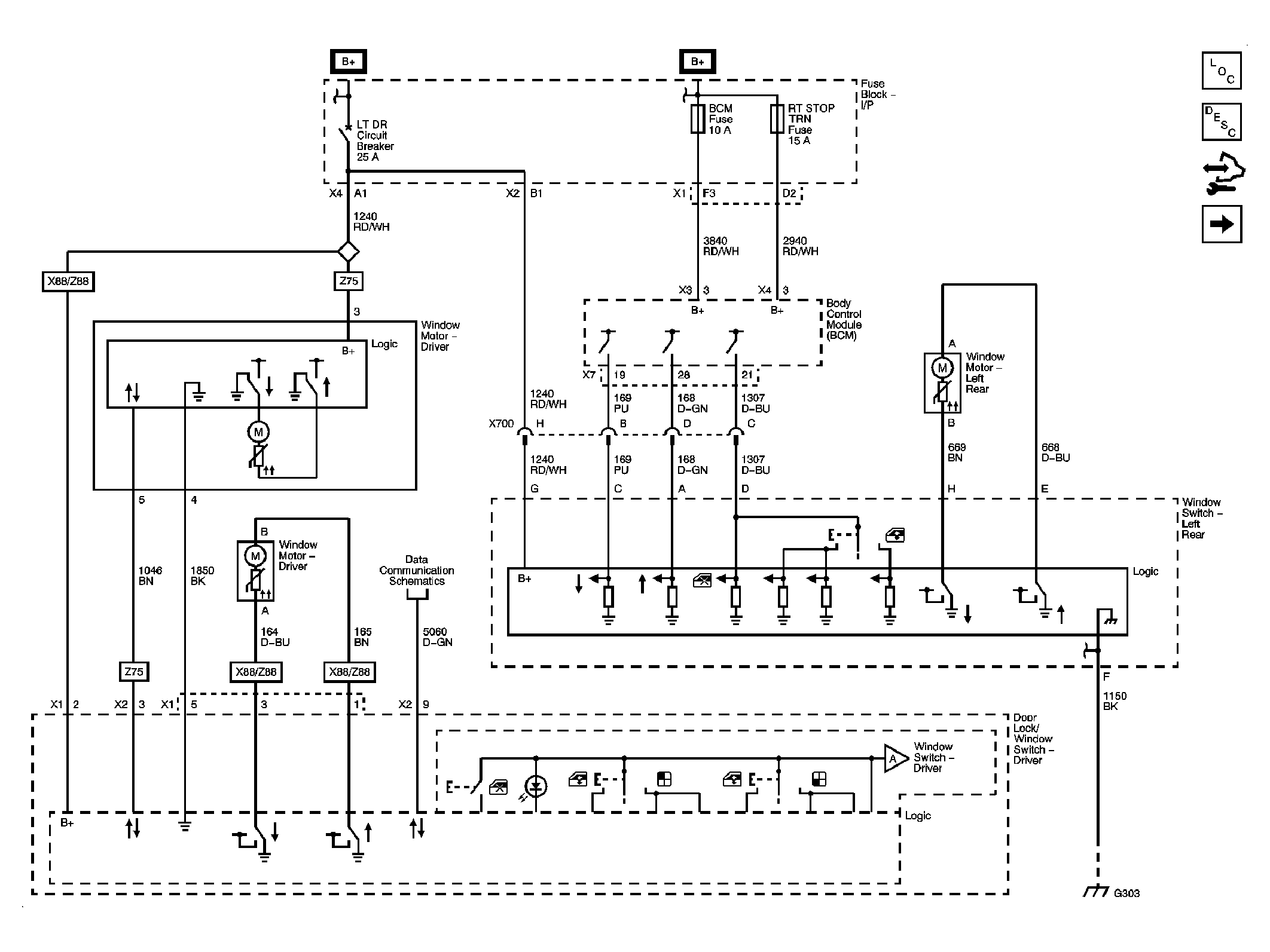
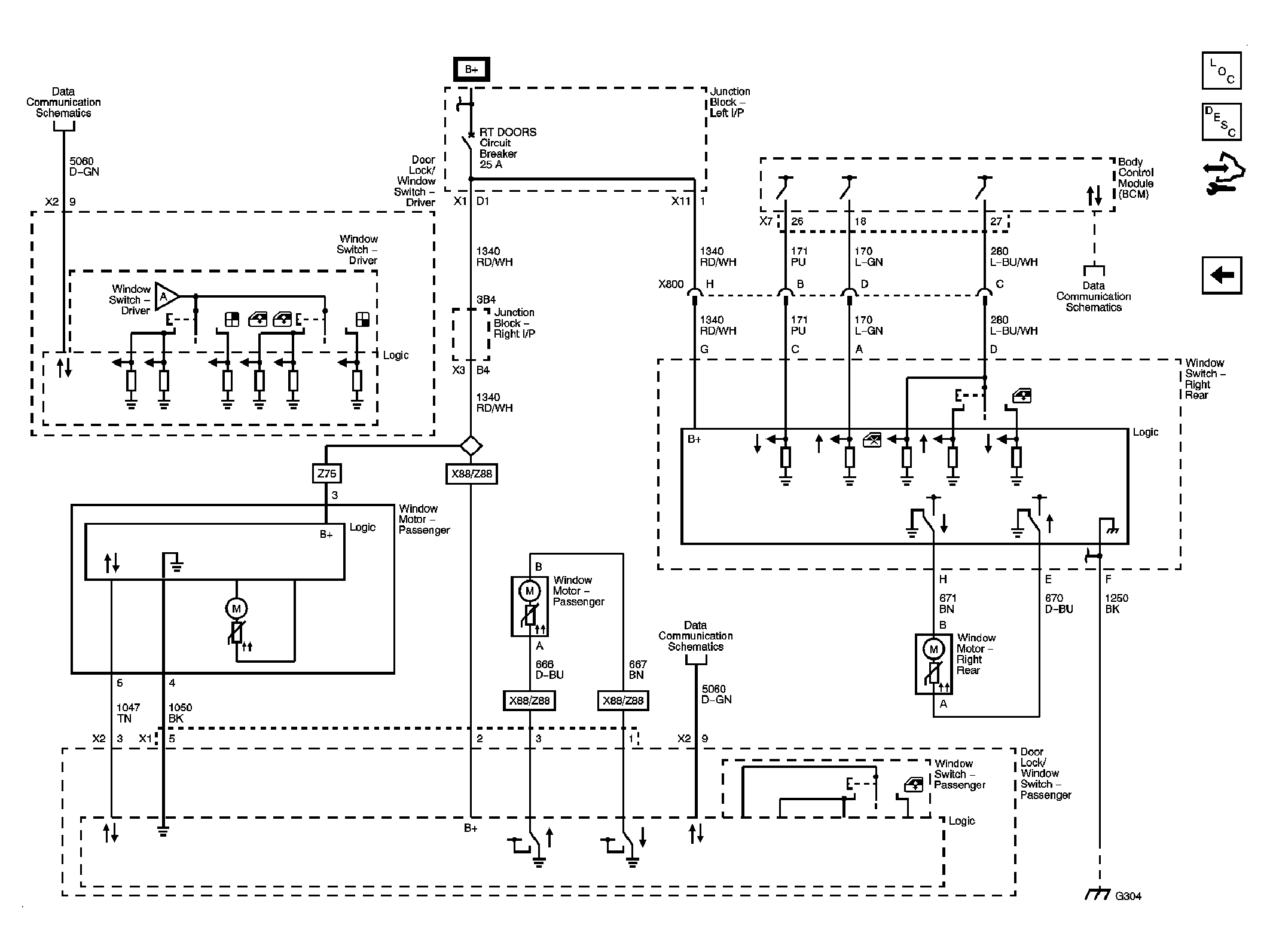
Moveable Window Schematics

Fig 1: Left
GM2075235Courtesy of GENERAL MOTORS CORP.
Fig 2: Right
GM2075237Courtesy of GENERAL MOTORS CORP.