LEMON Manuals: Even more car manuals for everyone: 1960-2025
Home >> Cadillac >> 2009 >> Escalade EXT >> Repair and Diagnosis >> External Pages >> Different car >> Section 244 (Cellular Systems, Entertainment Systems & Navigation Systems) >> Schematic and Routing Diagrams >> OnStar Schematics
April 5, 2026: LEMON Manuals is launched! Read the announcement.

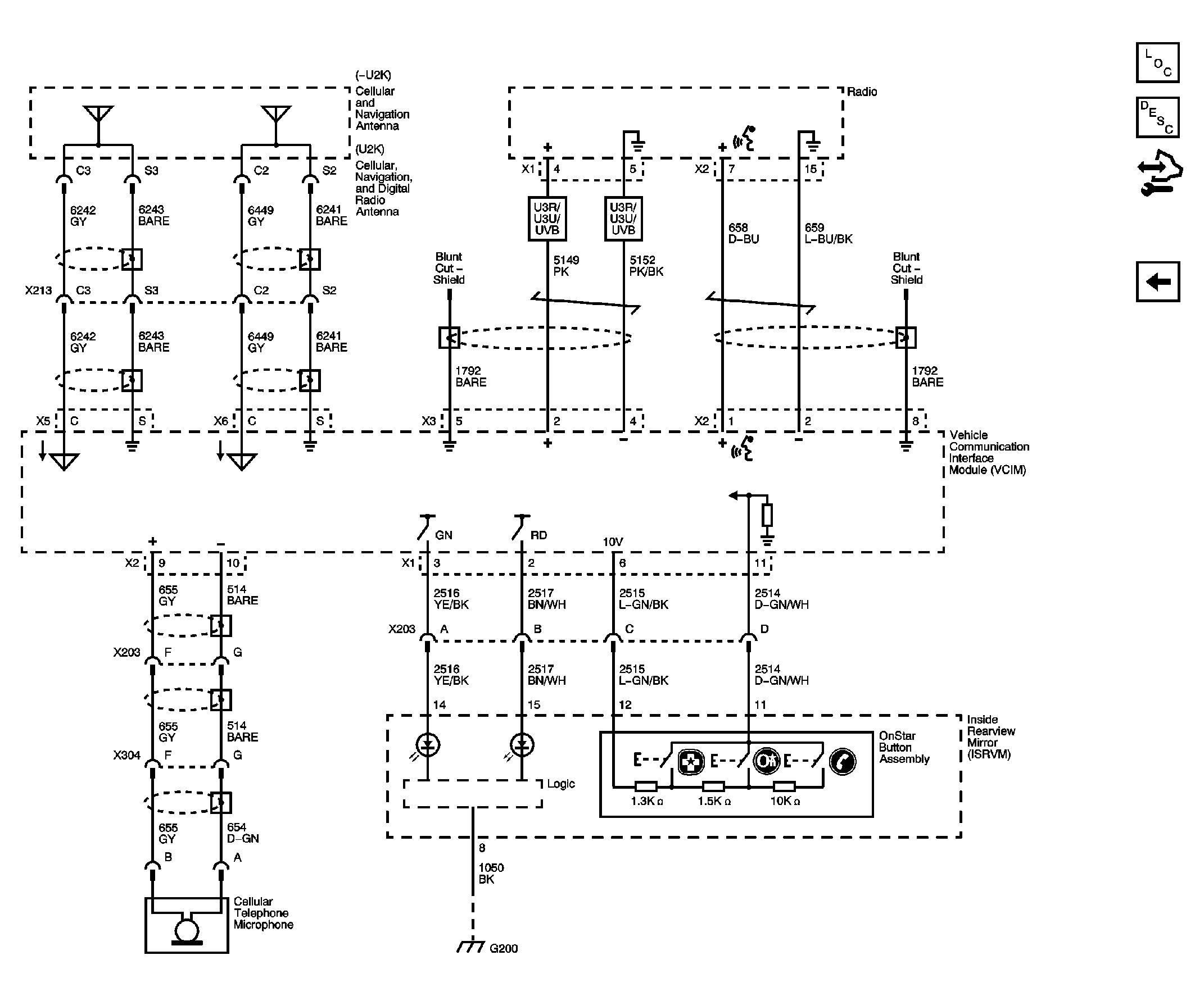
OnStar Schematics

WARNING: This page does not describe the selected car, but rather 8 other vehicles, including the 2010 GMC Yukon XL, 2010 GMC Yukon, 2010 Chevrolet Tahoe, 2010 Chevrolet Suburban, and 2010 Chevrolet Avalanche. However, it is still accessible from the selected car via links, so may be relevant.
Fig 1: Module Power, Ground, and Serial Data
GM2241610Courtesy of GENERAL MOTORS CORP.
Fig 2: Communication Signals and Control
GM2241611Courtesy of GENERAL MOTORS CORP.