LEMON Manuals: Even more car manuals for everyone: 1960-2025
Home >> Cadillac >> 2009 >> Escalade EXT >> Repair and Diagnosis >> External Pages >> Different car >> Section 249 (Steering Wheel & Steering Column) >> Schematic and Routing Diagrams >> Tilt/Telescoping Steering Column Schematics
April 5, 2026: LEMON Manuals is launched! Read the announcement.

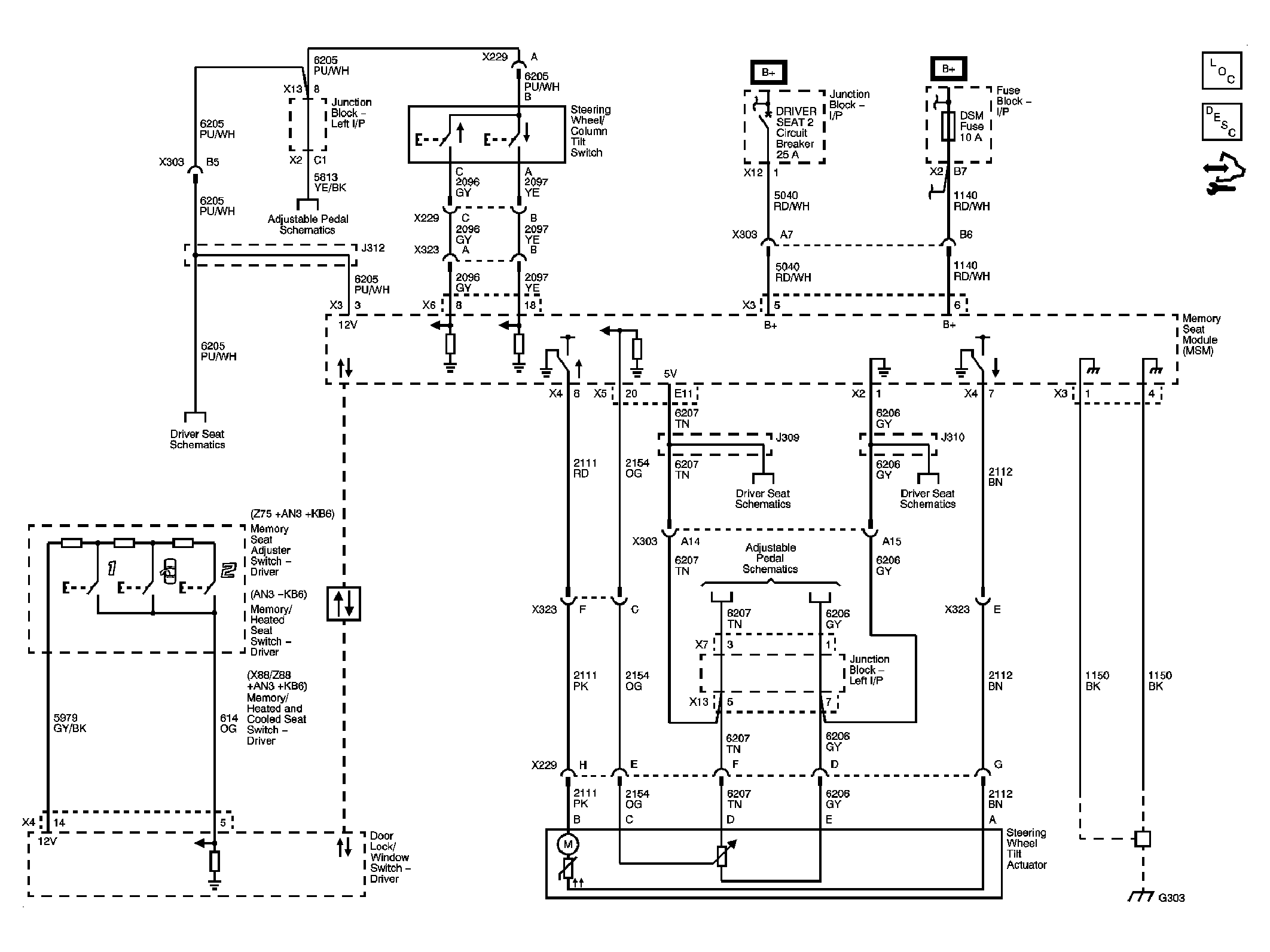
Tilt/Telescoping Steering Column Schematics

WARNING: This page does not describe the selected car, but rather 8 other vehicles, including the 2010 GMC Yukon XL, 2010 GMC Yukon, 2010 Chevrolet Tahoe, 2010 Chevrolet Suburban, and 2010 Chevrolet Avalanche. However, it is still accessible from the selected car via links, so may be relevant.
Fig 1: Tilt/Telescoping Steering Column Schematic
GM2240750Courtesy of GENERAL MOTORS CORP.