LEMON Manuals: Even more car manuals for everyone: 1960-2025
Home >> Cadillac >> 2009 >> SRX 3.6 7, AWD >> Repair and Diagnosis >> Accessories & Equipment >> Memory Modules >> Configurable Customer Control System >> Schematic and Routing Diagrams >> Steering Wheel Secondary/Configurable Control Schematics
April 5, 2026: LEMON Manuals is launched! Read the announcement.

Steering Wheel Secondary/Configurable Control Schematics

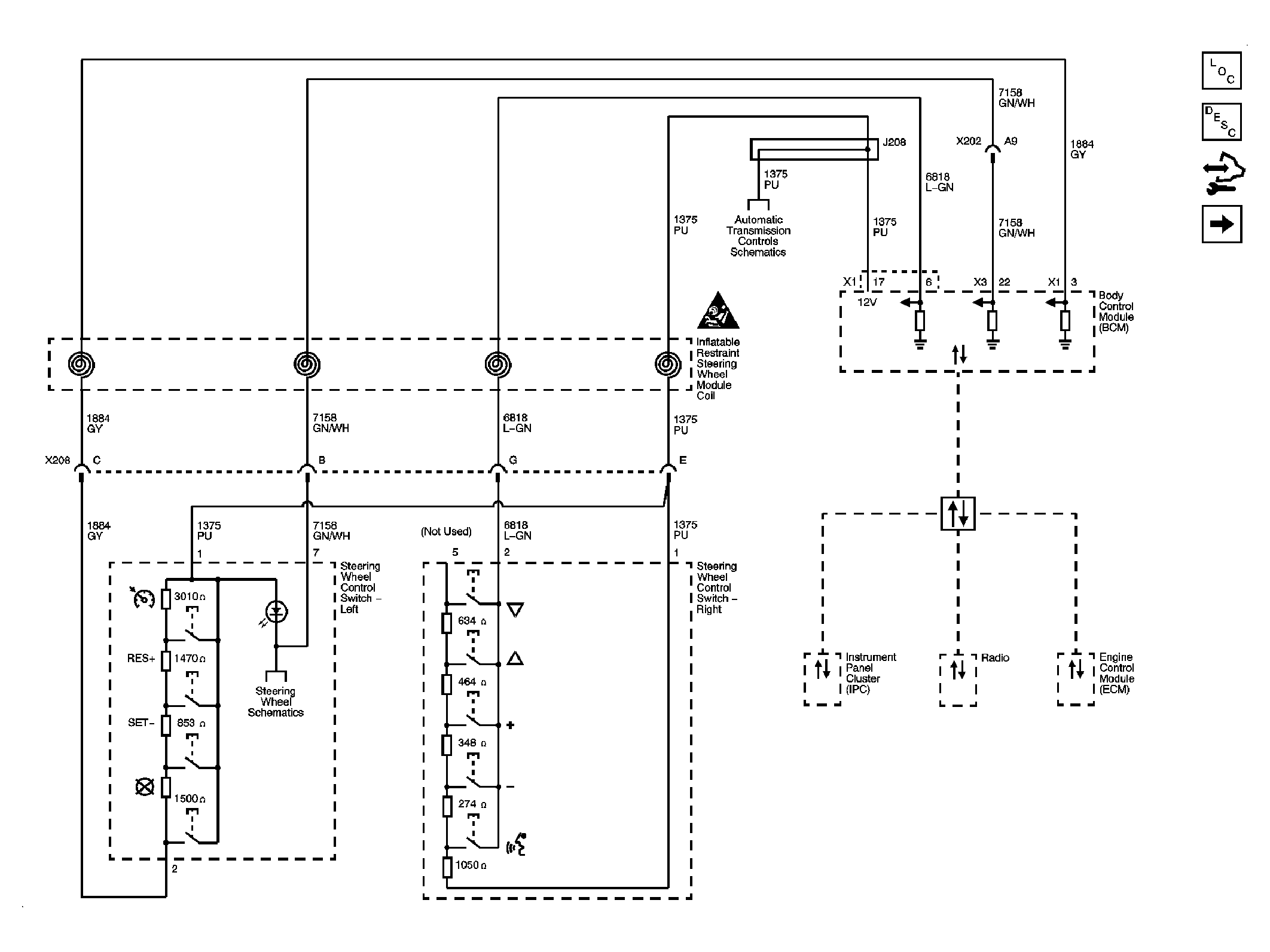
Fig 1: Steering Wheel Controls (N31) Schematic
GM2063385Courtesy of GENERAL MOTORS CORP.
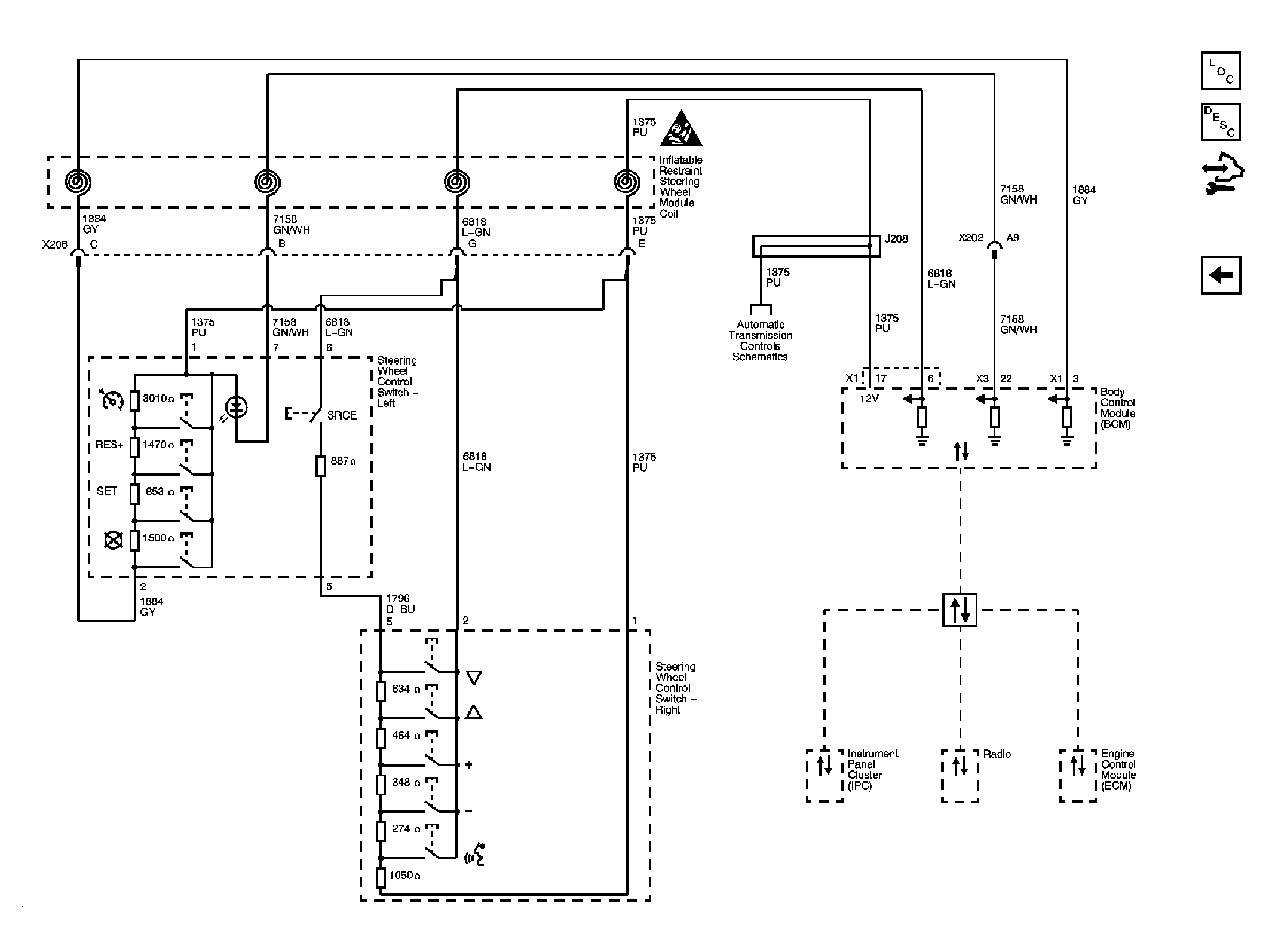
Fig 2: Steering Wheel Controls (Without N31) Schematic
GM2063388Courtesy of GENERAL MOTORS CORP.