LEMON Manuals: Even more car manuals for everyone: 1960-2025
Home >> Cadillac >> 2009 >> SRX 3.6 7, AWD >> Repair and Diagnosis >> External Pages >> Different car >> Section 159 (Object Detection System) >> Schematic and Routing Diagrams >> Object Detection Schematics
April 5, 2026: LEMON Manuals is launched! Read the announcement.

Object Detection Schematics

WARNING: This page is about a different car, the 2009 Saturn Outlook, 2009 GMC Acadia, 2009 Chevrolet Traverse, and 2009 Buick Enclave. However, it is still accessible from the selected car via links, so may be relevant.
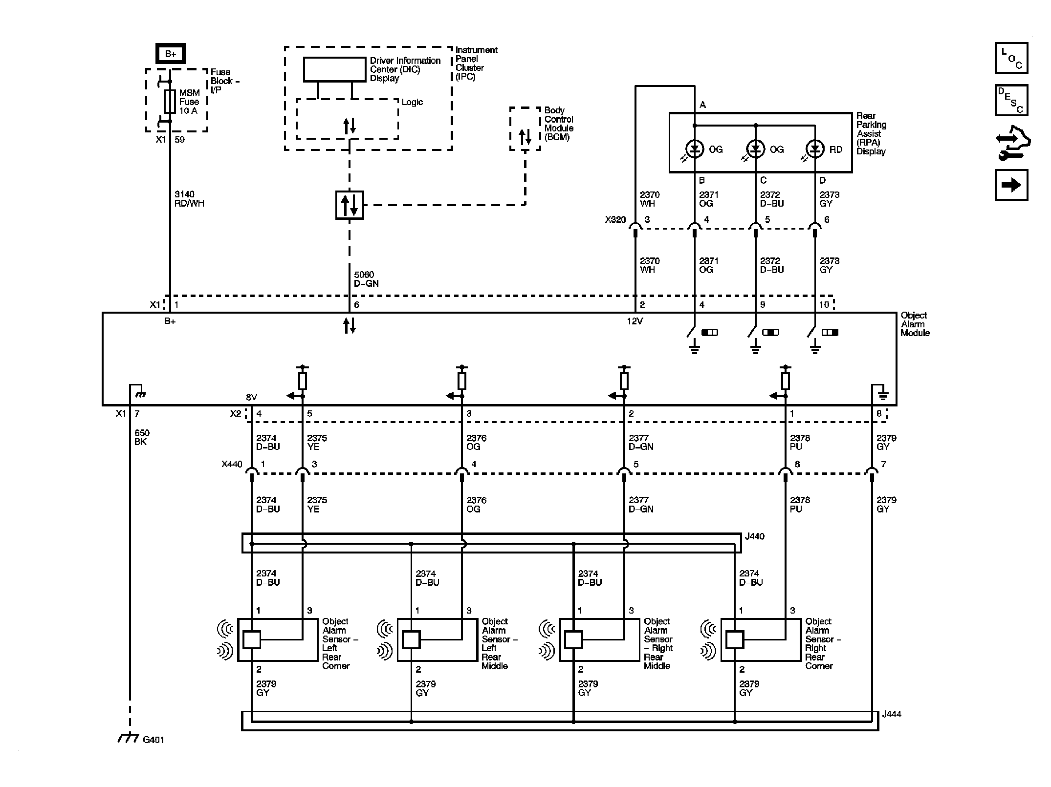
Fig 1: Rear Park Assist Circuit Schematic - UD7
GM2078156Courtesy of GENERAL MOTORS CORP.
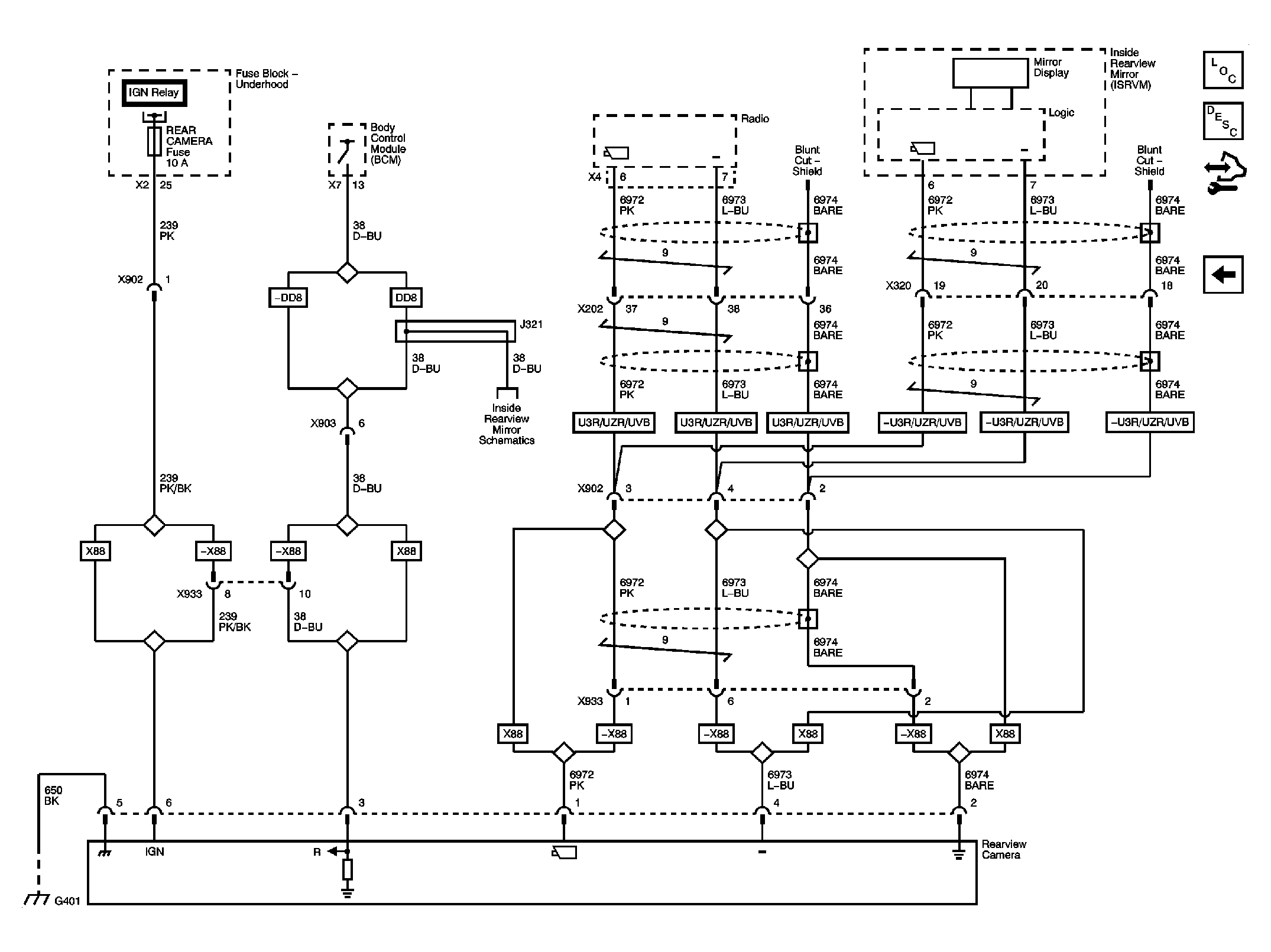
Fig 2: Rear Vision Camera Circuit Schematic - UVC
GM2078159Courtesy of GENERAL MOTORS CORP.