LEMON Manuals: Even more car manuals for everyone: 1960-2025
Home >> Cadillac >> 2009 >> SRX 4.6 A, AWD >> Repair and Diagnosis >> Accessories & Equipment >> Infotainment >> Cellular System, Entertainment System & Navigation System >> Schematic and Routing Diagrams >> Radio/Navigation System Schematics
April 5, 2026: LEMON Manuals is launched! Read the announcement.

Radio/Navigation System Schematics

Fig 1: Radio and Amplifier Power, Ground, and Communication (UQA) Schematic
GM2063304Courtesy of GENERAL MOTORS CORP.
Fig 2: Radio and Amplifier Power, Ground, and Communication (UQS without U42) Schematic
GM2063311Courtesy of GENERAL MOTORS CORP.
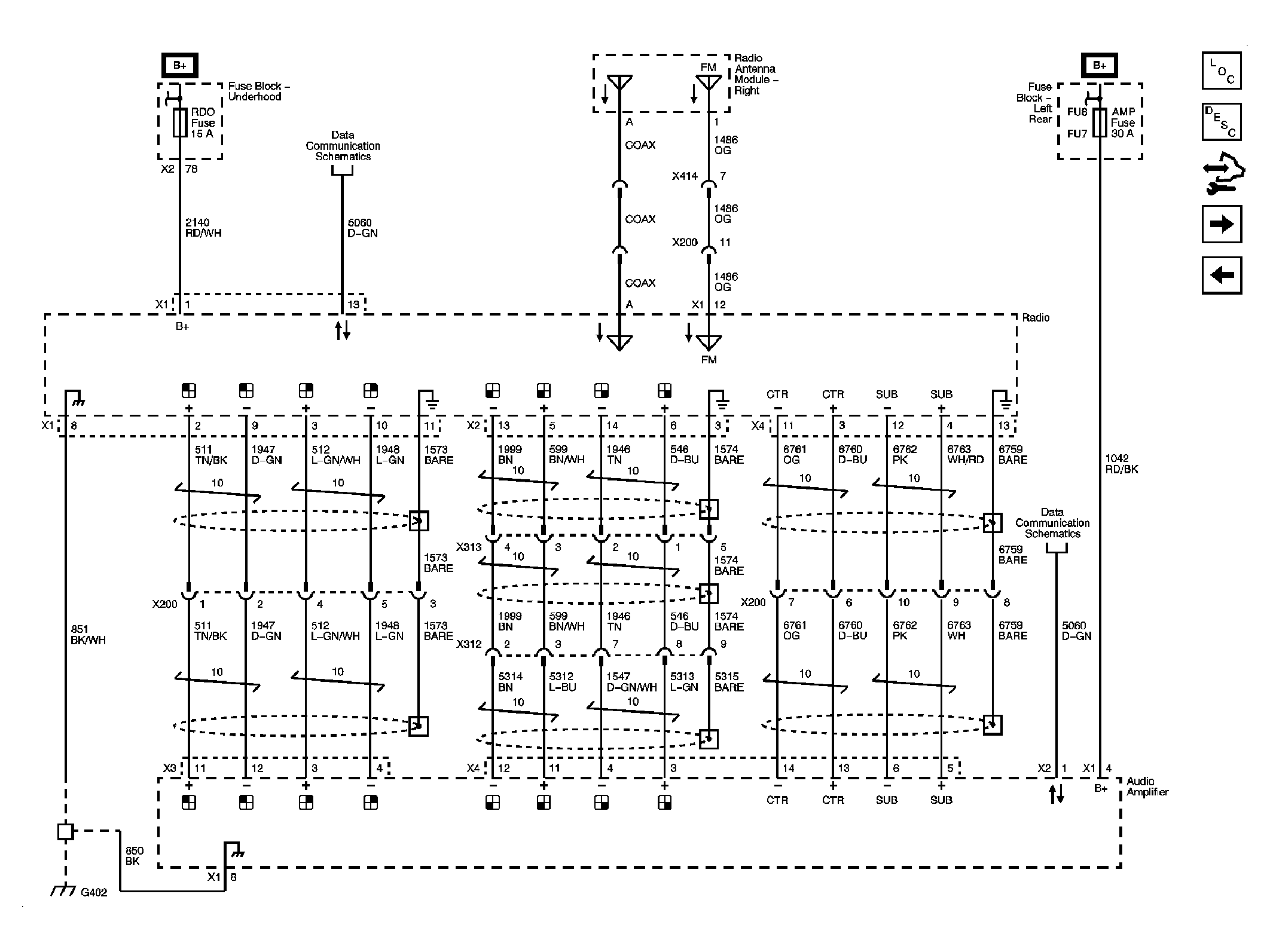
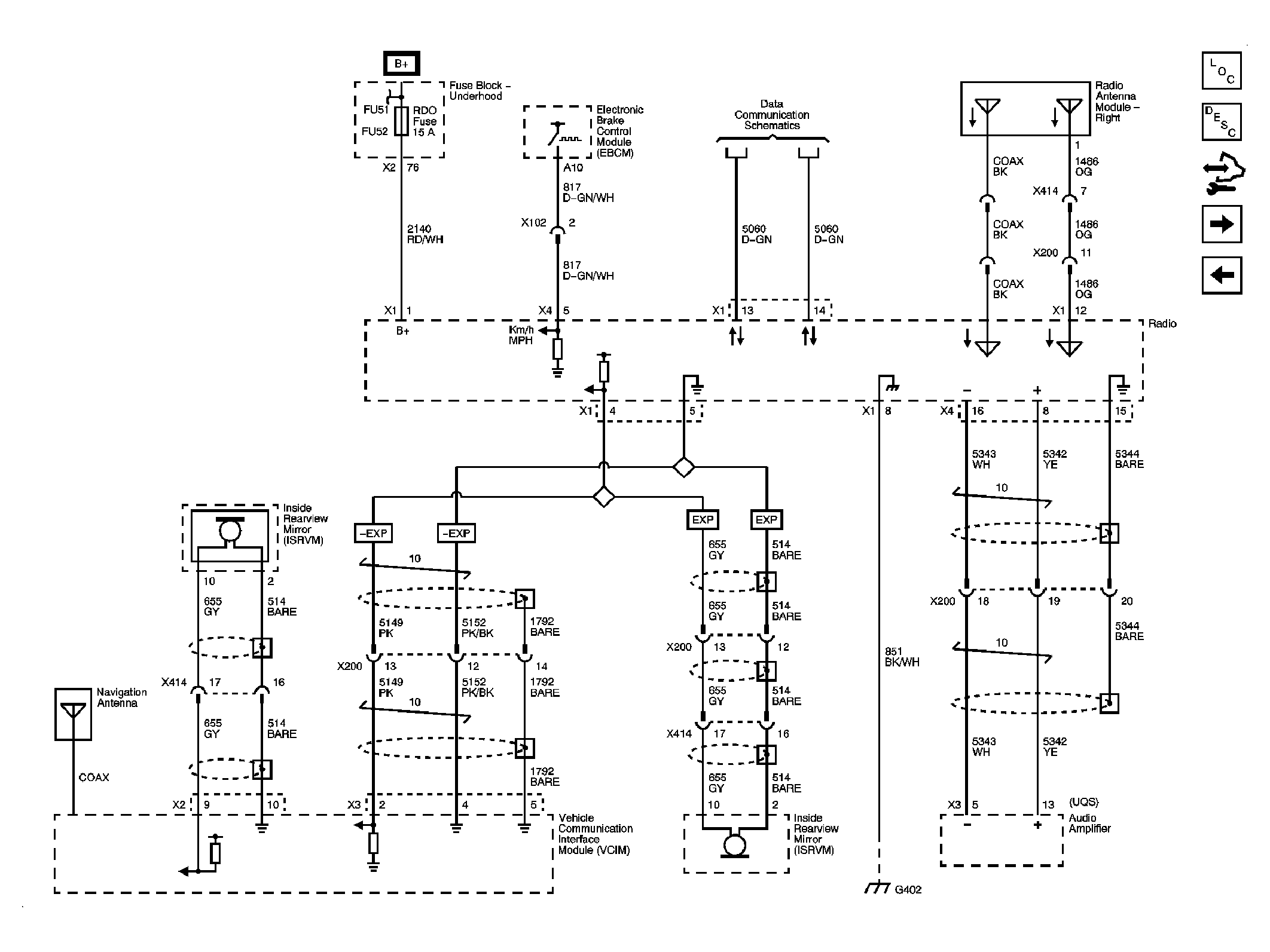
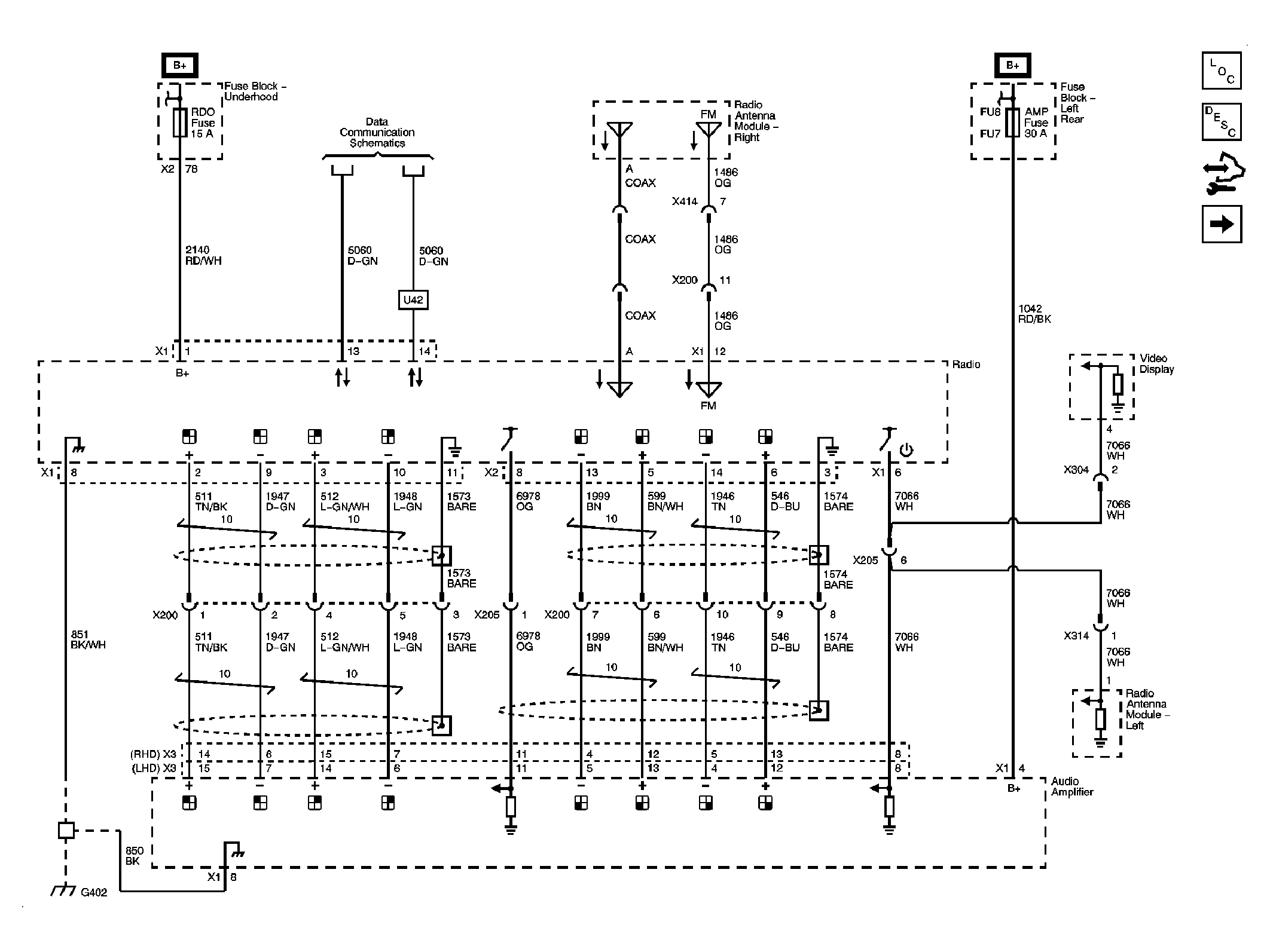
Fig 3: Radio, Amplifier, Power, Ground, and Communication (UQS with U42) Schematic
GM2063313Courtesy of GENERAL MOTORS CORP.
Fig 4: Radio, Amplifier, and Rear Seat Audio Module Signals (UQS with U42) Schematic
GM2063317Courtesy of GENERAL MOTORS CORP.
Fig 5: Speakers LHD (UQA) Schematic
GM2063319Courtesy of GENERAL MOTORS CORP.
Fig 6: Speakers RHD (UQA) Schematic
GM2063321Courtesy of GENERAL MOTORS CORP.
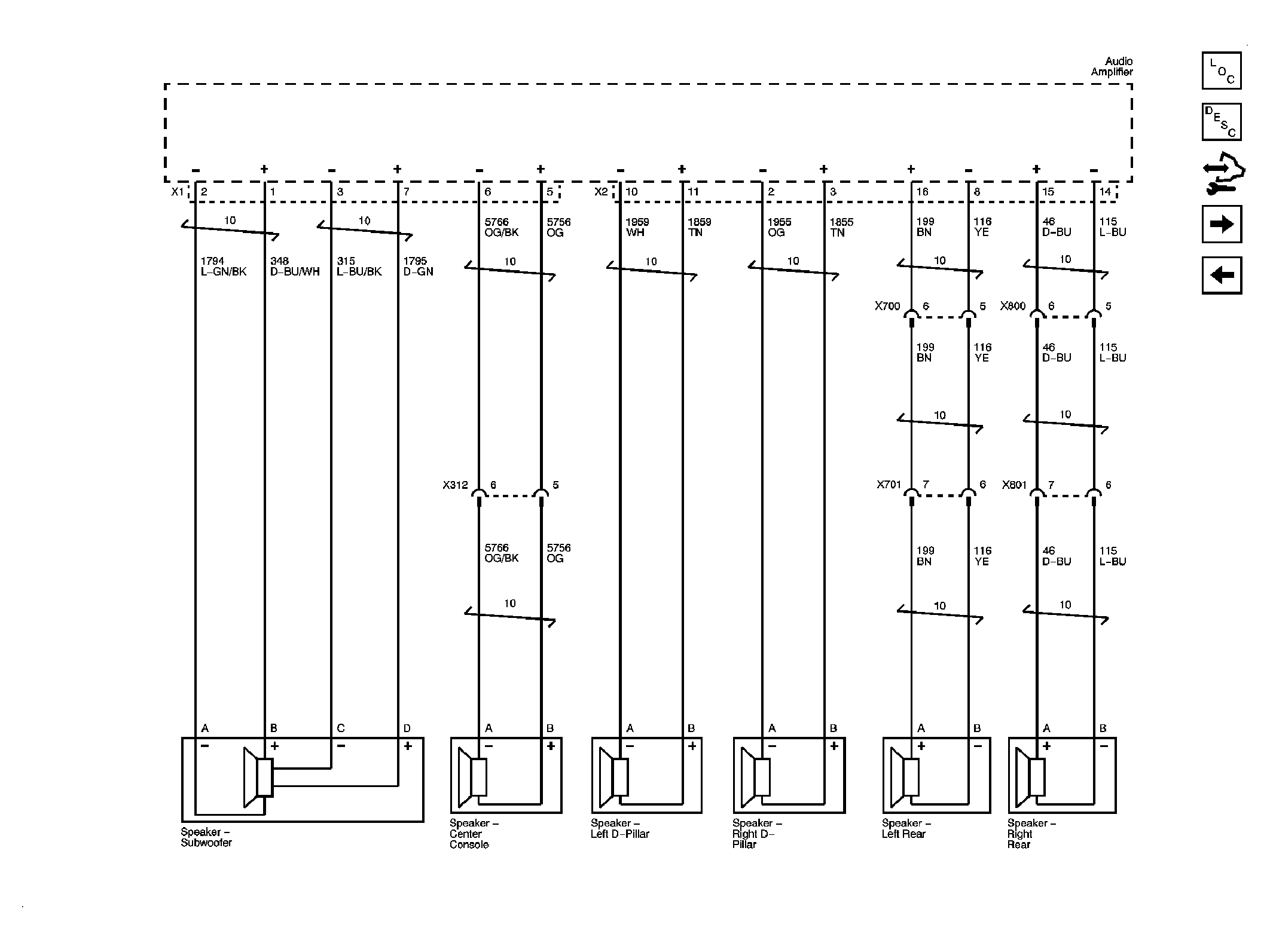
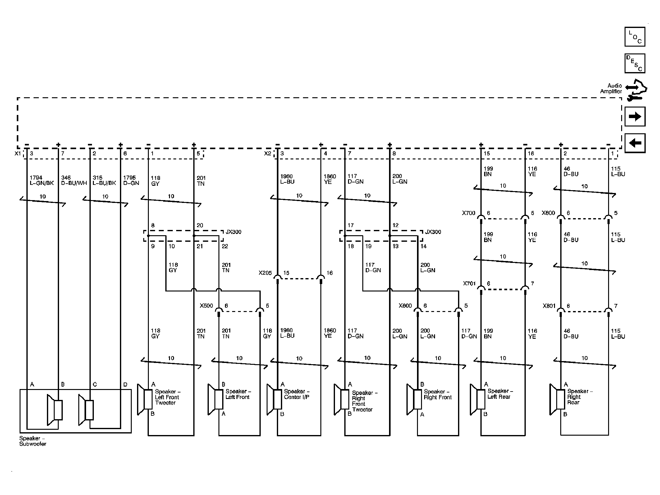
Fig 7: Subwoofer and Rear Speakers (UQS) Schematic
GM2063323Courtesy of GENERAL MOTORS CORP.
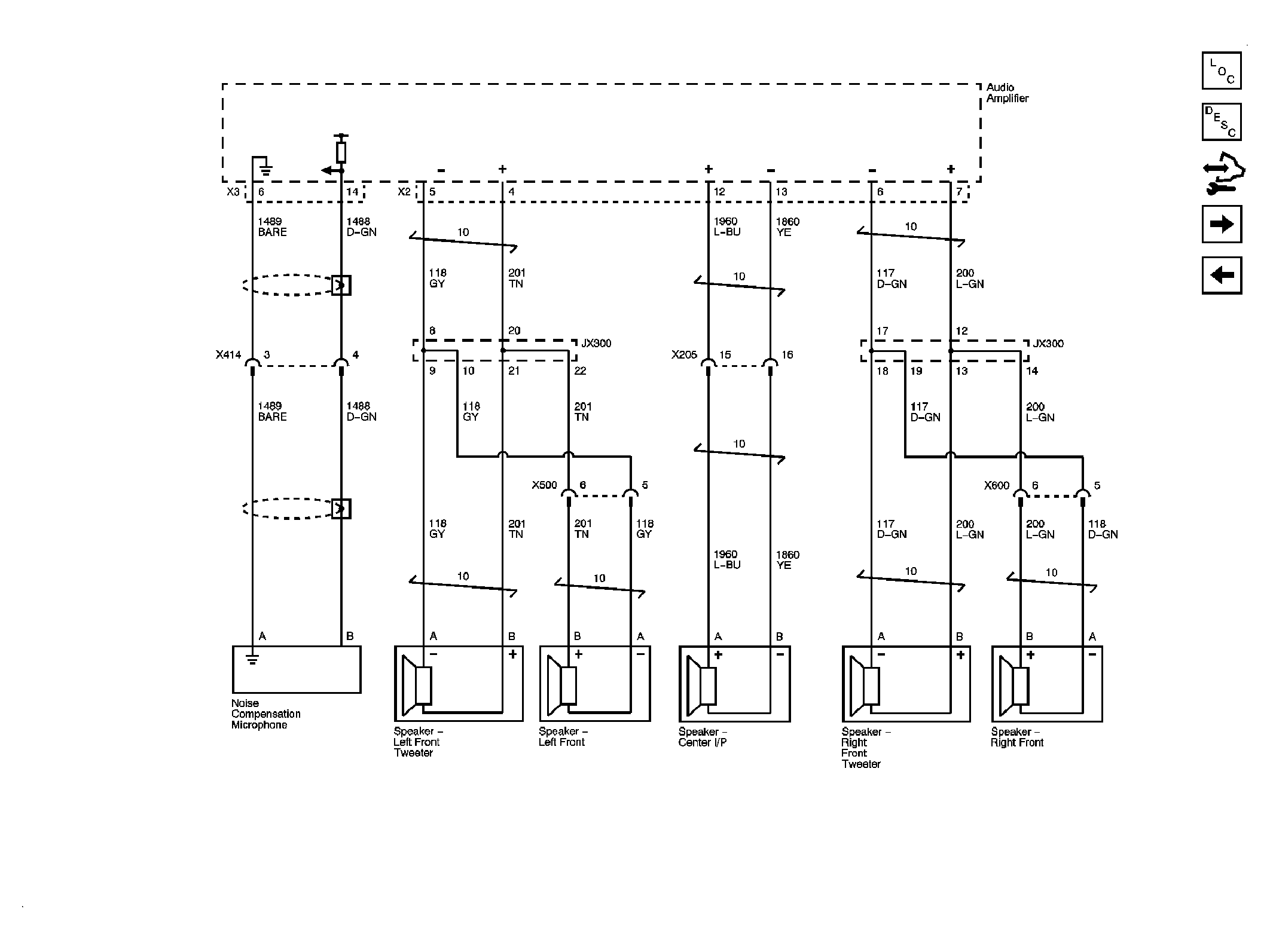
Fig 8: Noise Compensation Microphone and Front Speakers (UQS) Schematic
GM2063325Courtesy of GENERAL MOTORS CORP.
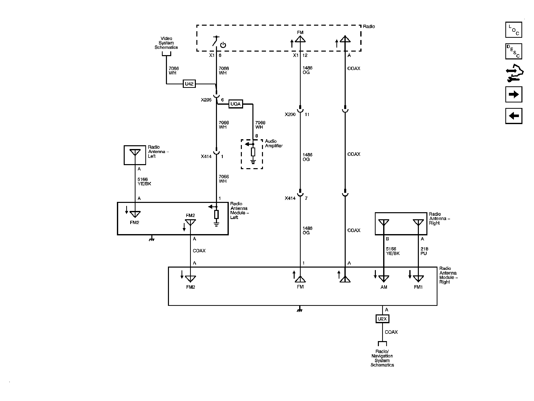
Fig 9: Antenna Signals Schematic
GM2063328Courtesy of GENERAL MOTORS CORP.
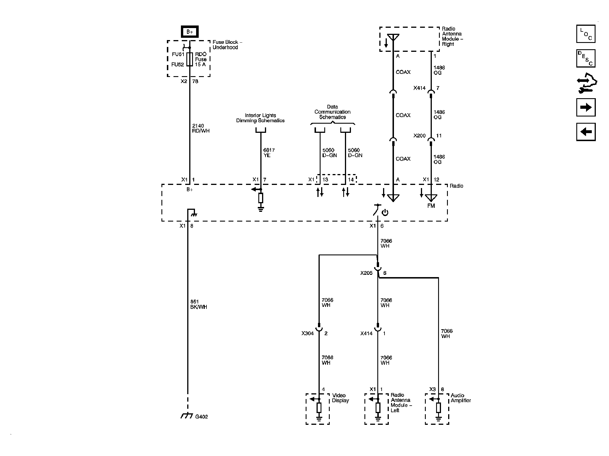
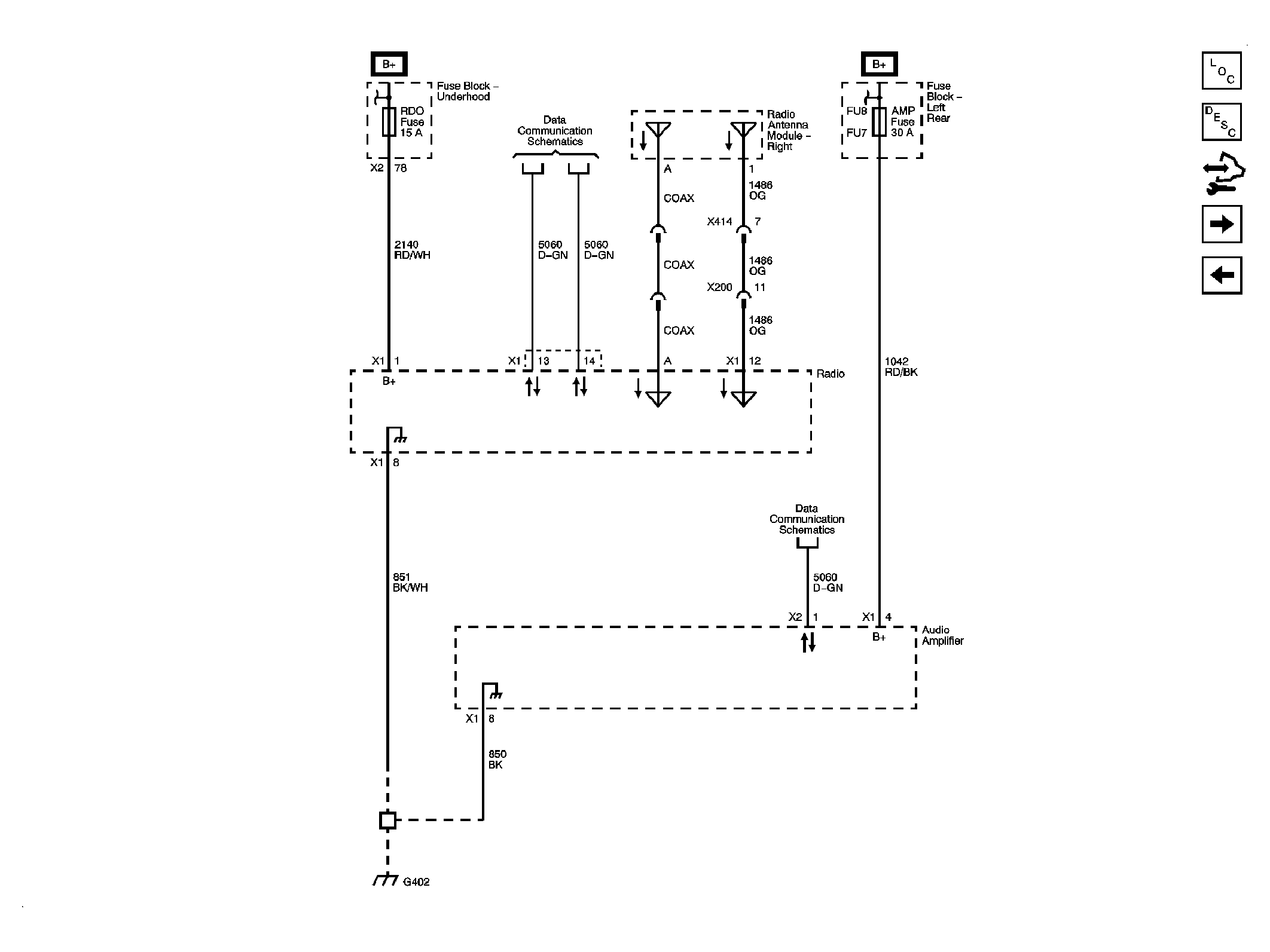
Fig 10: Radio Power, Ground, and Communication (UQA) Schematic
GM2063330Courtesy of GENERAL MOTORS CORP.
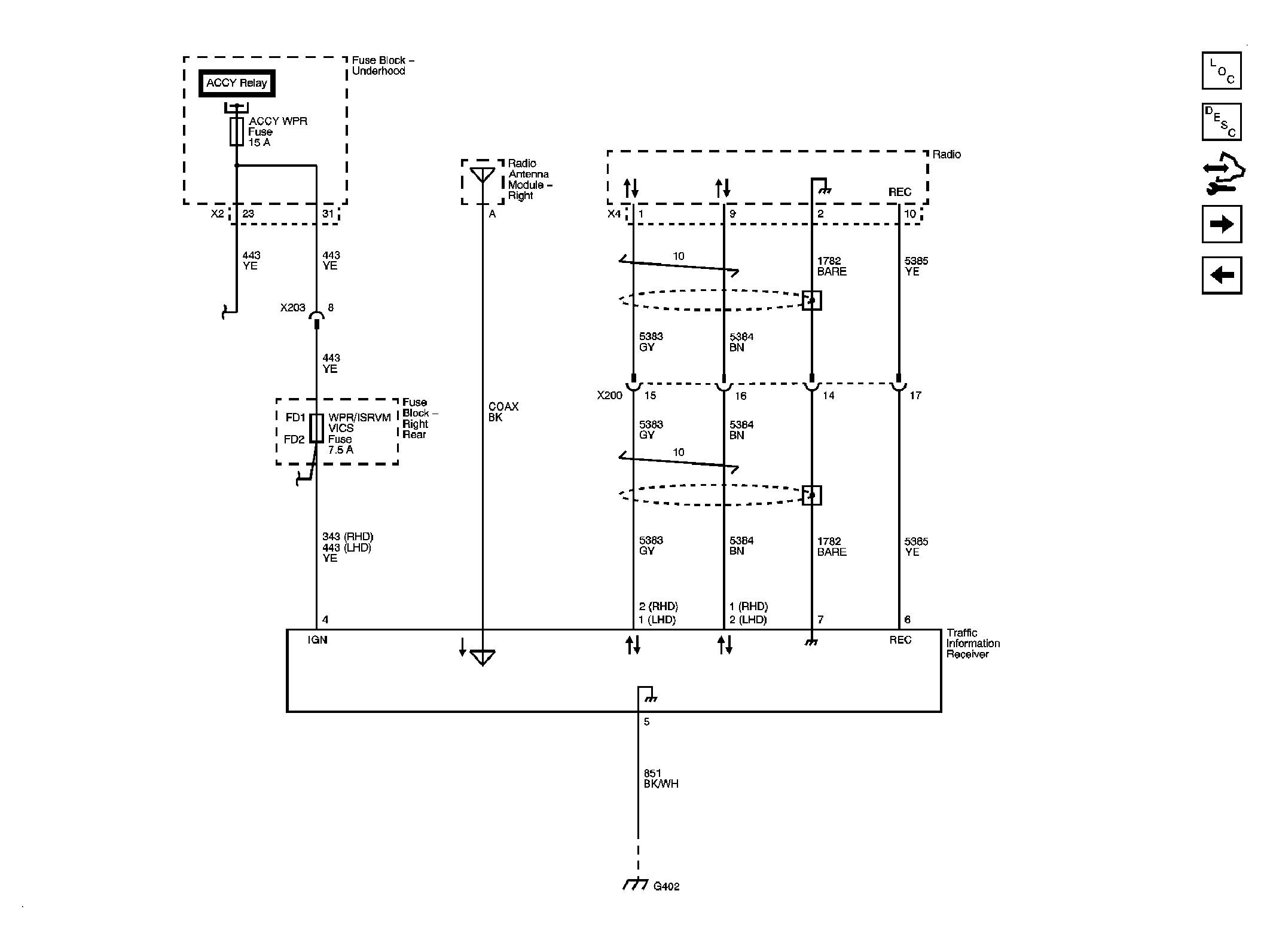
Fig 11: Traffic Information Receiver (U2X) Schematic
GM2063333Courtesy of GENERAL MOTORS CORP.
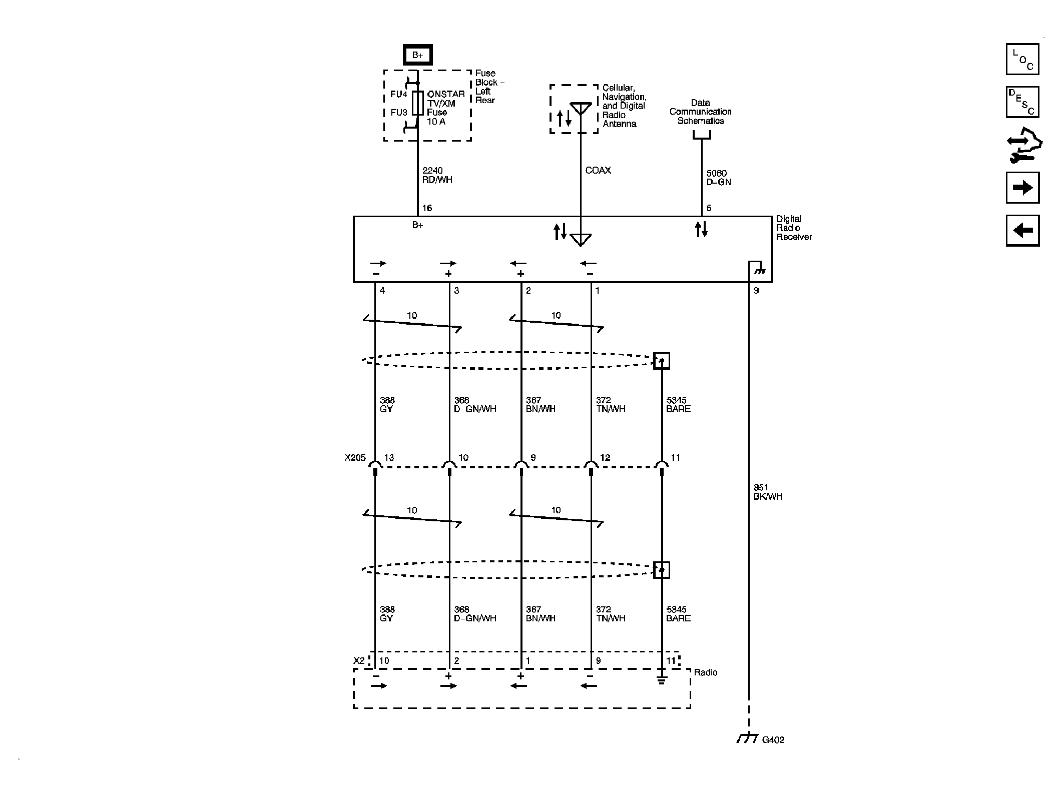
Fig 12: Digital Radio Receiver (U2K) Schematic
GM2063338Courtesy of GENERAL MOTORS CORP.
Fig 13: Navigation Controls (U2V/U2X/U2Y) Schematic
GM2063342Courtesy of GENERAL MOTORS CORP.
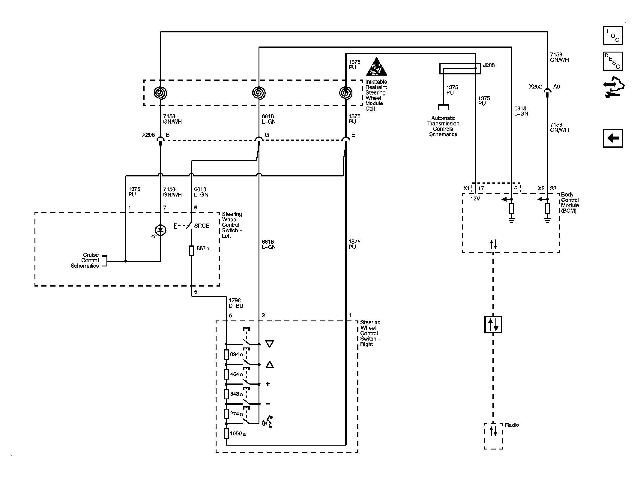
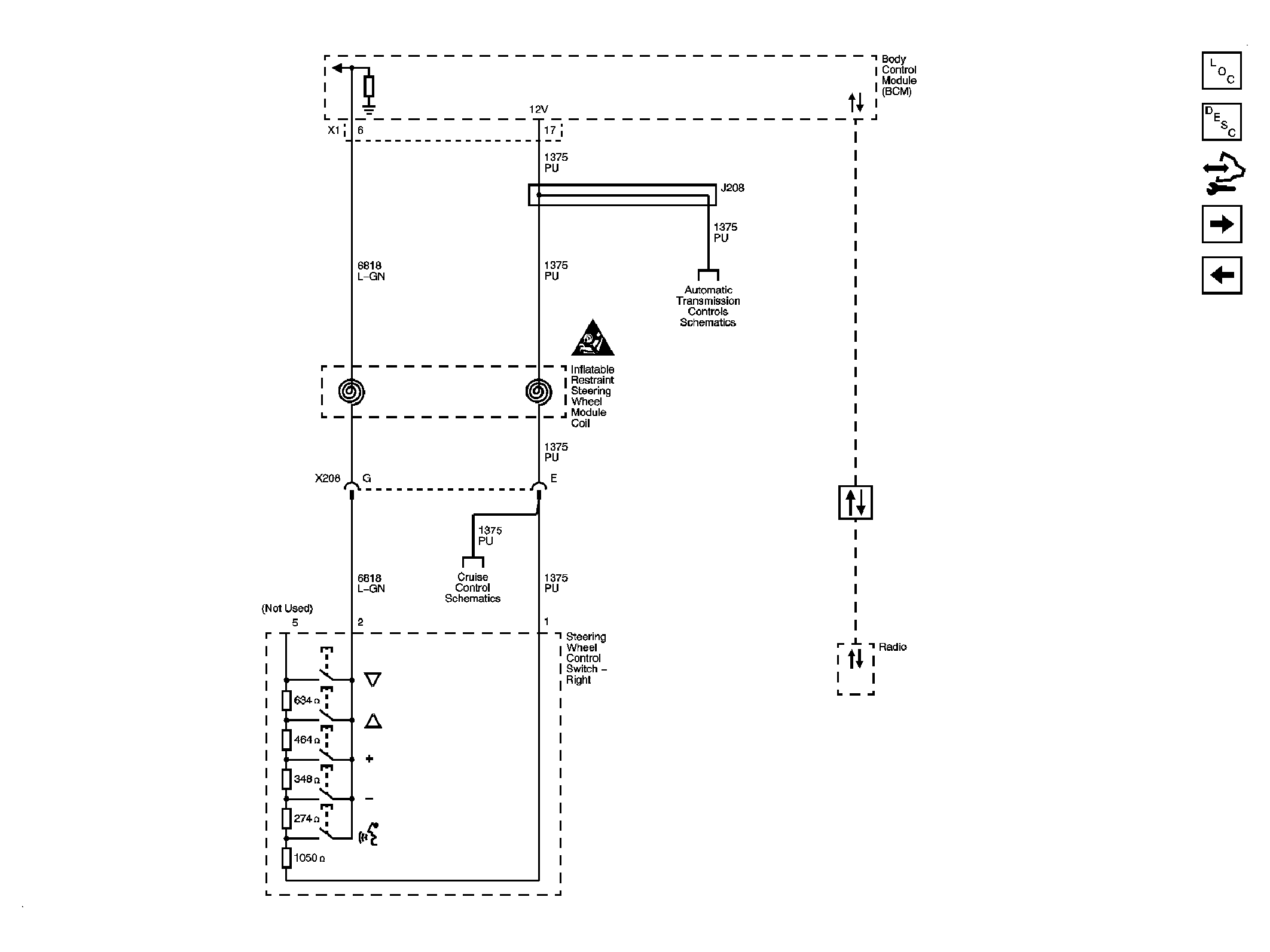
Fig 14: Steering Wheel Controls (N31) Schematic
GM2063349Courtesy of GENERAL MOTORS CORP.
Fig 15: Steering Wheel Controls (without N31) Schematic
GM2063352Courtesy of GENERAL MOTORS CORP.