LEMON Manuals: Even more car manuals for everyone: 1960-2025
Home >> Cadillac >> 2009 >> SRX 4.6 A, AWD >> Repair and Diagnosis >> Engine Performance >> System >> Engine Control System & Fuel System - 4.6L - Introduction >> Schematic and Routing Diagrams >> Engine Controls Schematics
April 5, 2026: LEMON Manuals is launched! Read the announcement.

Engine Controls Schematics

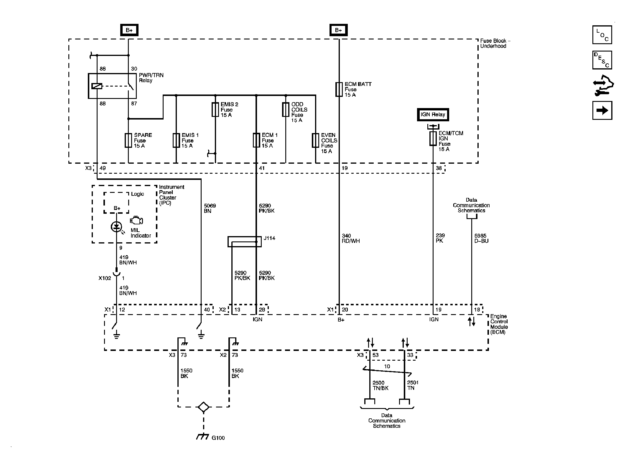
Fig 1: Power, Ground, Serial Data and MIL Schematic
GM2062382Courtesy of GENERAL MOTORS CORP.
Fig 2: Engine Data Sensors - 5-Volt and Low References Schematic
GM2062384Courtesy of GENERAL MOTORS CORP.
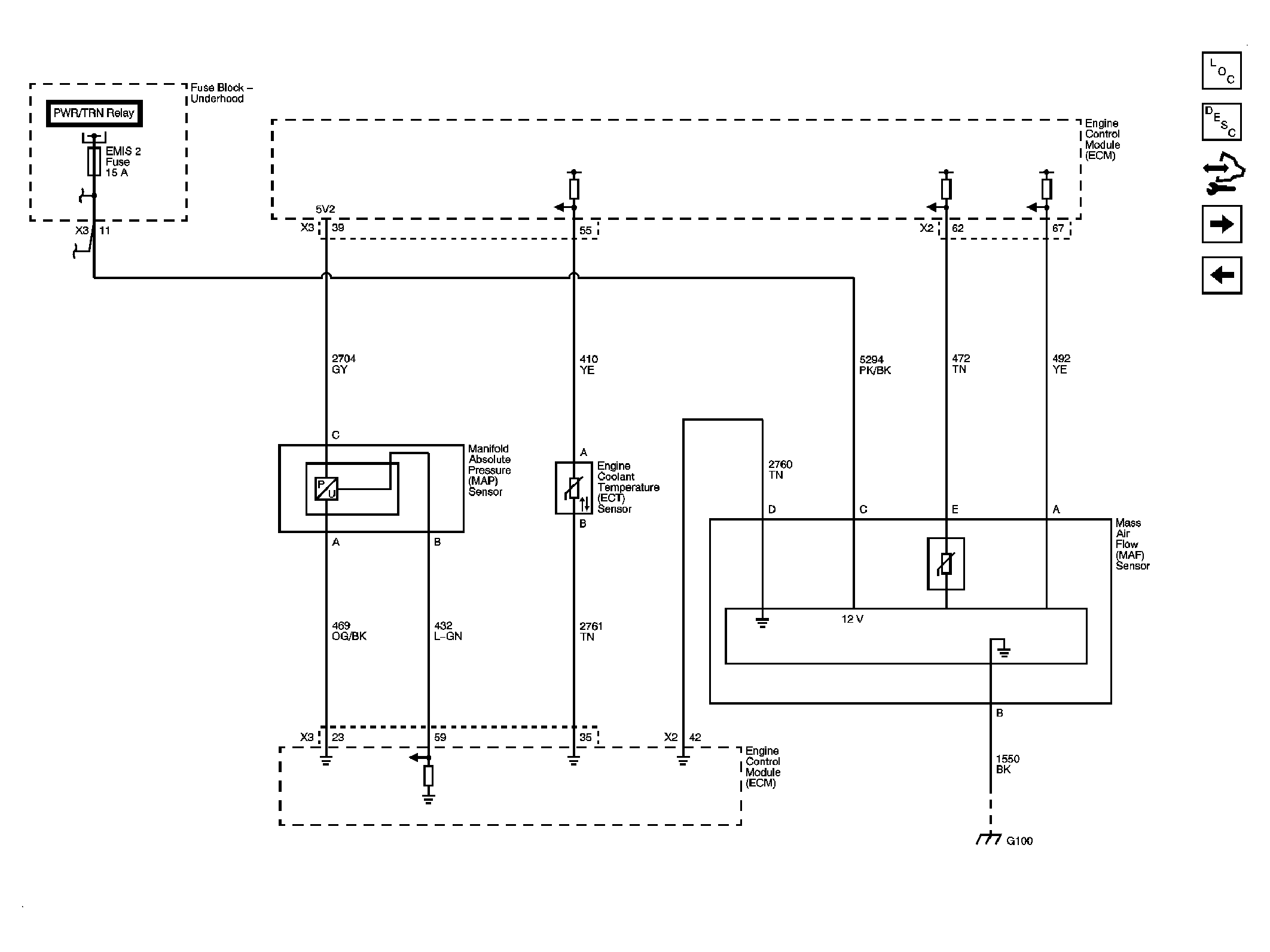
Fig 3: Engine Data Sensors - MAF, MAP and Engine Coolant Temp (ECT) Sensor Schematic
GM2062386Courtesy of GENERAL MOTORS CORP.
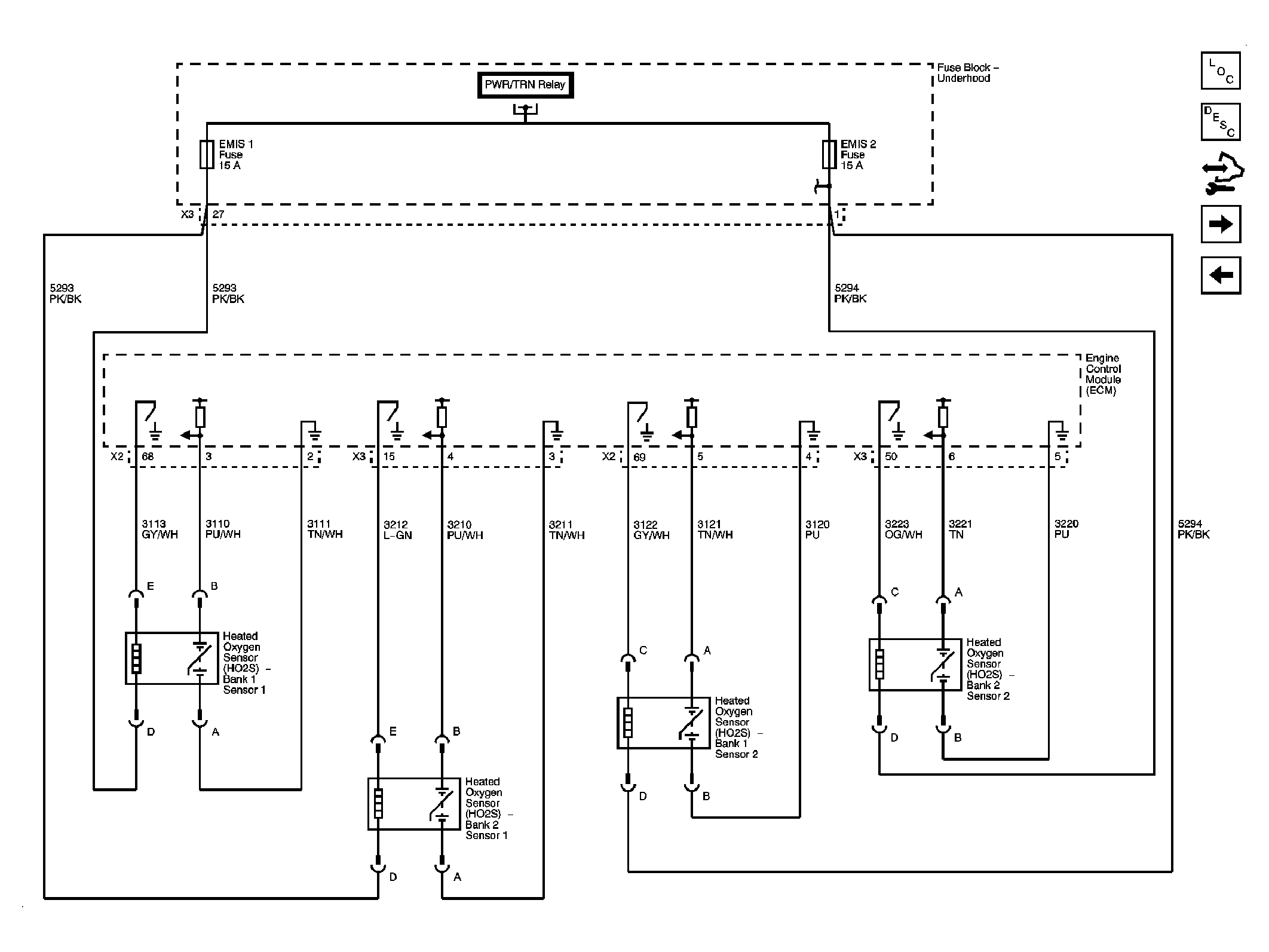
Fig 4: Engine Data Sensors - Oxygen Sensors Schematic
GM2062389Courtesy of GENERAL MOTORS CORP.
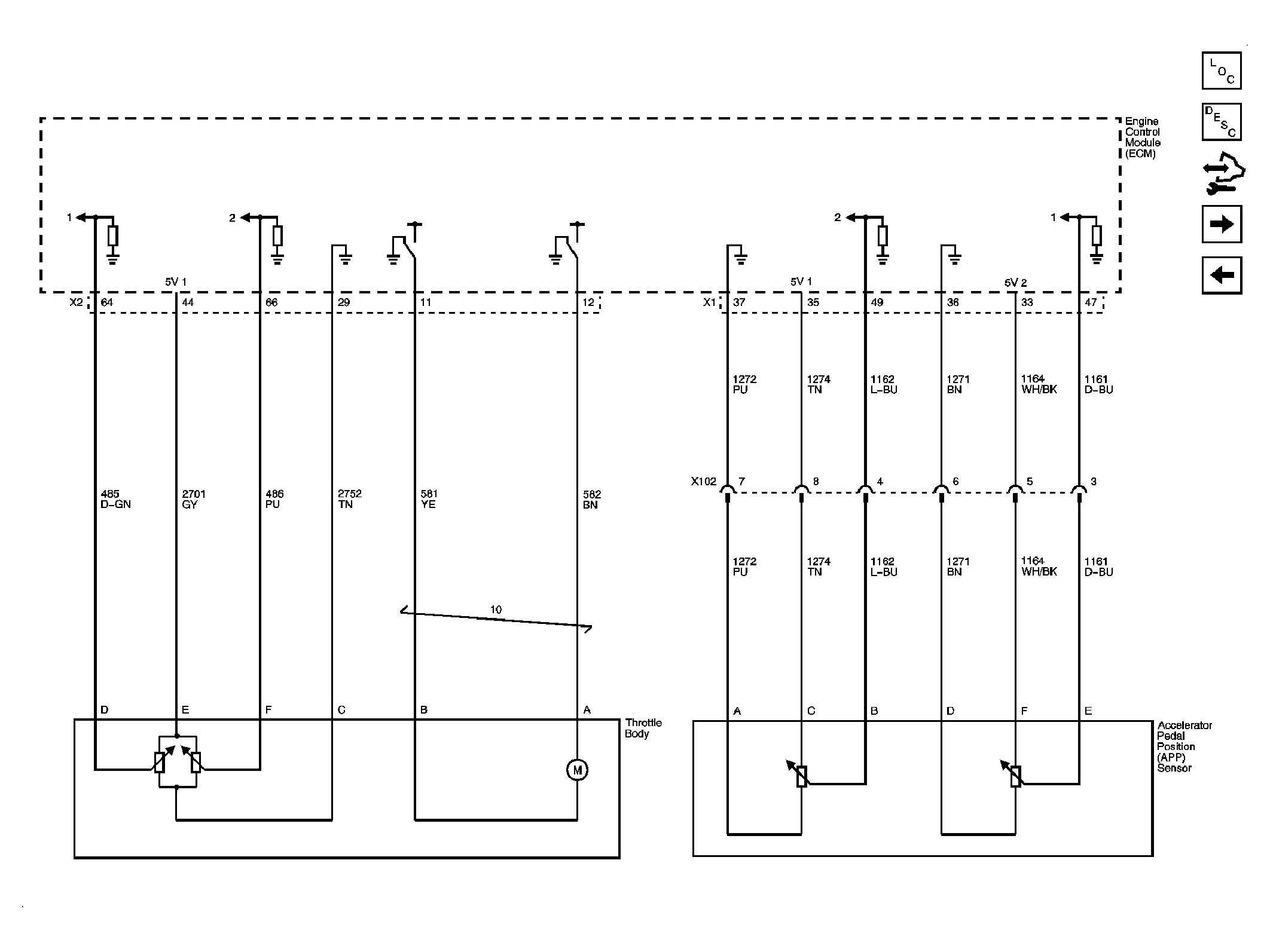
Fig 5: Engine Data Sensors - Electronic Throttle Controls Schematic
GM2062392Courtesy of GENERAL MOTORS CORP.
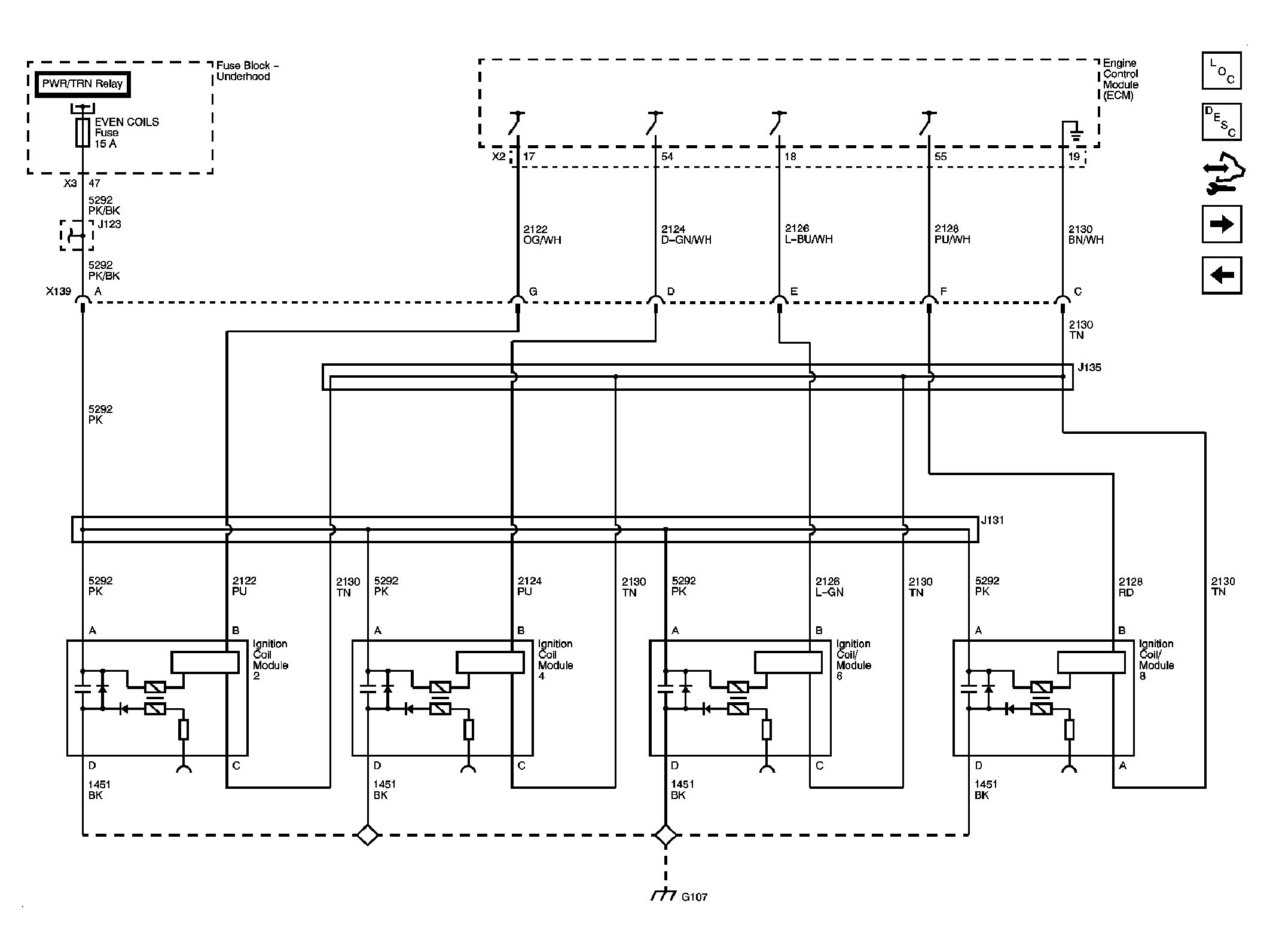
Fig 6: Ignition Controls - Bank 1 Ignition Coils Schematic
GM2062397Courtesy of GENERAL MOTORS CORP.
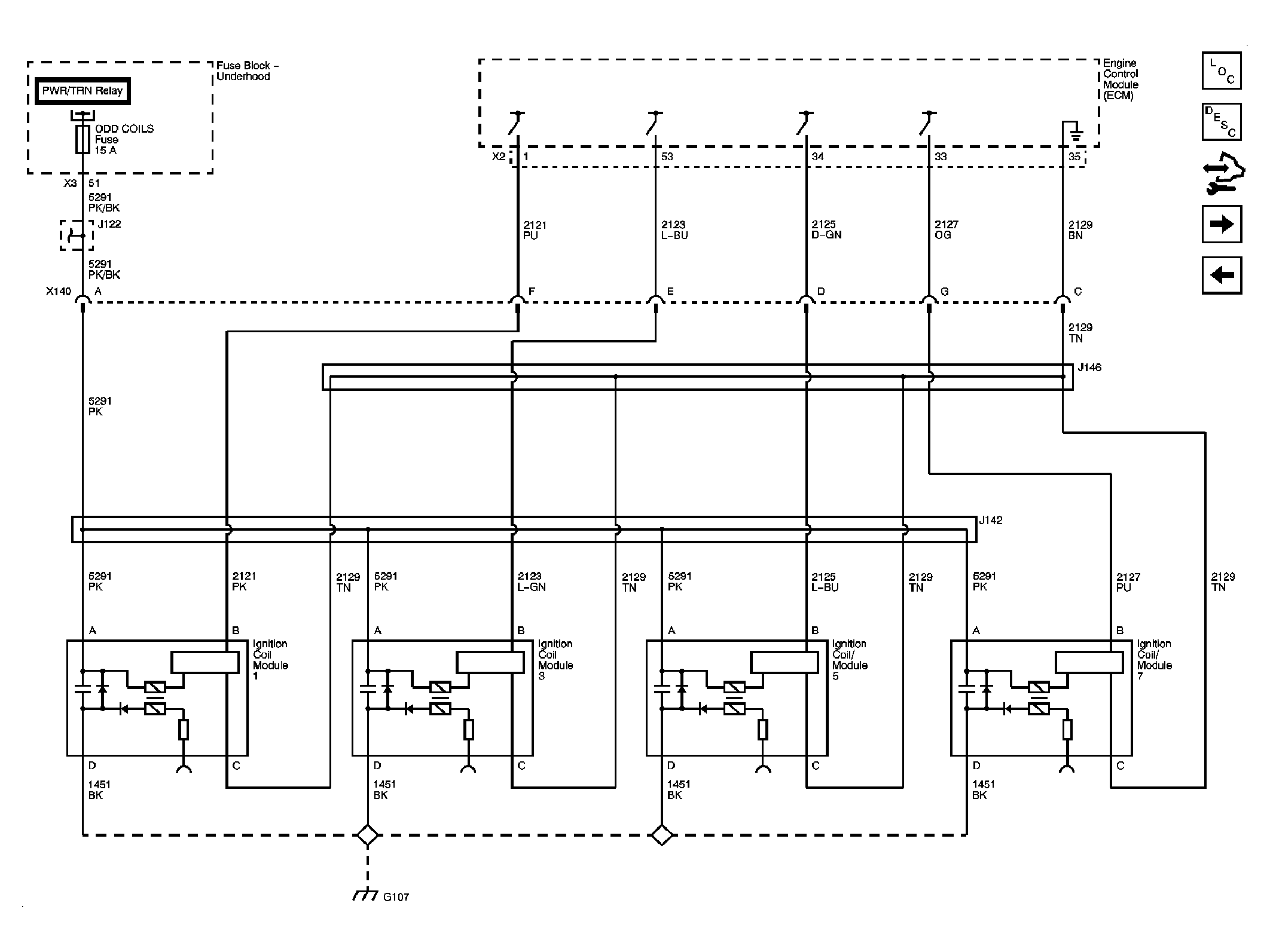
Fig 7: Ignition Controls - Bank 2 Ignition Coils Schematic
GM2062401Courtesy of GENERAL MOTORS CORP.
Fig 8: Ignition Controls - CMP Sensors and Solenoids Schematic
GM2062403Courtesy of GENERAL MOTORS CORP.
Fig 9: Ignition Controls - CKP and Knock Sensors Schematic
GM2062406Courtesy of GENERAL MOTORS CORP.
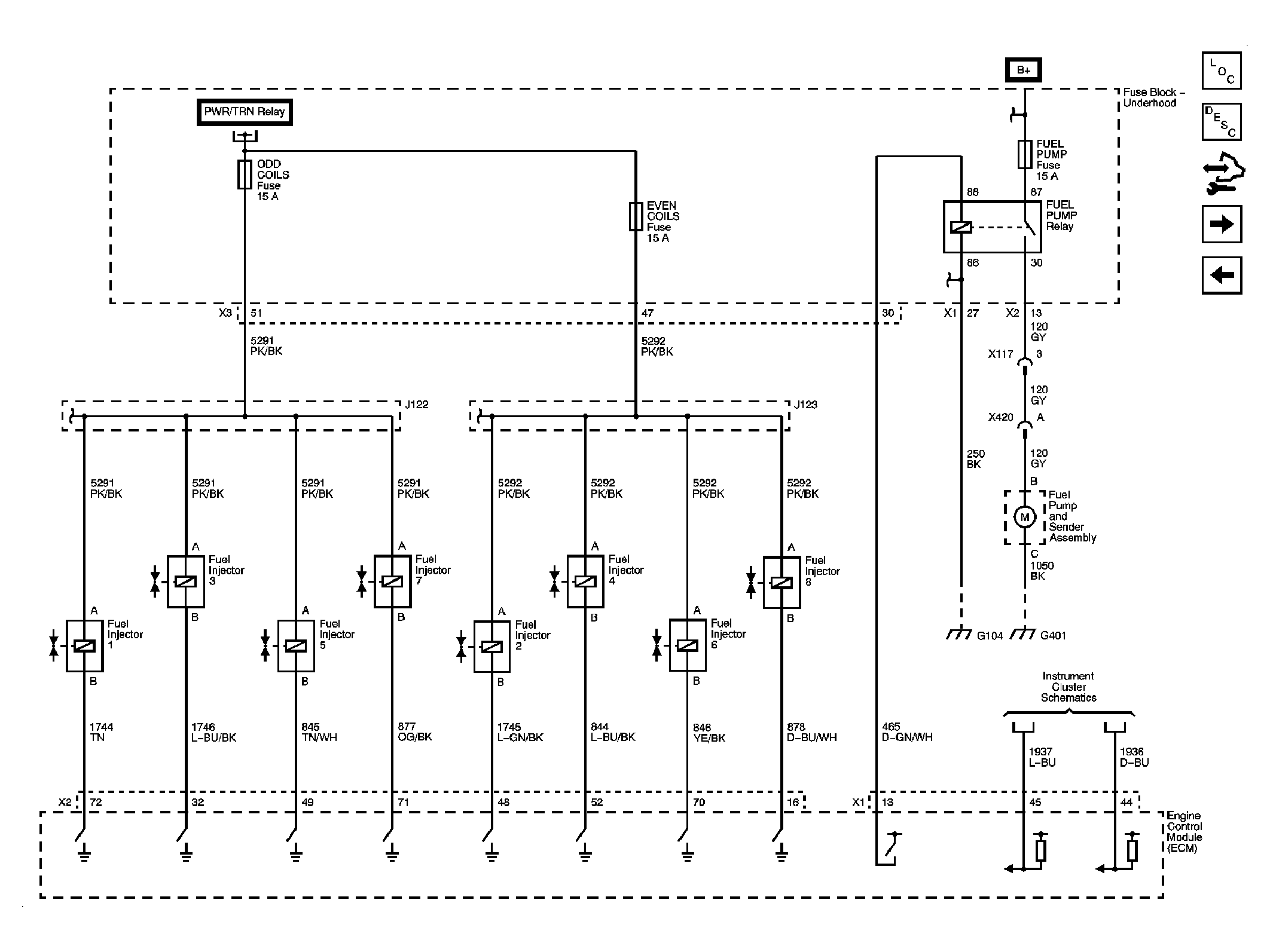
Fig 10: Fuel Controls - Fuel Pump and Injectors Schematic
GM2062408Courtesy of GENERAL MOTORS CORP.
Fig 11: Fuel Controls - EVAP Controls Schematic
GM2062410Courtesy of GENERAL MOTORS CORP.
Fig 12: Controlled/Monitored Subsystem References Schematic
GM2062412Courtesy of GENERAL MOTORS CORP.