LEMON Manuals: Even more car manuals for everyone: 1960-2025
Home >> Cadillac >> 2009 >> STS Base, 3.6 V, AWD >> Repair and Diagnosis >> Engine Performance >> System >> Engine Controls And Fuel - 3.6L - Introduction >> Schematic and Routing Diagrams >> Engine Controls Schematics
April 5, 2026: LEMON Manuals is launched! Read the announcement.

Engine Controls Schematics

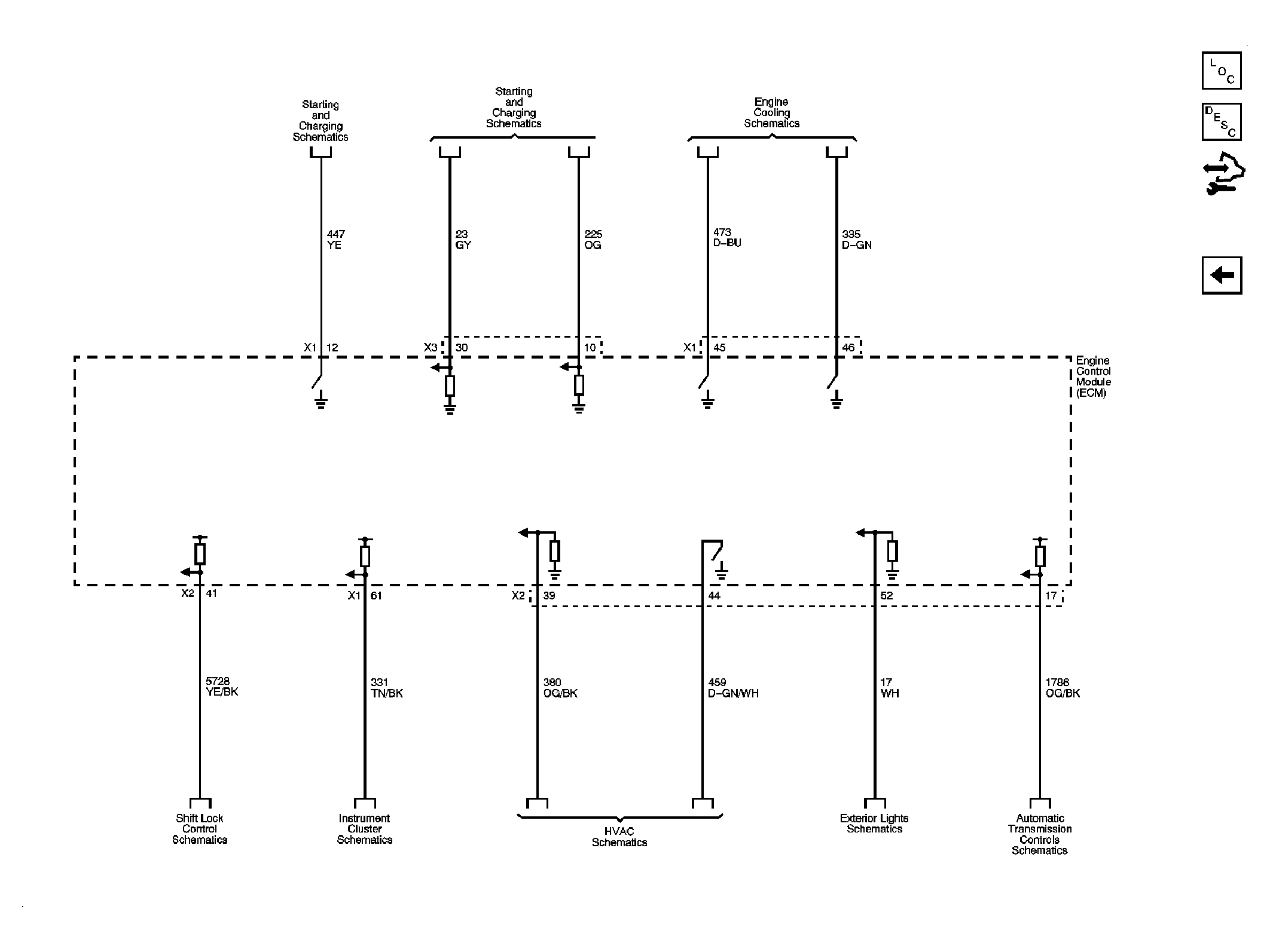
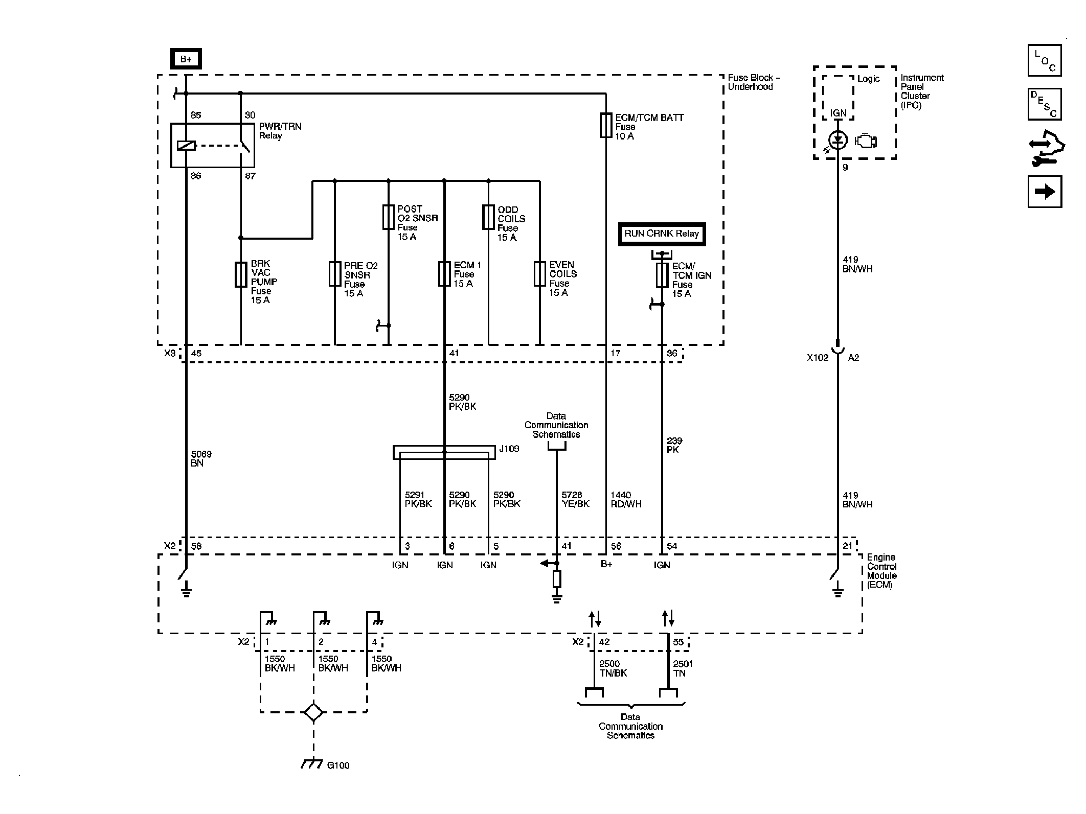
Fig 1: ECM Power, Ground, DLC, and MIL
GM2063730Courtesy of GENERAL MOTORS CORP.
Fig 2: Engine Data Sensors - 5-Volt Reference Bus
GM2063733Courtesy of GENERAL MOTORS CORP.
Fig 3: Engine Data Sensors - Low Reference Bus
GM2063734Courtesy of GENERAL MOTORS CORP.
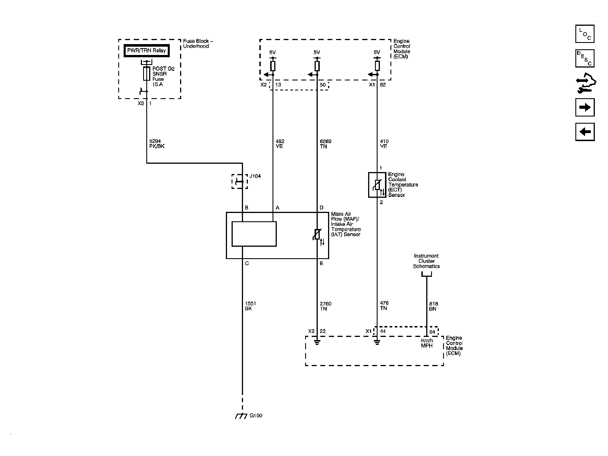
Fig 4: Engine Data Sensors - Pressure and Temperature
GM2063736Courtesy of GENERAL MOTORS CORP.
Fig 5: Engine Data Sensors - Oxygen Sensors
GM2063737Courtesy of GENERAL MOTORS CORP.
Fig 6: Engine Data Sensors - Electronic Throttle Controls
GM2063740Courtesy of GENERAL MOTORS CORP.
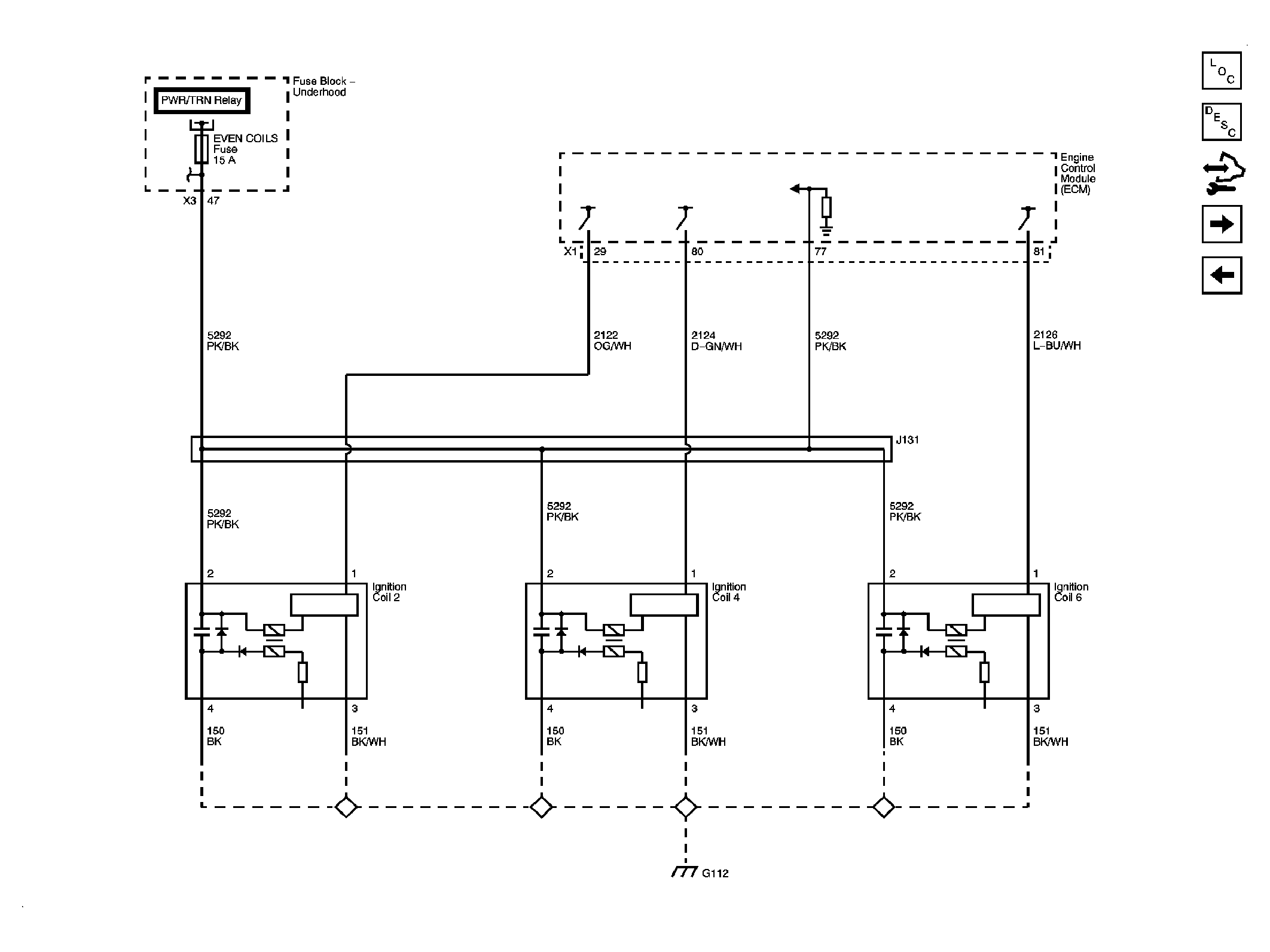
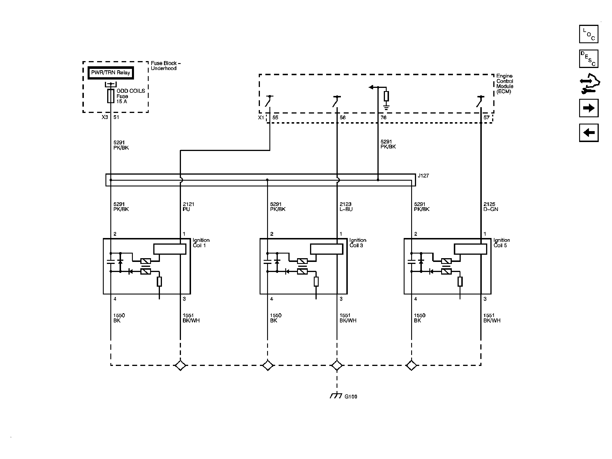
Fig 7: Ignition Controls - Bank 1 Ignition Coils
GM2063939Courtesy of GENERAL MOTORS CORP.
Fig 8: Ignition Controls - Bank 2 Ignition Coils
GM2063946Courtesy of GENERAL MOTORS CORP.
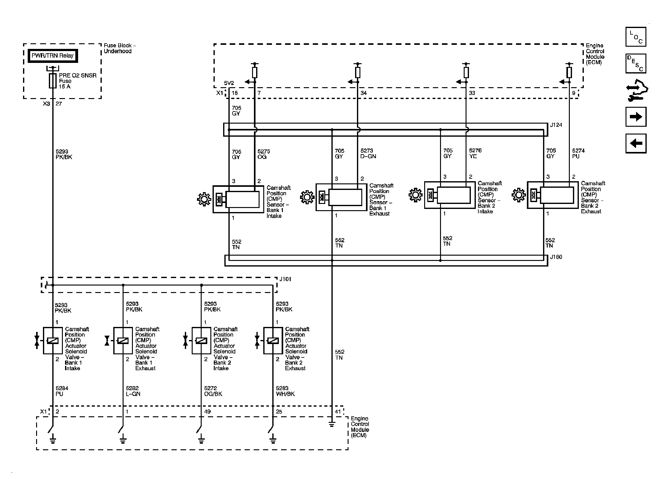
Fig 9: Ignition Controls - CMP Sensors and Solenoids
GM2063949Courtesy of GENERAL MOTORS CORP.
Fig 10: Ignition Controls - CMP Sensors and Solenoids
GM2063949Courtesy of GENERAL MOTORS CORP.
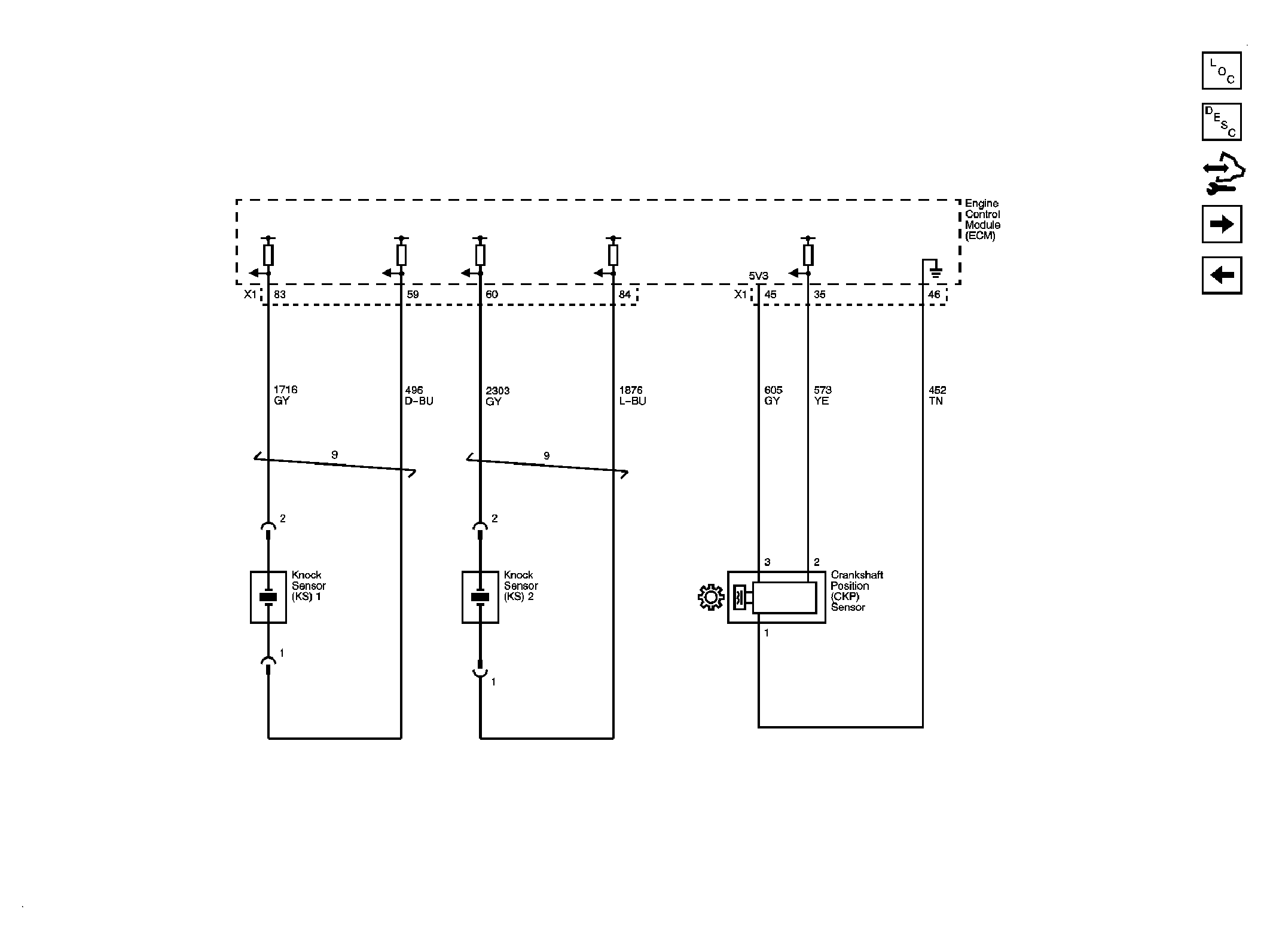
Fig 11: Ignition Controls - CKP Sensor and Knock Sensors
GM2063951Courtesy of GENERAL MOTORS CORP.
Fig 12: Fuel Controls - Fuel Injectors, Fuel Rail Pressure Sensor and High Pressure Fuel Pump Actuator
GM2063955Courtesy of GENERAL MOTORS CORP.
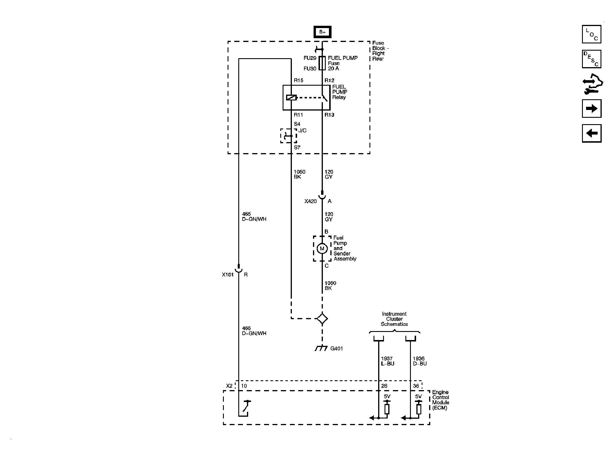
Fig 13: Low Pressure Fuel Pump
GM2063958Courtesy of GENERAL MOTORS CORP.
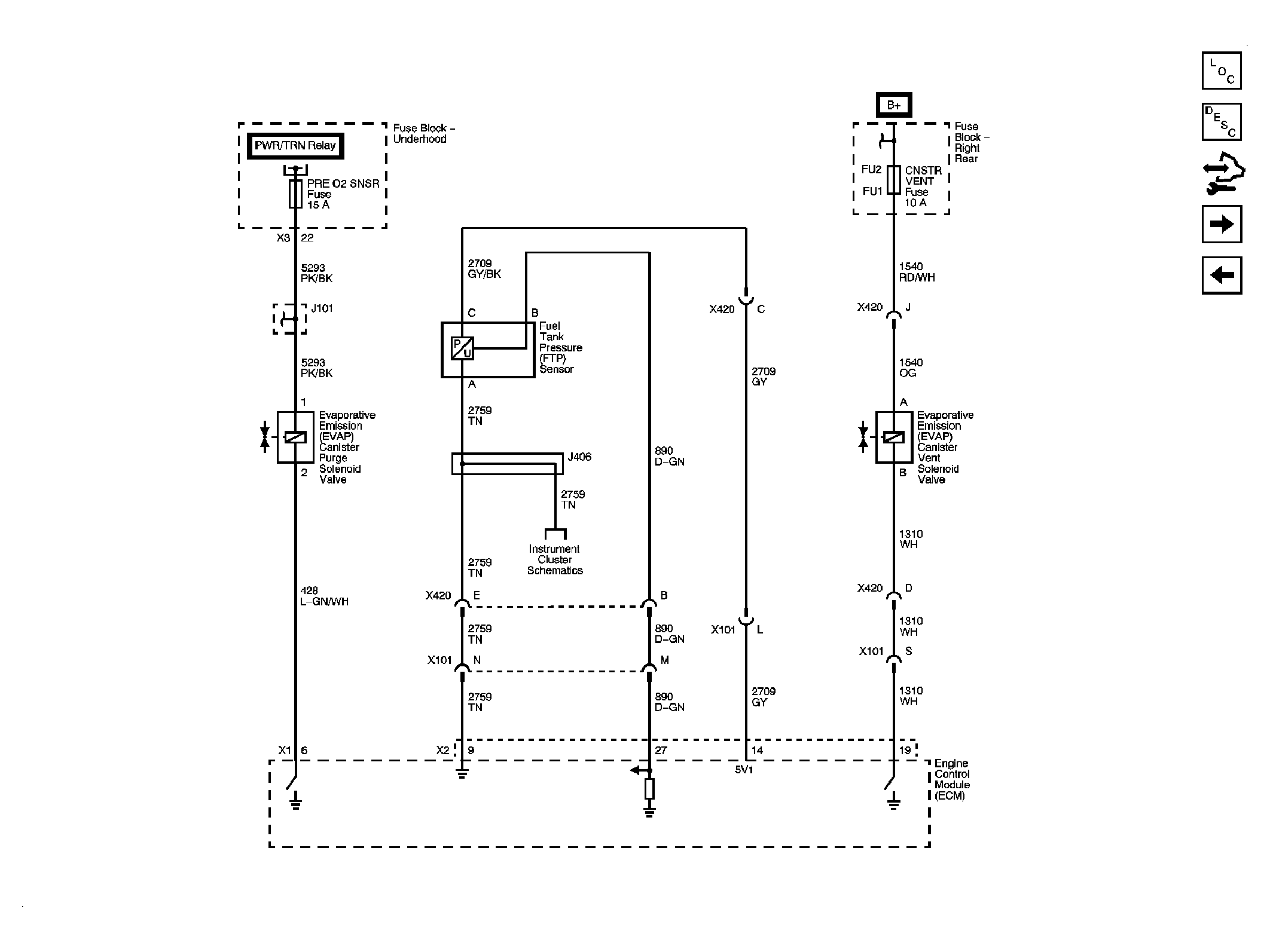
Fig 14: Fuel Controls - EVAP Controls
GM2063962Courtesy of GENERAL MOTORS CORP.
Fig 15: Controlled/Monitored Subsystem References
GM2063971Courtesy of GENERAL MOTORS CORP.