LEMON Manuals: Even more car manuals for everyone: 1960-2025
Home >> Cadillac >> 2009 >> STS Base, 3.6 V, AWD >> Repair and Diagnosis >> External Pages >> Different car >> Section 101 (Cellular System, Entertainment System & Navigation System) >> Schematic and Routing Diagrams >> Radio/Navigation System Schematics
April 5, 2026: LEMON Manuals is launched! Read the announcement.

Radio/Navigation System Schematics

WARNING: This page is about a different car, the 2009 Saturn Outlook, 2009 GMC Acadia, 2009 Chevrolet Traverse, and 2009 Buick Enclave. However, it is still accessible from the selected car via links, so may be relevant.
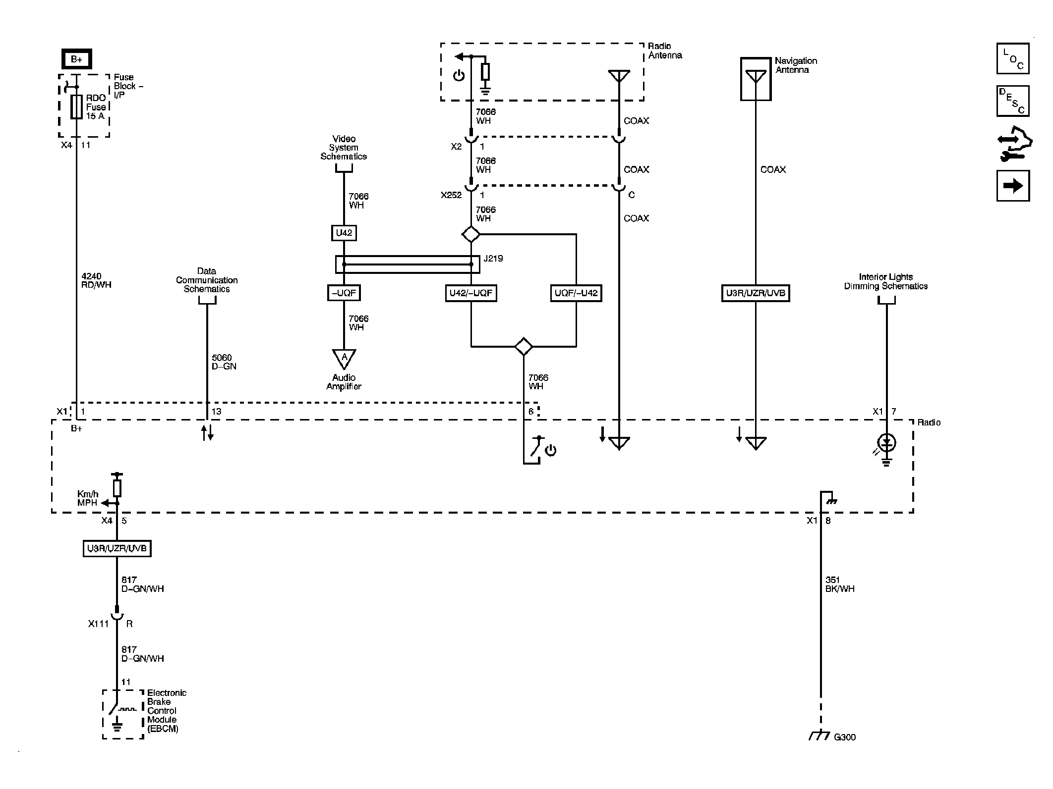
Fig 1: Radio Antennas, Data Communication, Lighting, Power & Vehicle Speed Signal Circuit Schematic
GM1883235Courtesy of GENERAL MOTORS CORP.
Fig 2: Audio Amplifier Power, Ground, and Front & Rear Audio Inputs Circuit Schematic - UQA or UQS
GM1883236Courtesy of GENERAL MOTORS CORP.
Fig 3: Audio Amplifier Power, Ground, and All Audio Inputs - UQG+UK6, Front & Rear Audio Inputs Circuit Schematic - UQA/UQS+UK6
GM1883237Courtesy of GENERAL MOTORS CORP.
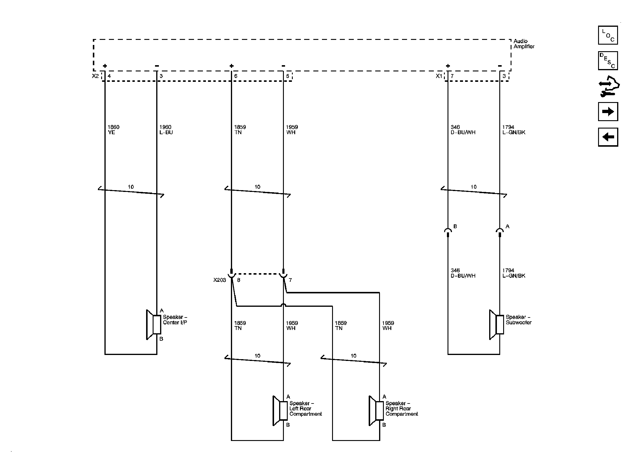
Fig 4: Audio Amplifier Center & Subwoofer Audio Inputs Circuit Schematic - UQS
GM1883238Courtesy of GENERAL MOTORS CORP.
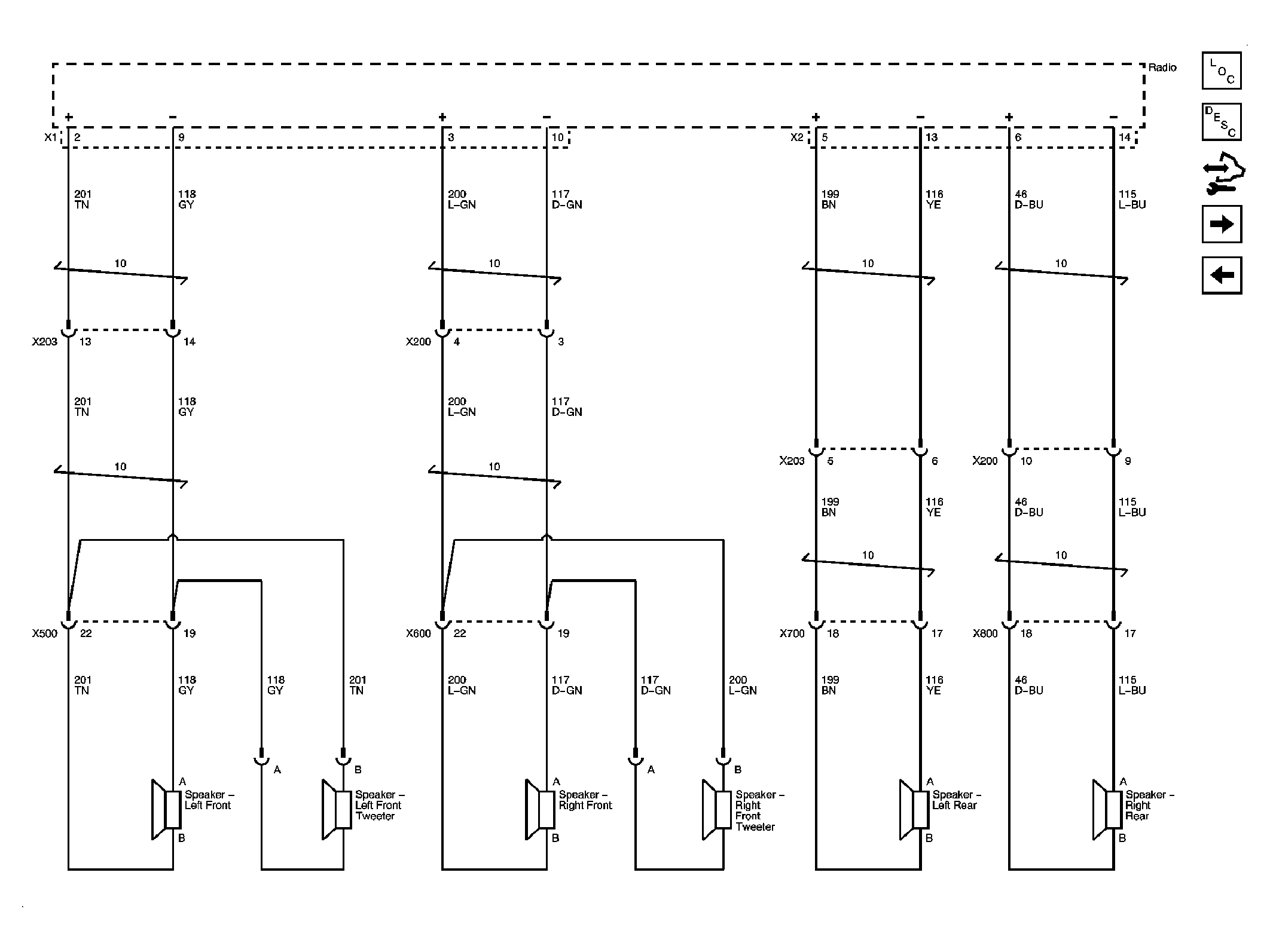
Fig 5: Speakers Circuit Schematic - UQF
GM1883239Courtesy of GENERAL MOTORS CORP.
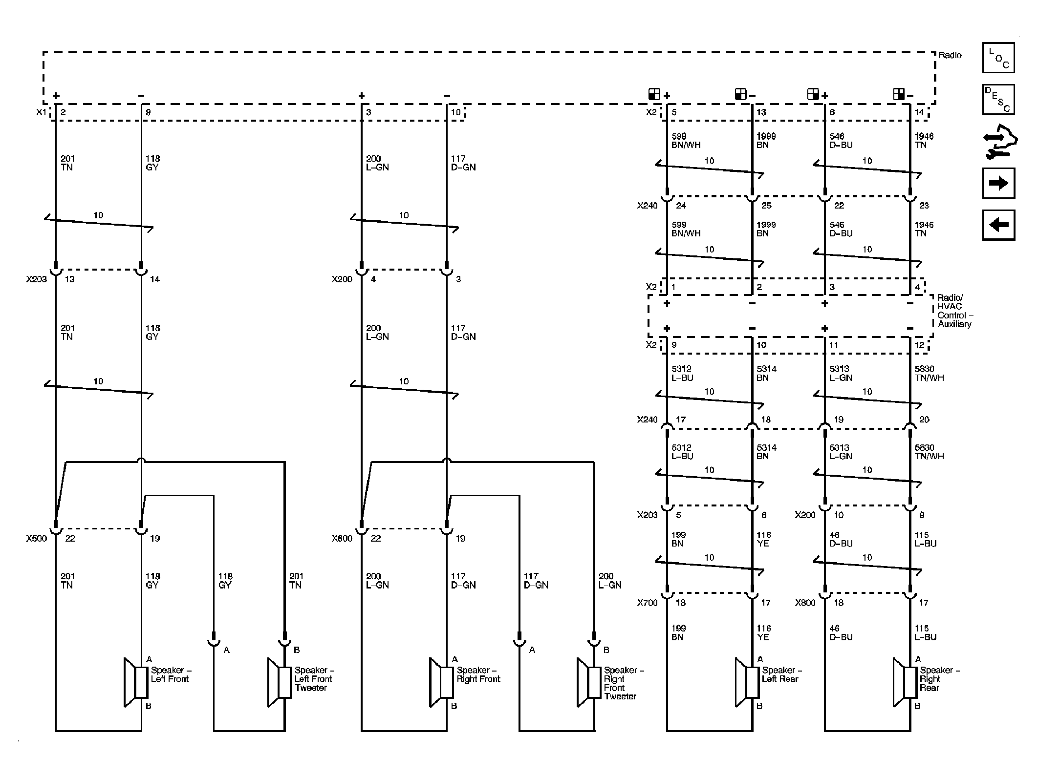
Fig 6: Speakers Circuit Schematic - UQF+UK6
GM1883240Courtesy of GENERAL MOTORS CORP.
Fig 7: Door and A-Pillar Speakers Circuit Schematic - UQA/UQG/UQS
GM1883241Courtesy of GENERAL MOTORS CORP.
Fig 8: Except Door and A-Pillar Speakers Circuit Schematic - UQA/UQS
GM1883242Courtesy of GENERAL MOTORS CORP.
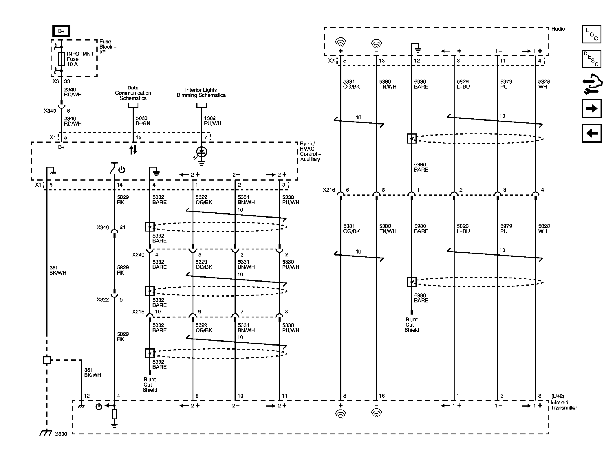
Fig 9: Rear Audio/HVAC Module Power, Ground, Lighting, Data Communication & Infrared Module Circuit Schematic
GM2078140Courtesy of GENERAL MOTORS CORP.
Fig 10: XM Radio Circuit Schematic - U2K or UBS
GM2078142Courtesy of GENERAL MOTORS CORP.
Fig 11: Secondary Controls Circuit Schematic
GM2078144Courtesy of GENERAL MOTORS CORP.