LEMON Manuals: Even more car manuals for everyone: 1960-2025
Home >> Cadillac >> 2009 >> STS Base, 3.6 V, AWD >> Repair and Diagnosis >> External Pages >> Different car >> Section 106 (Engine Control System & Fuel System - 3.6L - Introduction) >> Schematic and Routing Diagrams >> Engine Controls Schematics
April 5, 2026: LEMON Manuals is launched! Read the announcement.

Engine Controls Schematics

WARNING: This page is about a different car, the 2009 Saturn Outlook, 2009 GMC Acadia, 2009 Chevrolet Traverse, and 2009 Buick Enclave. However, it is still accessible from the selected car via links, so may be relevant.
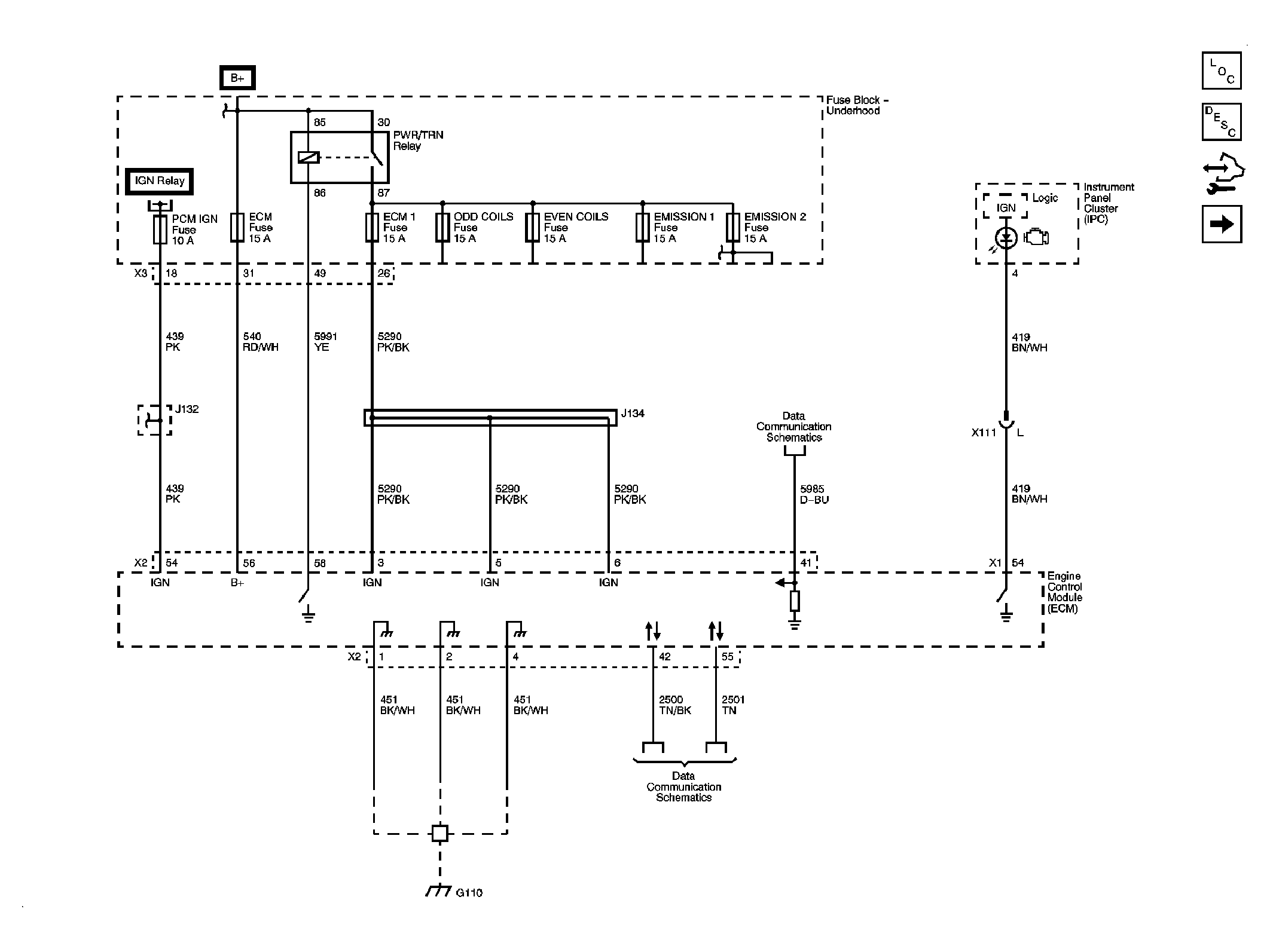
Fig 1: Module Power, Ground, Serial Data & MIL Circuit Schematic
GM2077843Courtesy of GENERAL MOTORS CORP.
Fig 2: 5-Volt 1 & Low Reference Bus Circuit Schematic
GM2077846Courtesy of GENERAL MOTORS CORP.
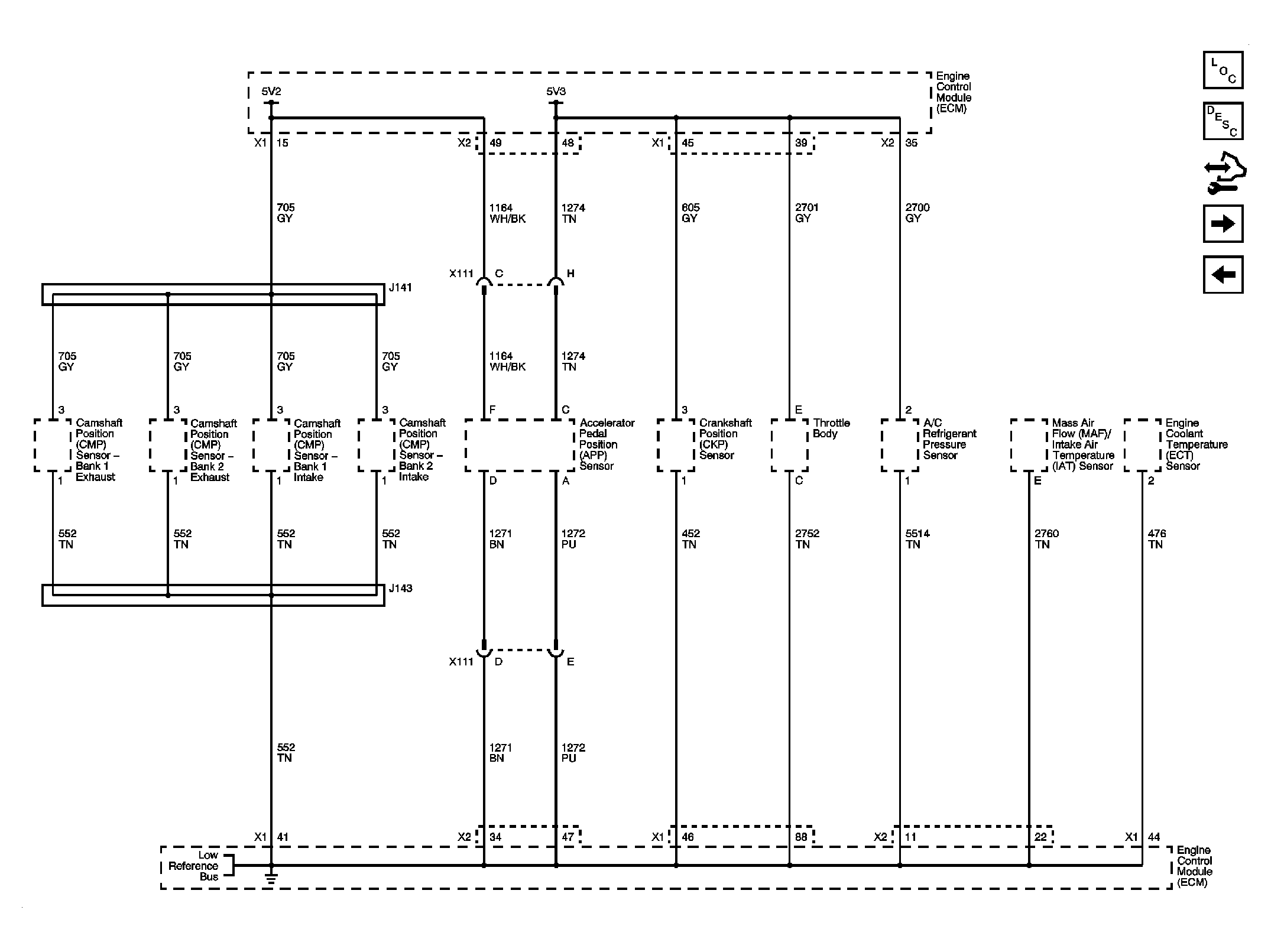
Fig 3: 5-Volt 2, 5-Volt 3 & Low Reference Busses Circuit Schematic
GM2077847Courtesy of GENERAL MOTORS CORP.
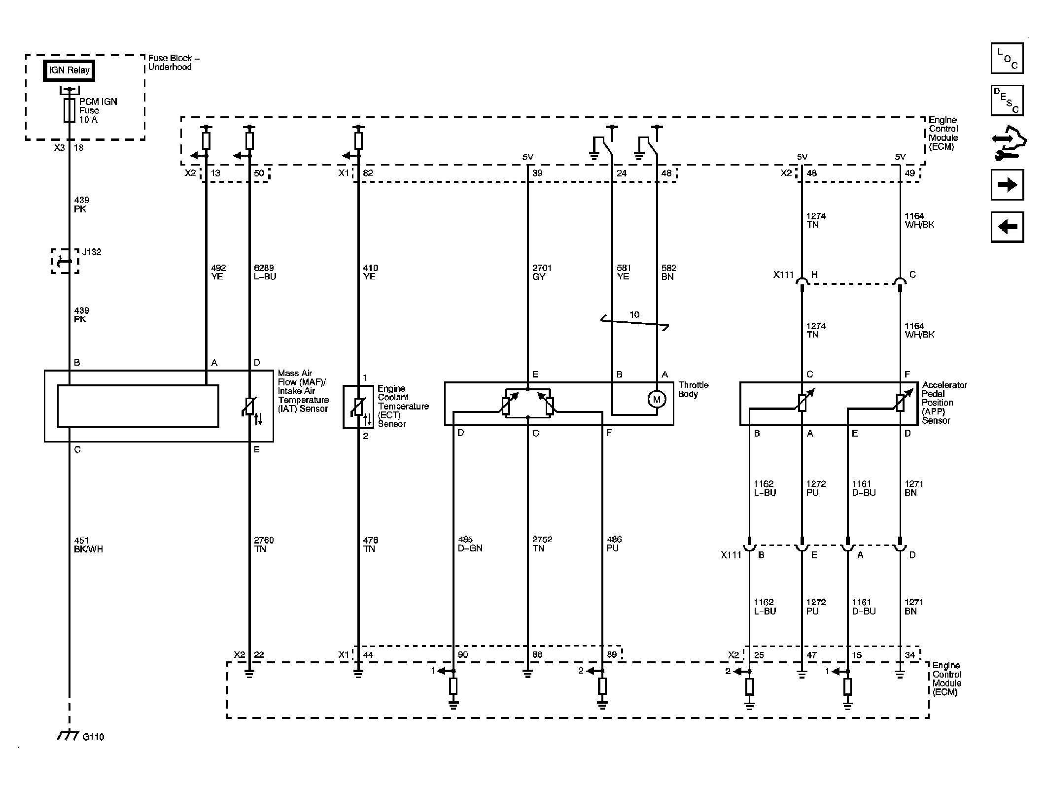
Fig 4: Engine Data Sensors - Pressure, Temperature & Throttle Controls Circuit Schematic
GM2077852Courtesy of GENERAL MOTORS CORP.
Fig 5: Engine Data Sensors Circuit Schematic - Oxygen Sensors
GM2077854Courtesy of GENERAL MOTORS CORP.
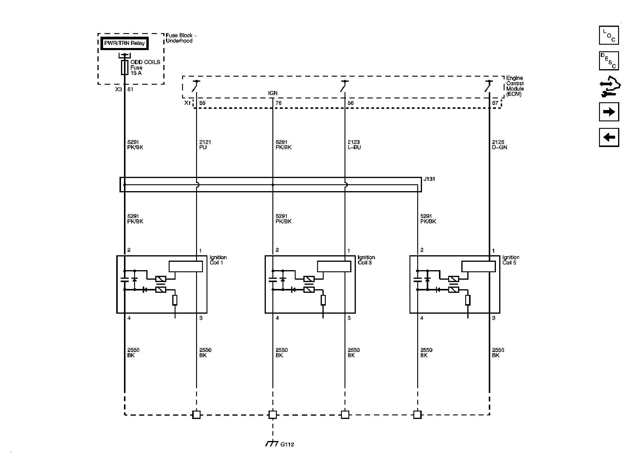
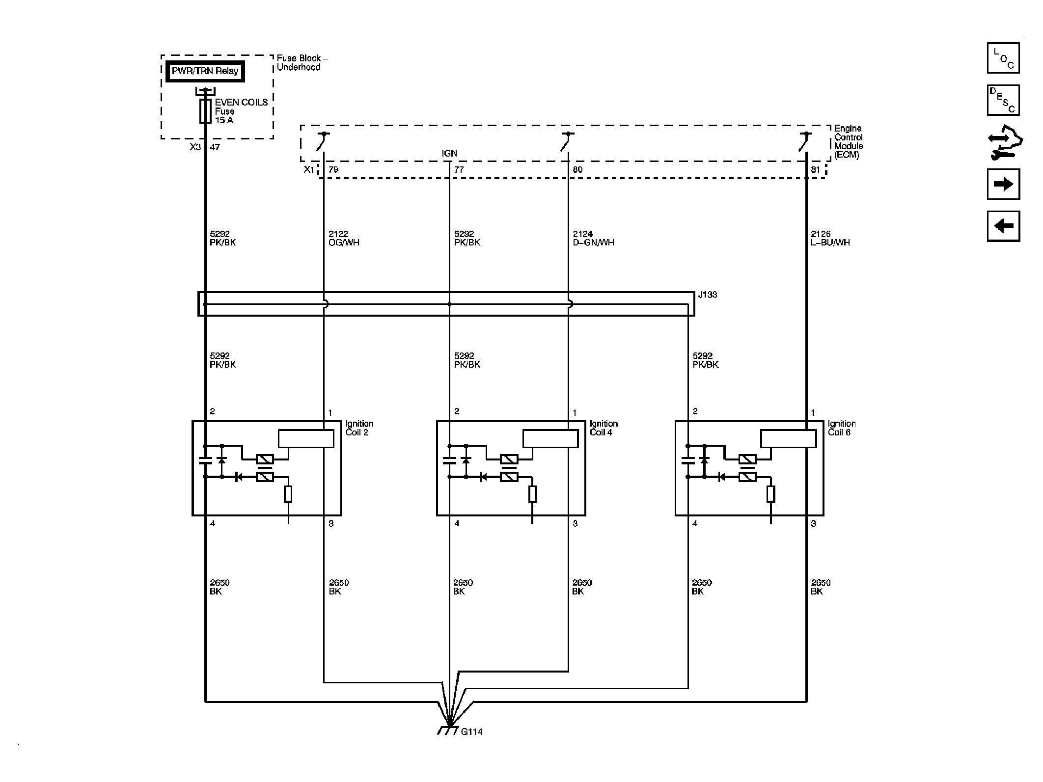
Fig 6: Ignition Controls Circuit Schematic - Bank 1 Ignition System
GM2077859Courtesy of GENERAL MOTORS CORP.
Fig 7: Ignition Controls Circuit Schematic - Bank 2 Ignition System
GM2077862Courtesy of GENERAL MOTORS CORP.
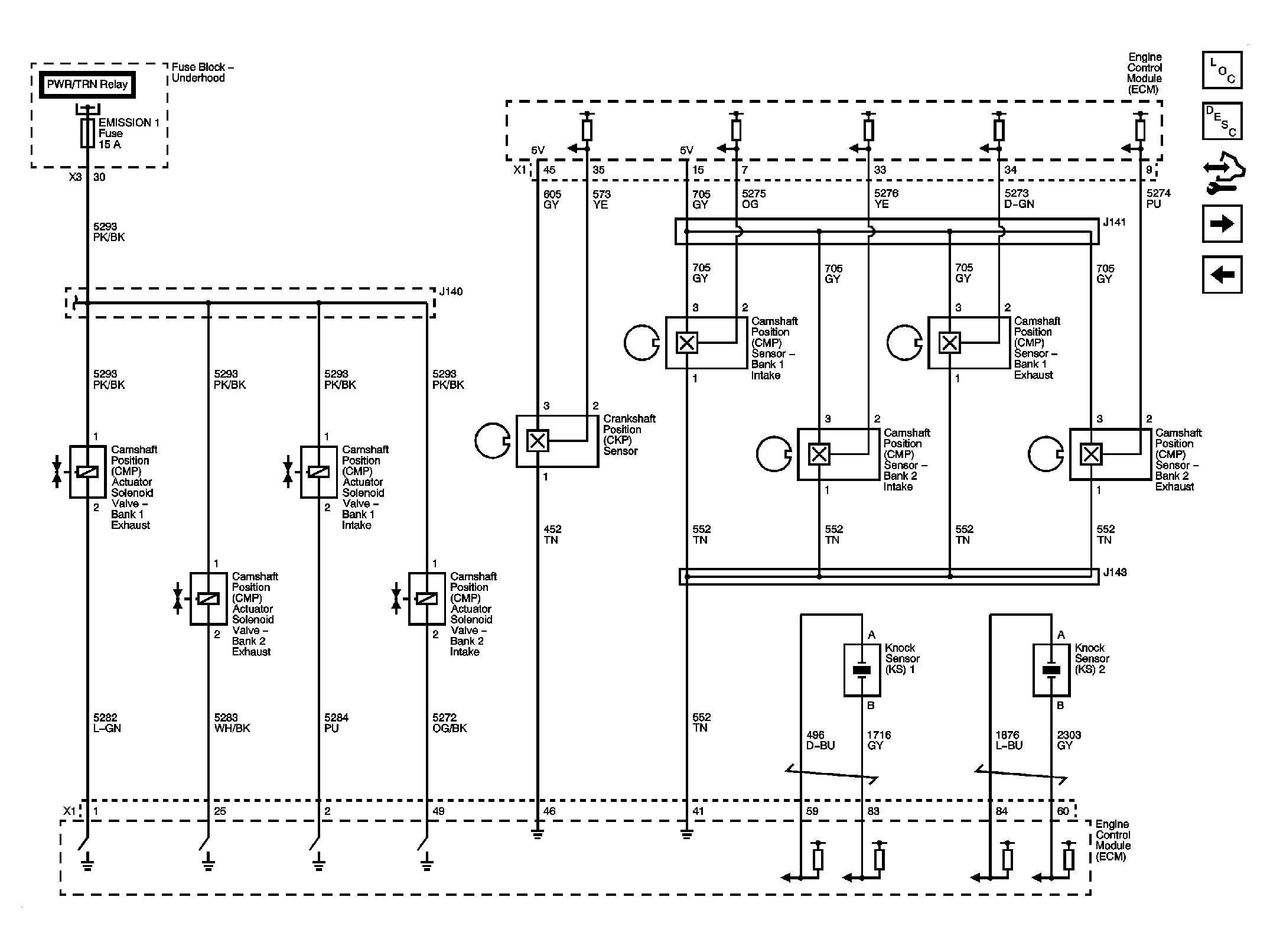
Fig 8: Ignition Controls Circuit Schematic - CKP/CMP/KS Sensors and CMP Actuator Solenoids
GM2077869Courtesy of GENERAL MOTORS CORP.
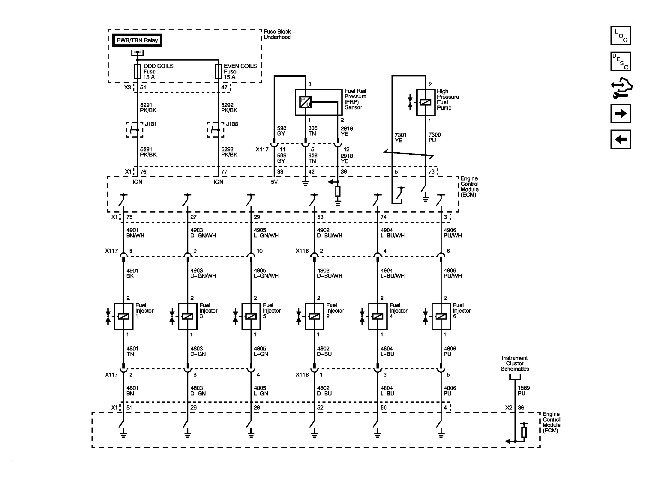
Fig 9: Fuel Controls Circuit Schematic - Fuel Injectors
GM2077870Courtesy of GENERAL MOTORS CORP.
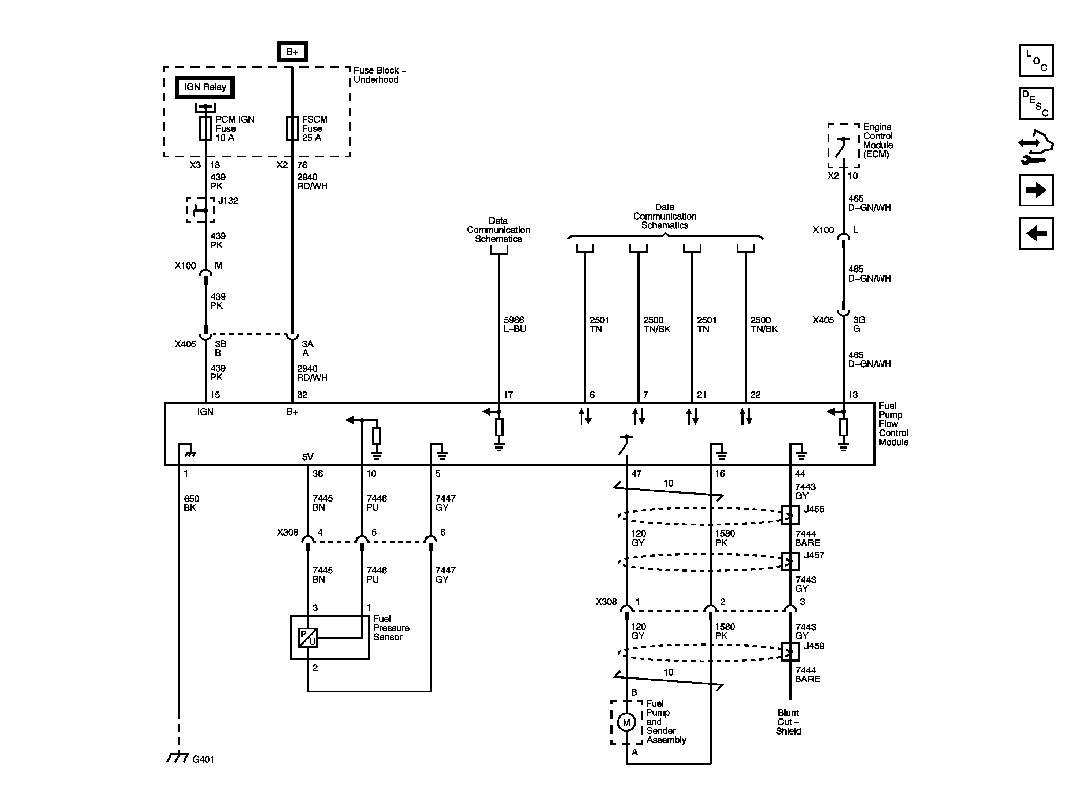
Fig 10: Fuel Controls Circuit Schematic - Fuel Pump Flow Control
GM2090426Courtesy of GENERAL MOTORS CORP.
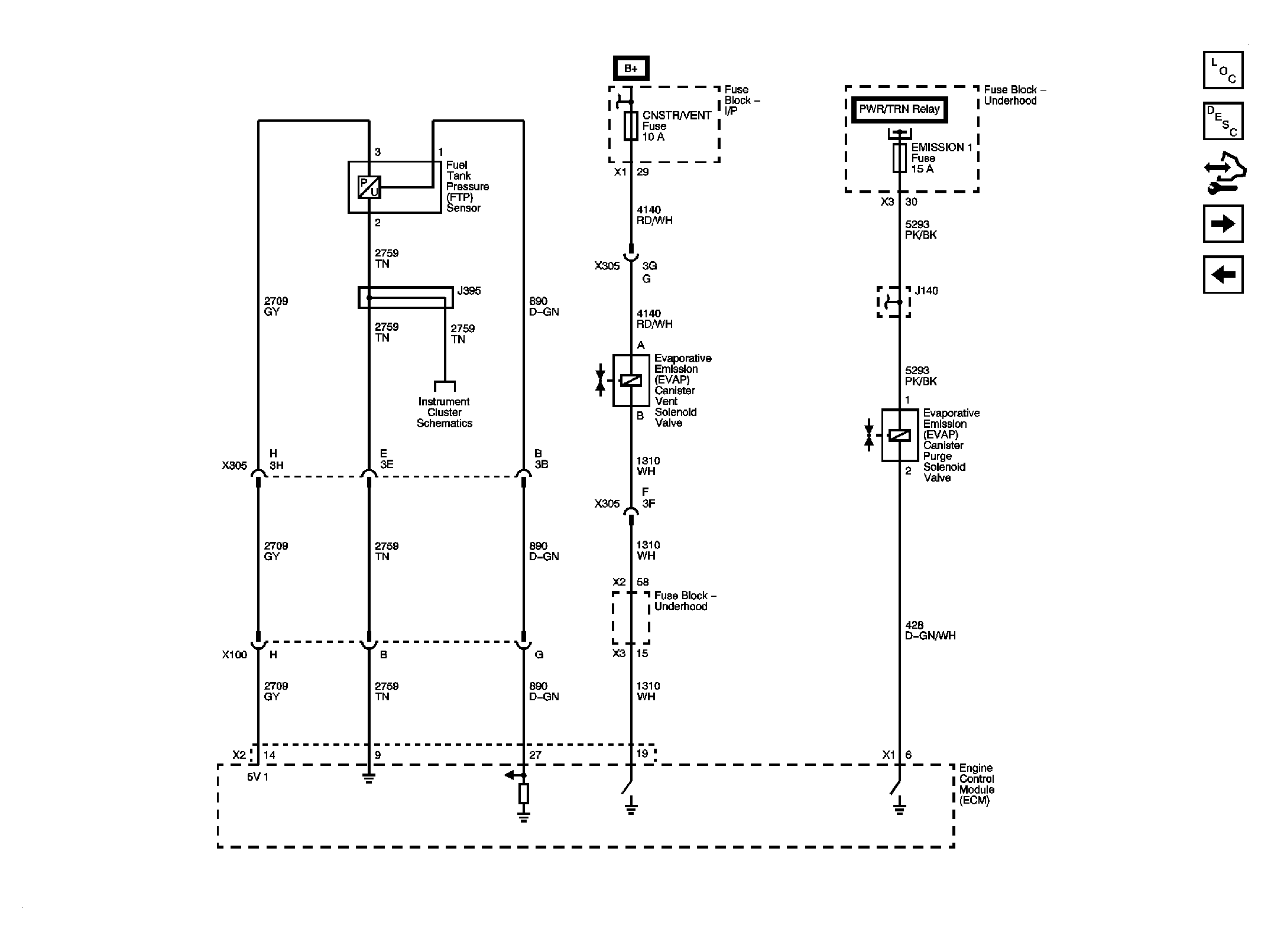
Fig 11: Fuel Controls Circuit Schematic - EVAP Controls
GM2077871Courtesy of GENERAL MOTORS CORP.
Fig 12: Subsystem References Circuit Schematic
GM2077875Courtesy of GENERAL MOTORS CORP.