LEMON Manuals: Even more car manuals for everyone: 1960-2025
Home >> Cadillac >> 2009 >> STS Base, 3.6 V, AWD >> Repair and Diagnosis >> External Pages >> Different car >> Section 138 (Data Communication System) >> Schematic and Routing Diagrams >> Data Communication Schematics
April 5, 2026: LEMON Manuals is launched! Read the announcement.

Data Communication Schematics

WARNING: This page is about a different car, the 2009 Saturn Outlook, 2009 GMC Acadia, 2009 Chevrolet Traverse, and 2009 Buick Enclave. However, it is still accessible from the selected car via links, so may be relevant.
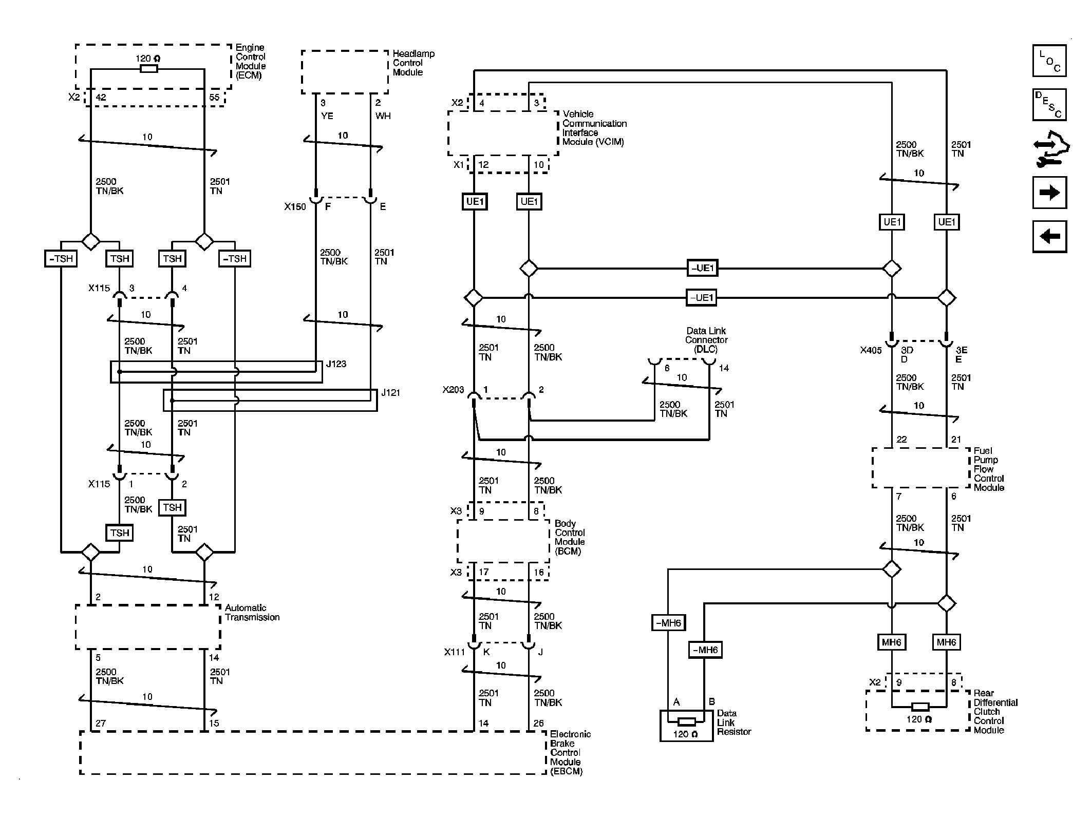
Fig 1: Low Speed GMLAN Circuit Schematic
GM2077827Courtesy of GENERAL MOTORS CORP.
Fig 2: High Speed GMLAN Circuit Schematic
GM2077830Courtesy of GENERAL MOTORS CORP.
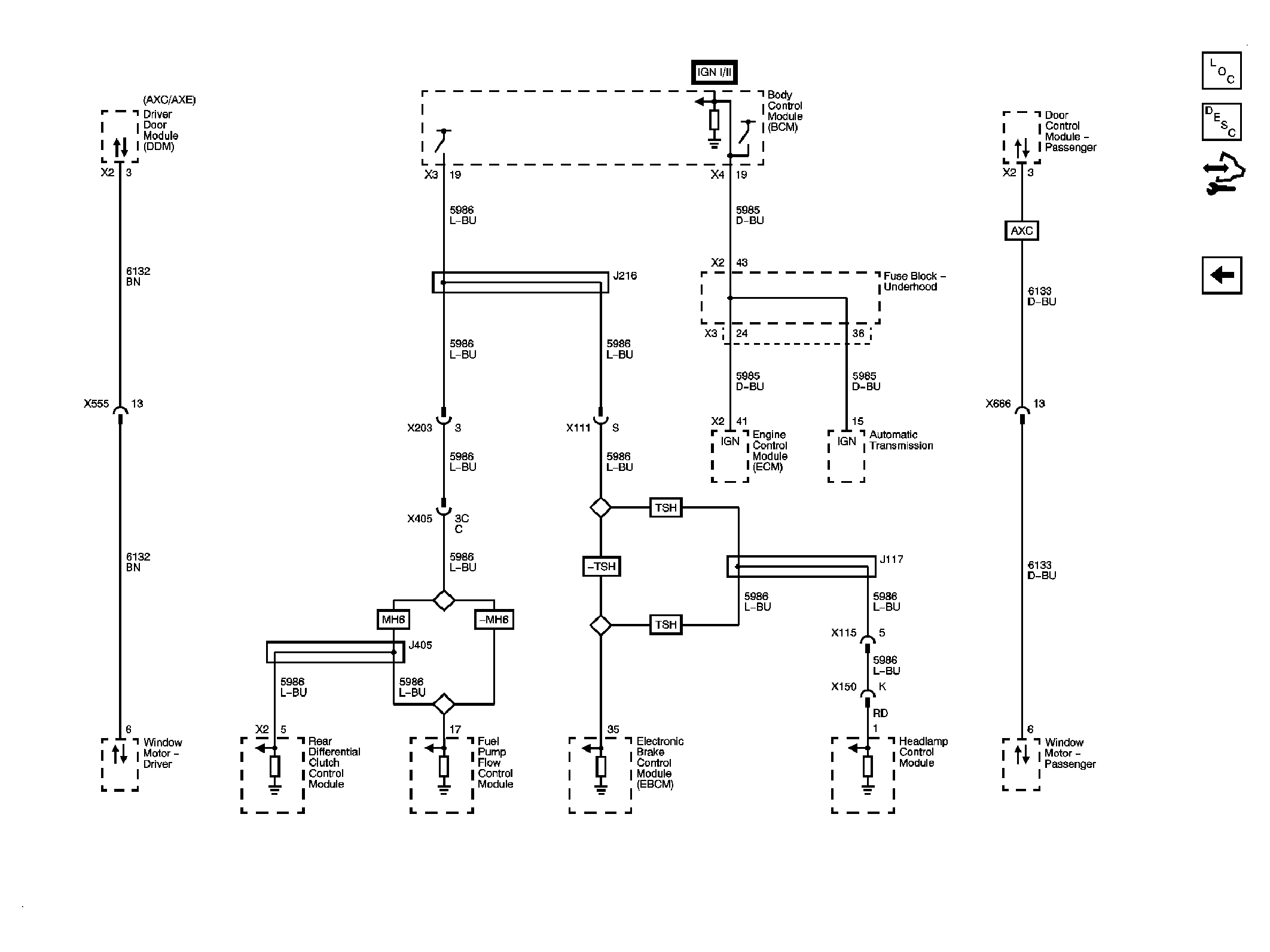
Fig 3: Communication Enable and Local Interconnect Network Circuit Schematic (LIN)
GM2077832Courtesy of GENERAL MOTORS CORP.