LEMON Manuals: Even more car manuals for everyone: 1960-2025
Home >> Cadillac >> 2009 >> STS Base, 3.6 V, AWD >> Repair and Diagnosis >> External Pages >> Different car >> Section 182 (Cellular Systems, Entertainment Systems & Navigation Systems) >> Schematic and Routing Diagrams >> Radio/Navigation System Schematics
April 5, 2026: LEMON Manuals is launched! Read the announcement.

Radio/Navigation System Schematics

WARNING: This page is about a different car, the 2010 Saturn Outlook, 2010 GMC Acadia, 2010 Chevrolet Traverse, and 2010 Buick Enclave. However, it is still accessible from the selected car via links, so may be relevant.
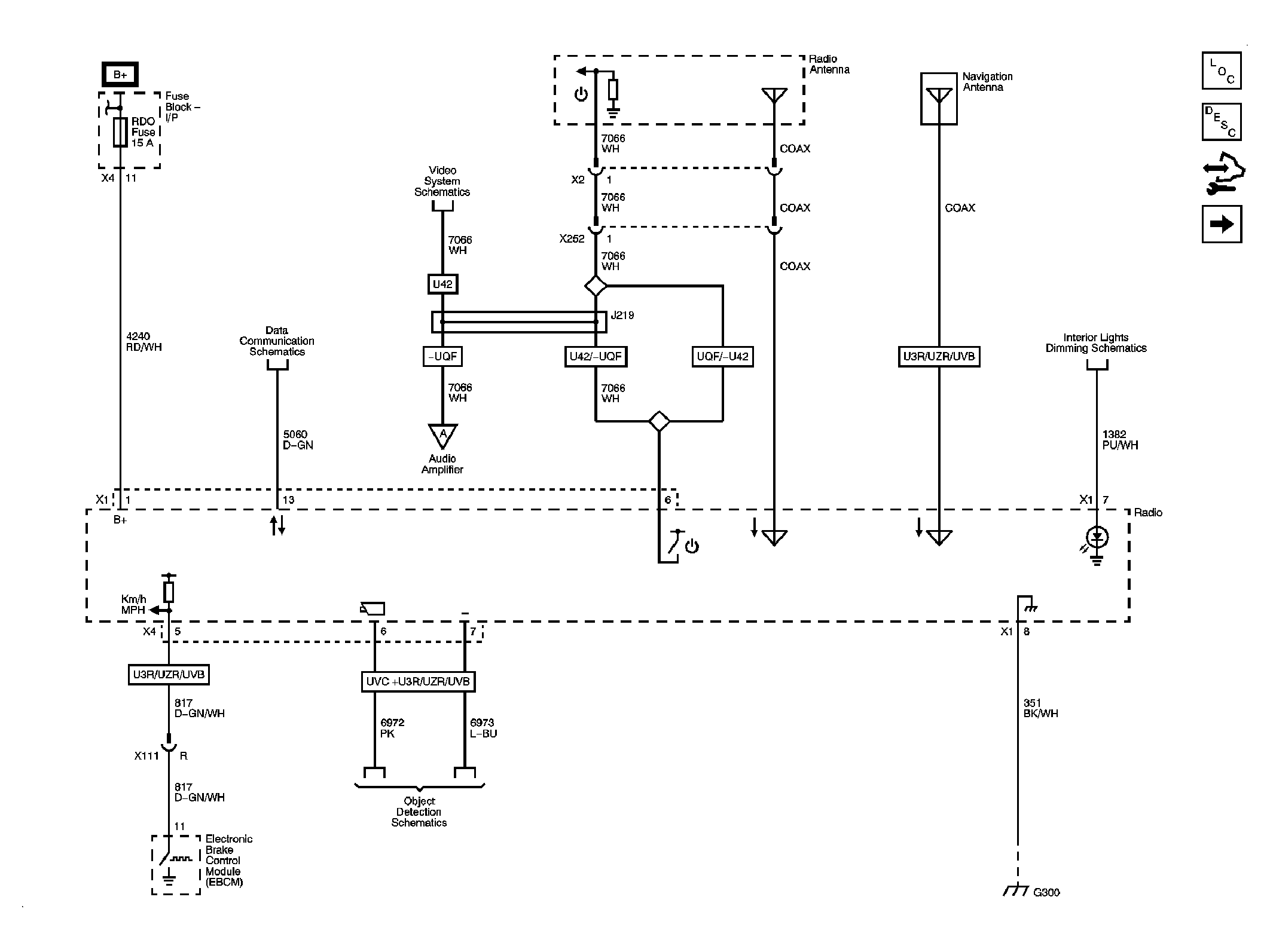
Fig 1: Radio Antennas, Data Communication, Lighting, Power, and Vehicle Speed Signal Circuit Schematic
GM2248050Courtesy of GENERAL MOTORS CORP.
Fig 2: Audio Amplifier Power, Ground, and Front and Rear Audio Inputs Circuit Schematic (UQA or UQS)
GM2248053Courtesy of GENERAL MOTORS CORP.
Fig 3: Audio Amplifier Power, Ground, and Front and Rear Audio Inputs Circuit Schematic (UQA or UQS with UK6)
GM2248059Courtesy of GENERAL MOTORS CORP.
Fig 4: Audio Amplifier Center and Subwoofer Audio Inputs Circuit Schematic (UQS)
GM2248064Courtesy of GENERAL MOTORS CORP.
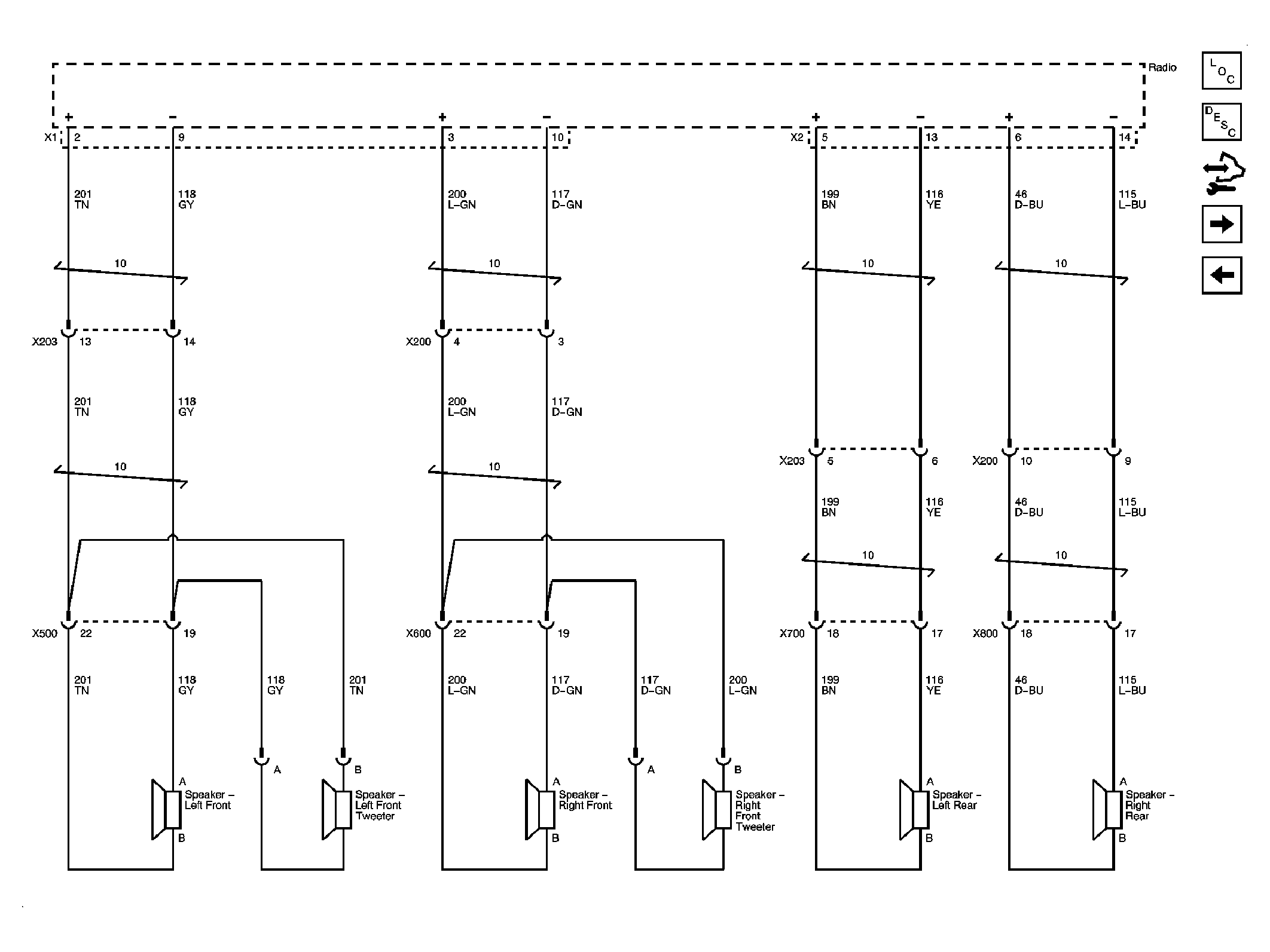
Fig 5: Speakers Circuit Schematic (UQF)
GM2248065Courtesy of GENERAL MOTORS CORP.
Fig 6: Speakers Circuit Schematic (UQF with ULD)
GM2248067Courtesy of GENERAL MOTORS CORP.
Fig 7: Door and A-Pillar Speakers Circuit Schematic (UQA or UQS)
GM2248073Courtesy of GENERAL MOTORS CORP.
Fig 8: Except Door and A-Pillar Speakers Circuit Schematic (UQA or UQS)
GM2248077Courtesy of GENERAL MOTORS CORP.
Fig 9: Rear Audio/HVAC Module Power, Ground, Lighting, Data Communication, and Infrared Module Circuit Schematic
GM2248084Courtesy of GENERAL MOTORS CORP.
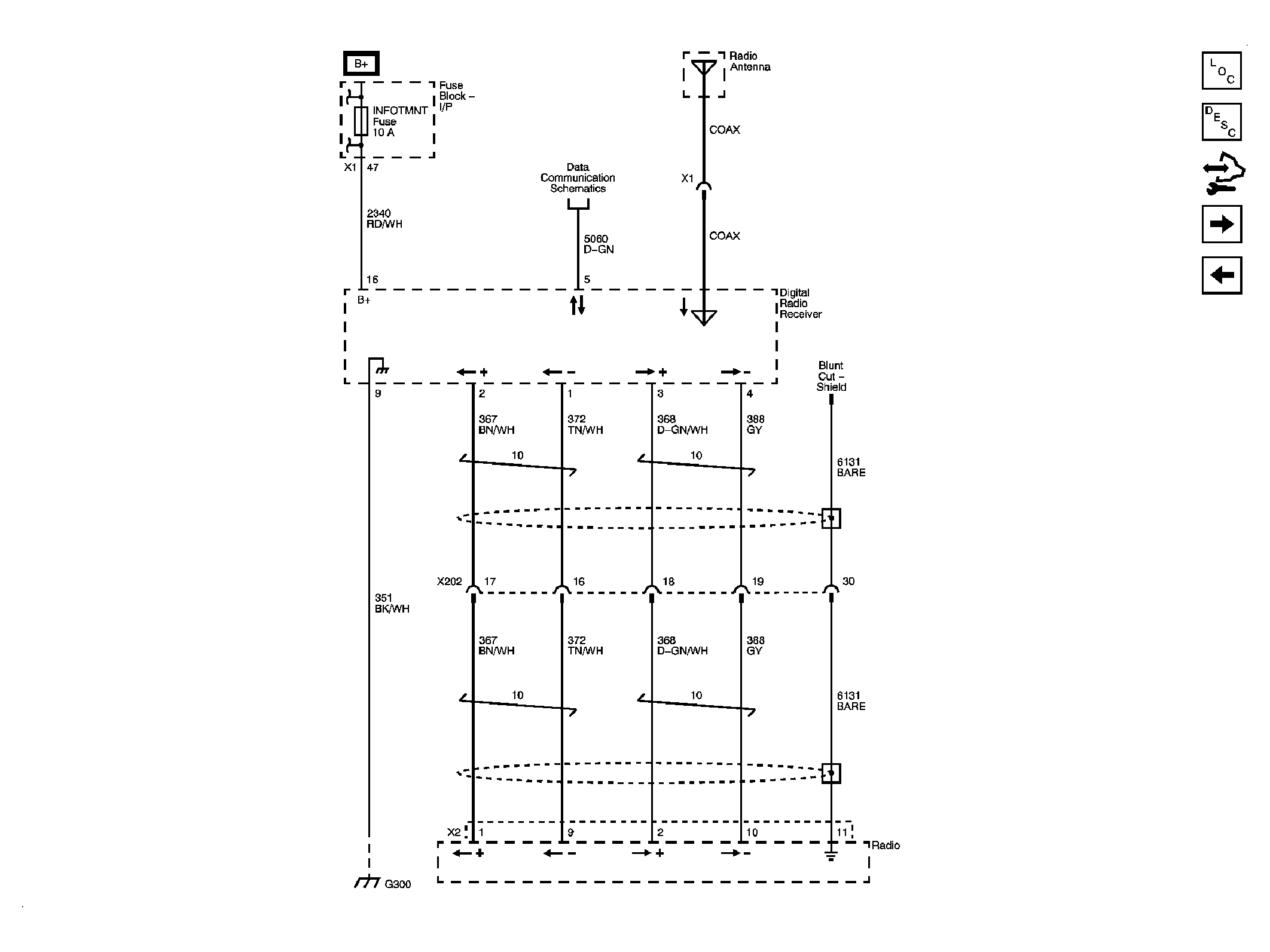
Fig 10: XM Radio Circuit Schematic (U2K or UBS)
GM2248086Courtesy of GENERAL MOTORS CORP.
Fig 11: Secondary Controls Circuit Schematic
GM2248090Courtesy of GENERAL MOTORS CORP.