LEMON Manuals: Even more car manuals for everyone: 1960-2025
Home >> Cadillac >> 2009 >> STS Base, 3.6 V, AWD >> Repair and Diagnosis >> External Pages >> Different car >> Section 210 (Data Communication System) >> Schematic and Routing Diagrams >> Data Communication Schematics
April 5, 2026: LEMON Manuals is launched! Read the announcement.

Data Communication Schematics

WARNING: This page is about a different car, the 2010 Saturn Outlook, 2010 GMC Acadia, 2010 Chevrolet Traverse, and 2010 Buick Enclave. However, it is still accessible from the selected car via links, so may be relevant.
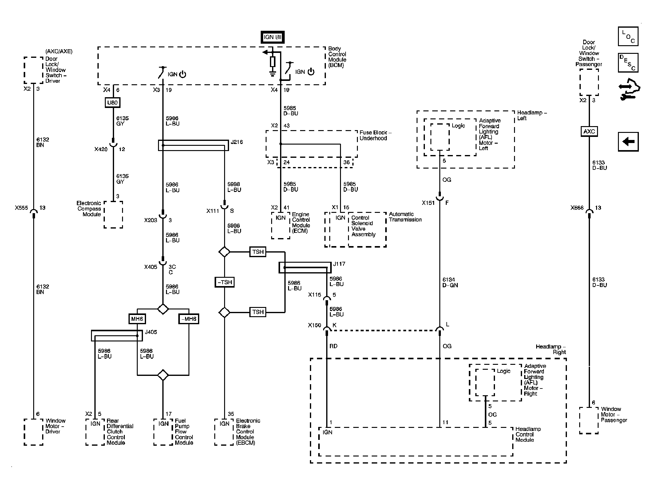
Fig 1: Data Communication Circuit Schematic - Low Speed GMLAN
GM2248200Courtesy of GENERAL MOTORS CORP.
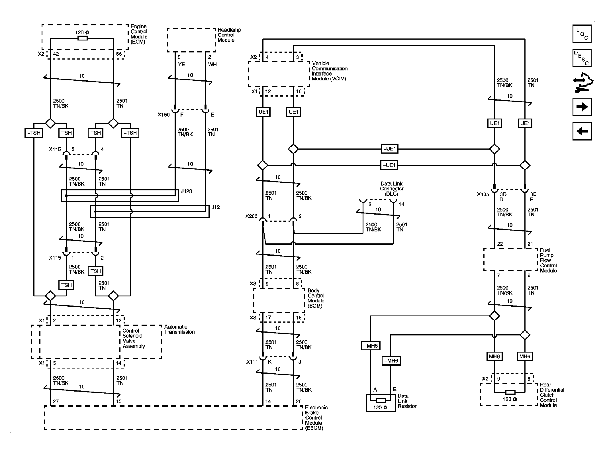
Fig 2: Data Communication Circuit Schematic - High Speed GMLAN
GM2248204Courtesy of GENERAL MOTORS CORP.
Fig 3: Communication Enable and Local Interconnect Network Circuit Schematic - (LIN)
GM2248209Courtesy of GENERAL MOTORS CORP.