LEMON Manuals: Even more car manuals for everyone: 1960-2025
Home >> Cadillac >> 2009 >> STS Base, 3.6 V, AWD >> Repair and Diagnosis >> External Pages >> Different car >> Section 421 (Cellular System, Entertainment System, And Navigation System) >> Wiring Schematics >> Video System Wiring Schematics >> Headrest DVD (SPO Accessory)
April 5, 2026: LEMON Manuals is launched! Read the announcement.

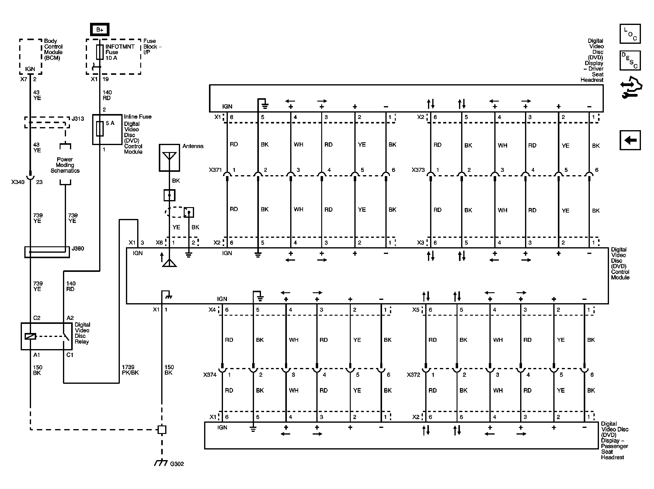
Headrest DVD (SPO Accessory)

WARNING: This page is about a different car, the 2011 GMC Acadia, 2011 Chevrolet Traverse, and 2011 Buick Enclave. However, it is still accessible from the selected car via links, so may be relevant.
Fig 1: Headrest DVD (SPO Accessory) Wiring Schematic
GM2381760Courtesy of GENERAL MOTORS CORP.