LEMON Manuals: Even more car manuals for everyone: 1960-2025
Home >> Cadillac >> 2009 >> STS Base, 3.6 V, AWD >> Repair and Diagnosis >> External Pages >> Different car >> Section 573 (Object Detection System And Pedestrian Protection System) >> Schematic Wiring Diagrams >> Object Detection Wiring Schematics >> Lane Departure Warning and Forward Collision Alert (UVF)
April 5, 2026: LEMON Manuals is launched! Read the announcement.

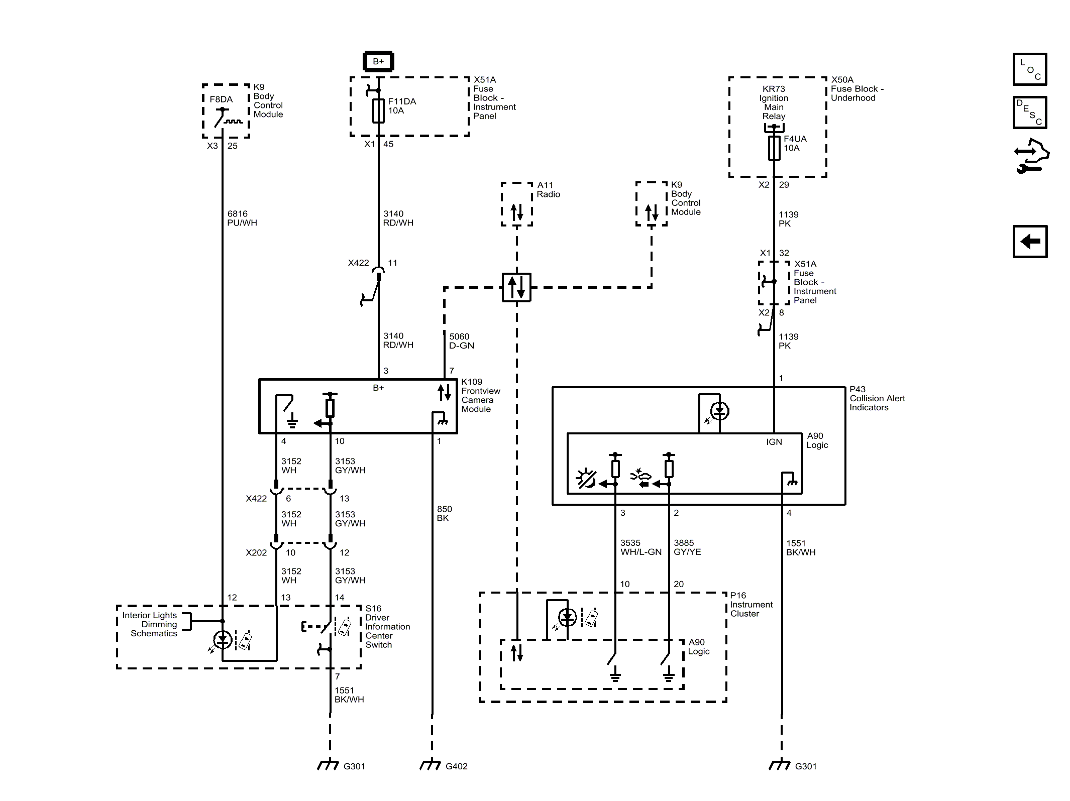
Lane Departure Warning and Forward Collision Alert (UVF)

WARNING: This page is about a different car, the 2016 GMC Acadia, 2016 Chevrolet Traverse, and 2016 Buick Enclave. However, it is still accessible from the selected car via links, so may be relevant.
Fig 1: Lane Departure Warning and Forward Collision Alert (UVF)
GM4074166Courtesy of GENERAL MOTORS COMPANY