LEMON Manuals: Even more car manuals for everyone: 1960-2025
Home >> Cadillac >> 2009 >> STS Base, 4.6 A, AWD >> Repair and Diagnosis >> Engine Performance >> System >> Engine Controls And Fuel - 4.6L - Introduction >> Schematic and Routing Diagrams >> Engine Controls Schematics
April 5, 2026: LEMON Manuals is launched! Read the announcement.

Engine Controls Schematics

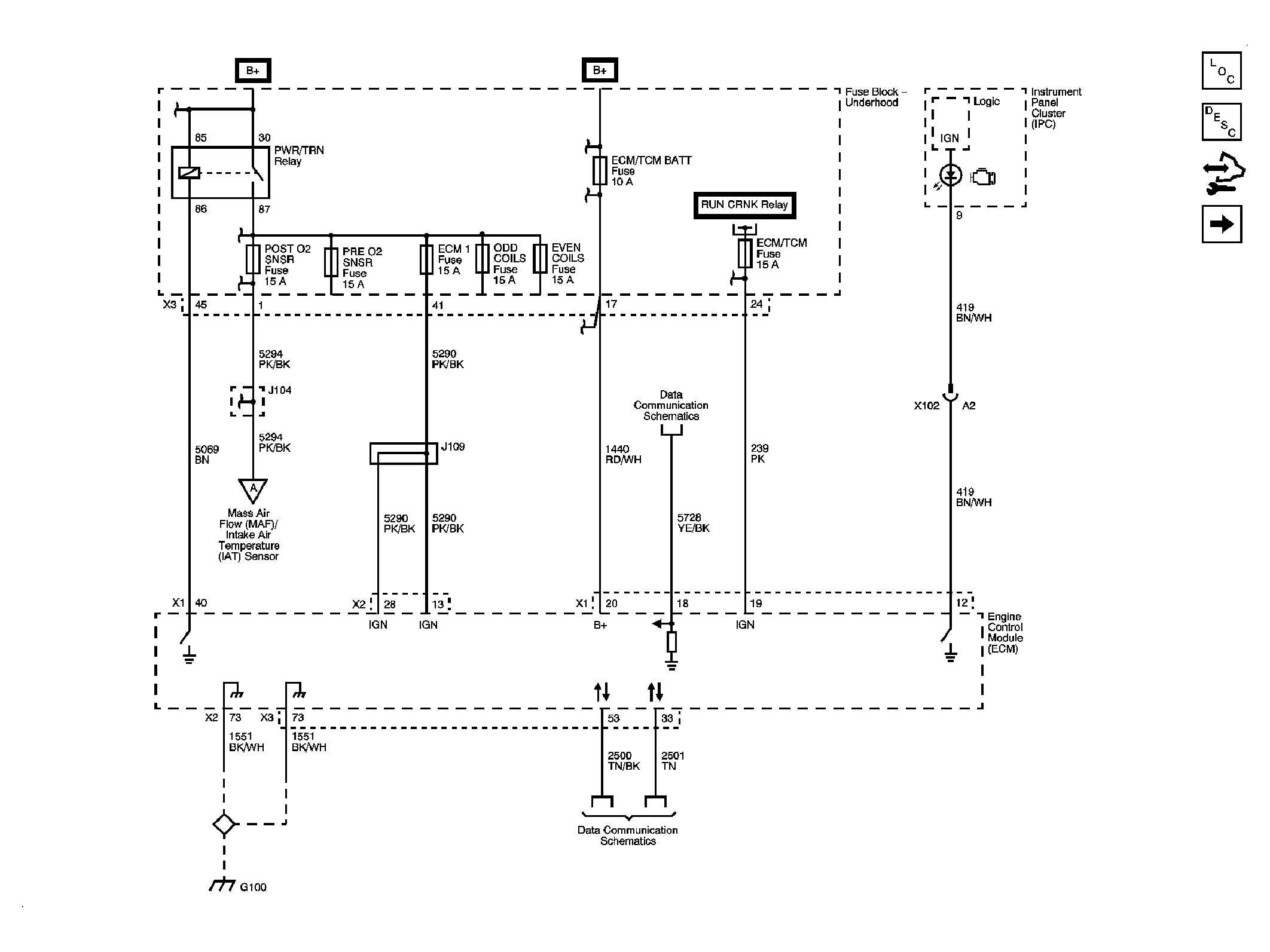
Fig 1: ECM Power, Ground, Serial Data, and MIL
GM2063607Courtesy of GENERAL MOTORS CORP.
Fig 2: Engine Data Sensors - 5-Volt and Low Reference 1 of 2
GM2063611Courtesy of GENERAL MOTORS CORP.
Fig 3: Engine Data Sensors - 5-Volt and Low Reference 2 of 2
GM2063613Courtesy of GENERAL MOTORS CORP.
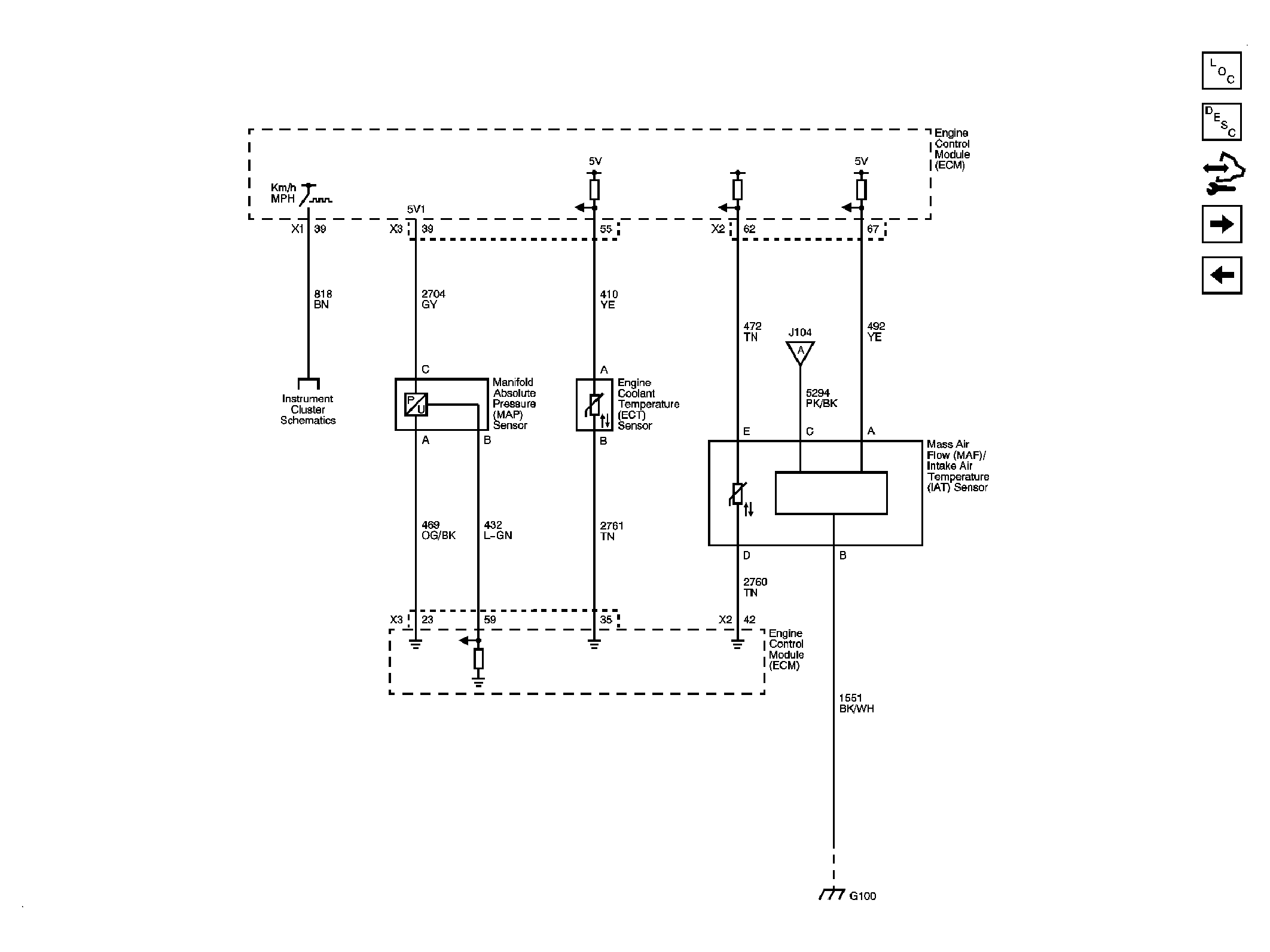
Fig 4: Engine Data Sensors - Pressure, Temperature, MAF, VSS
GM2063616Courtesy of GENERAL MOTORS CORP.
Fig 5: Engine Data Sensors - Oxygen Sensors
GM2063618Courtesy of GENERAL MOTORS CORP.
Fig 6: Engine Data Sensors - Electronic Throttle Controls
GM2063619Courtesy of GENERAL MOTORS CORP.
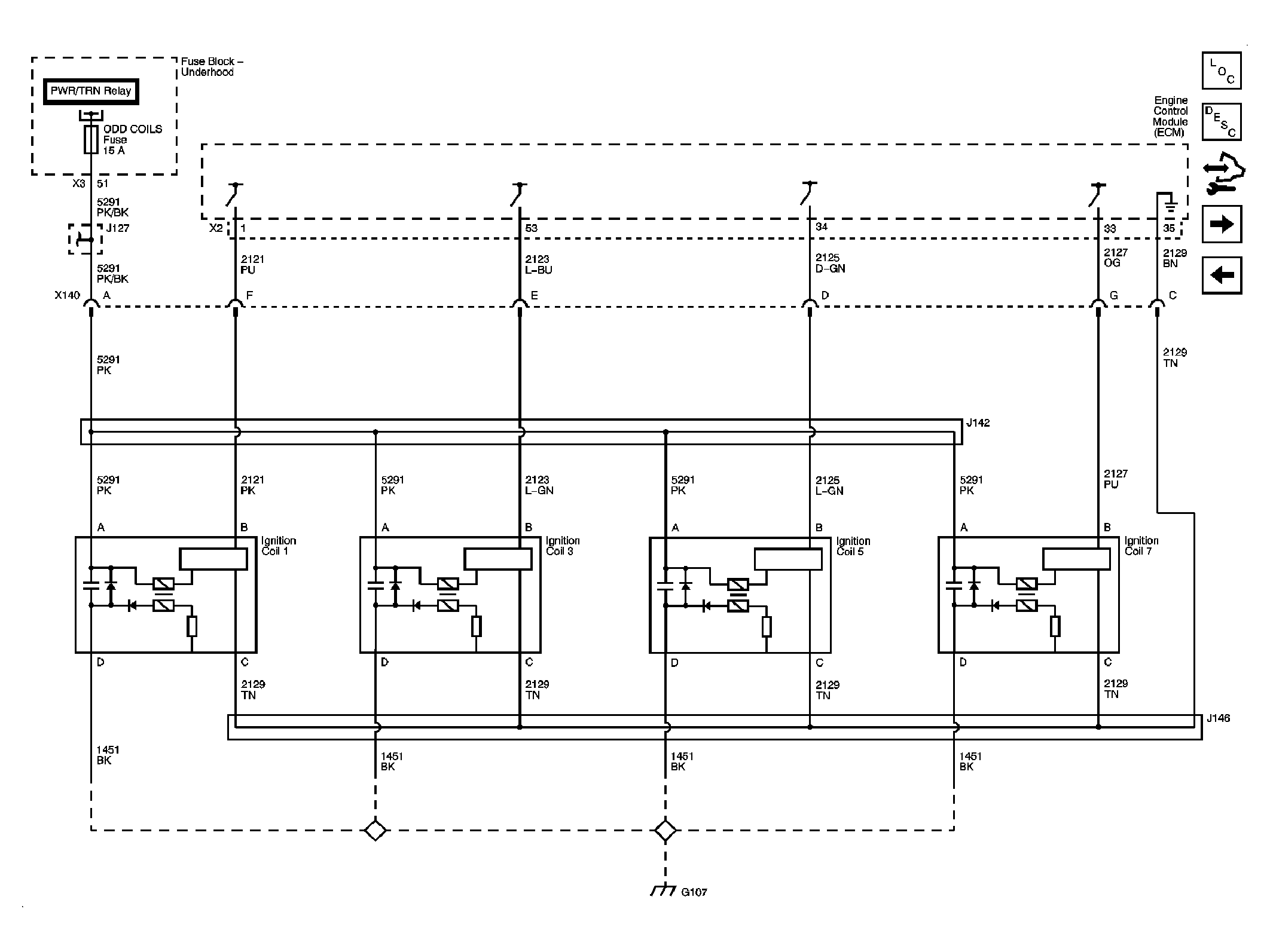
Fig 7: Ignition Controls - Ignition System Bank 1
GM2063621Courtesy of GENERAL MOTORS CORP.
Fig 8: Ignition Controls - Ignition System Bank 2
GM2063626Courtesy of GENERAL MOTORS CORP.
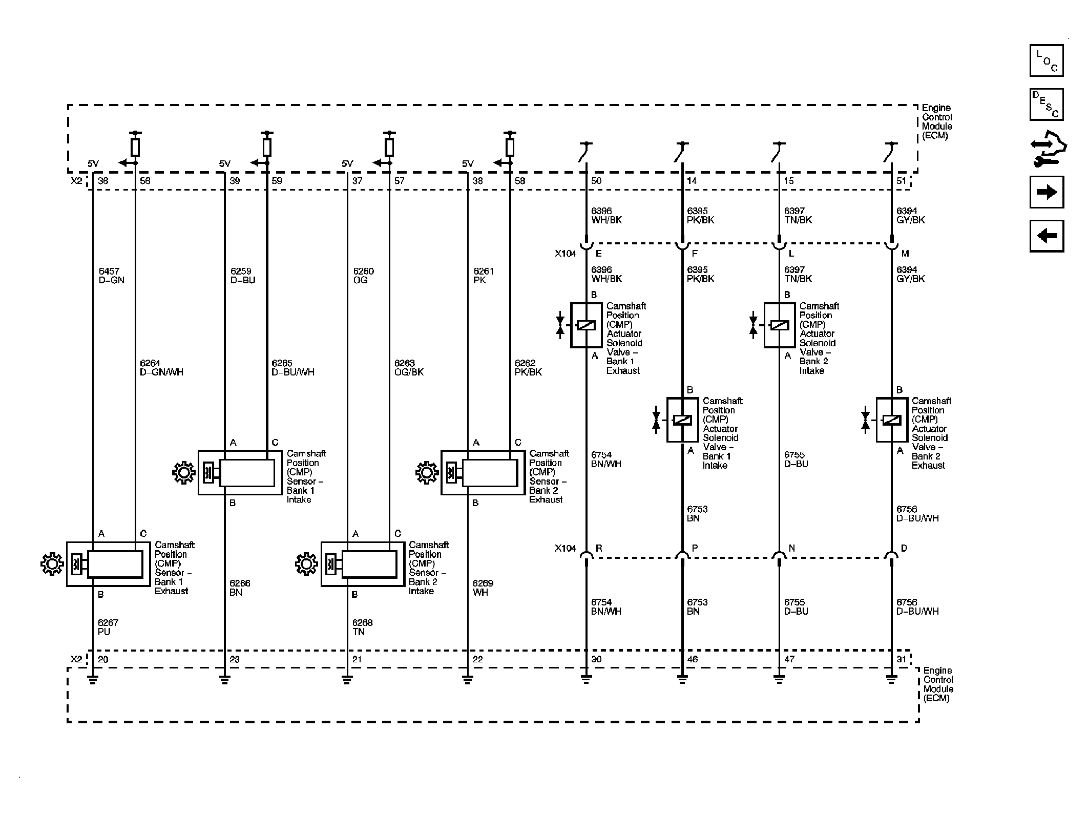
Fig 9: Ignition Controls - CMP Sensors and Solenoids
GM2063629Courtesy of GENERAL MOTORS CORP.
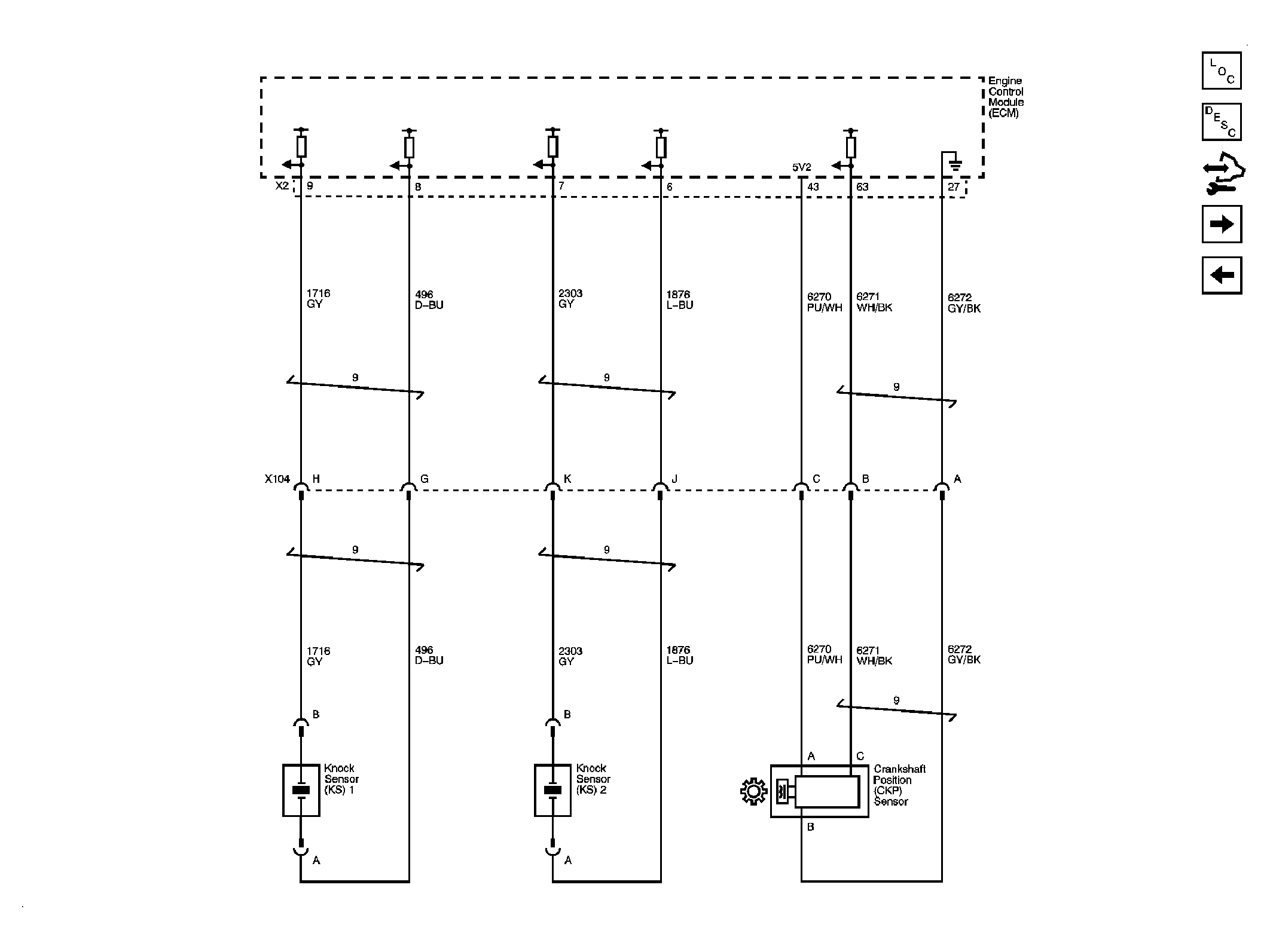
Fig 10: Crankshaft Position (CKP) Sensor and Knock Sensors
GM2063633Courtesy of GENERAL MOTORS CORP.
Fig 11: Fuel Controls - Injectors and Pump
GM2063640Courtesy of GENERAL MOTORS CORP.
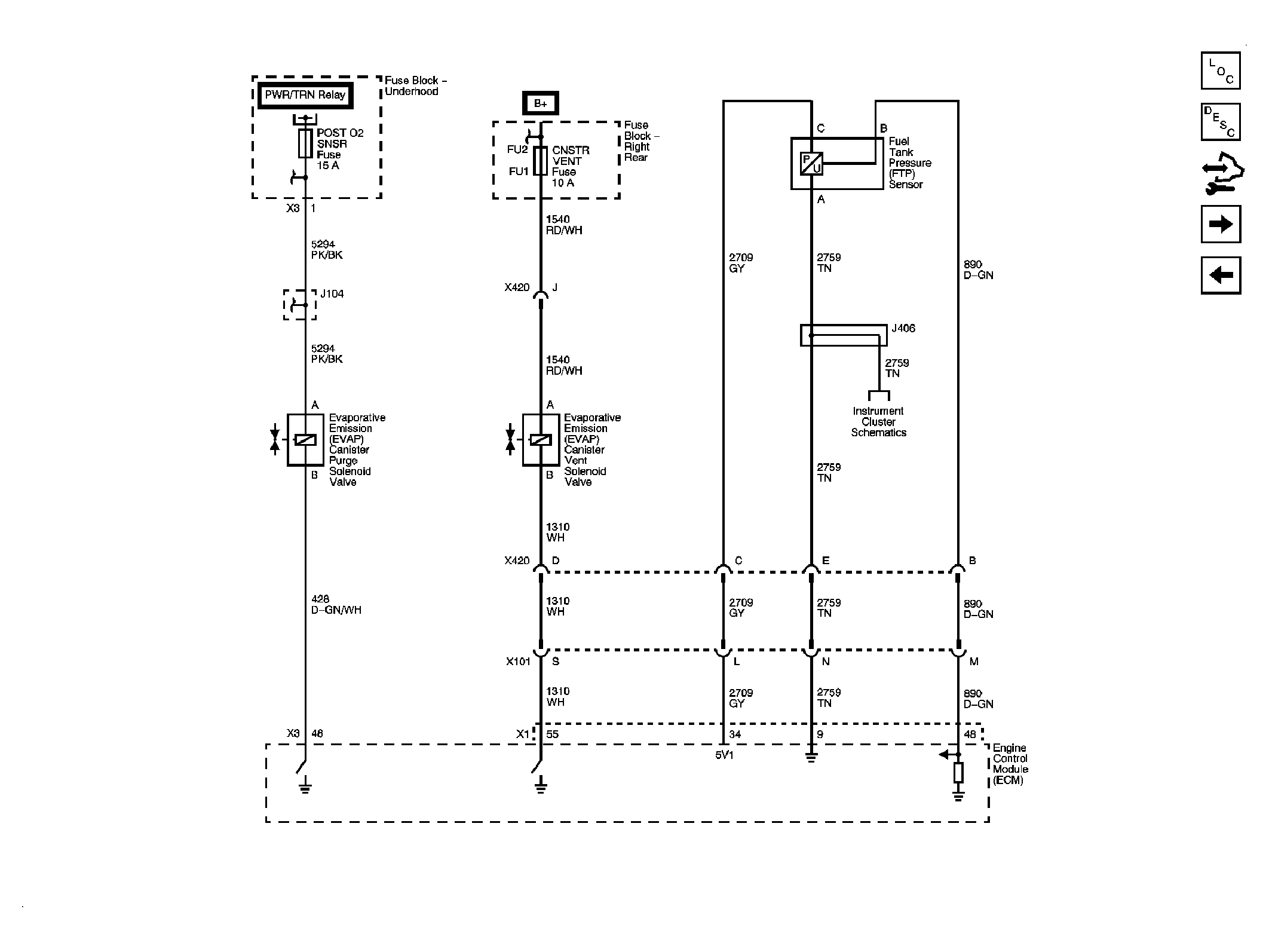
Fig 12: Fuel Controls - EVAP and Fuel Tank Pressure (FTP) Sensor
GM2063644Courtesy of GENERAL MOTORS CORP.
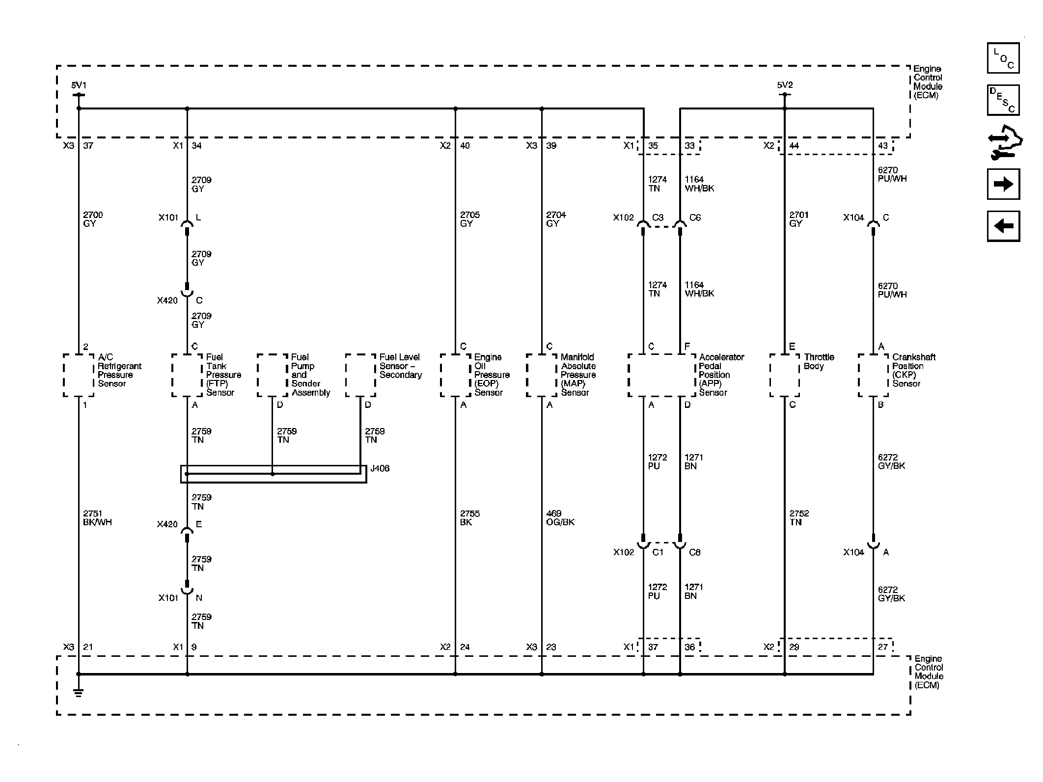
Fig 13: Fuel Controls - Controlled/Monitored Subsystem References
GM2063653Courtesy of GENERAL MOTORS CORP.