LEMON Manuals: Even more car manuals for everyone: 1960-2025
Home >> Cadillac >> 2009 >> STS V >> Repair and Diagnosis >> Engine Performance >> System >> Engine Controls And Fuel - 4.4L - Introduction >> Repair Instructions >> Manifold Absolute Pressure Sensor Replacement >> Installation Procedure
April 5, 2026: LEMON Manuals is launched! Read the announcement.

Installation Procedure

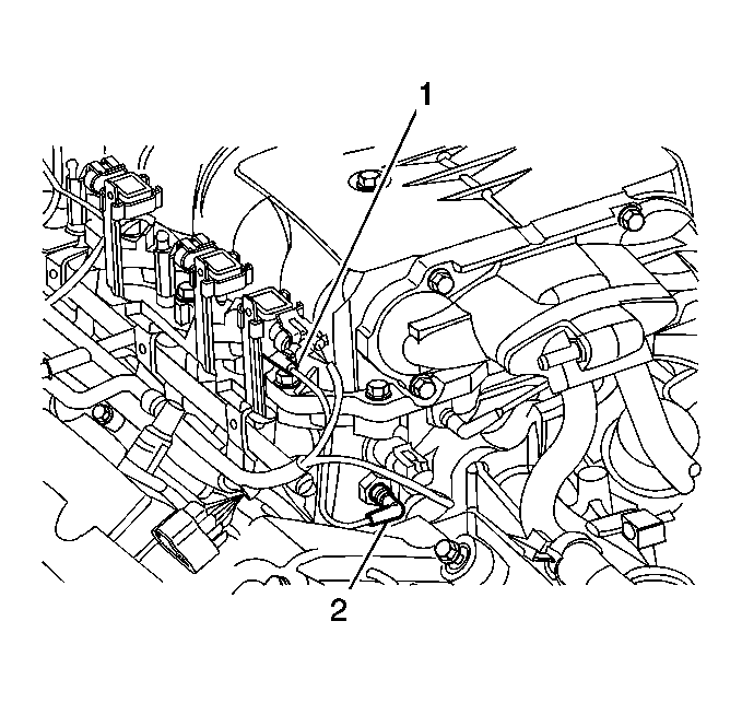
    Fig 1: View Of Vacuum Line Fitting
    GM1614002Courtesy of GENERAL MOTORS CORP.
  1. Connect the vacuum line fitting (1) to the port on the bottom of the MAP sensor.
  2. Install the MAP sensor to the bracket.
  3. Fig 2: Identifying BARO, MAP & SCIAP Sensors
    GM1613998Courtesy of GENERAL MOTORS CORP.
  4. Connect the MAP sensor (3) electrical connector.
  5. Install the engine sight shield. Refer to Intake Manifold Sight Shield Replacement .