LEMON Manuals: Even more car manuals for everyone: 1960-2025
Home >> Cadillac >> 2009 >> STS V >> Repair and Diagnosis >> Engine Performance >> System >> Engine Controls And Fuel - 4.4L - Introduction >> Schematic and Routing Diagrams >> Engine Controls Schematics
April 5, 2026: LEMON Manuals is launched! Read the announcement.

Engine Controls Schematics

Fig 1: ECM Power, Ground, Serial Data, and MIL
GM2063657Courtesy of GENERAL MOTORS CORP.
Fig 2: Engine Data Sensors - 5-Volt and Low Reference 1 of 2
GM2063660Courtesy of GENERAL MOTORS CORP.
Fig 3: Engine Data Sensors - 5-Volt and Low Reference 2 of 2
GM2063703Courtesy of GENERAL MOTORS CORP.
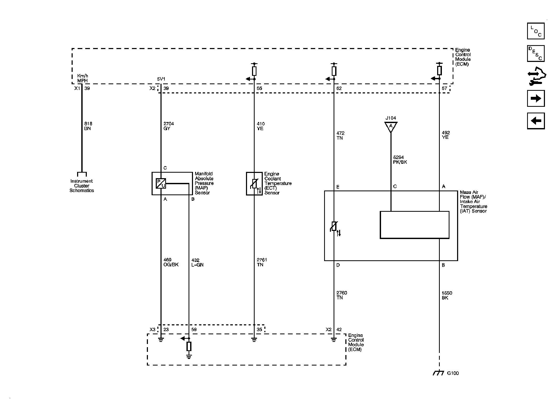
Fig 4: Engine Data Sensors - Pressure, Temperature, MAF, VSS
GM2063704Courtesy of GENERAL MOTORS CORP.
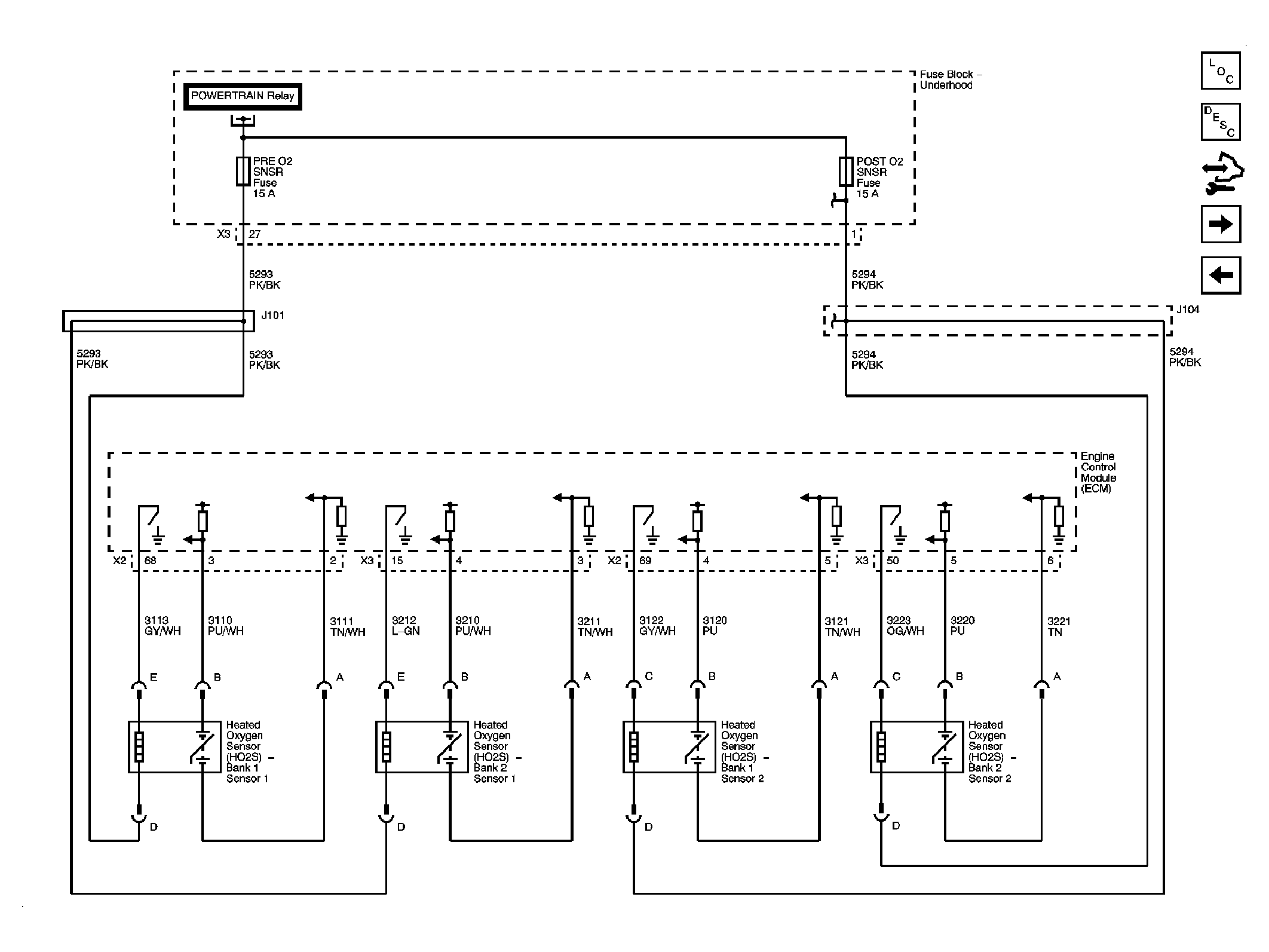
Fig 5: Engine Data Sensors - Oxygen Sensors
GM2063711Courtesy of GENERAL MOTORS CORP.
Fig 6: Engine Data Sensors - Electronic Throttle Controls
GM2063713Courtesy of GENERAL MOTORS CORP.
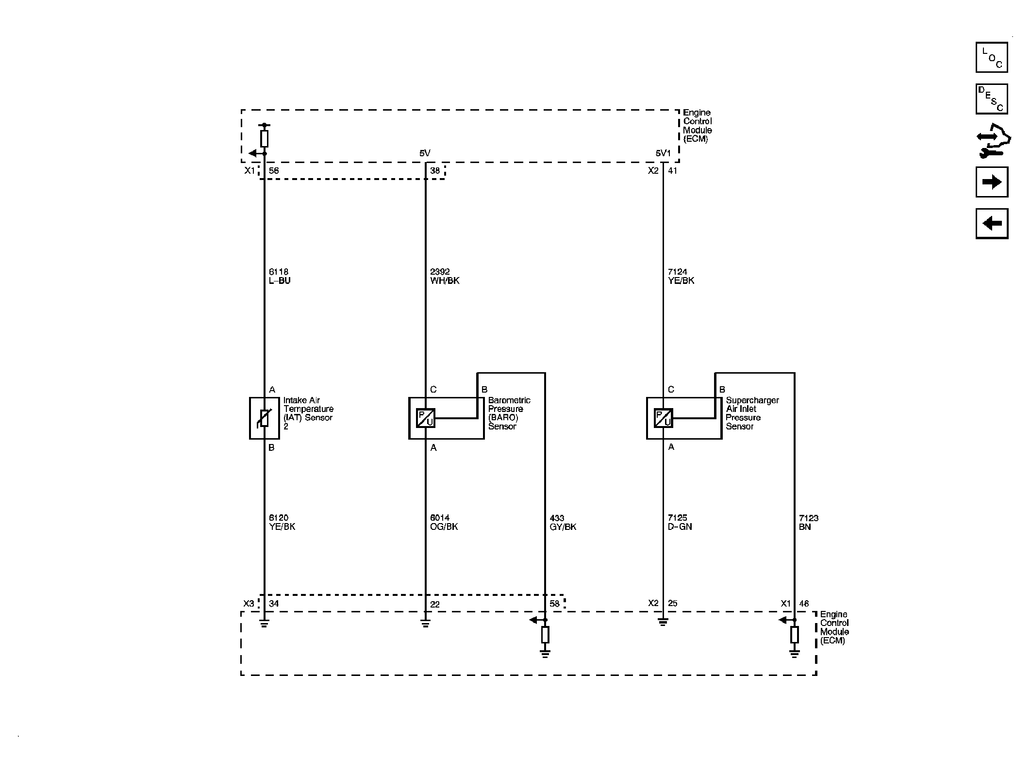
Fig 7: Engine Data Sensors - IAT 2, BARO, SCIAP
GM2063934Courtesy of GENERAL MOTORS CORP.
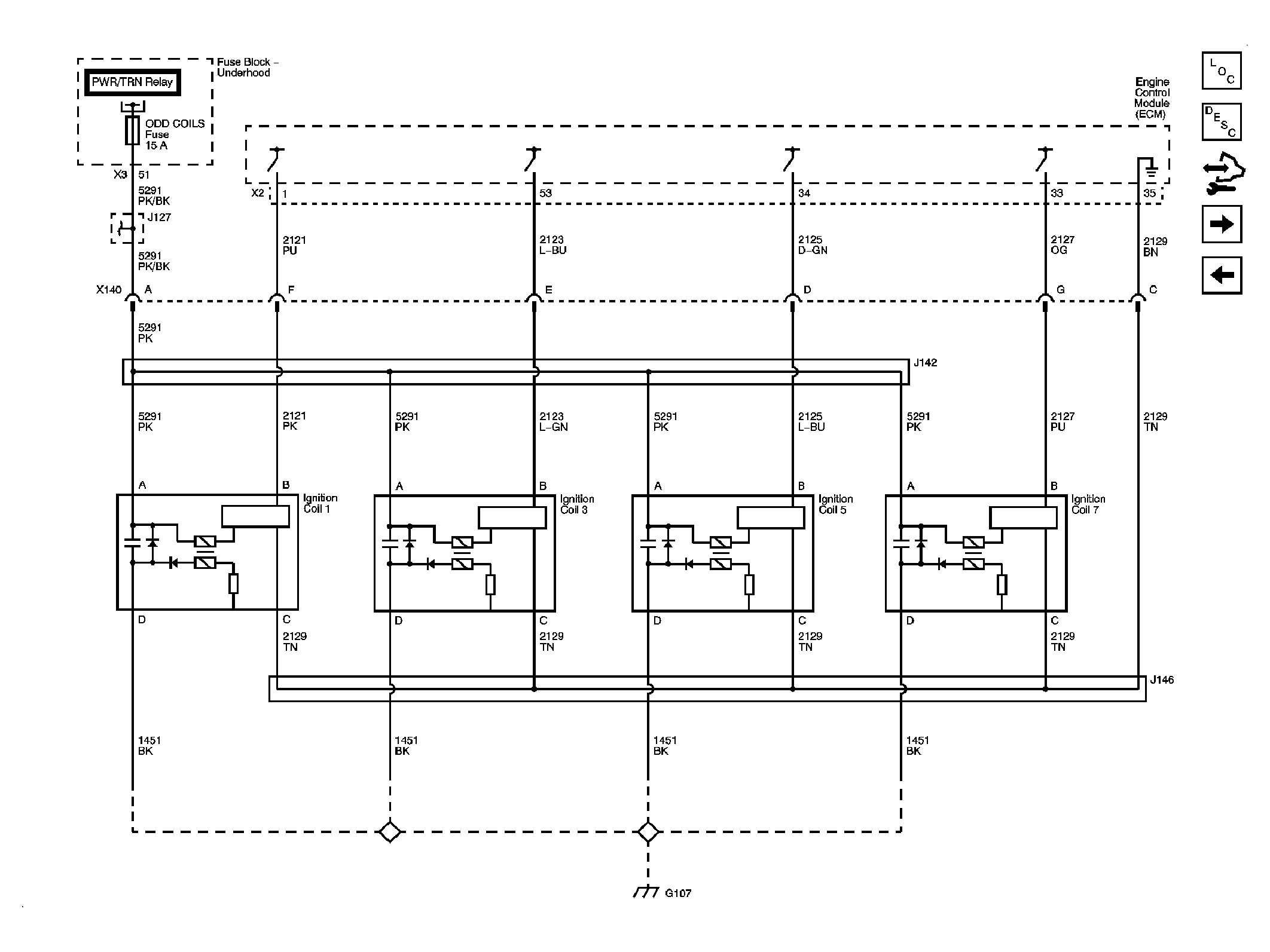
Fig 8: Ignition Controls - Ignition System Bank 1
GM2063714Courtesy of GENERAL MOTORS CORP.
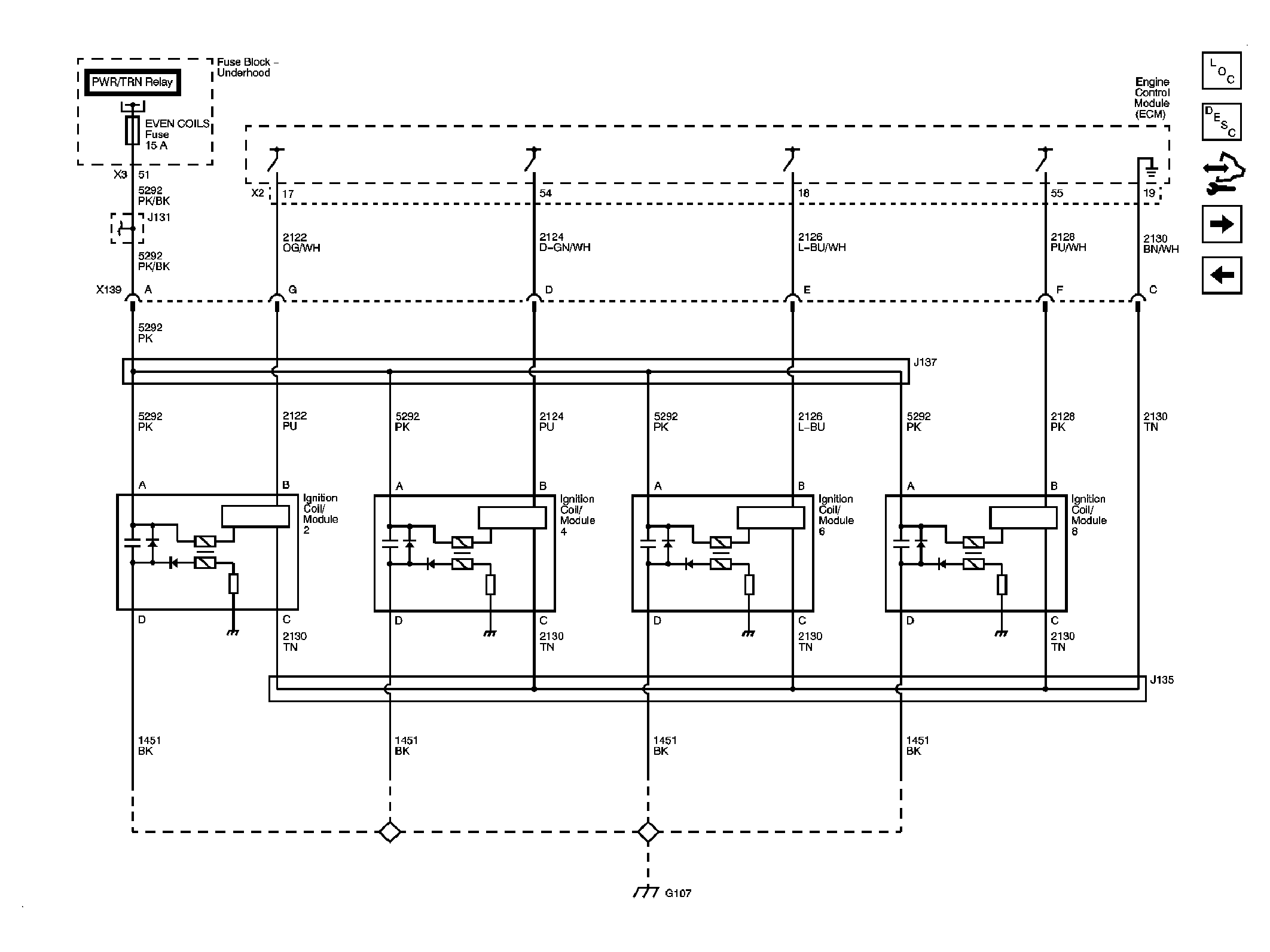
Fig 9: Ignition Controls - Ignition System Bank 2
GM2063715Courtesy of GENERAL MOTORS CORP.
Fig 10: Ignition Controls - CMP Sensors and Solenoids
GM2128965Courtesy of GENERAL MOTORS CORP.
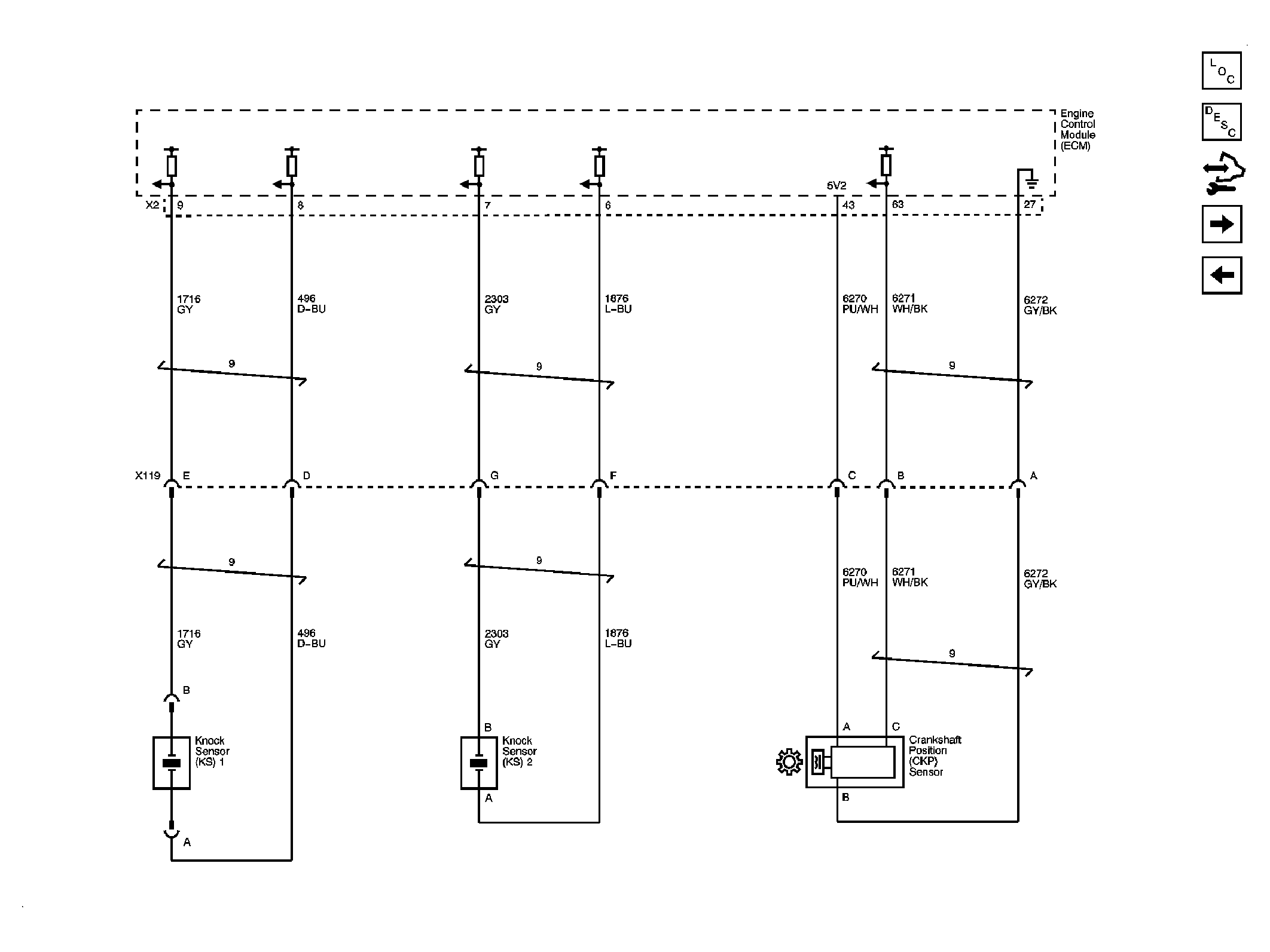
Fig 11: Crankshaft Position (CKP) Sensor and Knock Sensors
GM2063718Courtesy of GENERAL MOTORS CORP.
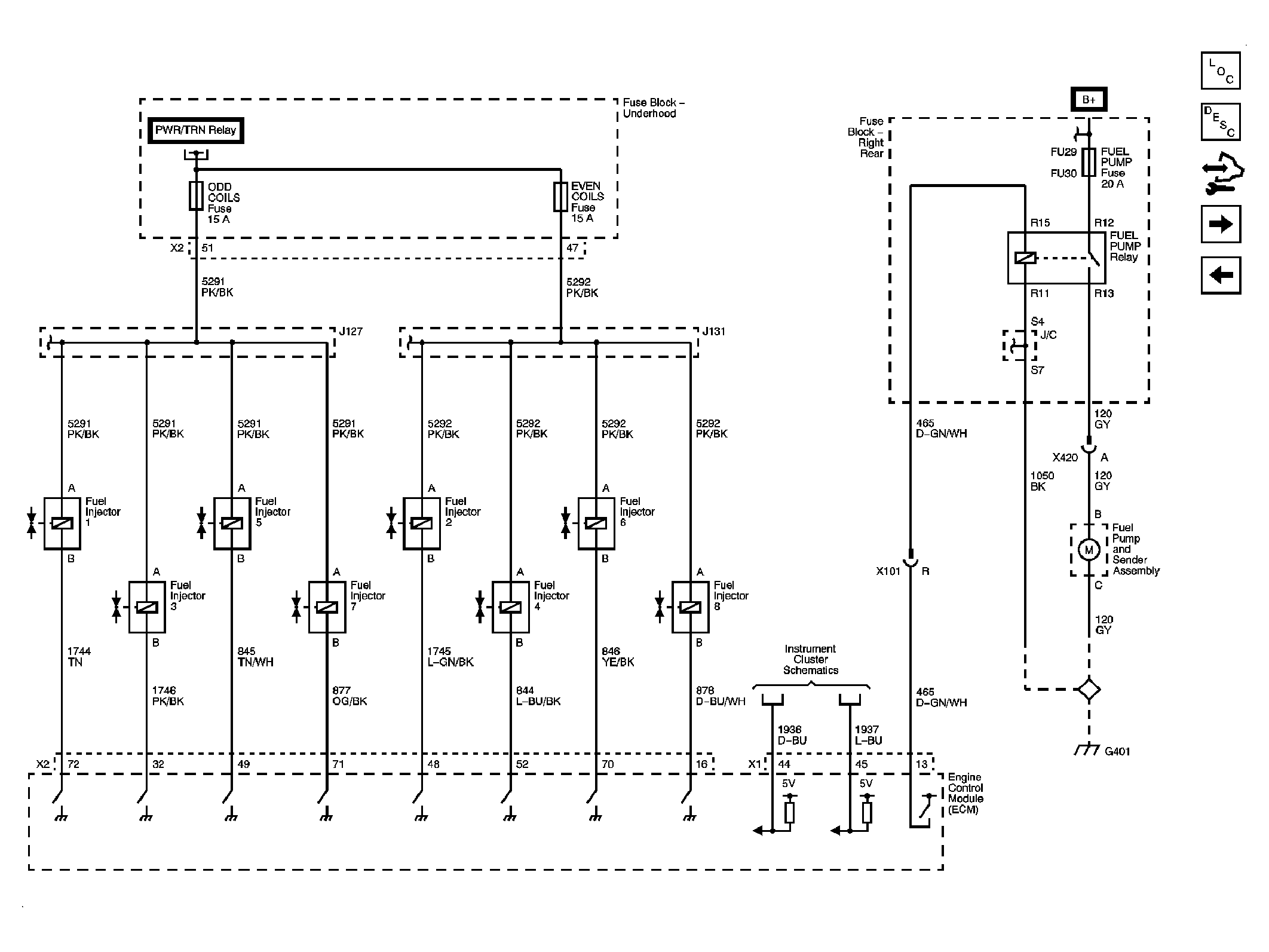
Fig 12: Fuel Controls - Injectors and Pump
GM2063719Courtesy of GENERAL MOTORS CORP.
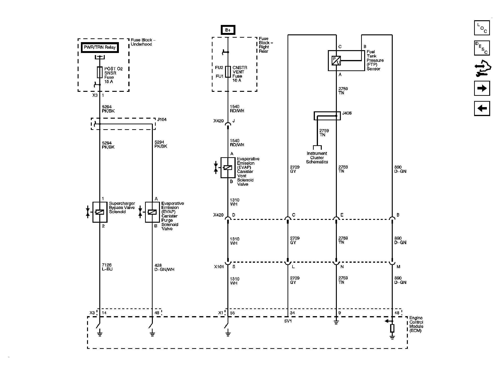
Fig 13: Fuel Controls - EVAP, Fuel Tank Pressure (FTP) Sensor, Vacuum Bypass Valve
GM2063722Courtesy of GENERAL MOTORS CORP.
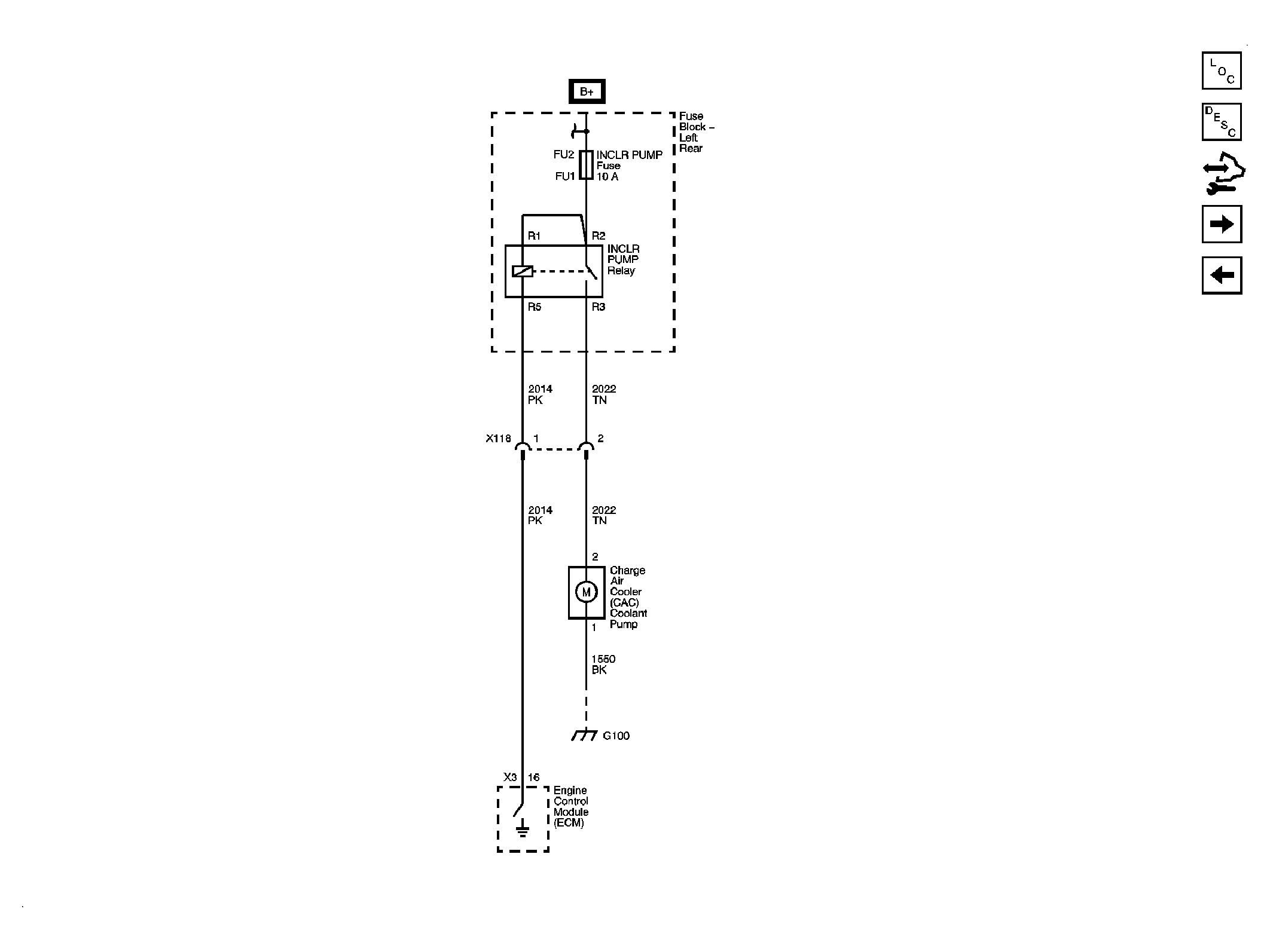
Fig 14: Charge Air Cooler (CAC) Coolant Pump
GM2063725Courtesy of GENERAL MOTORS CORP.
Fig 15: Controlled/Monitored Subsystem References
GM2063727Courtesy of GENERAL MOTORS CORP.