LEMON Manuals: Even more car manuals for everyone: 1960-2025
Home >> Cadillac >> 2009 >> XLR Base >> Repair and Diagnosis (Single Page) >> Engine Performance >> Remove, Overhaul & Install >> Engine Controls And Fuel - 4.6L (LH2) - Introduction, Specifications & Repair Instructions >> Schematic and Routing Diagrams >> Engine Controls Schematics
April 5, 2026: LEMON Manuals is launched! Read the announcement.

Engine Controls Schematics

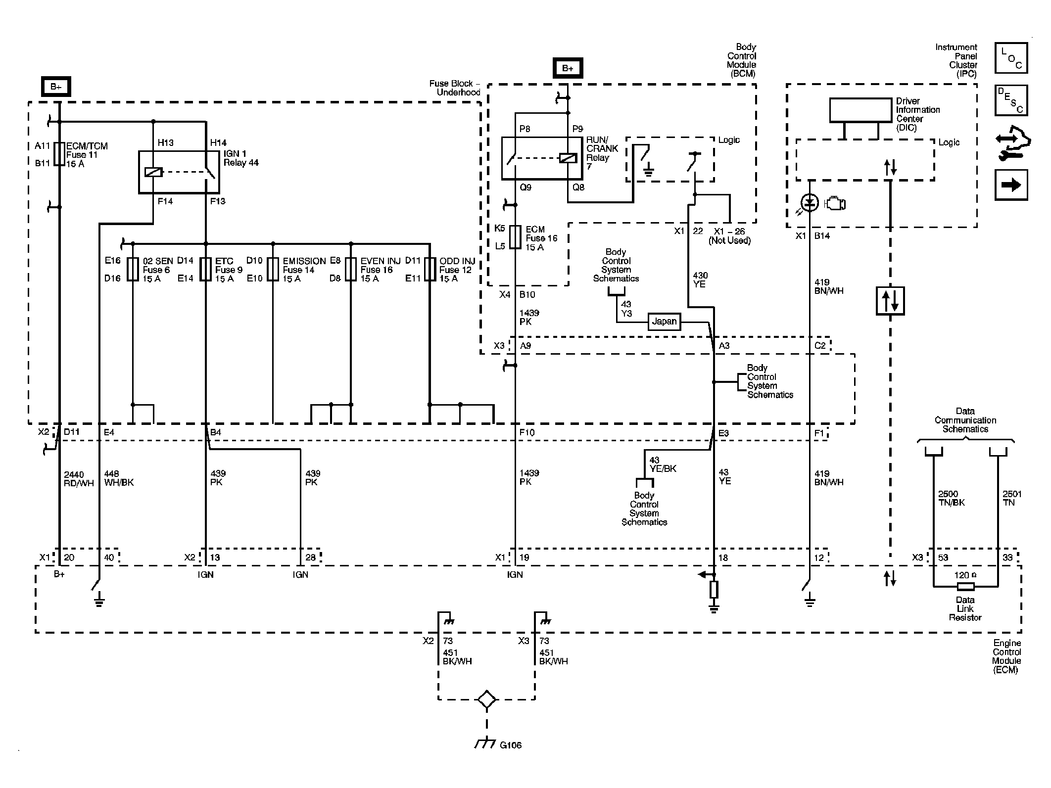
Fig 1: ECM Power, Ground, MIL & Serial Data
GM2075624Courtesy of GENERAL MOTORS CORP.
Fig 2: 5-Volt Reference Bussing
GM2075625Courtesy of GENERAL MOTORS CORP.
Fig 3: Low Reference Bussing
GM2075628Courtesy of GENERAL MOTORS CORP.
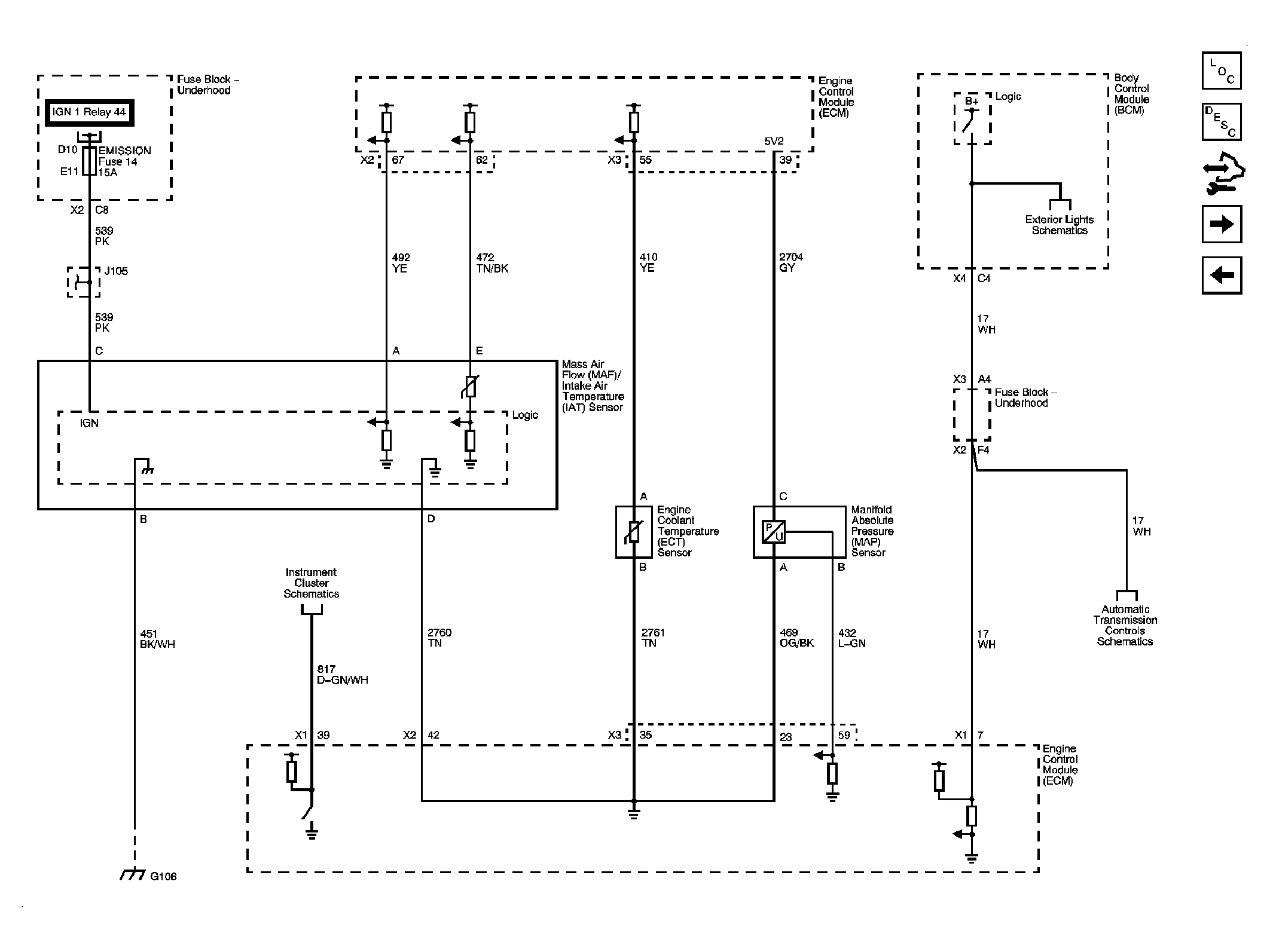
Fig 4: MAF/IAT, ECT, MAP Sensors & Stop Lamp Switch Signal
GM2075629Courtesy of GENERAL MOTORS CORP.
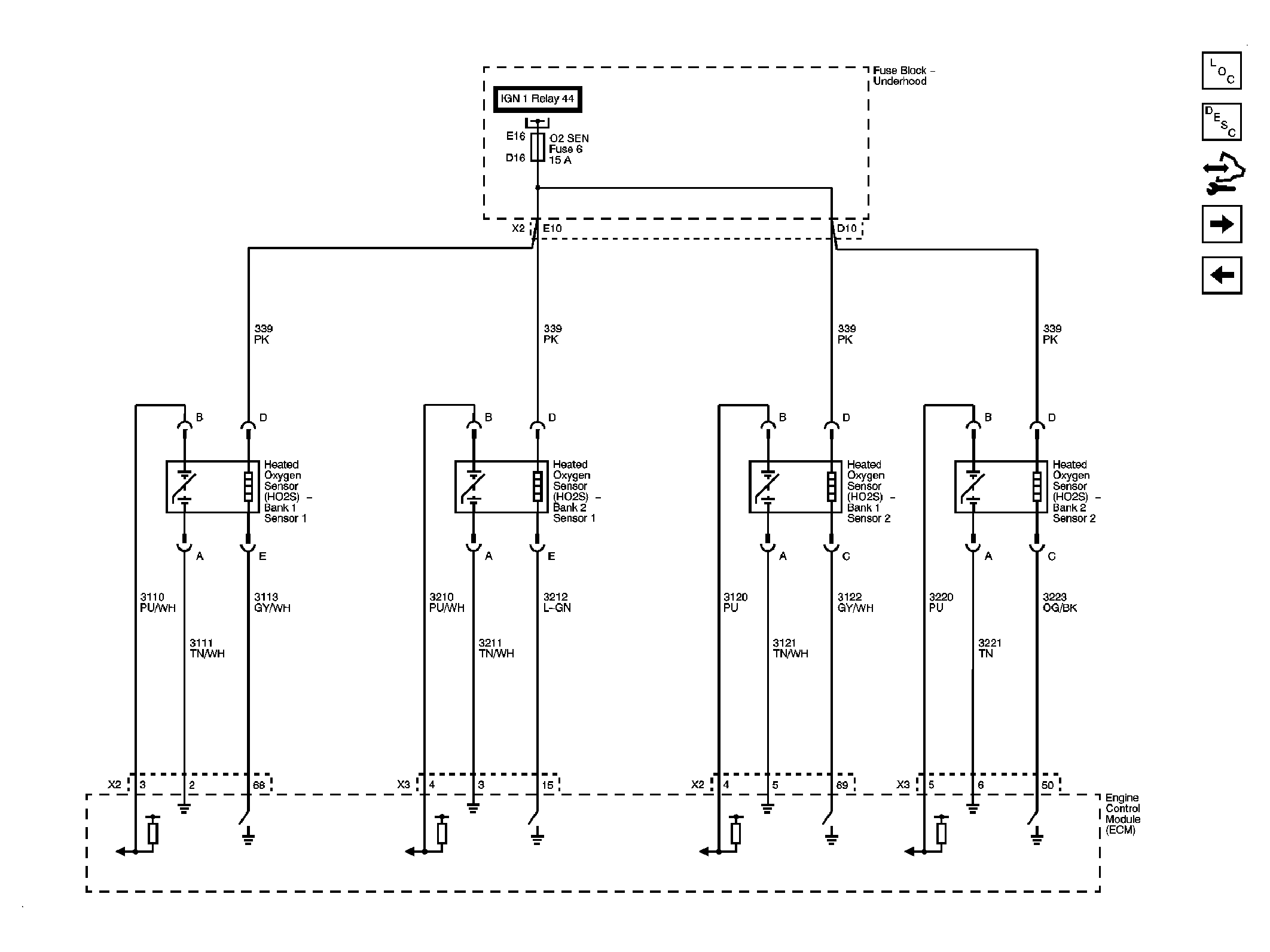
Fig 5: Heated Oxygen Sensors
GM2075630Courtesy of GENERAL MOTORS CORP.
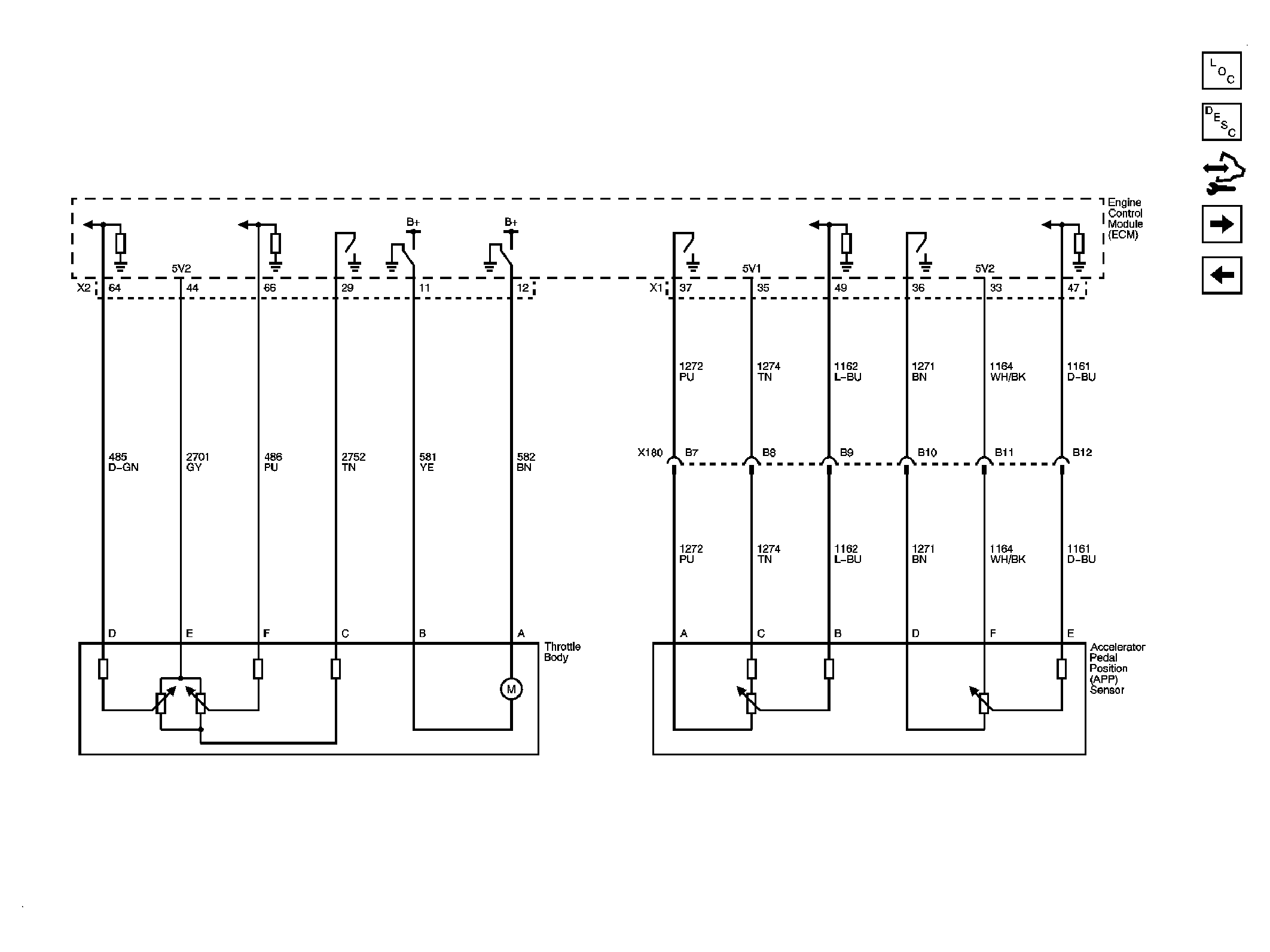
Fig 6: Electronic Throttle Controls
GM2075631Courtesy of GENERAL MOTORS CORP.
Fig 7: Ignition Coils Bank 1
GM2075632Courtesy of GENERAL MOTORS CORP.
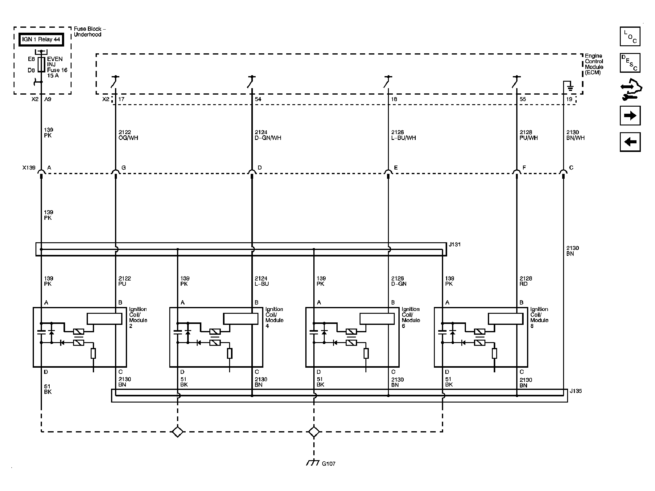
Fig 8: Ignition Coils Bank 2
GM2075633Courtesy of GENERAL MOTORS CORP.
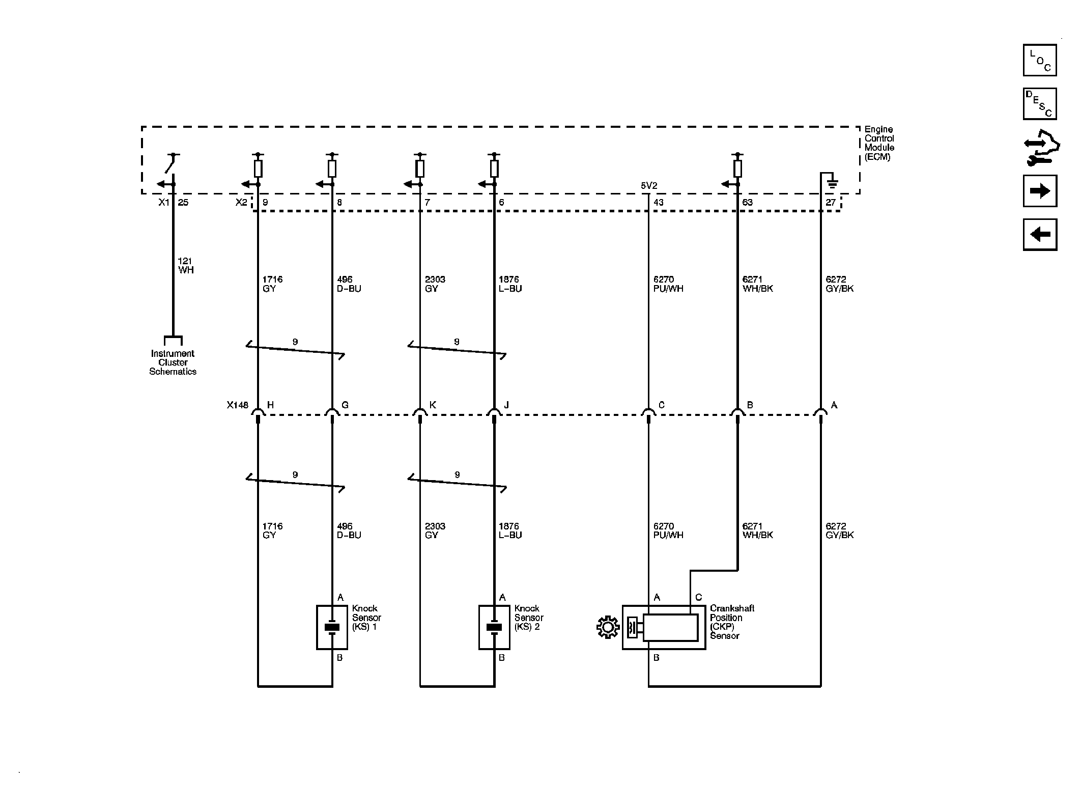
Fig 9: CKP & KS Sensors
GM2075634Courtesy of GENERAL MOTORS CORP.
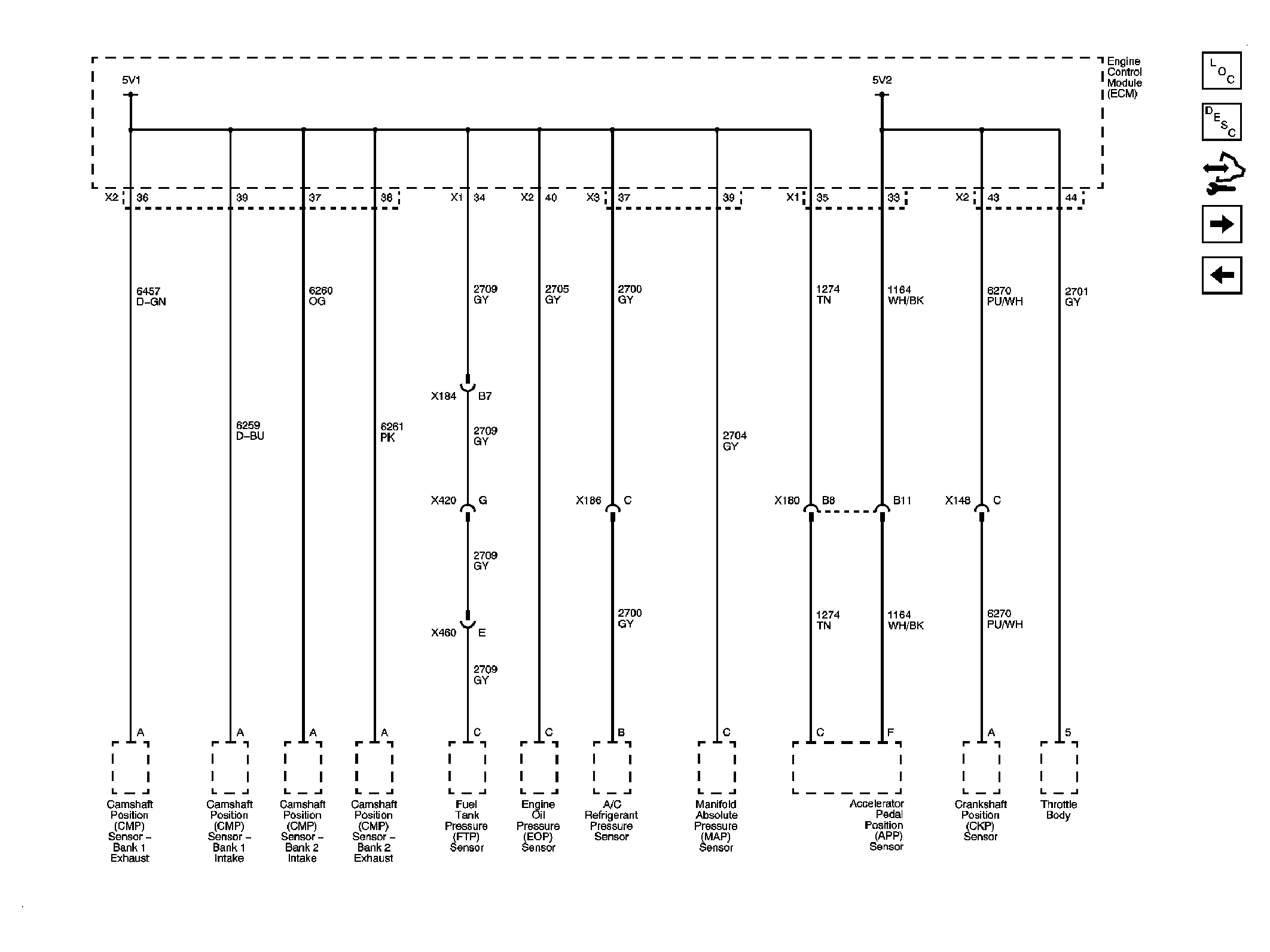
Fig 10: CMP Sensors & Actuators
GM2075636Courtesy of GENERAL MOTORS CORP.
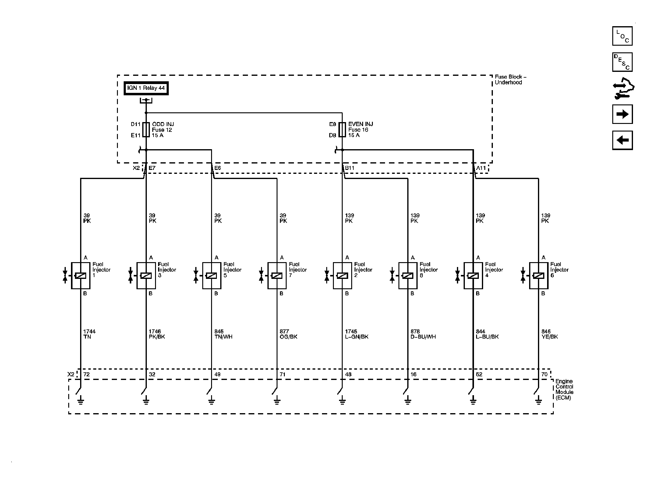
Fig 11: Fuel Injectors
GM2075637Courtesy of GENERAL MOTORS CORP.
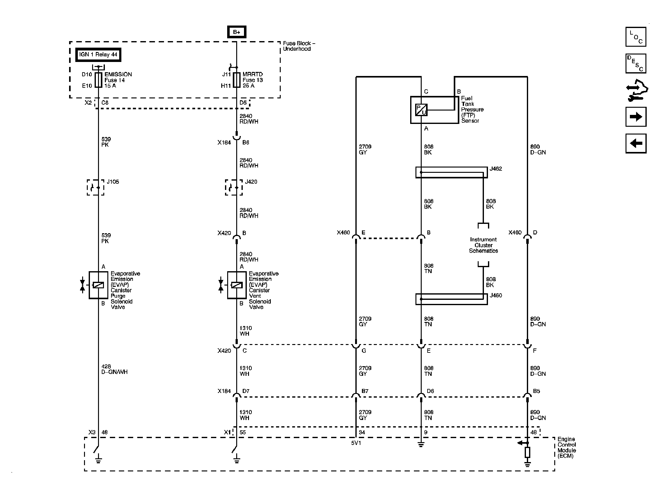
Fig 12: EVAP Solenoids & FTP Sensor
GM2075638Courtesy of GENERAL MOTORS CORP.
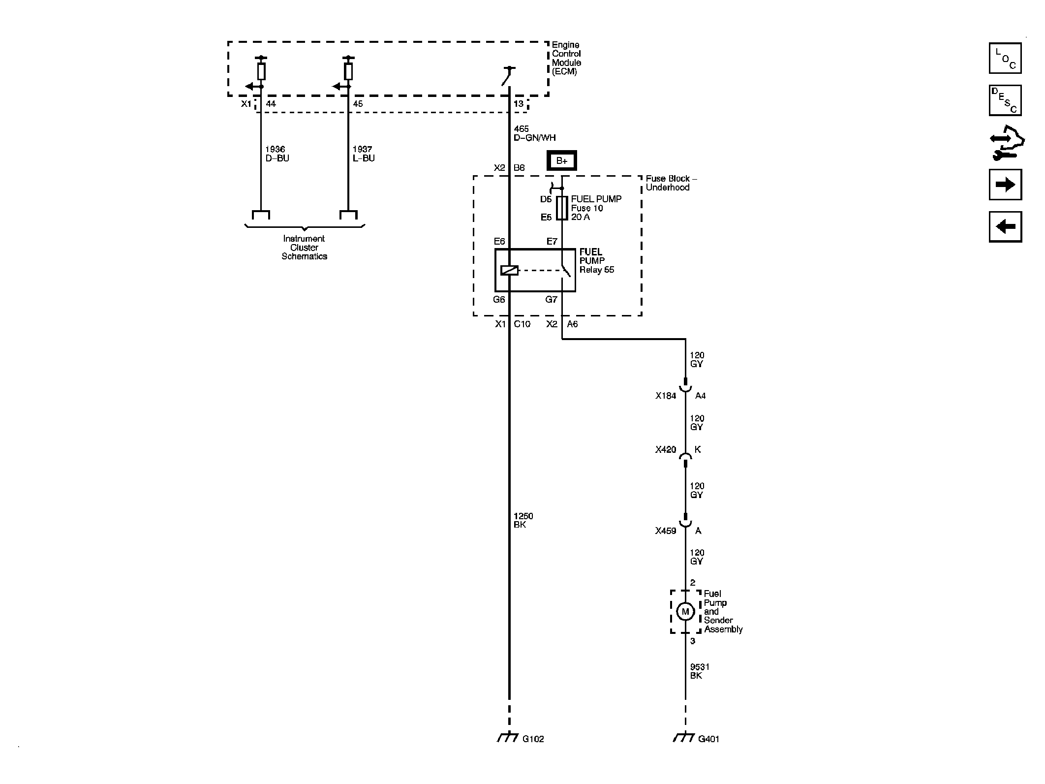
Fig 13: Fuel Pump Controls
GM2075639Courtesy of GENERAL MOTORS CORP.
Fig 14: Controlled/Monitored Subsystem References
GM2075641Courtesy of GENERAL MOTORS CORP.