LEMON Manuals: Even more car manuals for everyone: 1960-2025
Home >> Cadillac >> 2009 >> XLR Base >> Repair and Diagnosis (Single Page) >> Engine Performance >> System >> Data Communication System >> Schematic and Routing Diagrams >> Data Communication Schematics
April 5, 2026: LEMON Manuals is launched! Read the announcement.

Data Communication Schematics

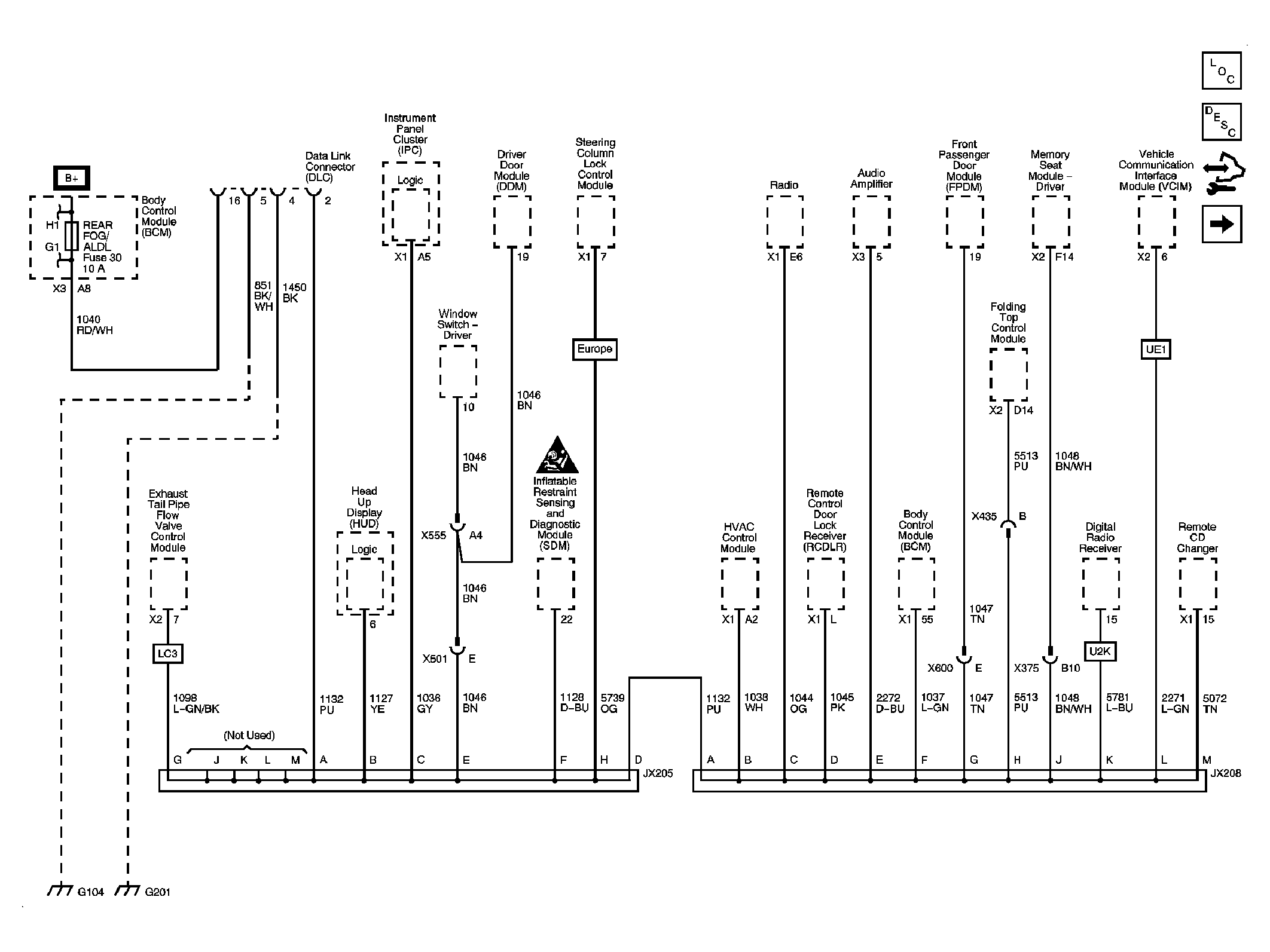
Fig 1: Power, Ground, & Class 2
GM2075595Courtesy of GENERAL MOTORS CORP.
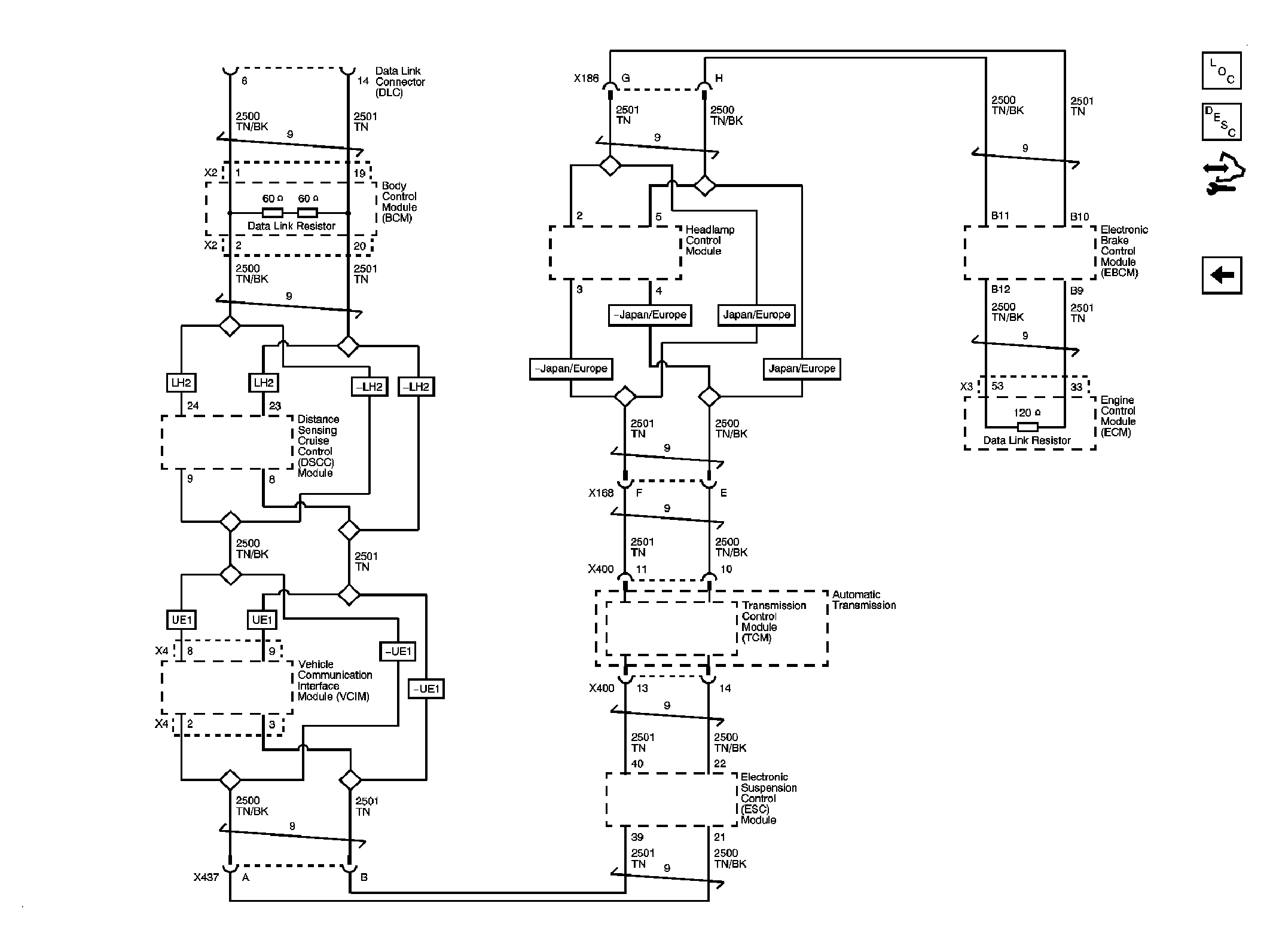
Fig 2: GMLAN
GM2075599Courtesy of GENERAL MOTORS CORP.