LEMON Manuals: Even more car manuals for everyone: 1960-2025
Home >> Cadillac >> 2009 >> XLR Base >> Repair and Diagnosis (Single Page) >> Quick Lookups >> Electrical Component Locations >> Wiring Systems And Power Management - I/P And Interior Component Views >> Instrument Panel/Center Console Component Views
April 5, 2026: LEMON Manuals is launched! Read the announcement.

Instrument Panel/Center Console Component Views

Fig 1: Identifying Instrument Panel Components
GM1252421Courtesy of GENERAL MOTORS CORP.
Callout Component Name
1 I/P Dimmer/Head Up Display (HUD) Switch
2 Turn Signal/Multifunction Switch
3 Inflatable Restraint Steering Wheel Module
4 Instrument Panel Cluster (IPC)
5 Air Temperature Sensor - Inside
6 Windshield Wiper/Washer Switch
7 Driver Information Center (DIC) Switch
8 Hazard Switch
9 Remote CD Changer
10 Valet Switch
11 Inflatable Restraint I/P Module
12 Inflatable Restraint I/P Module Disable Switch
13 I/P Compartment Lamp
14 Radio
15 HVAC Control Module
16 Cigar Lighter
17 Center Console Compartment Lamp Switch
18 Folding Top Control Switch
19 Inflatable Restraint I/P Module Disable Switch LED
20 Traction Control Switch
21 Accessory Power Outlet
22 Center Console Flood Lamp
23 Automatic Transmission Shift Lever
24 Ignition Mode Switch
25 Steering Wheel Control Switch - Right
26 Horn Switch
27 Data Link Connector (DLC)
28 Steering Wheel Control Switch - Left
Fig 2: Identifying Top Of I/P Components
GM1358213Courtesy of GENERAL MOTORS CORP.
Callout Component Name
1 Speaker - Left
2 Speaker - Center I/P
3 Navigation Antenna
4 Speaker - Right
Fig 3: Identifying Head Up Display
GM1358034Courtesy of GENERAL MOTORS CORP.
Callout Component Name
1 Head Up Display (HUD)
Fig 4: Identifying Sunload Sensor
GM1358222Courtesy of GENERAL MOTORS CORP.
Callout Component Name
1 Sunload Sensor
Fig 5: Identifying Air Temperature Sensor - Upper Left
GM1358218Courtesy of GENERAL MOTORS CORP.
Callout Component Name
1 Air Temperature Sensor - Upper Left
Fig 6: Identifying Air Temperature Actuator - Left
GM1358229Courtesy of GENERAL MOTORS CORP.
Callout Component Name
1 Air Temperature Actuator - Left
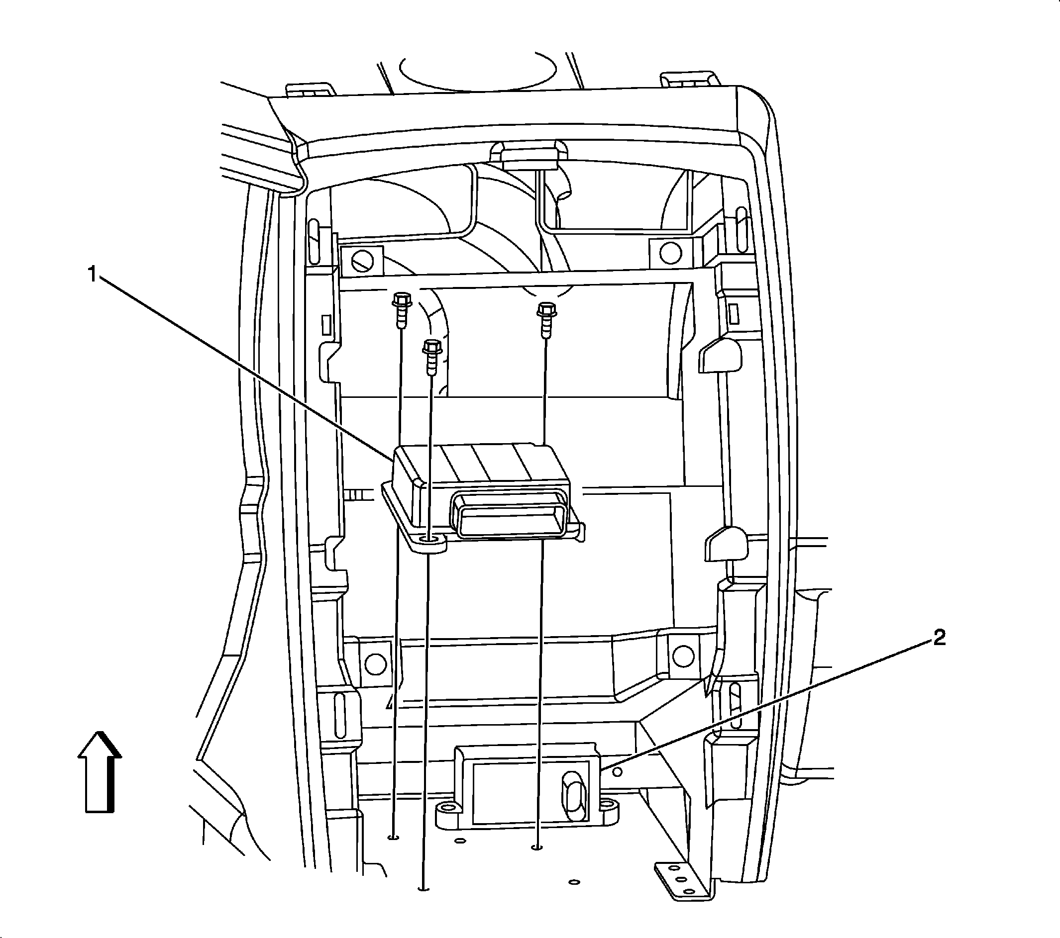
Fig 7: Identifying Behind Center Of I/P Components
GM1358215Courtesy of GENERAL MOTORS CORP.
Callout Component Name
1 Inflatable Restraint Sensing and Diagnostic Module (SDM)
2 Yaw and Lateral Accelerometer Sensor
Fig 8: Identifying Air Temperature Sensor - Upper Right
GM1358220Courtesy of GENERAL MOTORS CORP.
Callout Component Name
1 Air Temperature Sensor - Upper Right
Fig 9: Locating Air Temperature Sensors (Lower Left & Lower Right)
GM1358232Courtesy of GENERAL MOTORS CORP.
Callout Component Name
1 Air Temperature Sensor - Lower Left
2 Air Temperature Sensor - Lower Right
Fig 10: Identifying Mode Actuator & Air Temperature Actuator (Right)
GM1358228Courtesy of GENERAL MOTORS CORP.
Callout Component Name
1 Mode Actuator
2 Air Temperature Actuator - Right
Fig 11: Identifying Lower Left Of I/P Components
GM1284352Courtesy of GENERAL MOTORS CORP.
Callout Component Name
1 Fuel Door Release Switch
2 Park Brake Pedal Assembly
Fig 12: Identifying Lower Left Front Of I/P Components
GM1258716Courtesy of GENERAL MOTORS CORP.
Callout Component Name
1 Fuel Door Release Switch
2 Rear Compartment Lid Release Switch - Interior
3 Steering Wheel/Column Tilt/Telescope Switch
4 Noise Compensation Microphone
Fig 13: Identifying Steering Wheel Theft Deterrent Lock & Tilt Actuator
GM1358088Courtesy of GENERAL MOTORS CORP.
Callout Component Name
1 Steering Wheel Theft Deterrent Lock (Export)
2 Steering Wheel Tilt Actuator
Fig 14: Identifying Steering Column Lock Control Module & Tilt/Telescope Actuator
GM1358087Courtesy of GENERAL MOTORS CORP.
Callout Component Name
1 Steering Column Lock Control Module (Export)
2 Steering Wheel/Column Tilt/Telescope Actuator
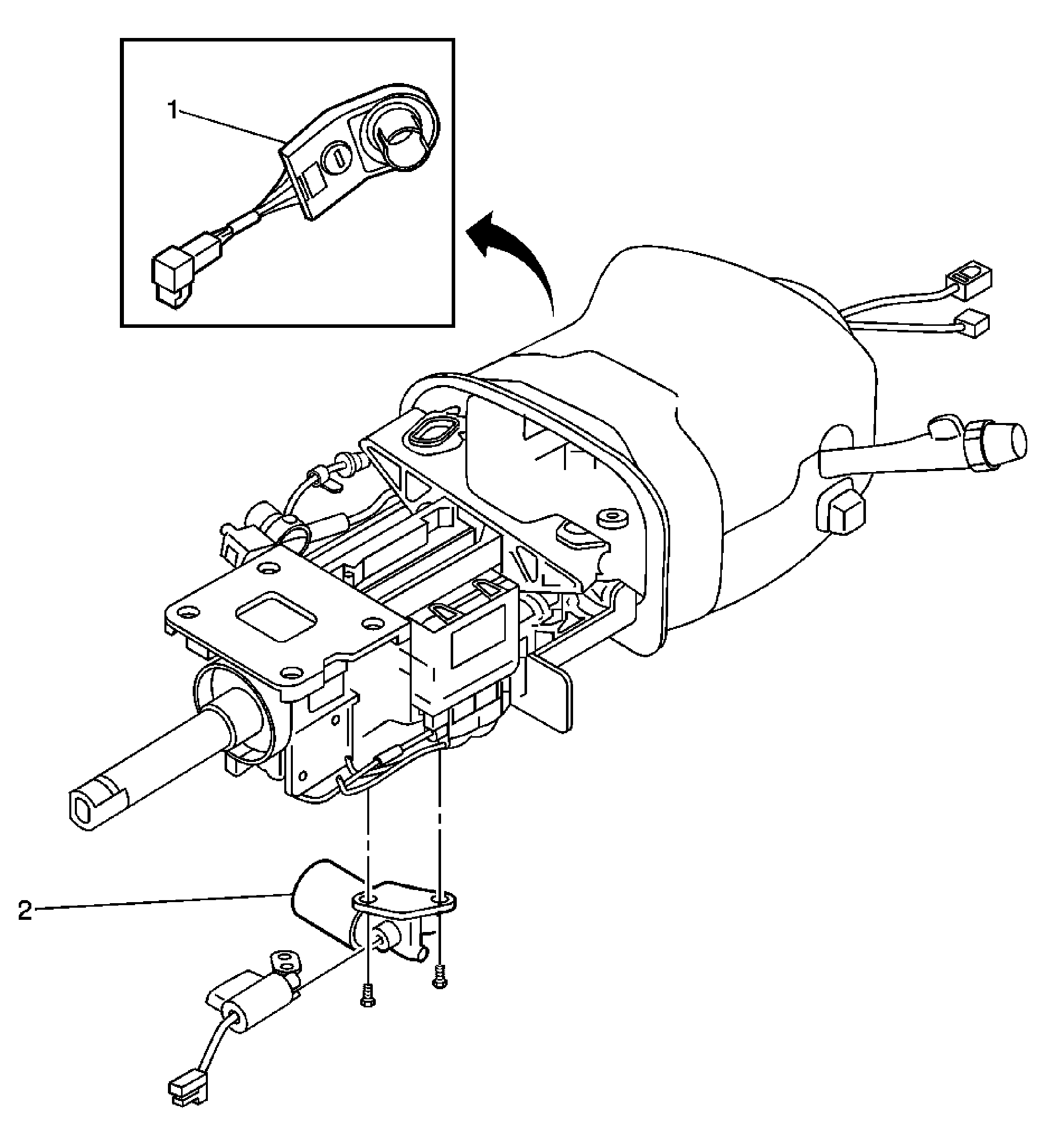
Fig 15: Identifying Steering Wheel Angle Sensor
GM1358211Courtesy of GENERAL MOTORS CORP.
Callout Component Name
1 Steering Angle Sensor
Fig 16: Identifying Brake Pedal Position Sensor & Connector
GM1358078Courtesy of GENERAL MOTORS CORP.
Callout Component Name
1 Brake Pedal Position Sensor
2 Brake Pedal Position Sensor Connector
Fig 17: Identifying Accelerator Pedal & Position Sensor
GM1358051Courtesy of GENERAL MOTORS CORP.
Callout Component Name
1 Accelerator Pedal Position (APP) Sensor
2 Accelerator Pedal
Fig 18: Identifying Recirculation Actuator & Blower Motor Control Module
GM1358230Courtesy of GENERAL MOTORS CORP.
Callout Component Name
1 Recirculation Actuator
2 Blower Motor Control Module