LEMON Manuals: Even more car manuals for everyone: 1960-2025
Home >> Cadillac >> 2009 >> XLR Base >> Repair and Diagnosis >> External Pages >> Different car >> Section 112 (Cellular System, Entertainment System, And Navigation System) >> Schematic and Routing Diagrams >> OnStar Schematics
April 5, 2026: LEMON Manuals is launched! Read the announcement.

OnStar Schematics

WARNING: This page is about a different car, the 2008 Cadillac XLR. However, it is still accessible from the selected car via links, so may be relevant.
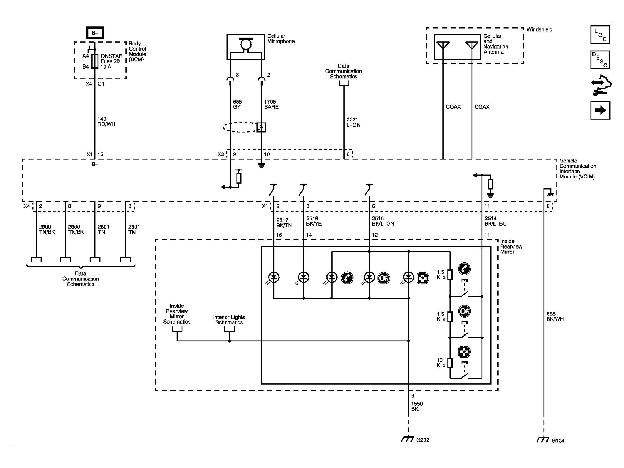
Fig 1: Power, Ground, DLC, Antenna, and User Inputs
GM1899913Courtesy of GENERAL MOTORS CORP.
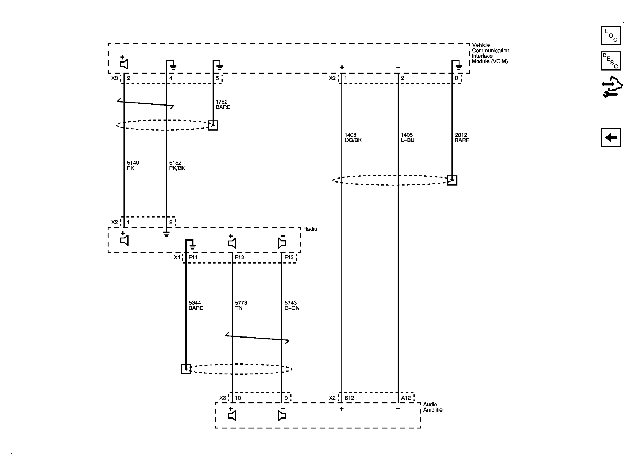
Fig 2: Audio Output
GM1899917Courtesy of GENERAL MOTORS CORP.