LEMON Manuals: Even more car manuals for everyone: 1960-2025
Home >> Cadillac >> 2009 >> XLR Base >> Repair and Diagnosis >> External Pages >> Different car >> Section 126 (Anti-Lock Brake System, Traction Control System & Stability Control System) >> Schematic and Routing Diagrams >> Antilock Brake System Schematics
April 5, 2026: LEMON Manuals is launched! Read the announcement.

Antilock Brake System Schematics

WARNING: This page is about a different car, the 2008 Cadillac XLR. However, it is still accessible from the selected car via links, so may be relevant.
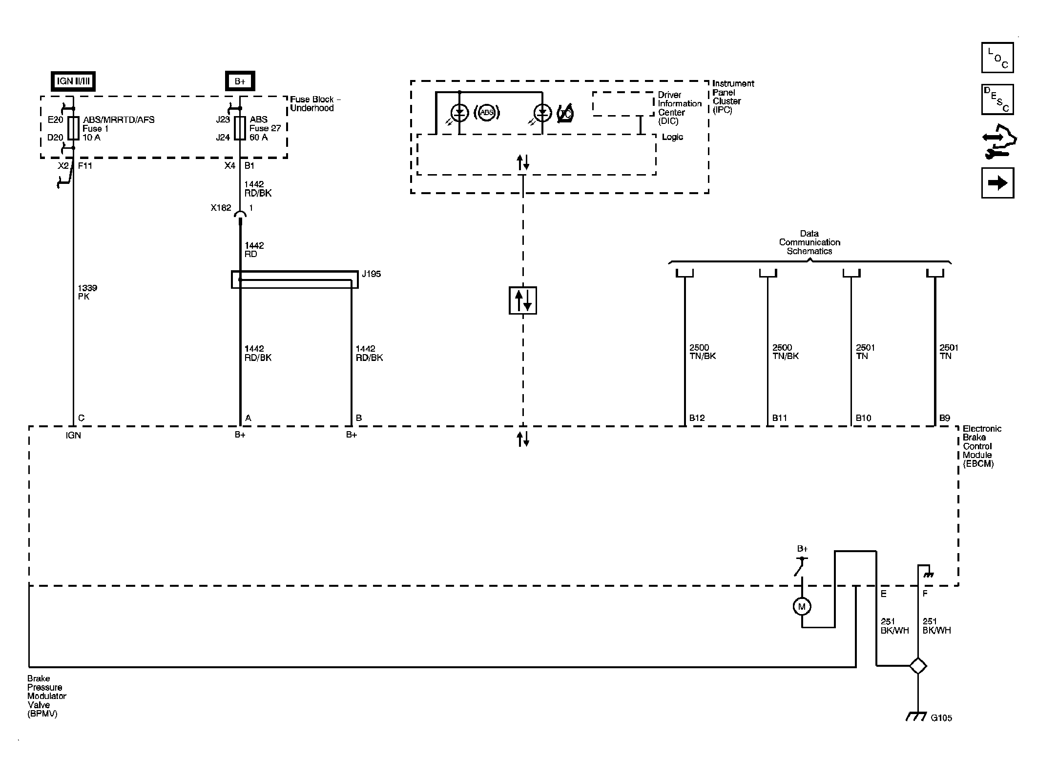
Fig 1: Power, Ground, Indicators, and Brake Pressure Modulator Valve
GM1899570Courtesy of GENERAL MOTORS CORP.
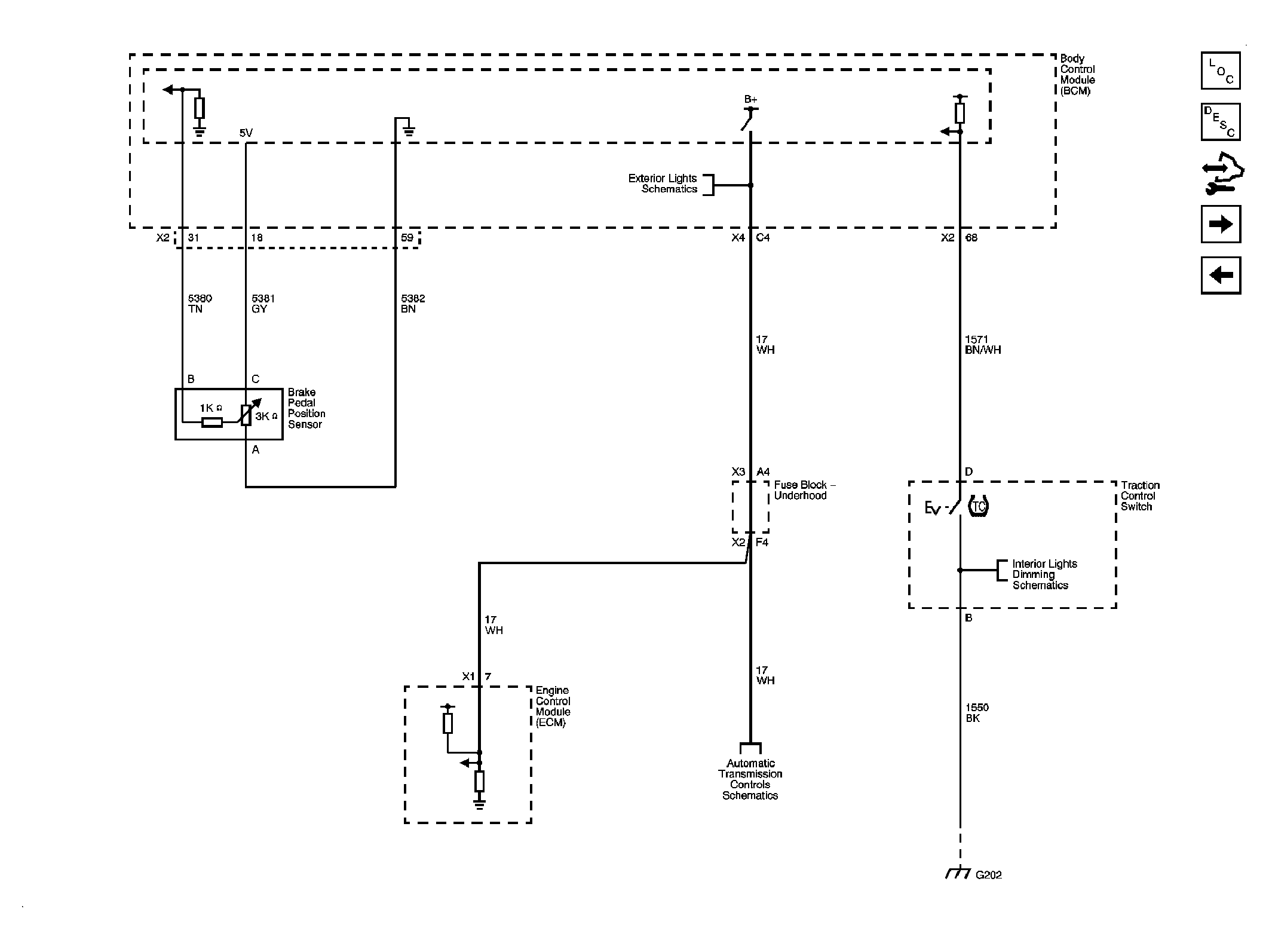
Fig 2: Brake Pedal Signal, and Traction Control Switch
GM1899575Courtesy of GENERAL MOTORS CORP.
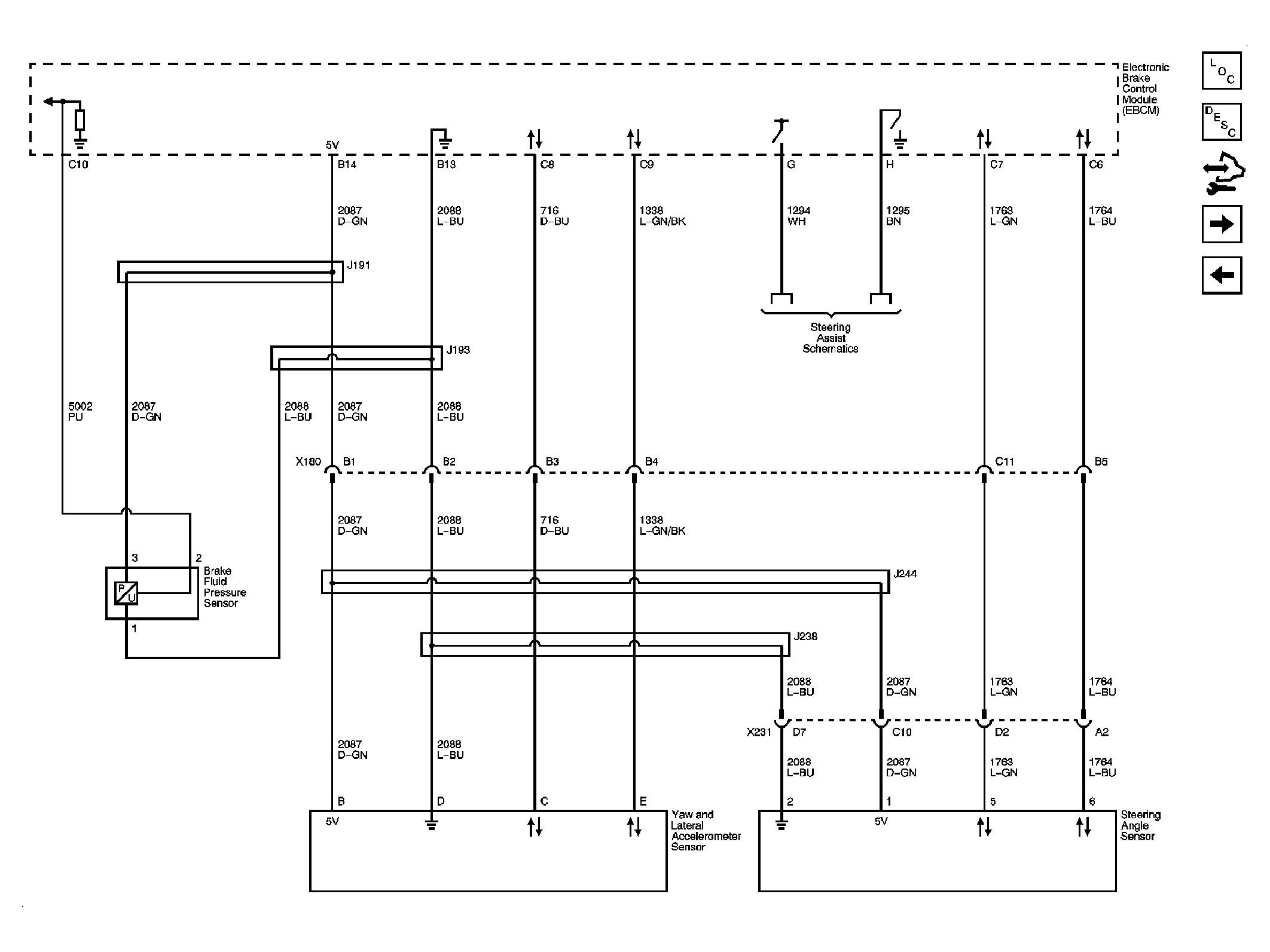
Fig 3: Stability Control Sensors
GM1899577Courtesy of GENERAL MOTORS CORP.
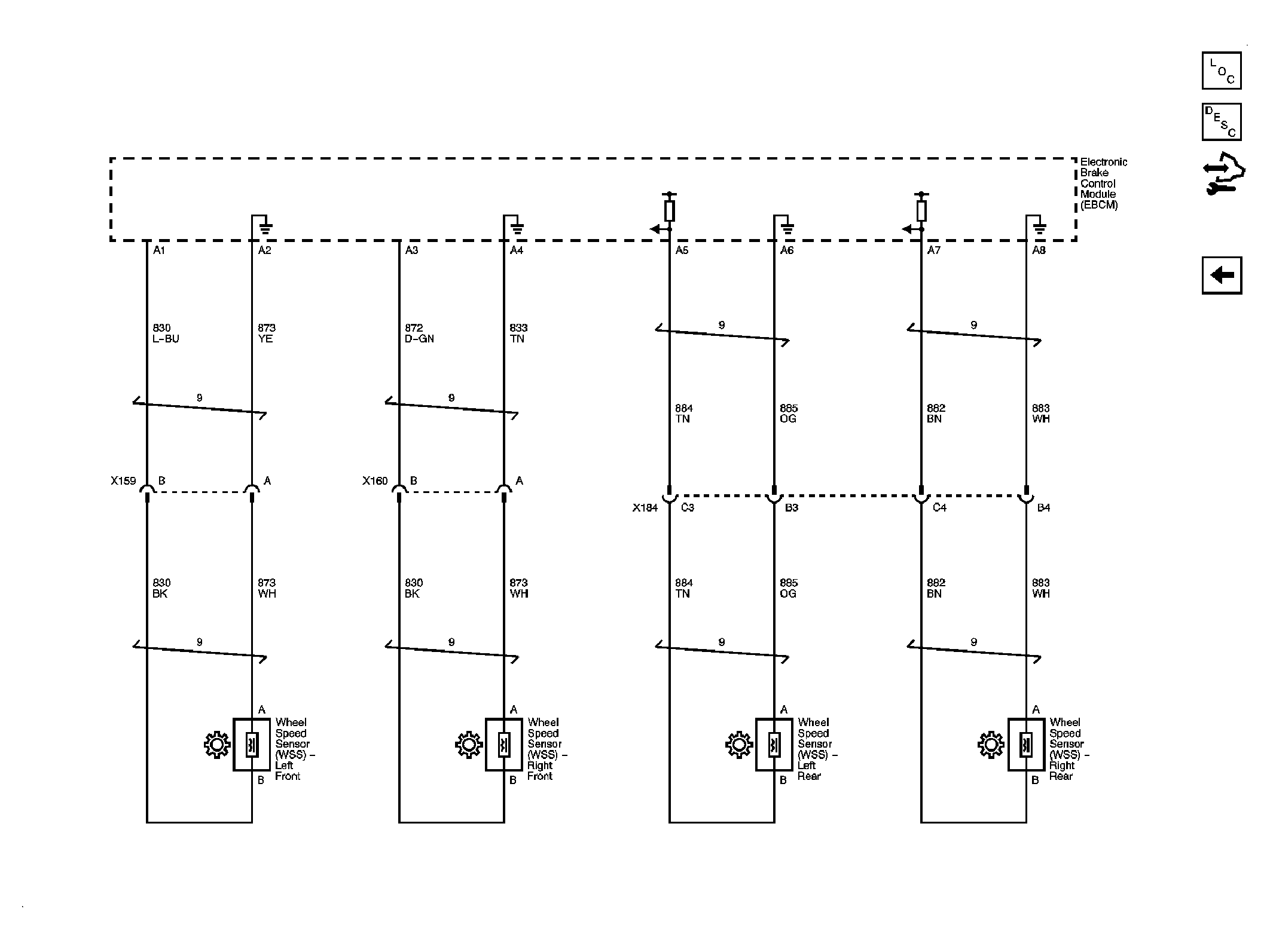
Fig 4: Wheel Speed Sensors
GM1899581Courtesy of GENERAL MOTORS CORP.