LEMON Manuals: Even more car manuals for everyone: 1960-2025
Home >> Cadillac >> 2009 >> XLR Base >> Repair and Diagnosis >> External Pages >> Different car >> Section 145 (Data Communication System) >> Schematic and Routing Diagrams >> Data Communication Schematics
April 5, 2026: LEMON Manuals is launched! Read the announcement.

Data Communication Schematics

WARNING: This page is about a different car, the 2008 Cadillac XLR. However, it is still accessible from the selected car via links, so may be relevant.
Fig 1: Class 2
GM1899355Courtesy of GENERAL MOTORS CORP.
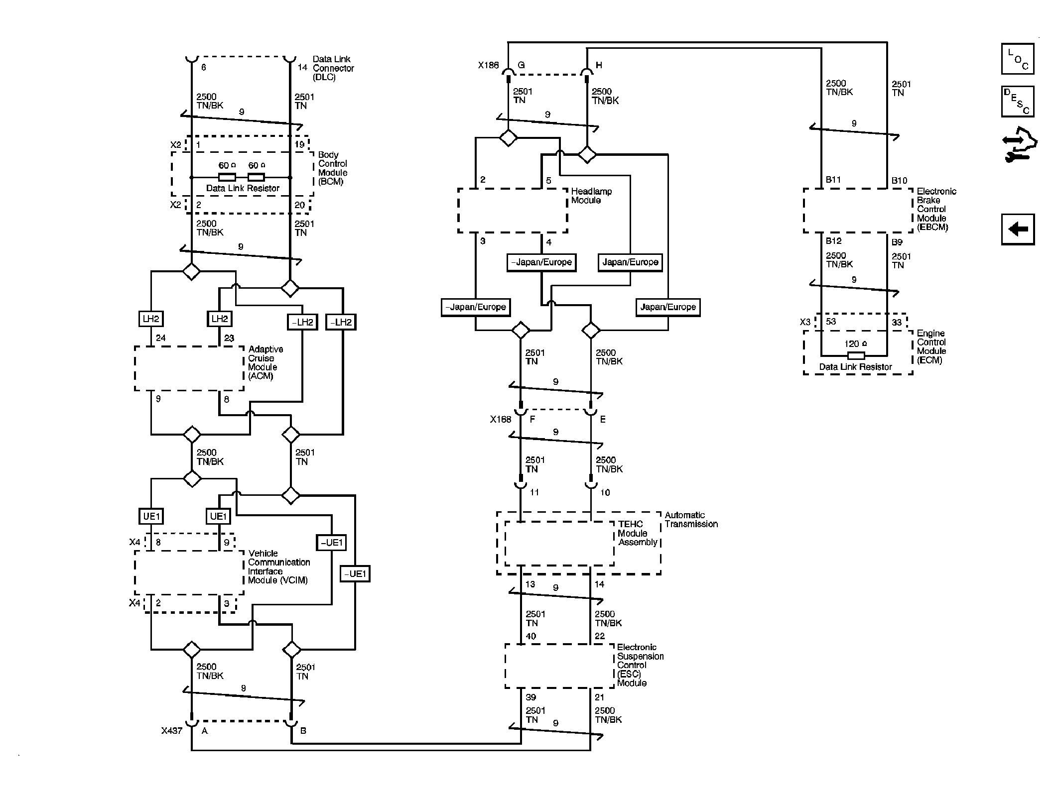
Fig 2: GMLAN
GM1899363Courtesy of GENERAL MOTORS CORP.