LEMON Manuals: Even more car manuals for everyone: 1960-2025
Home >> Cadillac >> 2009 >> XLR Base >> Repair and Diagnosis >> External Pages >> Different car >> Section 64 (Data Communication System) >> Schematic and Routing Diagrams >> Body Control System Schematics
April 5, 2026: LEMON Manuals is launched! Read the announcement.

Body Control System Schematics

WARNING: This page is about a different car, the 2008 Cadillac SRX. However, it is still accessible from the selected car via links, so may be relevant.
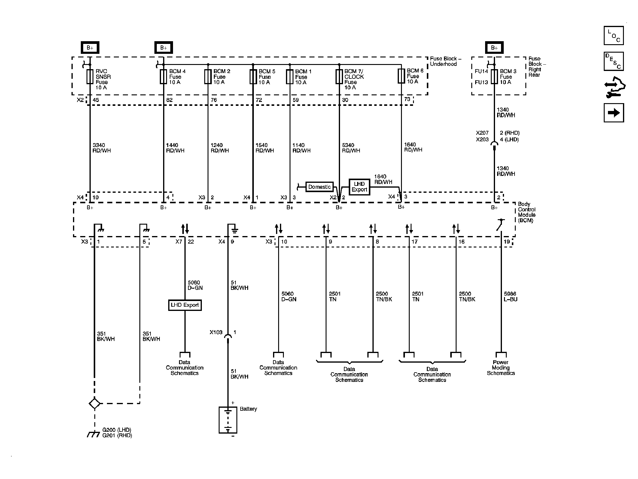
Fig 1: BCM Power, Ground, and Serial Data
GM1875067Courtesy of GENERAL MOTORS CORP.
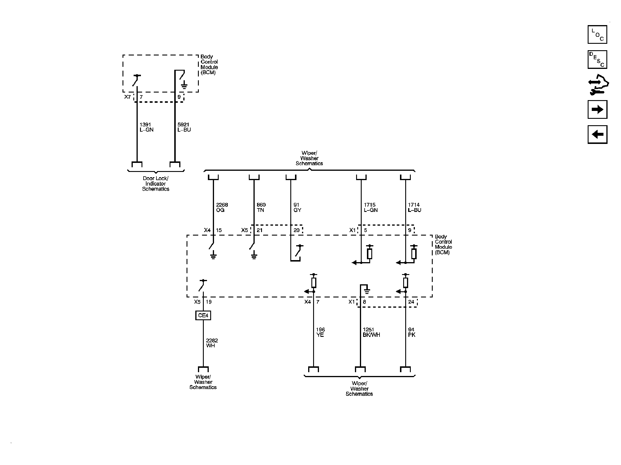
Fig 2: BCM Inputs and Outputs 1 of 4
GM1875087Courtesy of GENERAL MOTORS CORP.
Fig 3: BCM Inputs and Outputs 2 of 4
GM1875091Courtesy of GENERAL MOTORS CORP.
Fig 4: BCM Inputs and Outputs 3 of 4
GM1875094Courtesy of GENERAL MOTORS CORP.
Fig 5: BCM Inputs and Outputs 4 of 4
GM1875097Courtesy of GENERAL MOTORS CORP.
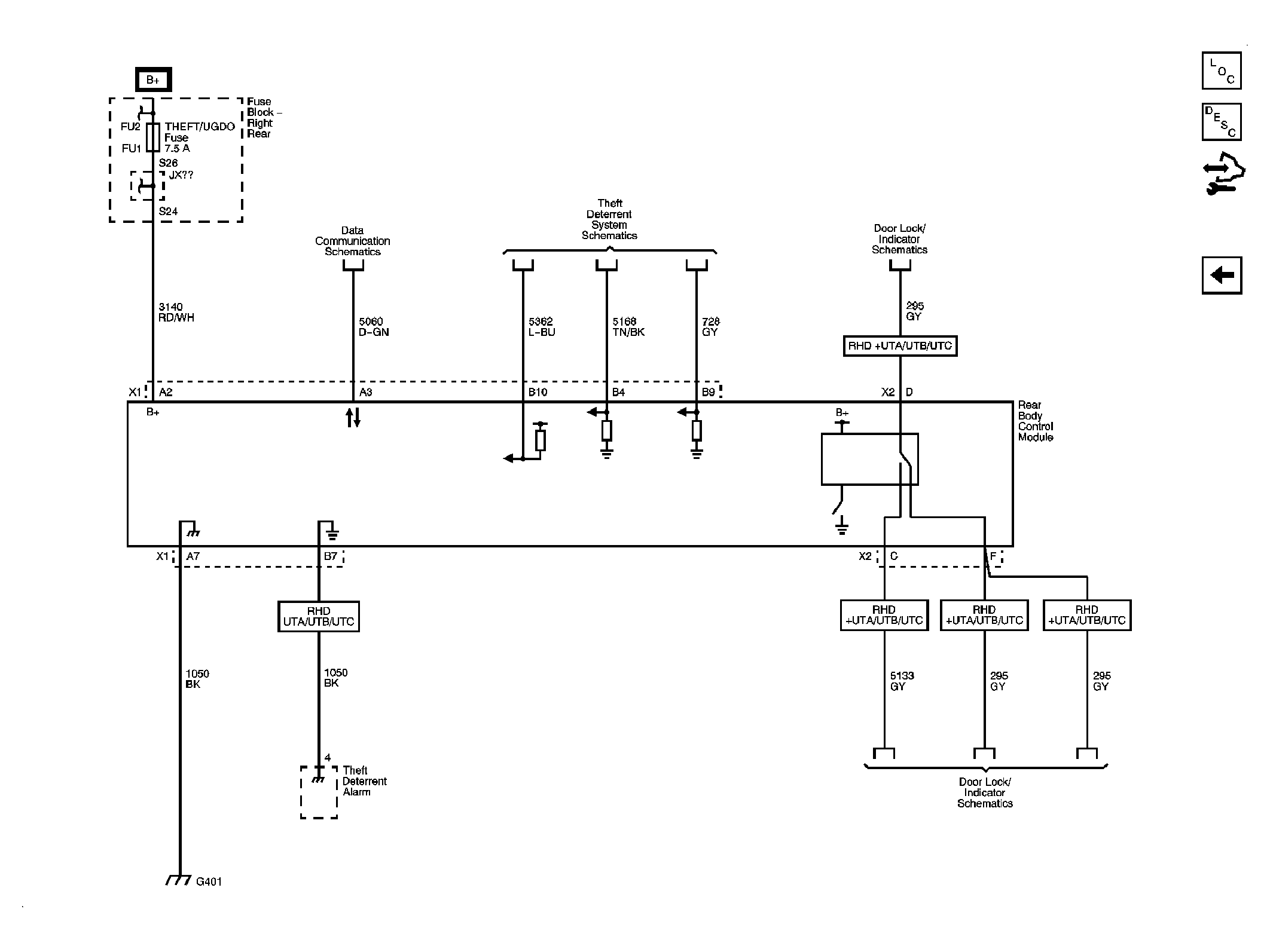
Fig 6: Rear Body Control Module References Export +UTA/UTB/UTC
GM1875101Courtesy of GENERAL MOTORS CORP.