LEMON Manuals: Even more car manuals for everyone: 1960-2025
Home >> Cadillac >> 2009 >> XLR V >> Repair and Diagnosis >> Engine Performance >> System >> Engine Controls And Fuel - 4.4L - Introduction, Specifications & Repair Instructions >> Repair Instructions >> Fuel Tank Fuel Pump Module Replacement - Right Side >> Installation Procedure
April 5, 2026: LEMON Manuals is launched! Read the announcement.

Installation Procedure

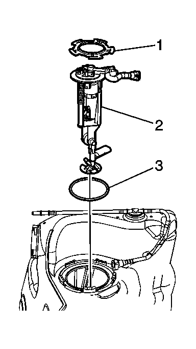
    Fig 1: Identifying Fuel Tank Module Components
    GM1767504Courtesy of GENERAL MOTORS CORP.
  1. Install a NEW fuel tank module O-ring (3) to the fuel tank opening.
  2. IMPORTANT: Pull on each internal fuel line to ensure that the quick-connect fittings are secure.
  3. Pull the internal fuel lines up through the fuel tank module opening and connect the internal fuel line quick-connect fittings to the fuel tank module ports in the location noted during disassembly.
  4. Install the fuel tank module lock ring (1) into position on the fuel tank module.
  5. Install the fuel tank module into the fuel tank, using care not to damage the fuel level sensor arm.
  6. Compress and align the fuel tank module.
  7. Fig 2: Identifying Fuel Pump Module Locking Ring & Special Tool
    GM1767510Courtesy of GENERAL MOTORS CORP.
  8. Using the J39765-A  (1), fully lock the fuel tank module lock ring (2) in place, by rotating the J39765-A  in a clockwise direction. See Special Tools .
  9. Using a digital multi-meter, verify the full and empty readings resistance reading of the fuel tank module. Turn the fuel tank upside down to achieve the full tank reading.

    Resistance: 

    • Empty 250 resistance
    • Full 40Ω resistance

  10. Fig 3: Identifying FTP Sensor, EVAP Purge Line & Fuel Pump Module Harness Connector
    GM904389Courtesy of GENERAL MOTORS CORP.
  11. Install the FTP sensor (2), if previously removed. Refer to Fuel Tank Pressure Sensor Replacement .
  12. Connect the FTP sensor harness connector (1).
  13. Connect the fuel tank module harness connector (5).
  14. Connect the EVAP purge line (4) to the fuel tank module.
  15. Fig 4: View Of Fuel Tank - Right
    GM903572Courtesy of GENERAL MOTORS CORP.
  16. Install the right fuel tank. Refer to Fuel Tank Replacement - Right Side .
  17. Connect the negative battery cable. Refer to Battery Negative Cable Disconnection and Connection .
  18. Perform the following procedure in order to test for leaks:
    1. Turn ON the ignition switch, for 2 seconds.
    2. Turn OFF the ignition, for 10 seconds.
    3. Turn ON the ignition.
    4. Inspect for fuel leaks.

      Specification: 

      • Fuel pump on: 400 kPa (58 psi)
      • Fuel pump off: 359 kPa (52 psi)

  19. Program the transmitters. Refer to Transmitter Programming (N. America and Japan, except Canada) or Transmitter Programming (Canada and Europe) or Transmitter Programming (New RCDLRs ONLY) .