LEMON Manuals: Even more car manuals for everyone: 1960-2025
Home >> Cadillac >> 2010 >> CTS V, Standard >> Repair and Diagnosis >> Accessories & Equipment >> Infotainment >> Cellular System, Entertainment System And Navigation System >> Schematic and Routing Diagrams >> Radio/Navigation System Schematics
April 5, 2026: LEMON Manuals is launched! Read the announcement.

Radio/Navigation System Schematics

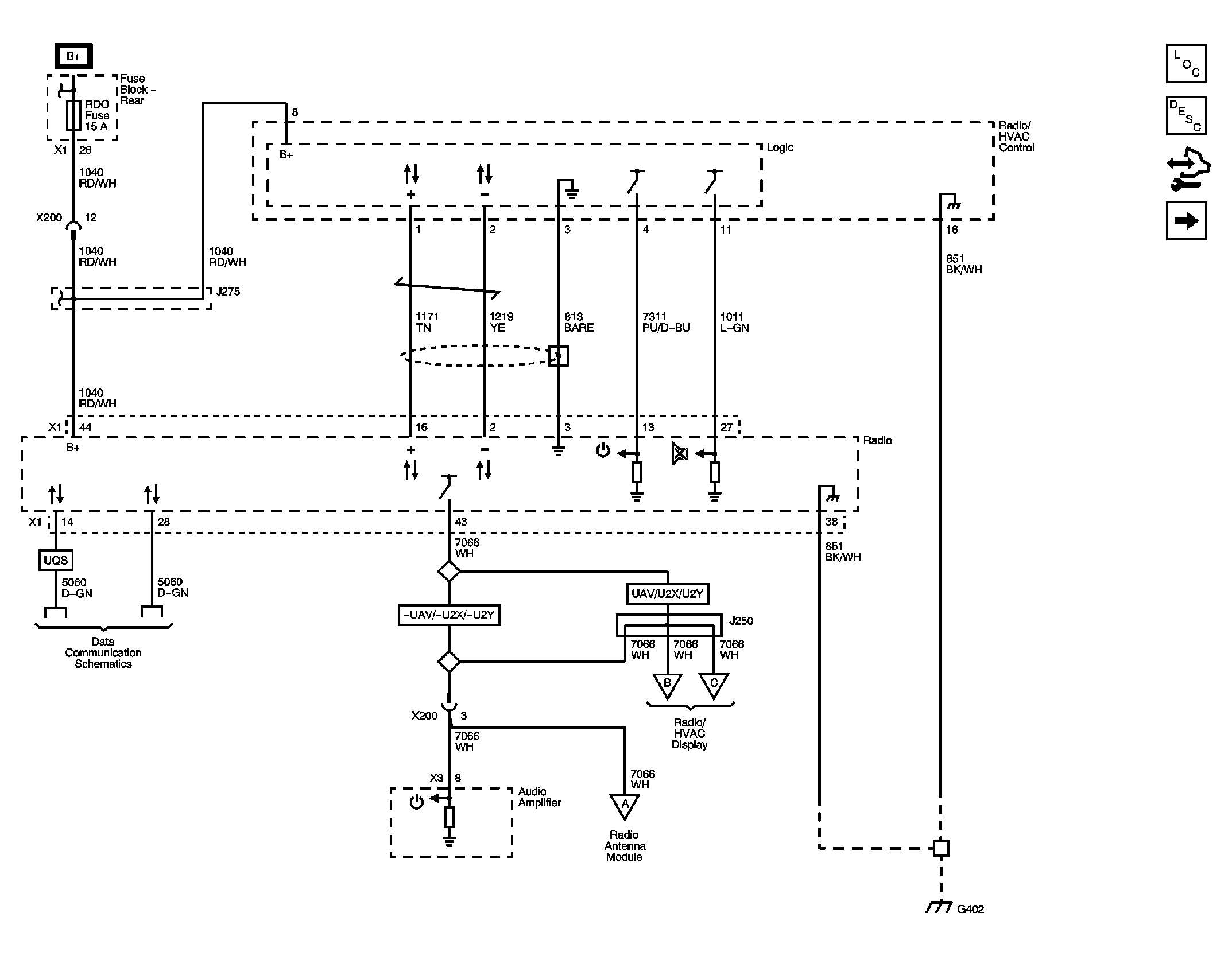
Fig 1: Amplifier, Radio, Radio/HVAC Control, Power, Ground, and Communication
GM2219426Courtesy of GENERAL MOTORS CORP.
Fig 2: Amplifier Inputs (UQA or UQS)
GM2219427Courtesy of GENERAL MOTORS CORP.
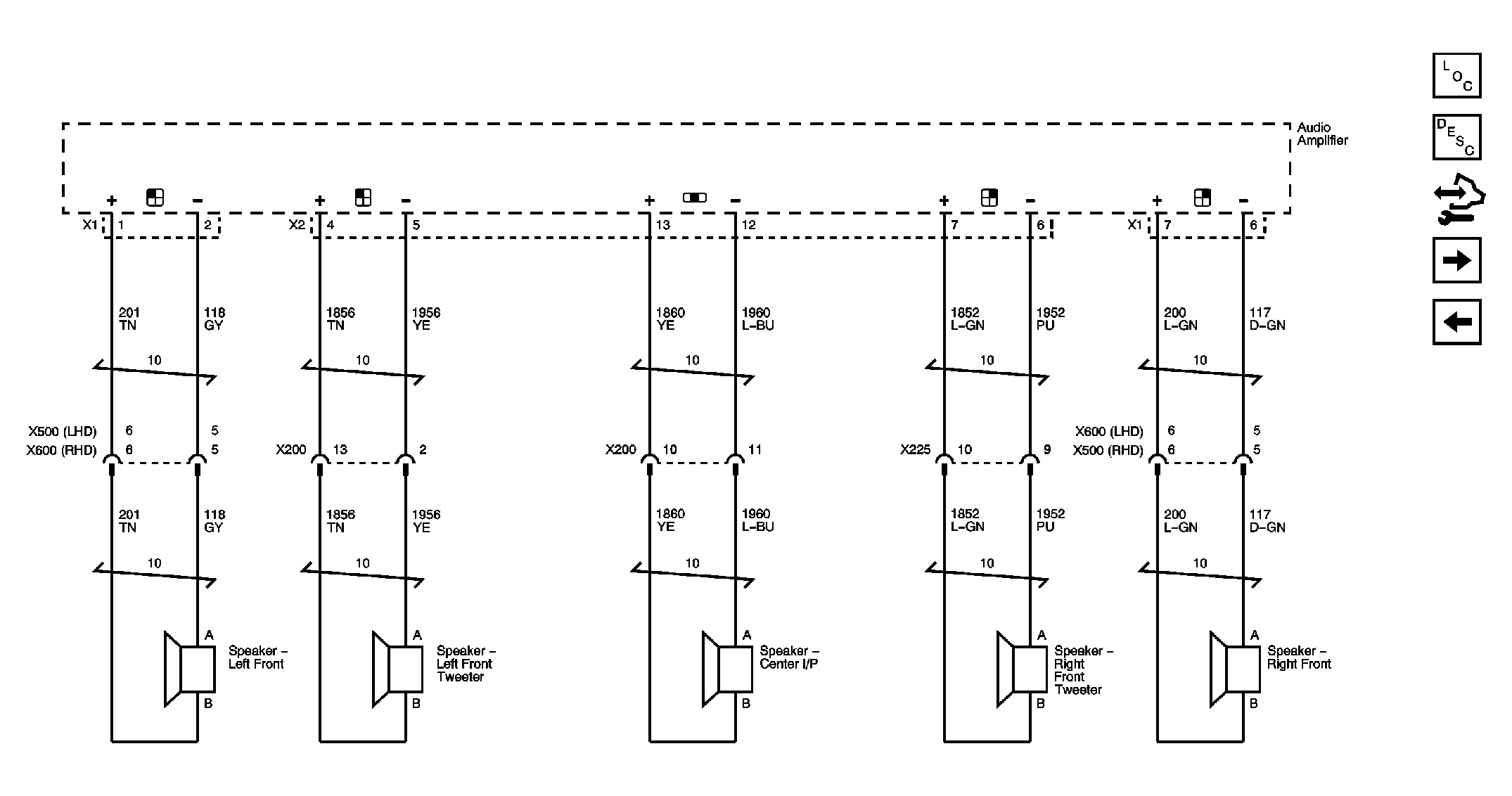
Fig 3: Front Speakers (Sedan with UQA)
GM2219428Courtesy of GENERAL MOTORS CORP.
Fig 4: Front Speakers (Wagon with UQA)
GM2219429Courtesy of GENERAL MOTORS CORP.
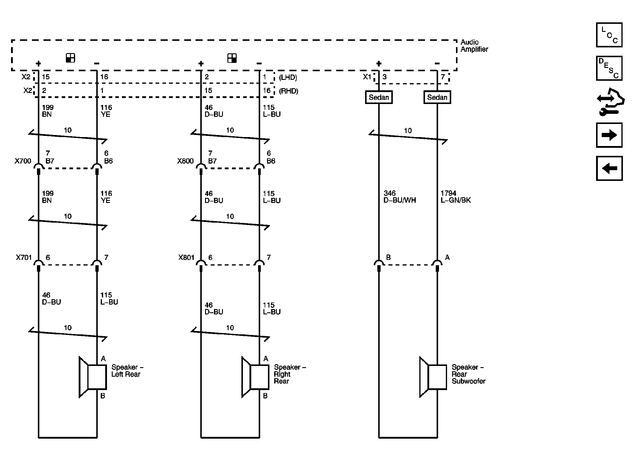
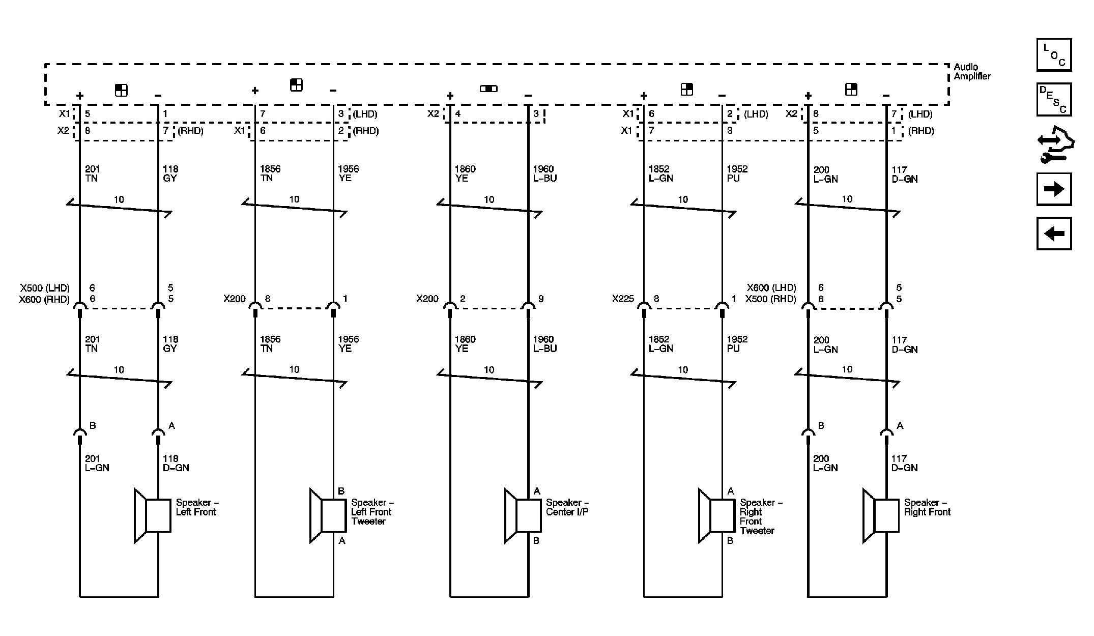
Fig 5: Rear Speakers (UQA)
GM2219430Courtesy of GENERAL MOTORS CORP.
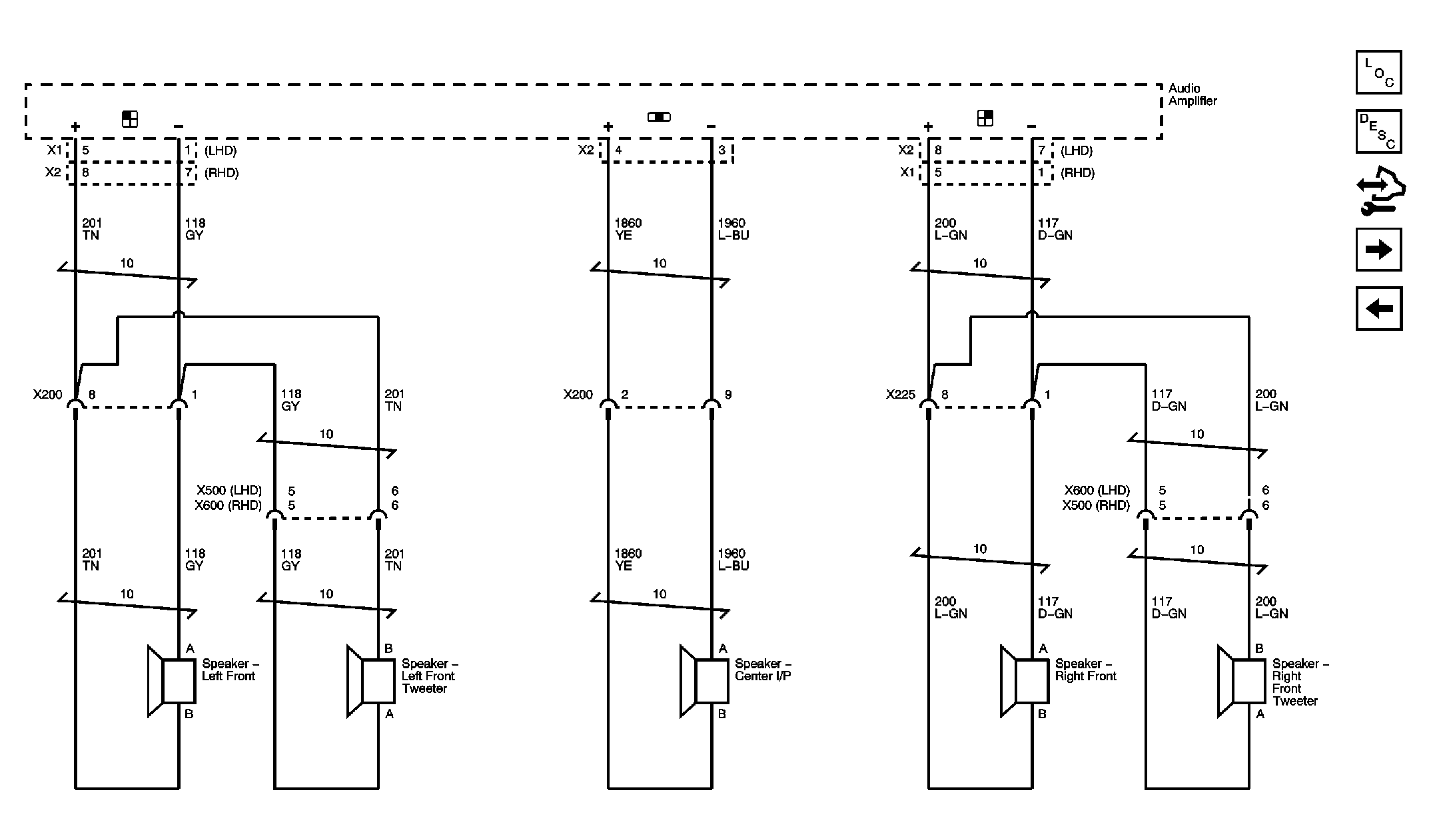
Fig 6: Front Speakers (UQS)
GM2219431Courtesy of GENERAL MOTORS CORP.
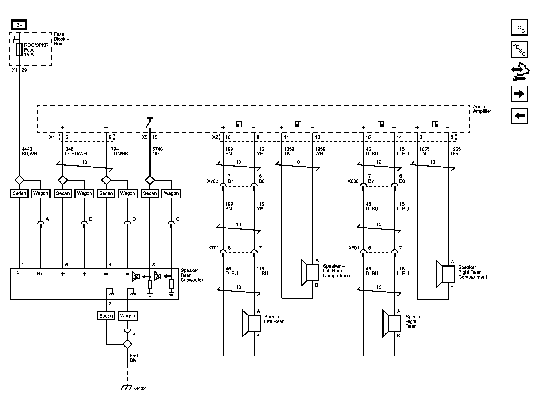
Fig 7: Rear Speakers (UQS)
GM2219432Courtesy of GENERAL MOTORS CORP.
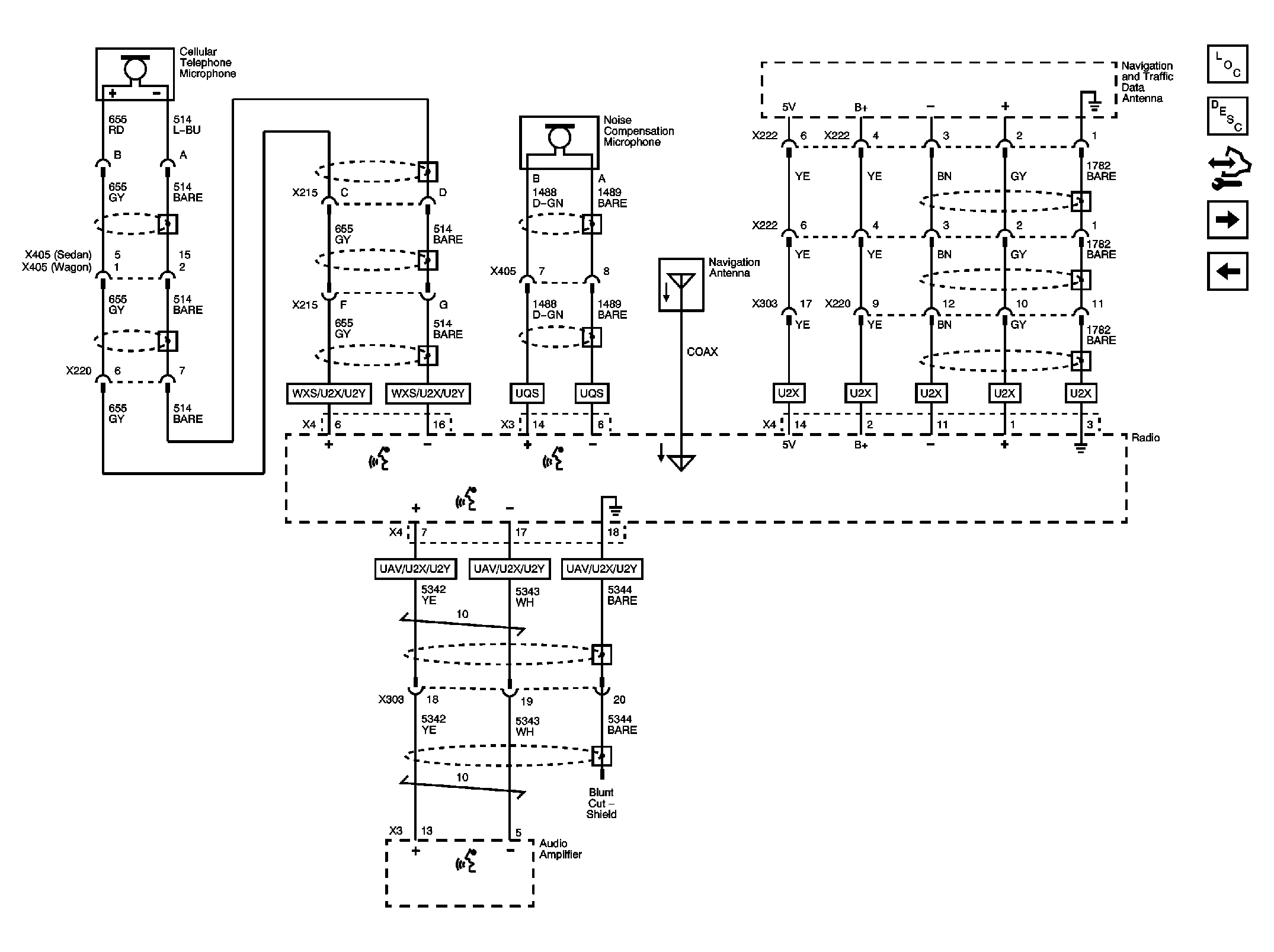
Fig 8: Cellular Telephone Microphone (WXS or U2X or U2Y) and Traffic Receiver (U2X)
GM2219433Courtesy of GENERAL MOTORS CORP.
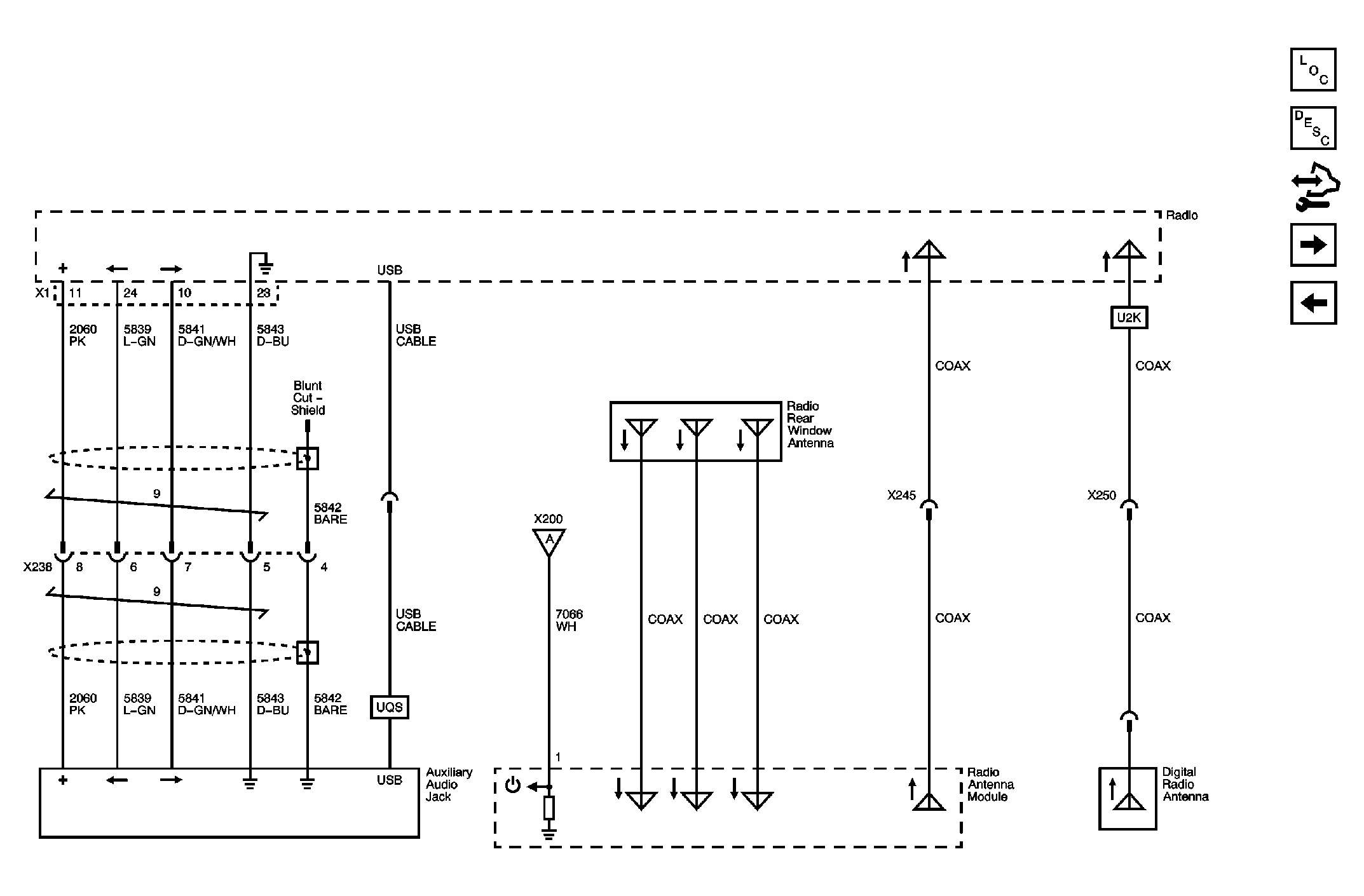
Fig 9: Auxiliary Audio Jack and Antenna Signals
GM2219435Courtesy of GENERAL MOTORS CORP.
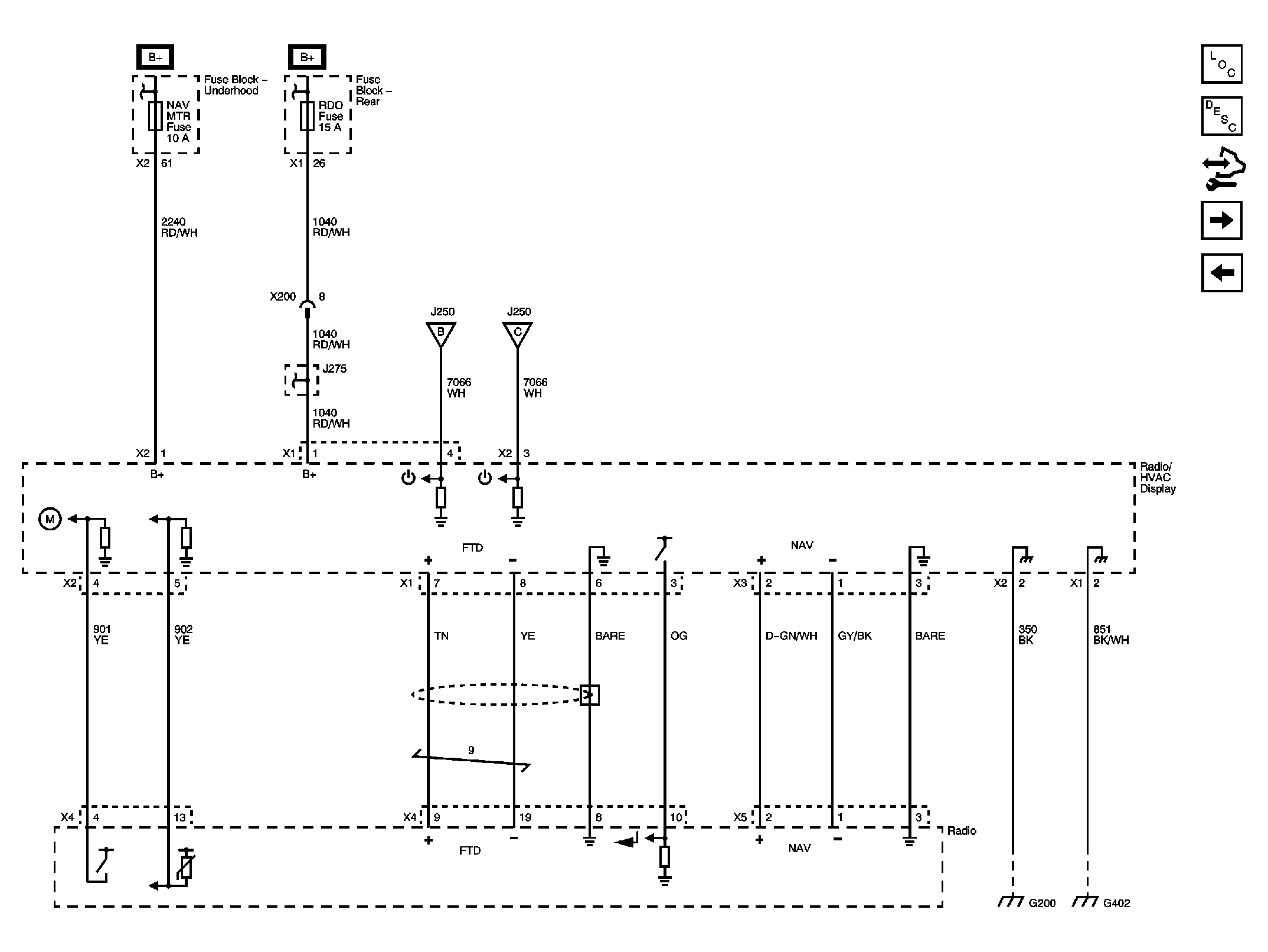
Fig 10: Radio/HVAC Display (with UAV or U2X or U2Y)
GM2219436Courtesy of GENERAL MOTORS CORP.
Fig 11: Television Tuner (U2X or U2Y)
GM2219437Courtesy of GENERAL MOTORS CORP.
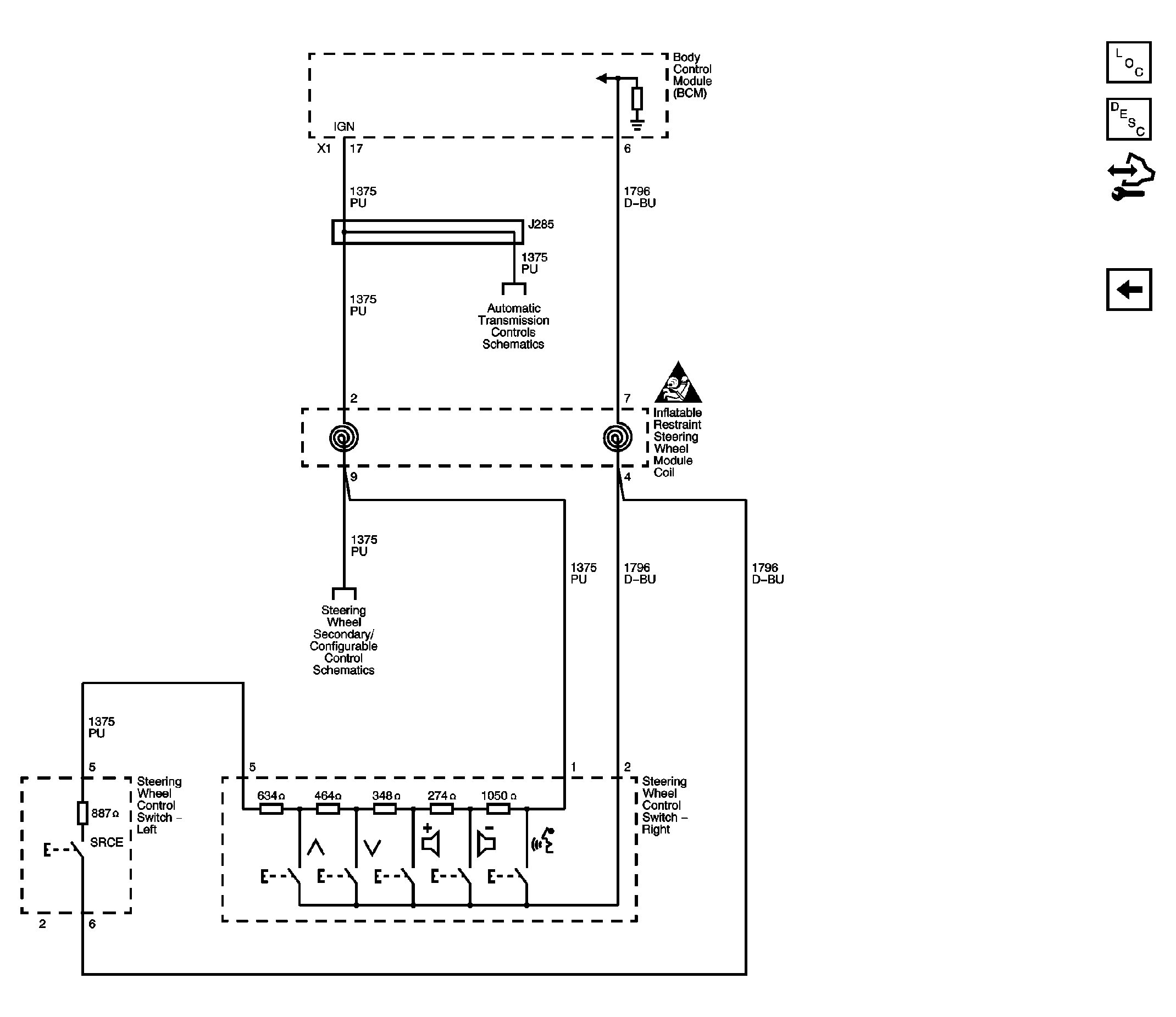
Fig 12: Secondary Controls
GM2219438Courtesy of GENERAL MOTORS CORP.