LEMON Manuals: Even more car manuals for everyone: 1960-2025
Home >> Cadillac >> 2010 >> CTS V, Standard >> Repair and Diagnosis >> Accessories & Equipment >> Memory Modules >> Secondary And Configurable Customer Control System >> Schematic and Routing Diagrams >> Steering Wheel Secondary/Configurable Control Schematics
April 5, 2026: LEMON Manuals is launched! Read the announcement.

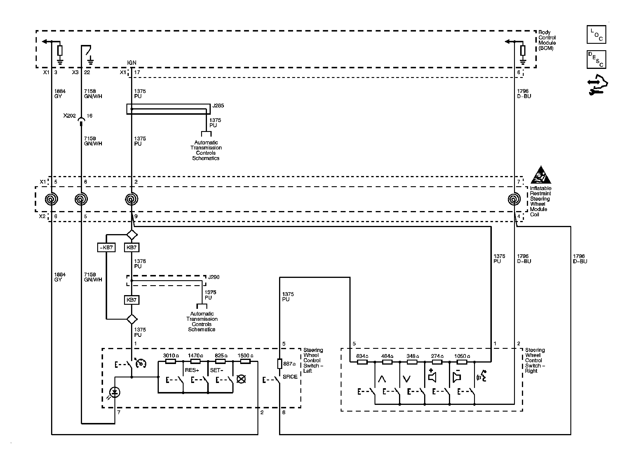
Steering Wheel Secondary/Configurable Control Schematics

Fig 1: Steering Wheel Secondary/Configurable Control
GM2219447Courtesy of GENERAL MOTORS CORP.