LEMON Manuals: Even more car manuals for everyone: 1960-2025
Home >> Cadillac >> 2010 >> CTS V, Standard >> Repair and Diagnosis >> Engine Performance >> Engine Control Systems >> Engine Controls And Fuel - 6.2L - Repair Instructions >> Repair Instructions >> Knock Sensor 1 Replacement >> Installation Procedure
April 5, 2026: LEMON Manuals is launched! Read the announcement.

Installation Procedure

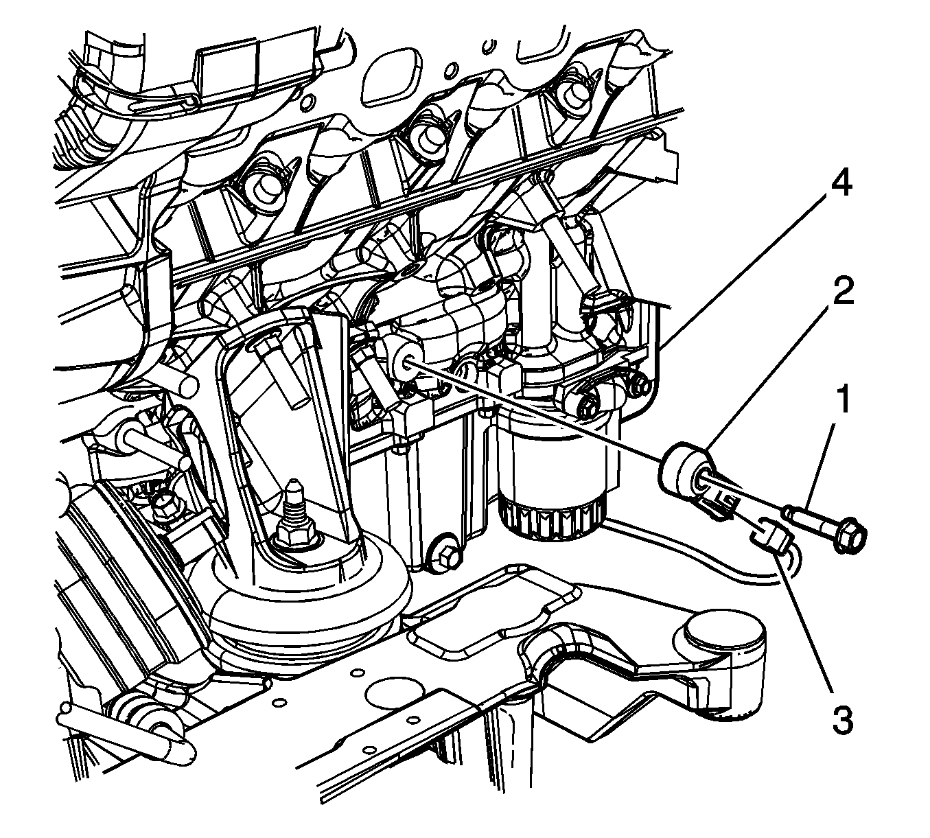
    Fig 1: Knock Sensor, Engine Harness & Engine Block - Left Side
    GM1480894Courtesy of GENERAL MOTORS CORP.
  1. Reconnect the engine harness (3) and the knock sensor (2) electrical connectors.
  2. Position the knock sensor 2 on the engine block (4).
  3. Install the mounting bolt (1) for the knock sensor 2.
  4. CAUTION: Refer to Fastener Caution .
  5. Tighten the knock sensor mounting bolt (1) and tighten to 20 N.m (15 lb ft).
  6. Install the left exhaust manifold. Refer to Exhaust Manifold Replacement - Left Side (LSA) .
  7. Install the left catalytic convertor. Refer to Catalytic Converter Replacement - Left Side (LSA) .
  8. Connect the negative battery cable. Refer to Battery Negative Cable Disconnection and Connection (Sedan,Wagon) .