LEMON Manuals: Even more car manuals for everyone: 1960-2025
Home >> Cadillac >> 2010 >> DTS 4.6 9 >> Repair and Diagnosis >> External Pages >> Different car >> Section 34 (Object Detection System - Park Assist System) >> Wiring Schematics >> Object Detection Wiring Schematics >> Front Park Assist (UFR)
April 5, 2026: LEMON Manuals is launched! Read the announcement.

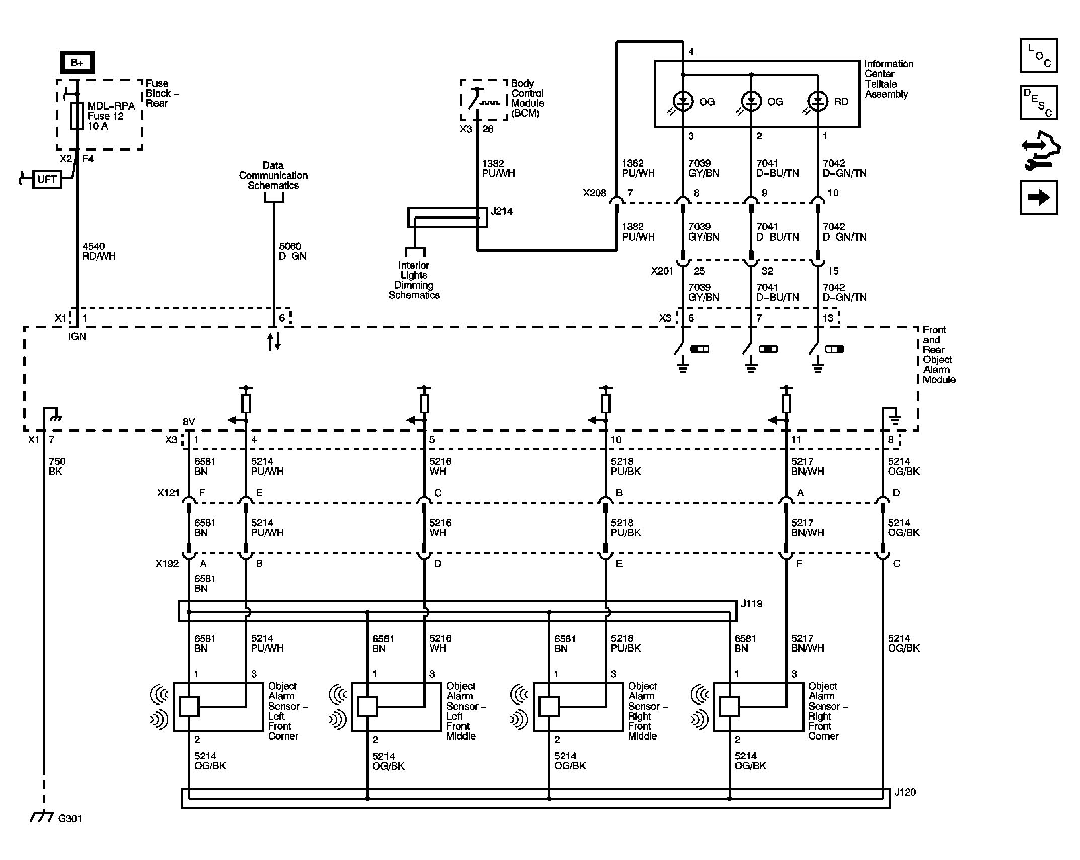
Front Park Assist (UFR)

WARNING: This page is about a different car, the 2011 Cadillac DTS. However, it is still accessible from the selected car via links, so may be relevant.
Fig 1: Front Park Assist (UFR) Wiring Schematic
GM2398892Courtesy of GENERAL MOTORS COMPANY