LEMON Manuals: Even more car manuals for everyone: 1960-2025
Home >> Cadillac >> 2010 >> Escalade EXT >> Repair and Diagnosis (Single Page) >> Accessories & Equipment >> Drivers Assistance Systems - ADAS >> Object Detection System >> Schematic and Routing Diagrams >> Object Detection Schematics
April 5, 2026: LEMON Manuals is launched! Read the announcement.

Object Detection Schematics

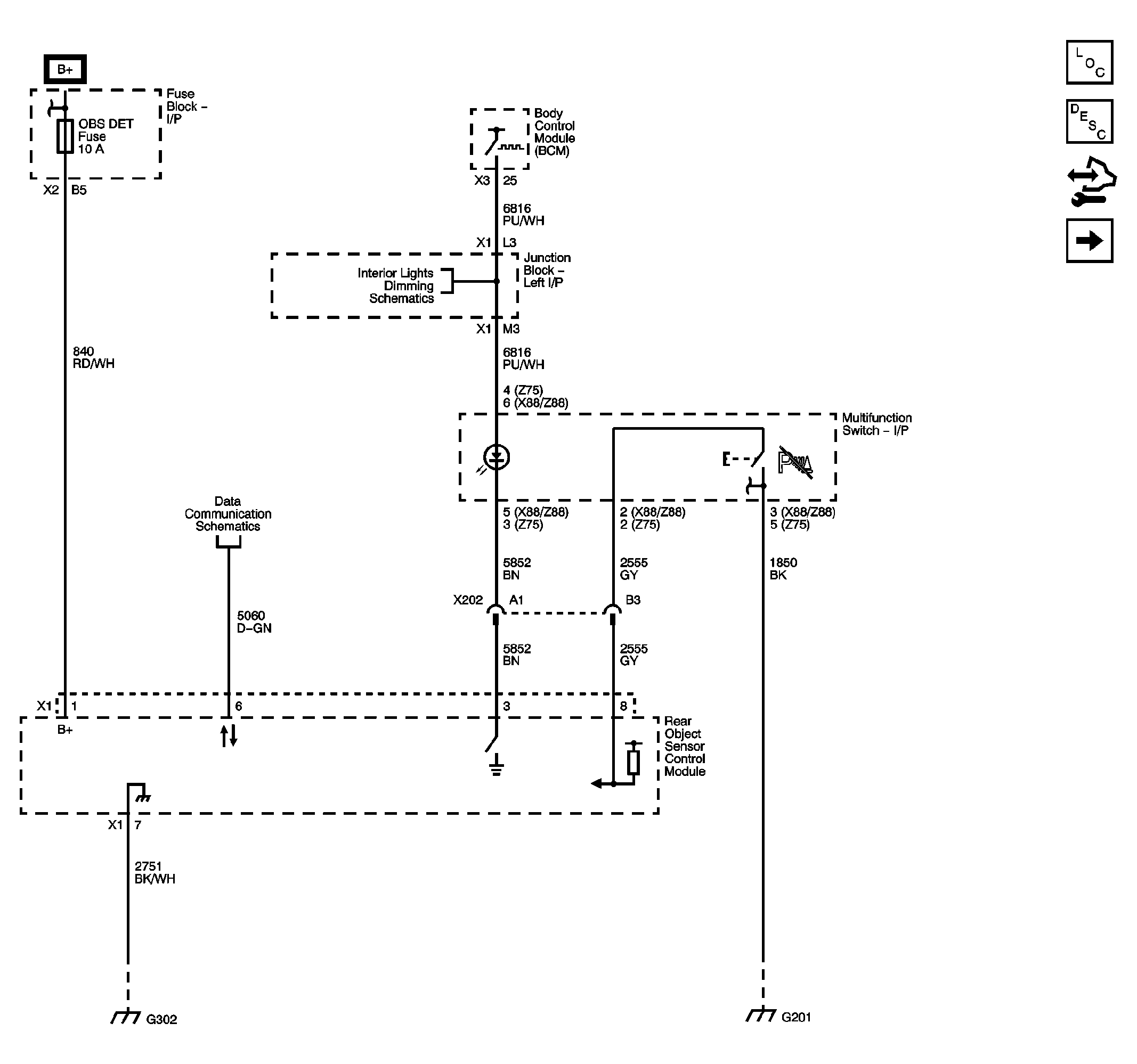
Fig 1: Rear Object Sensing (UD7)
GM2241626Courtesy of GENERAL MOTORS CORP.
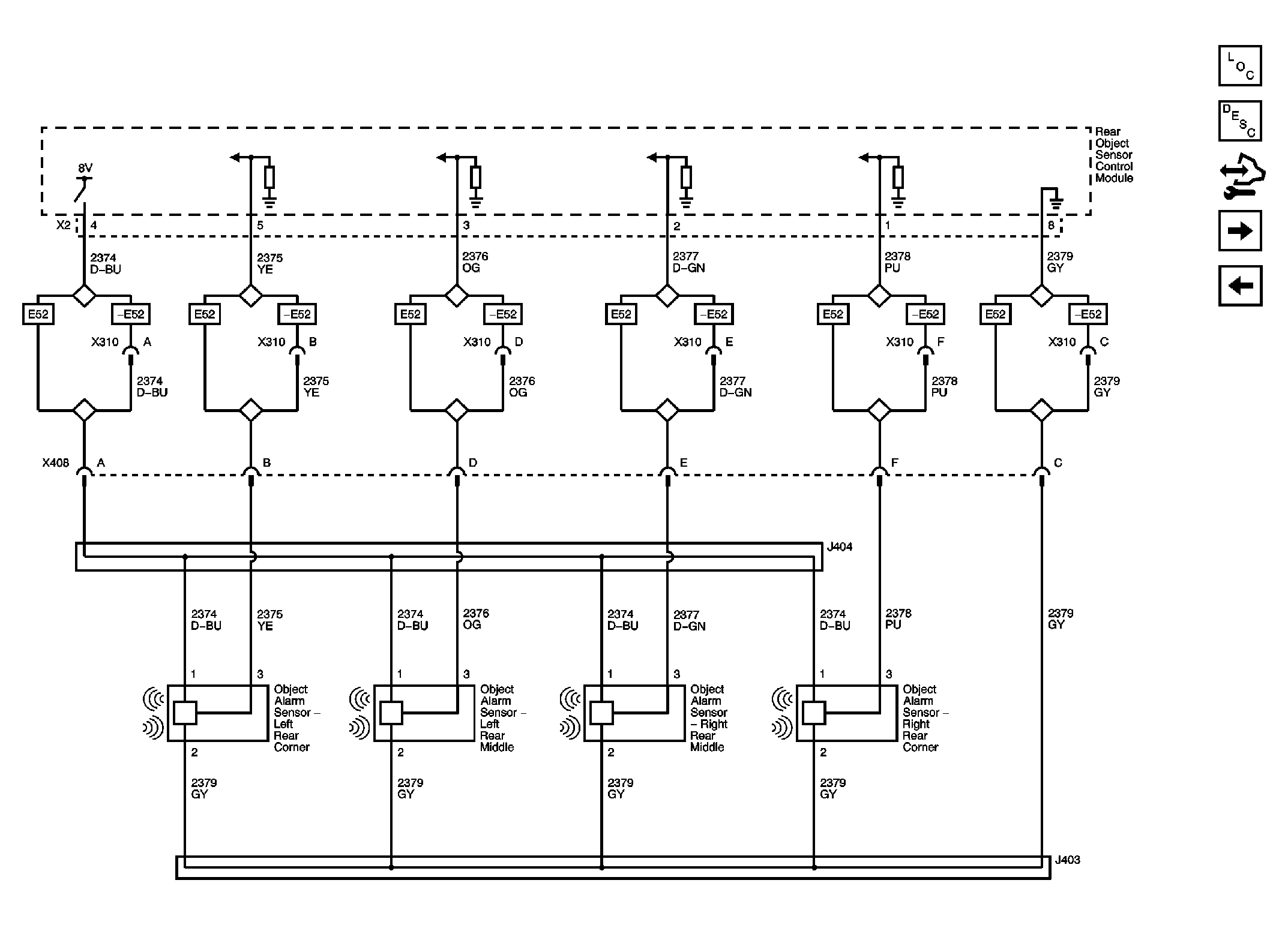
Fig 2: Rear Object Sensors (UD7)
GM2241628Courtesy of GENERAL MOTORS CORP.
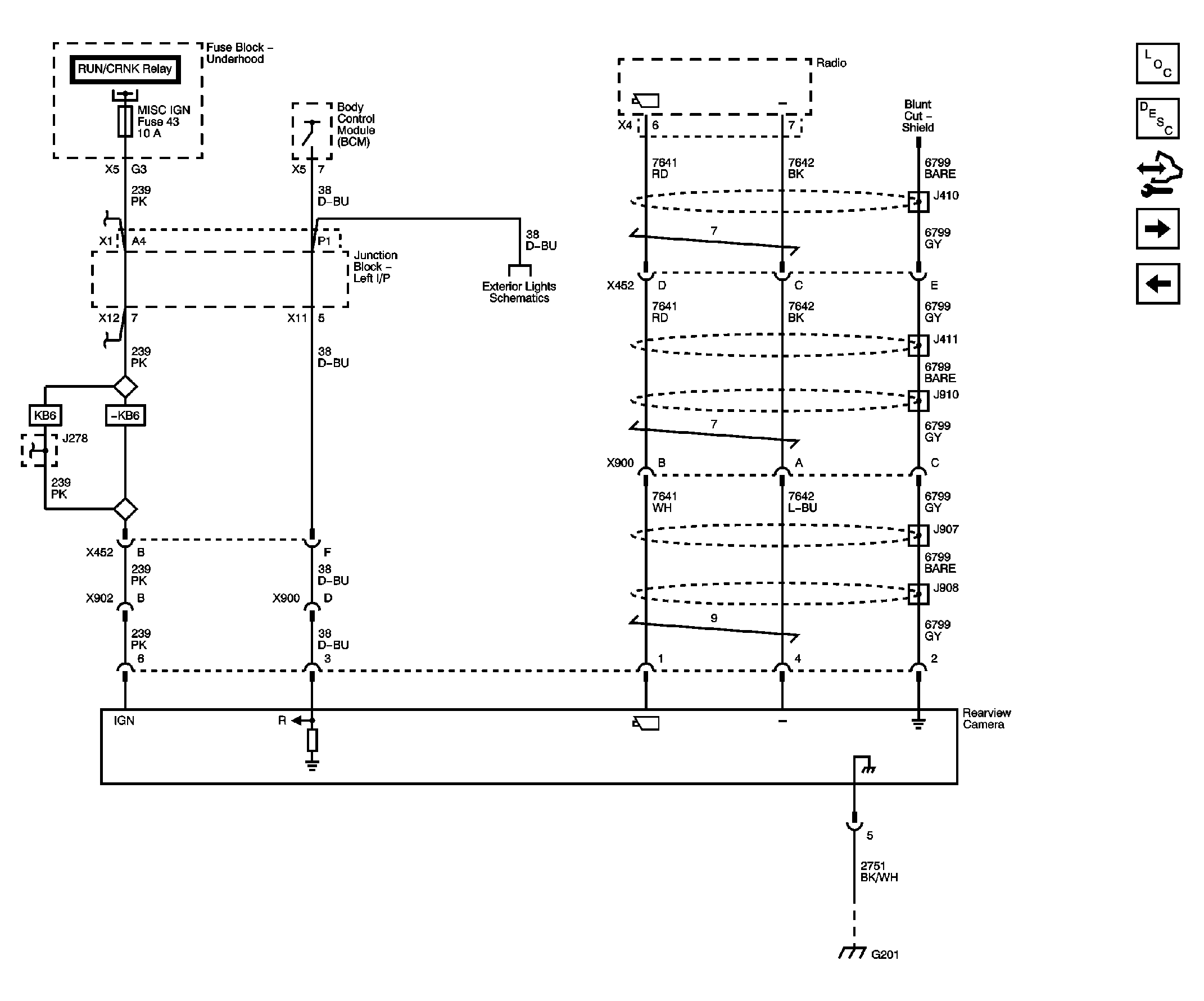
Fig 3: Rear Video Camera - 1 of 2 (UVC)
GM2241631Courtesy of GENERAL MOTORS CORP.
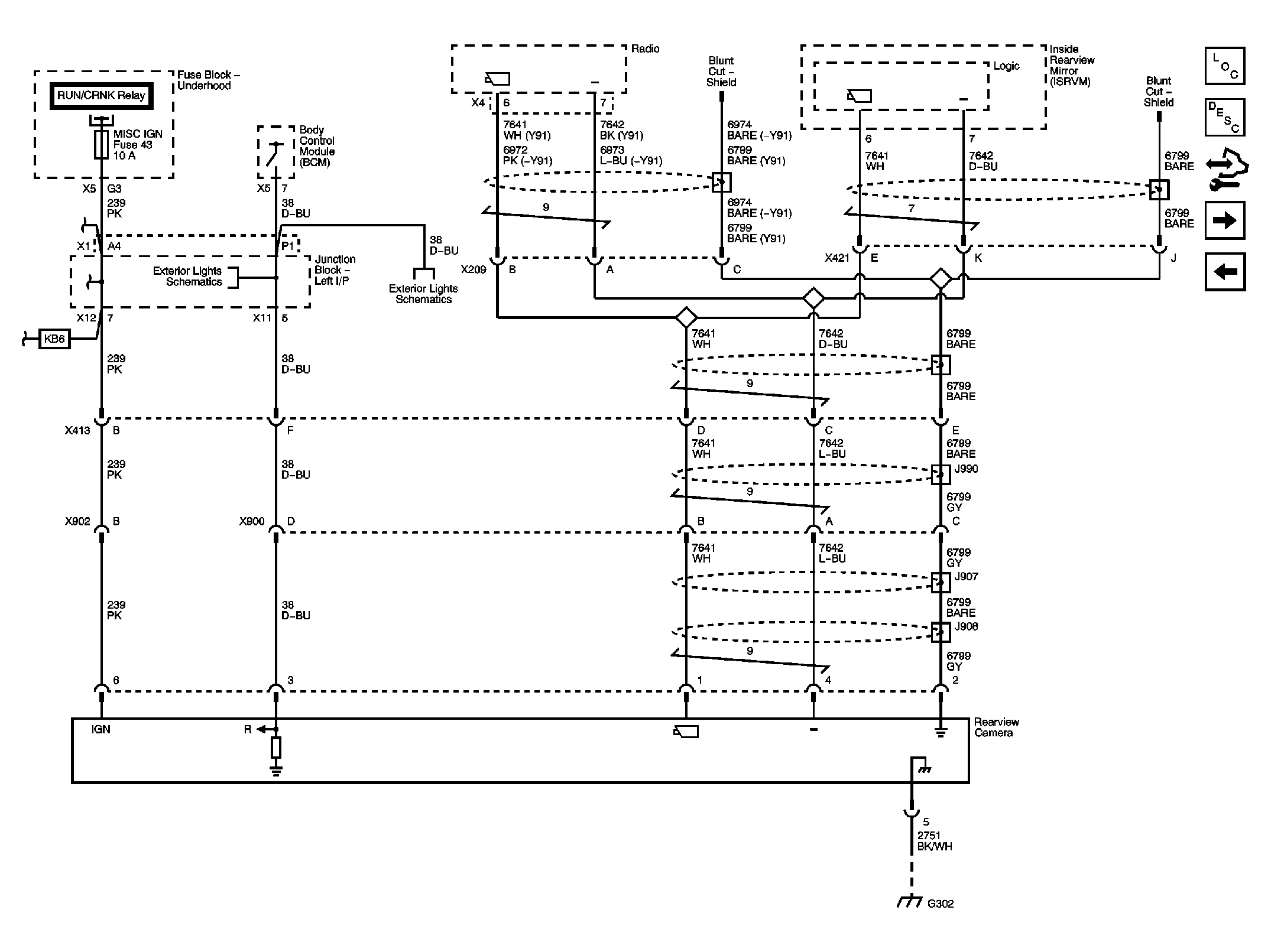
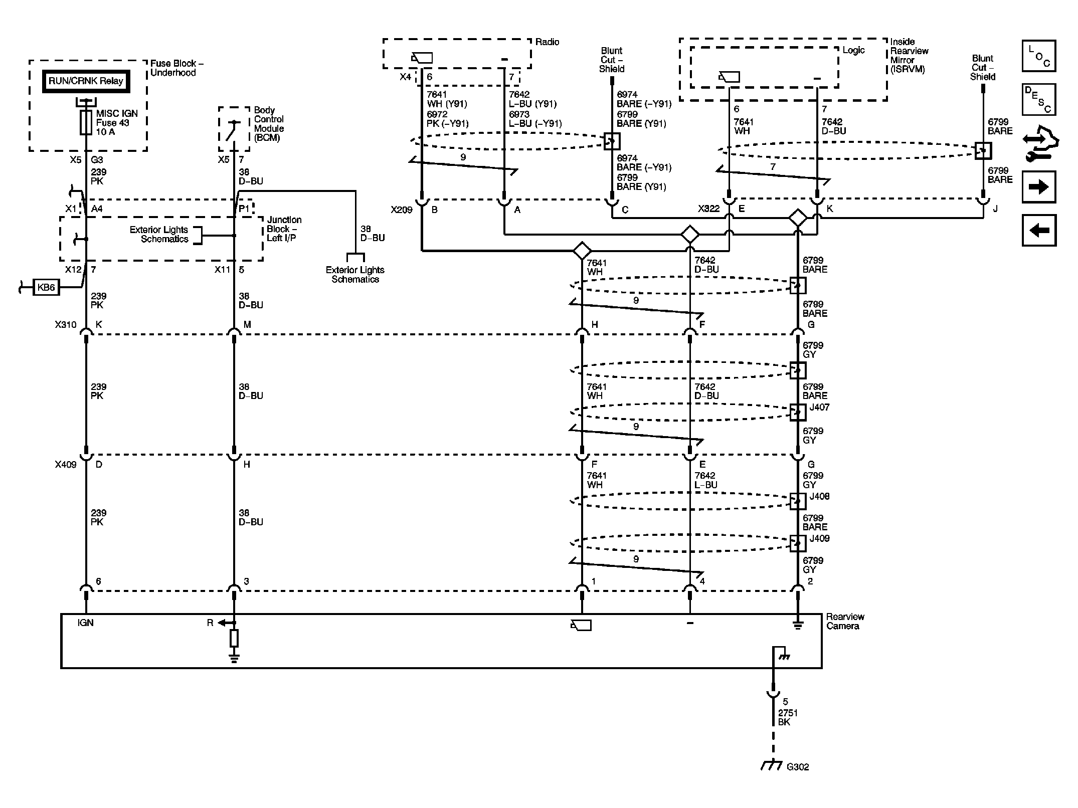
Fig 4: Rear Video Camera - 2 of 2 (UVC)
GM2241632Courtesy of GENERAL MOTORS CORP.
Fig 5: SPO Accessory Rear Vision Camera
GM2241633Courtesy of GENERAL MOTORS CORP.
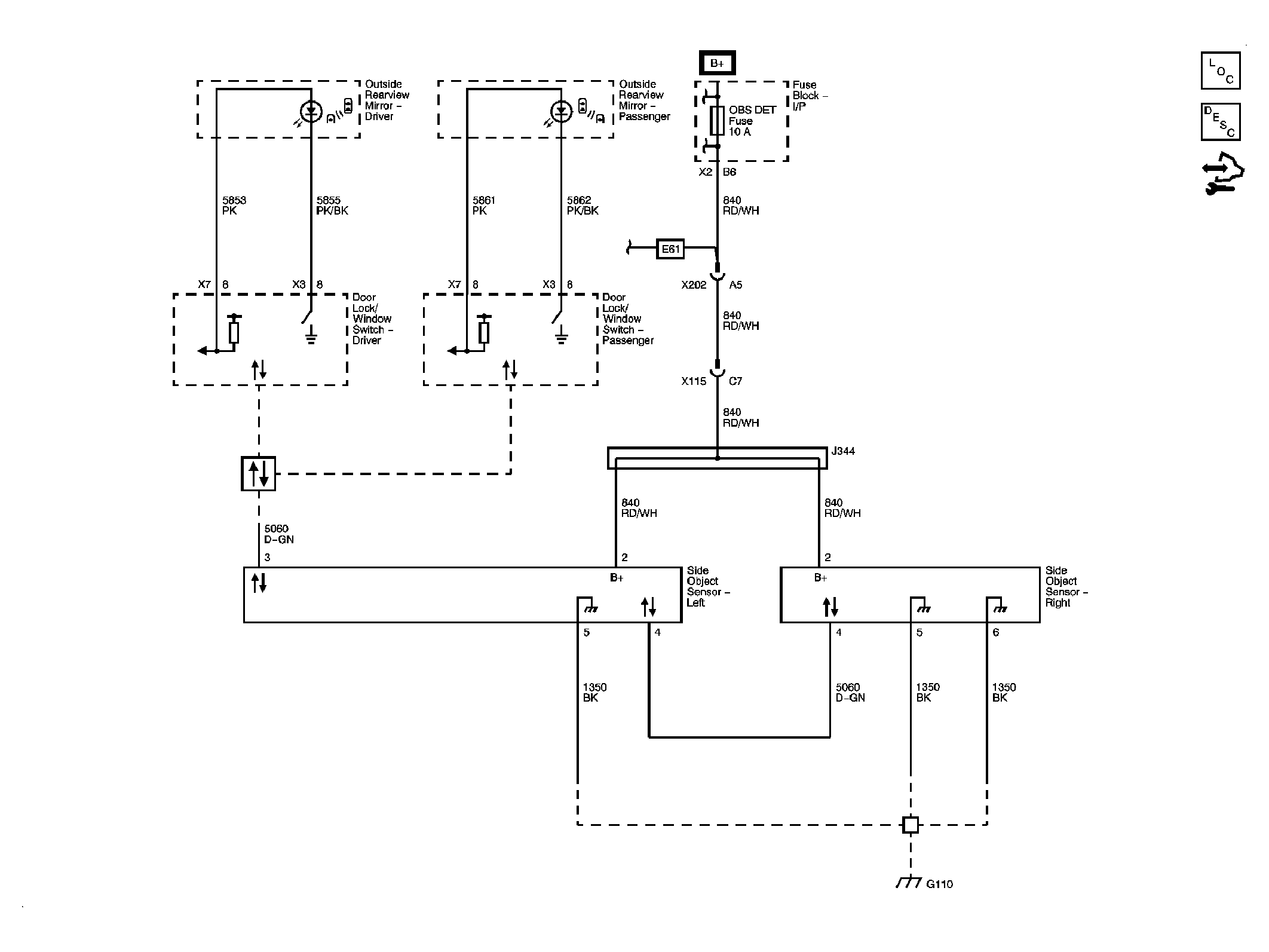
Fig 6: Side Object Detection (UFT)
GM2241635Courtesy of GENERAL MOTORS CORP.