LEMON Manuals: Even more car manuals for everyone: 1960-2025
Home >> Cadillac >> 2010 >> Escalade EXT >> Repair and Diagnosis (Single Page) >> Engine Performance >> Engine Control Systems >> Engine Control System & Fuel System - 5.3L, 6.0L, 6.2L - Repair Instructions >> Repair Instructions >> Crankshaft Position Sensor Replacement >> Installation Procedure
April 5, 2026: LEMON Manuals is launched! Read the announcement.

Installation Procedure

    Fig 1: CKP Sensor & Bolt
    GM1239292Courtesy of GENERAL MOTORS CORP.
  1. Install the CKP sensor.
  2. CAUTION: Refer to Fastener Caution .
  3. Install the CKP sensor bolt.

    Tighten:  Tighten the bolt to 25 N.m (18 lb ft).

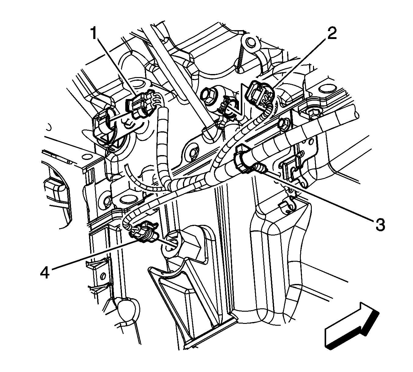
  4. Fig 2: View Of Engine Wiring Harness Electrical Connector & Components
    GM1698087Courtesy of GENERAL MOTORS CORP.
  5. Connect the engine wiring harness electrical connector (1) to the CKP sensor.
  6. Install the starter. Refer to Starter Replacement .
  7. Perform the CKP system variation learn procedure. Refer to Crankshaft Position System Variation Learn .