LEMON Manuals: Even more car manuals for everyone: 1960-2025
Home >> Cadillac >> 2010 >> Escalade EXT >> Repair and Diagnosis (Single Page) >> Engine Performance >> System >> Data Communication System >> Schematic and Routing Diagrams >> Data Communication Schematics
April 5, 2026: LEMON Manuals is launched! Read the announcement.

Data Communication Schematics

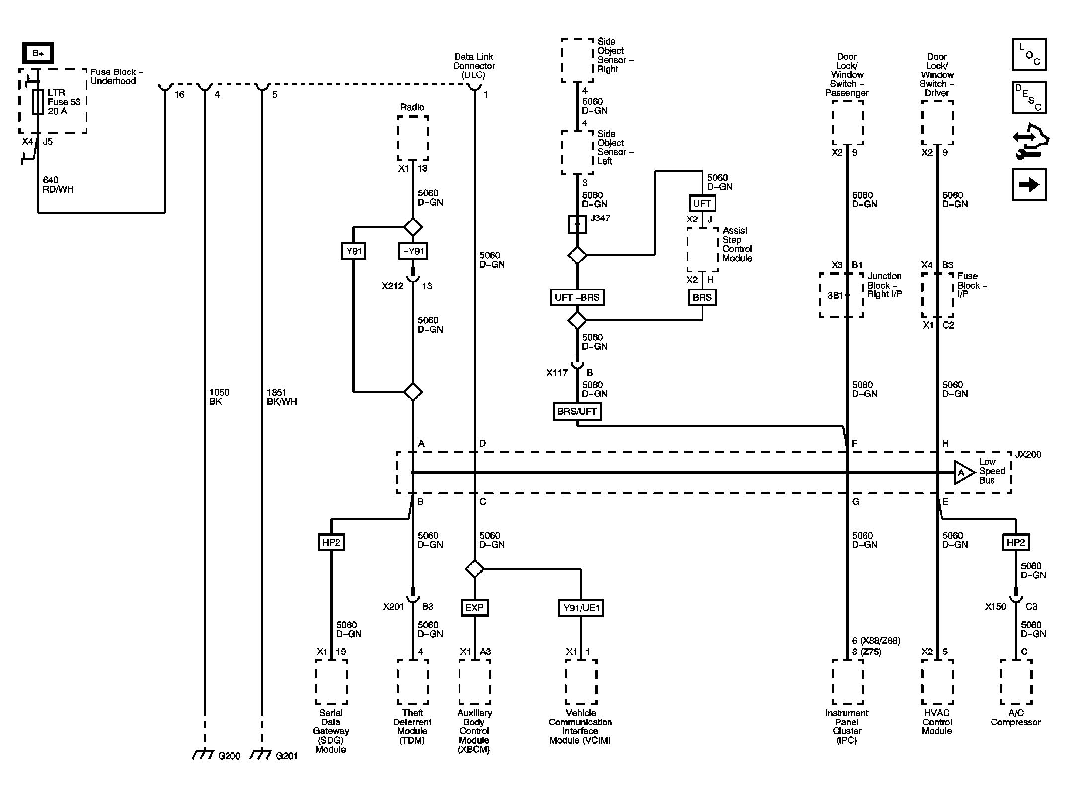
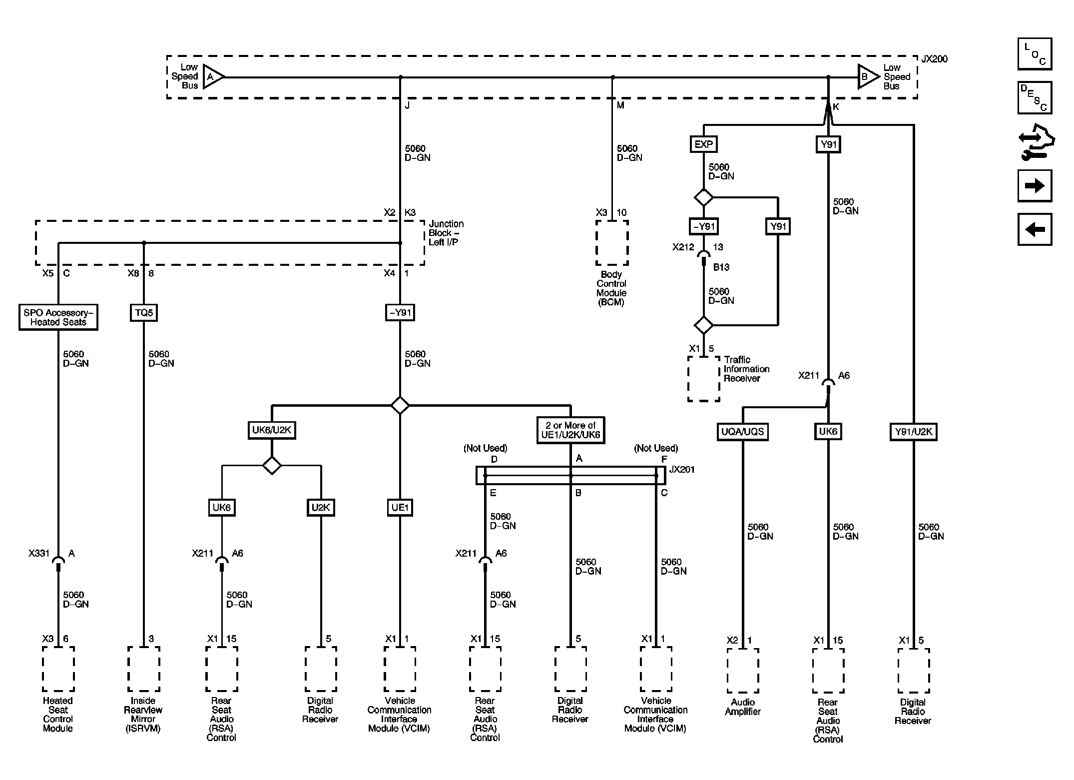
Fig 1: Low Speed Bus - JX200 - 1 of 3
GM2240709Courtesy of GENERAL MOTORS CORP.
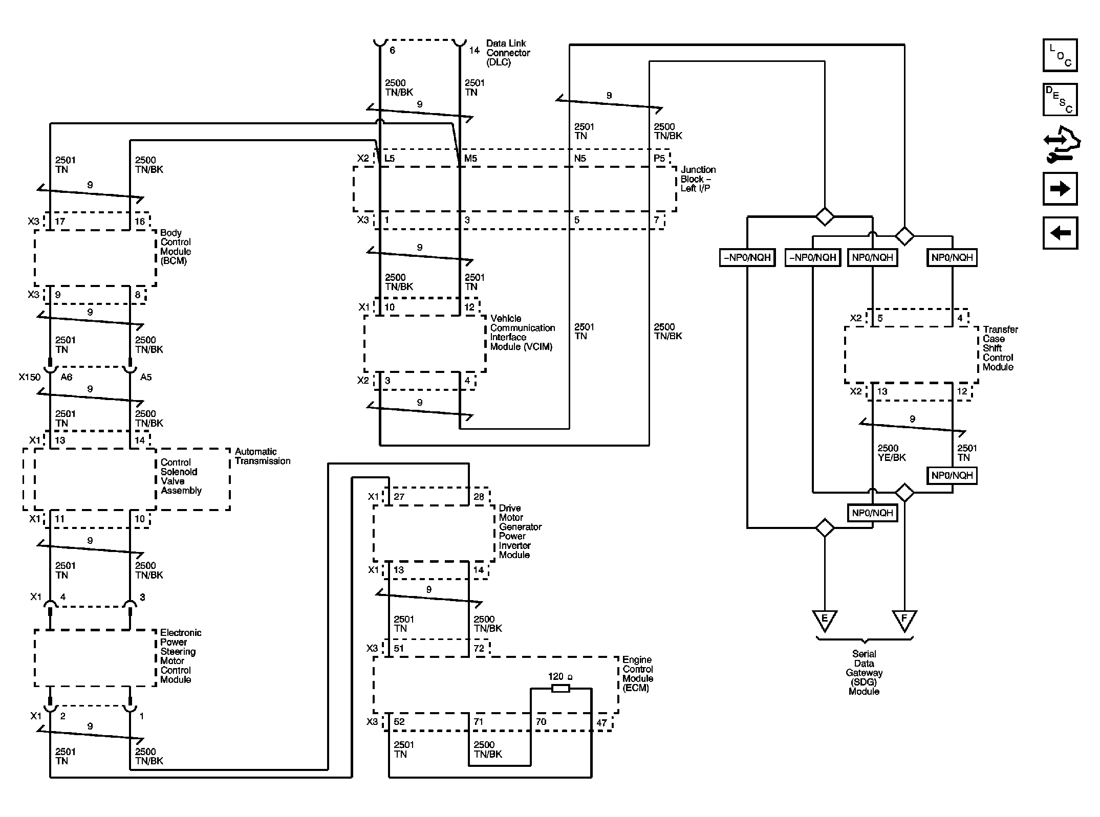
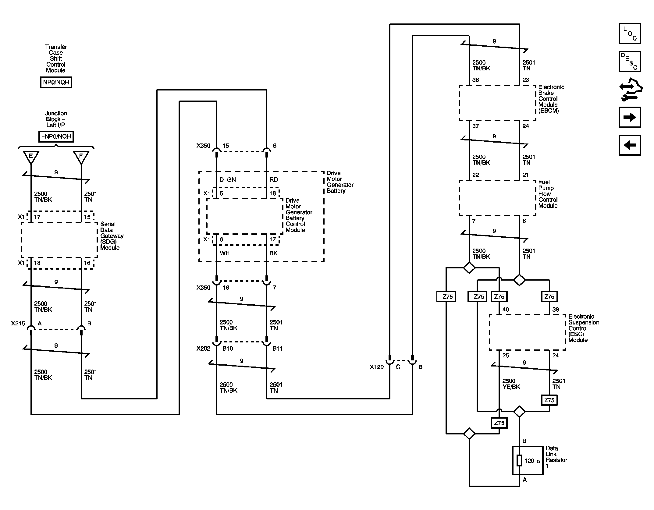
Fig 2: Low Speed Bus - JX200 - 2 of 3
GM2240710Courtesy of GENERAL MOTORS CORP.
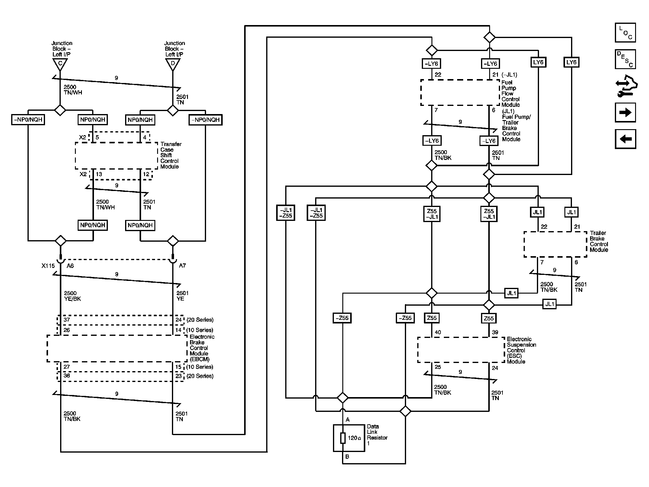
Fig 3: Low Speed Bus - JX200 - 3 of 3 and JX300
GM2240711Courtesy of GENERAL MOTORS CORP.
Fig 4: High Speed Bus - 1 of 2
GM2240713Courtesy of GENERAL MOTORS CORP.
Fig 5: High Speed Bus - 2 of 2
GM2240714Courtesy of GENERAL MOTORS CORP.
Fig 6: Local Interconnect Network Bus
GM2240722Courtesy of GENERAL MOTORS CORP.
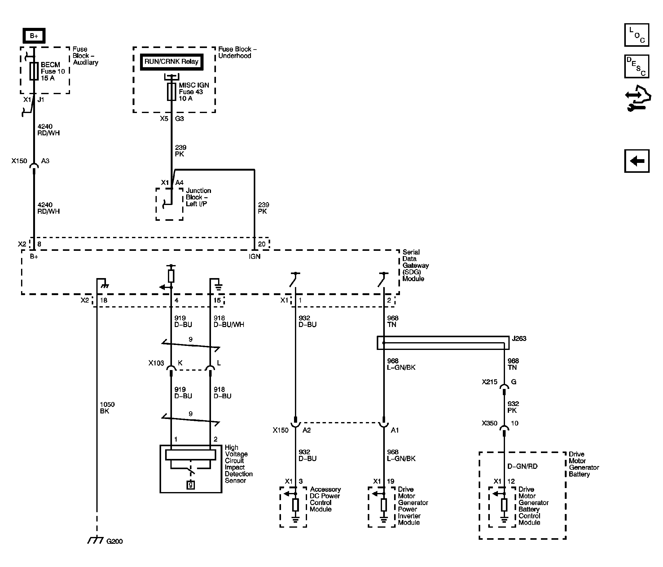
Fig 7: Serial Data Communication Enable and Wake-up Circuits
GM2240715Courtesy of GENERAL MOTORS CORP.
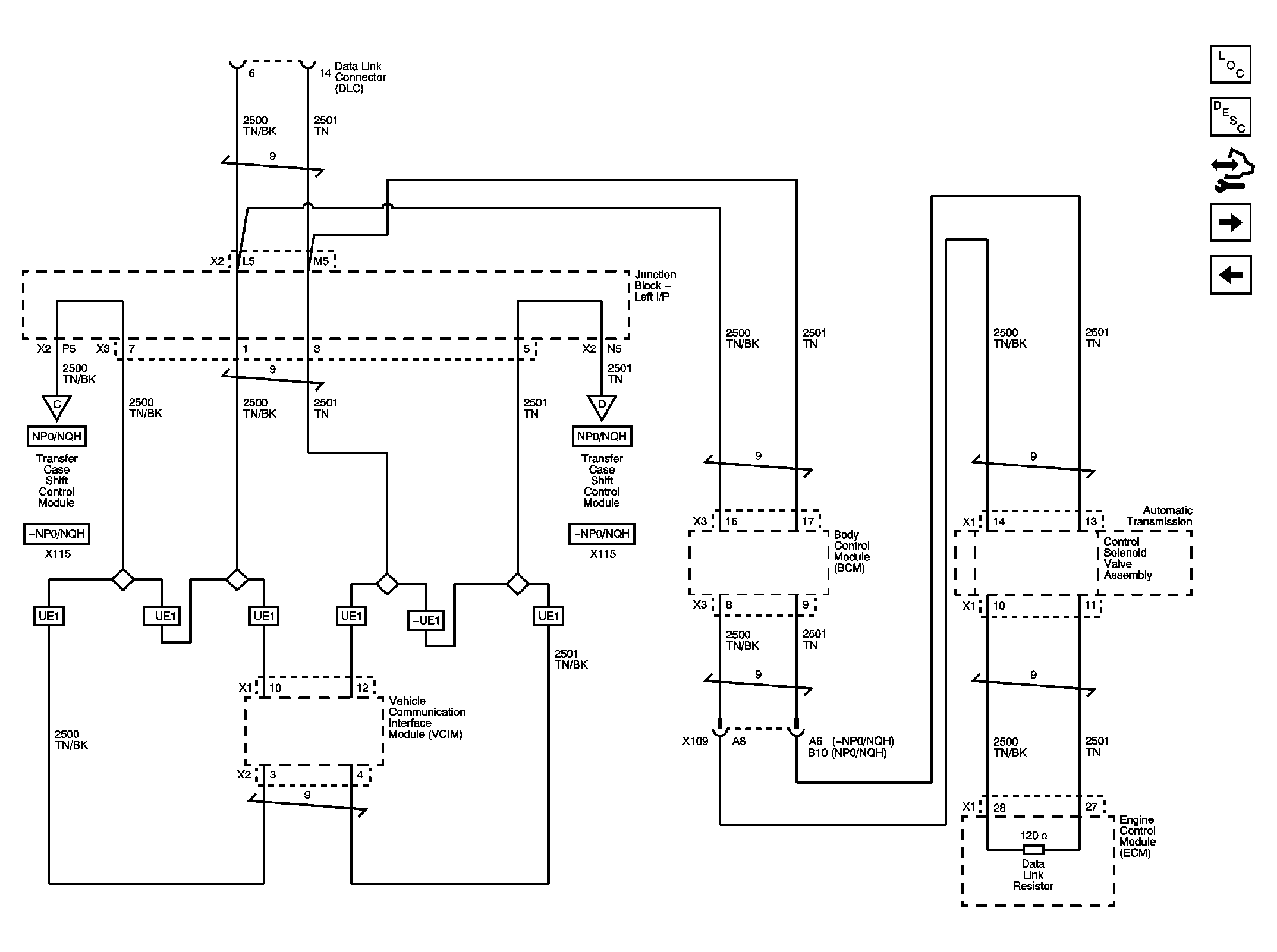
Fig 8: High Speed Bus - 1 of 2 (HP2)
GM2240716Courtesy of GENERAL MOTORS CORP.
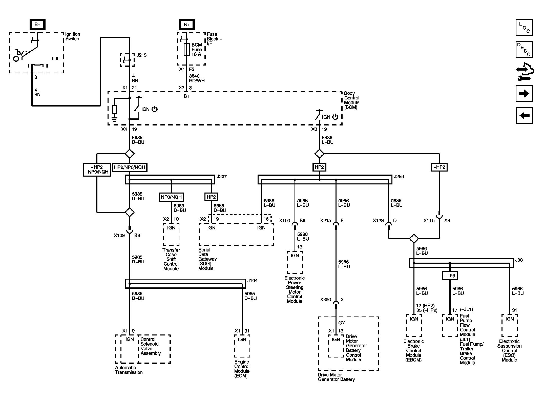
Fig 9: High Speed Bus - 2 of 2 (HP2)
GM2262146Courtesy of GENERAL MOTORS CORP.
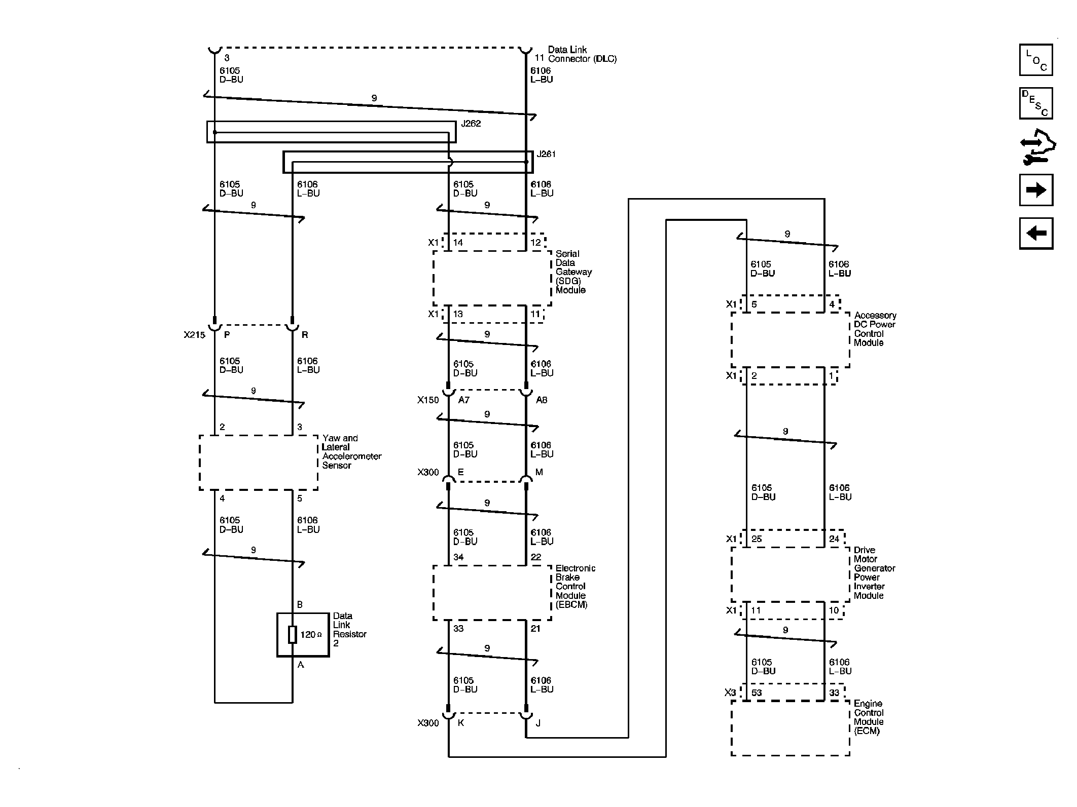
Fig 10: Powertrain Expansion Bus (HP2)
GM2240718Courtesy of GENERAL MOTORS CORP.
Fig 11: Serial Data Gateway (SDG) Module (HP2)
GM2240719Courtesy of GENERAL MOTORS CORP.