LEMON Manuals: Even more car manuals for everyone: 1960-2025
Home >> Cadillac >> 2010 >> Escalade EXT >> Repair and Diagnosis >> Body & Frame >> Fixed And MOVEABLE Windows System >> Schematic and Routing Diagrams >> Moveable Window Schematics
April 5, 2026: LEMON Manuals is launched! Read the announcement.

Moveable Window Schematics

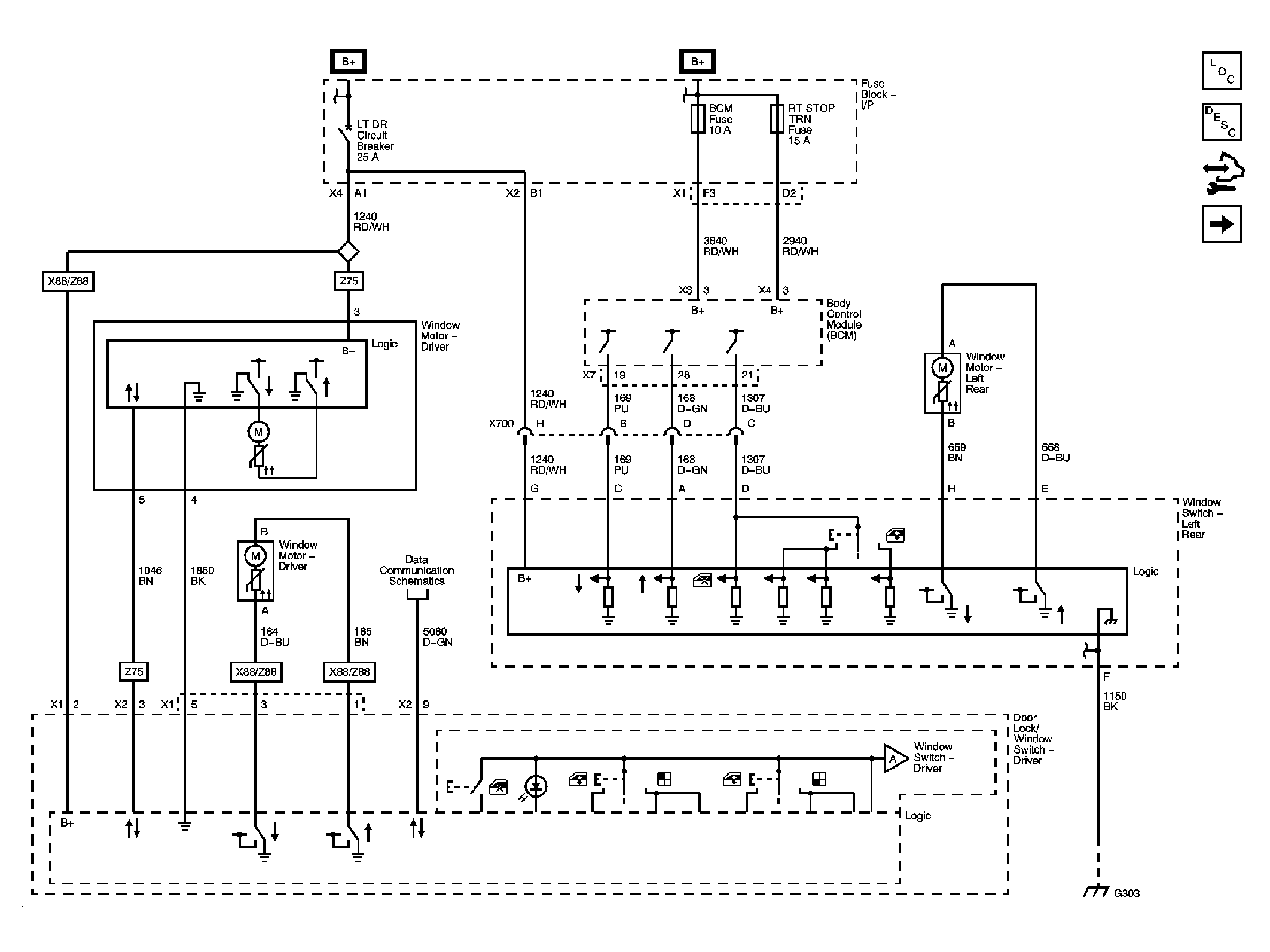
Fig 1: Left Moveable Window
GM2241526Courtesy of GENERAL MOTORS CORP.
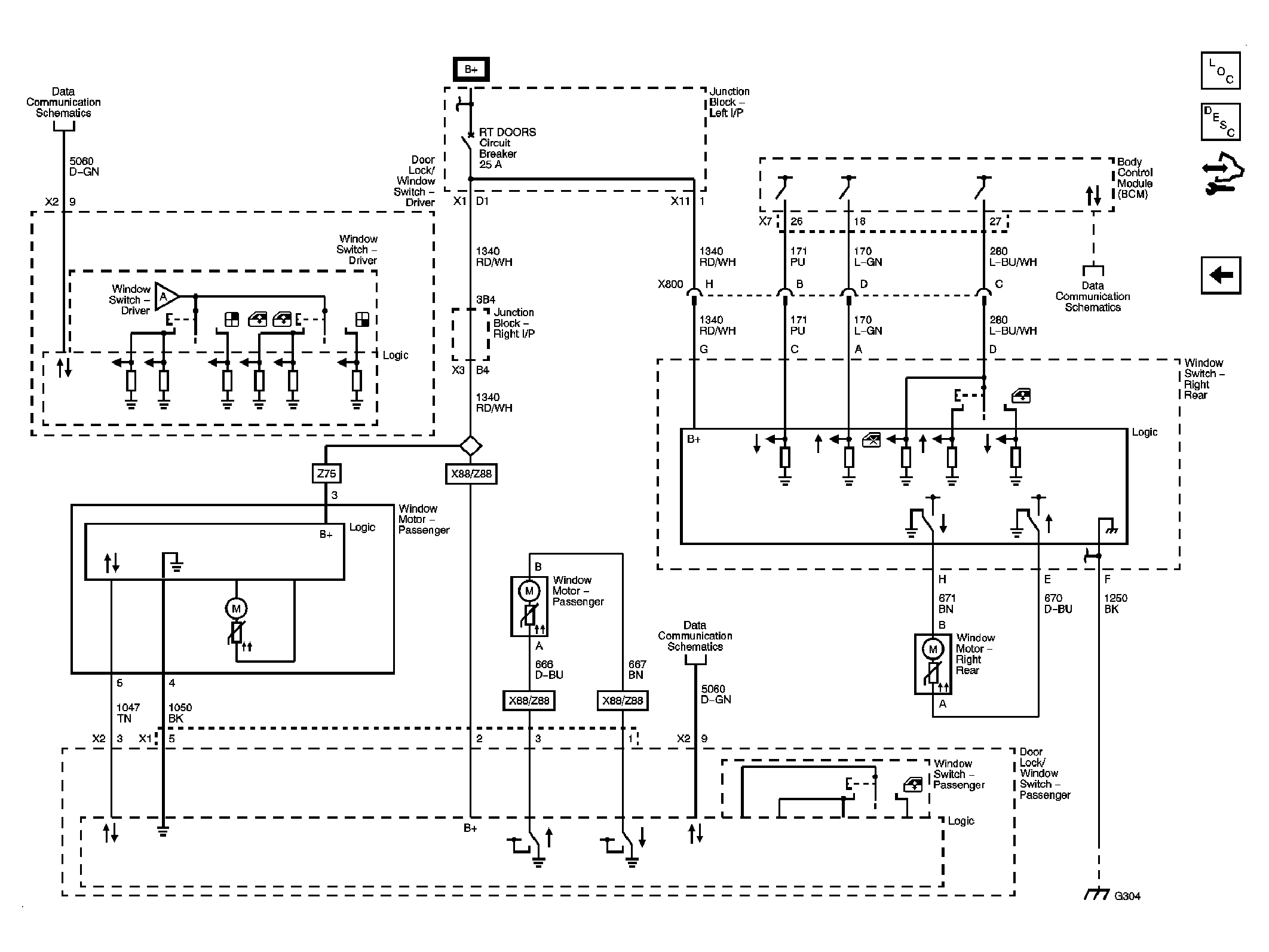
Fig 2: Right Moveable Window
GM2241528Courtesy of GENERAL MOTORS CORP.