LEMON Manuals: Even more car manuals for everyone: 1960-2025
Home >> Cadillac >> 2010 >> Escalade EXT >> Repair and Diagnosis >> Steering >> Power Steering System >> Schematic and Routing Diagrams >> Power Steering Schematics
April 5, 2026: LEMON Manuals is launched! Read the announcement.

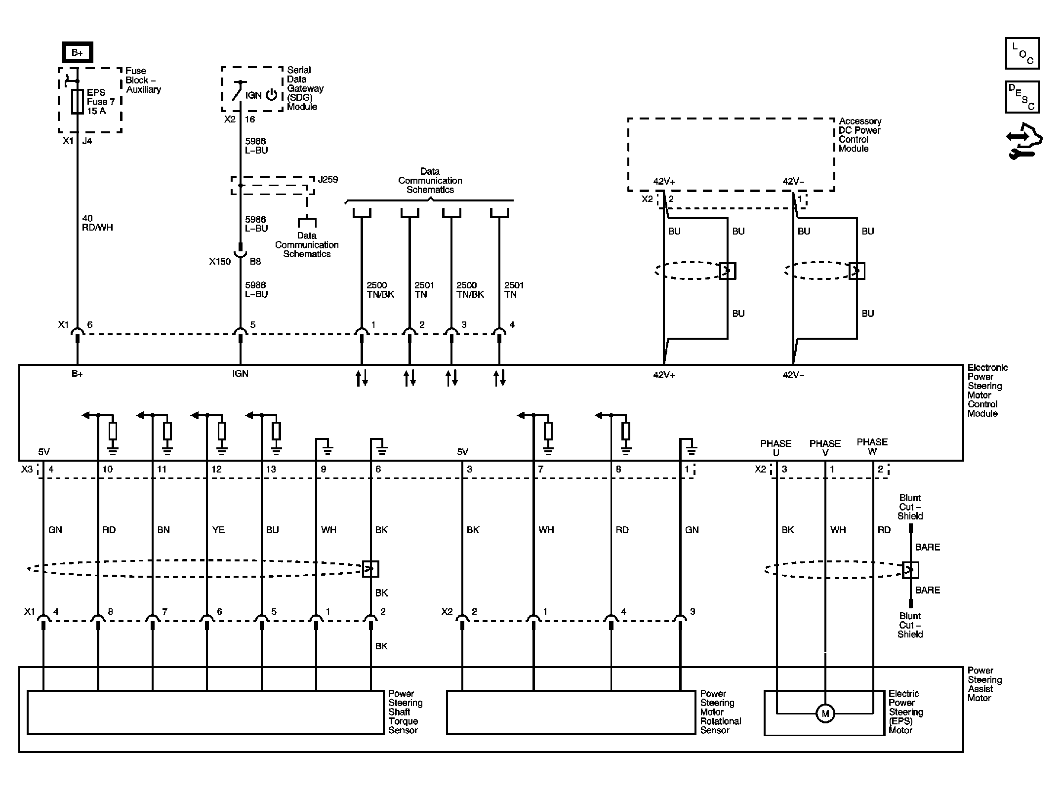
Power Steering Schematics

Fig 1: Hybrid Power Steering System
GM2241923Courtesy of GENERAL MOTORS CORP.