LEMON Manuals: Even more car manuals for everyone: 1960-2025
Home >> Cadillac >> 2010 >> SRX AWD V6-3.0L >> Repair and Diagnosis >> Powertrain Management >> Computers and Control Systems >> Relays and Modules - Computers and Control Systems >> Body Control Module >> Diagrams >> Electrical Diagrams
April 5, 2026: LEMON Manuals is launched! Read the announcement.

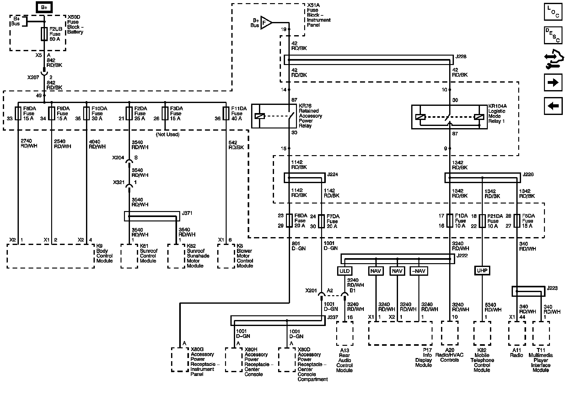
Electrical Diagrams




Power Distribution Schematics

F2UB, F1DA, F2DA, F3DA, F6DA, F7DA, F8DA, F9DA, F10DA, F11DA, D21DA, and F22DA Fuses