LEMON Manuals: Even more car manuals for everyone: 1960-2025
Home >> Cadillac >> 2011 >> CTS Base, 2D Coupe, AWD >> Repair and Diagnosis >> Accessories & Equipment >> Anti-Theft Systems >> Keyless Entry System And Remote Functions >> Schematic Wiring Diagrams >> Remote Function Wiring Schematics
April 5, 2026: LEMON Manuals is launched! Read the announcement.

Remote Function Wiring Schematics

Fig 1: Garage Door Opener Wiring Schematic (UG1)
GM2387297Courtesy of GENERAL MOTORS CORP.
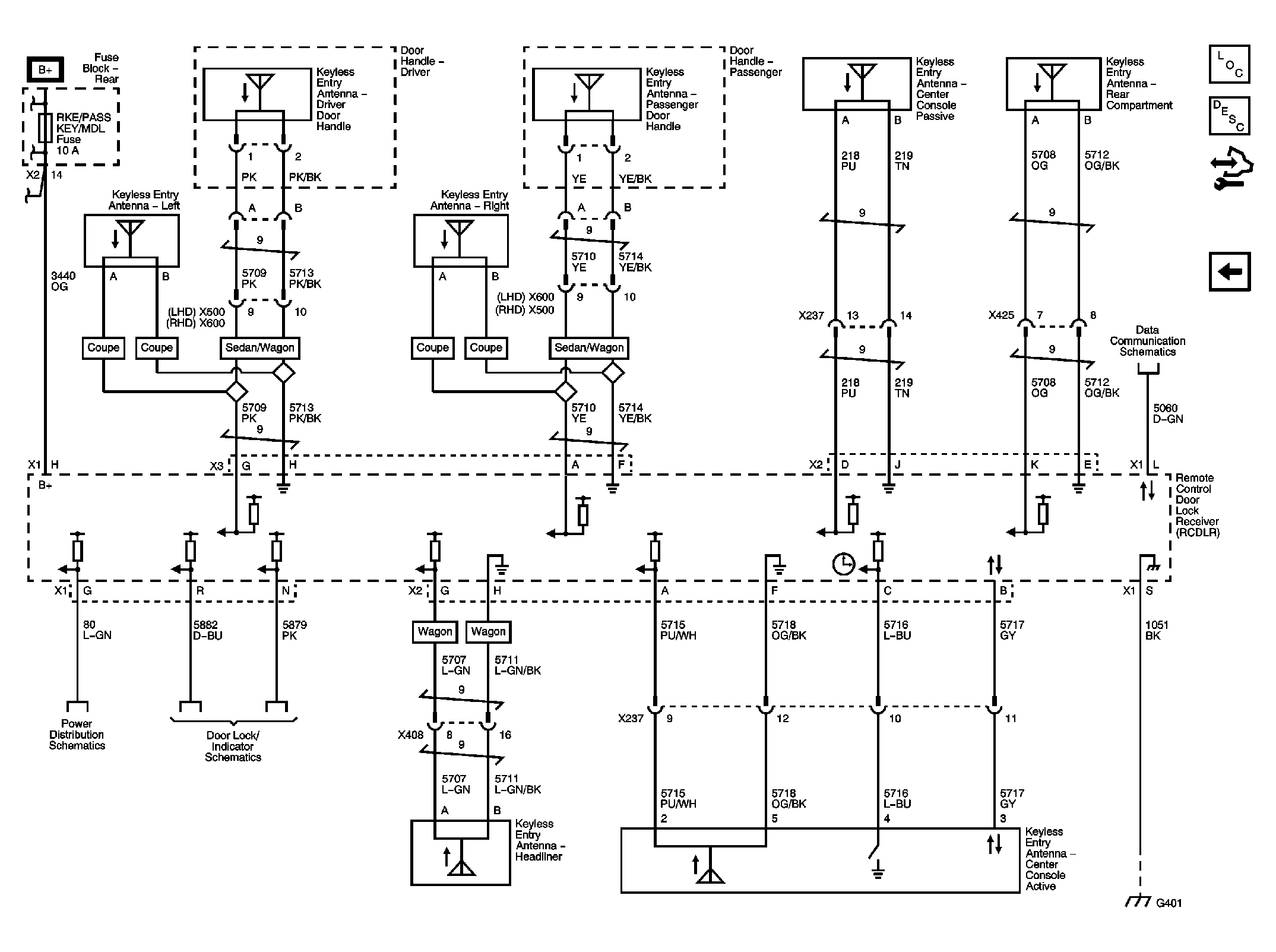
Fig 2: Keyless Entry Wiring Schematic (without BTM)
GM2387299Courtesy of GENERAL MOTORS CORP.
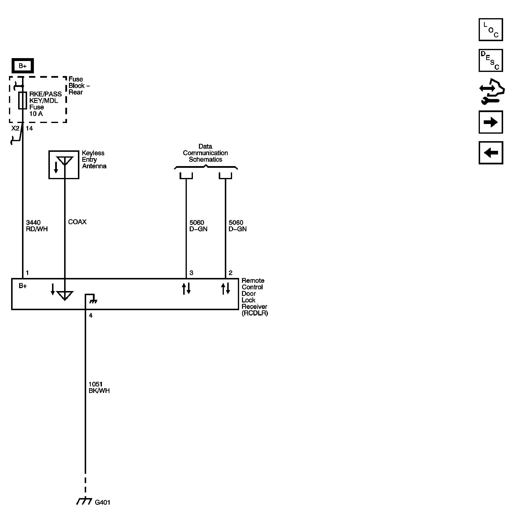
Fig 3: Easy Keyless Entry Wiring Schematic (BTM)
GM2387300Courtesy of GENERAL MOTORS CORP.