LEMON Manuals: Even more car manuals for everyone: 1960-2025
Home >> Cadillac >> 2011 >> CTS Base, 2D Coupe, AWD >> Repair and Diagnosis >> Accessories & Equipment >> Drivers Assistance Systems - ADAS >> Object Detection System - Park Assist System >> Schematic Wiring Diagrams >> Object Detection Wiring Schematics
April 5, 2026: LEMON Manuals is launched! Read the announcement.

Object Detection Wiring Schematics

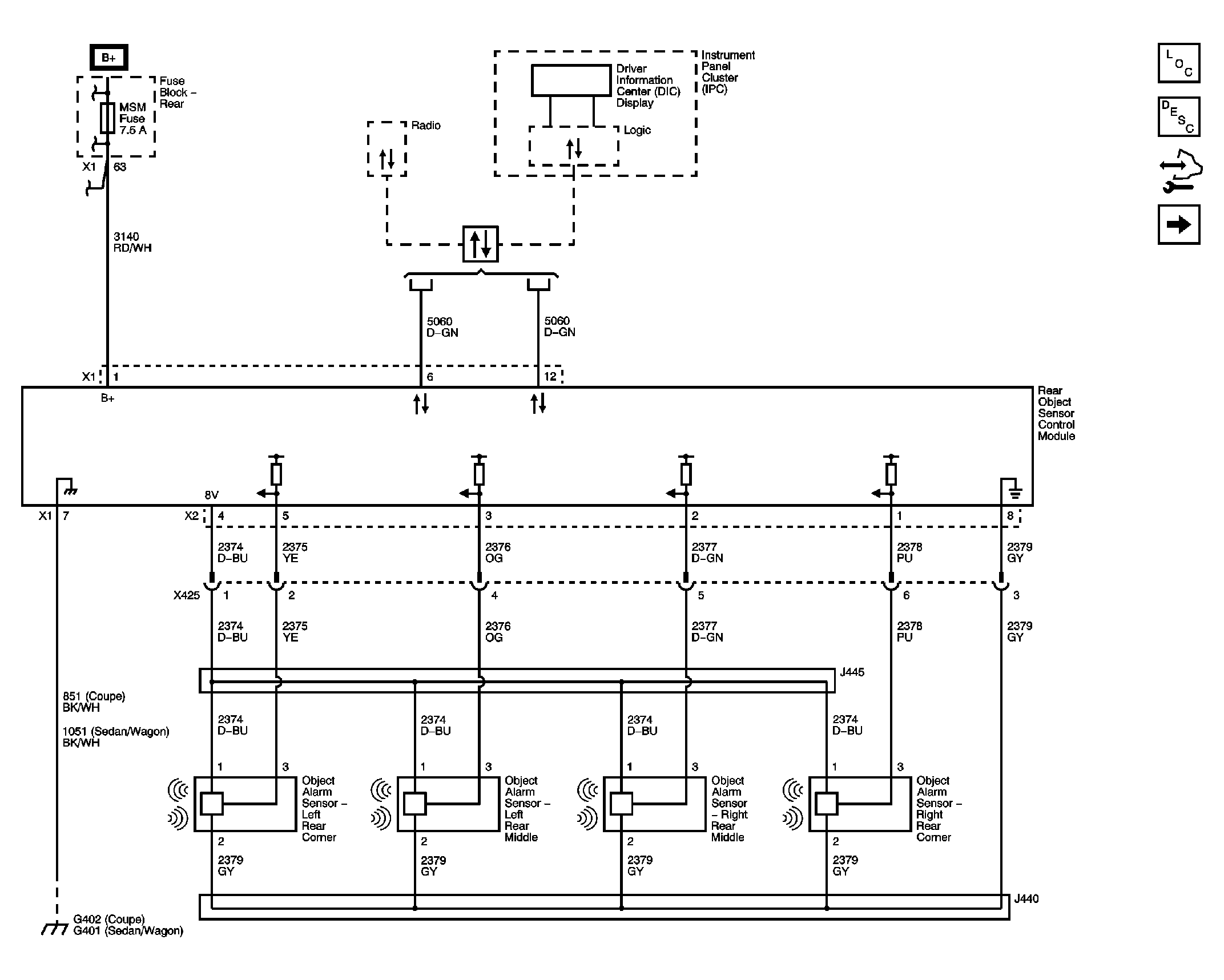
Fig 1: Rear Park Assist Wiring Schematic (UD7)
GM2387289Courtesy of GENERAL MOTORS CORP.
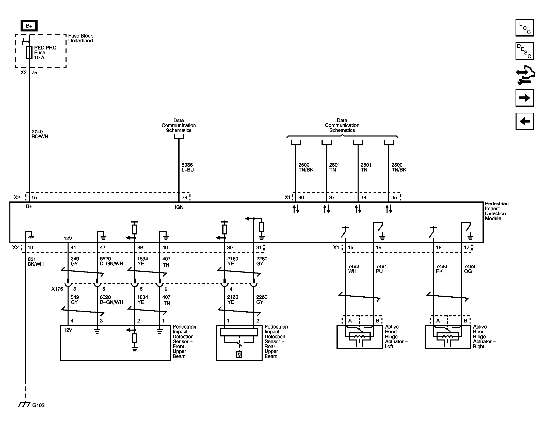
Fig 2: Pedestrian Impact Detection System Wiring Schematic (B3T)
GM2387290Courtesy of GENERAL MOTORS CORP.
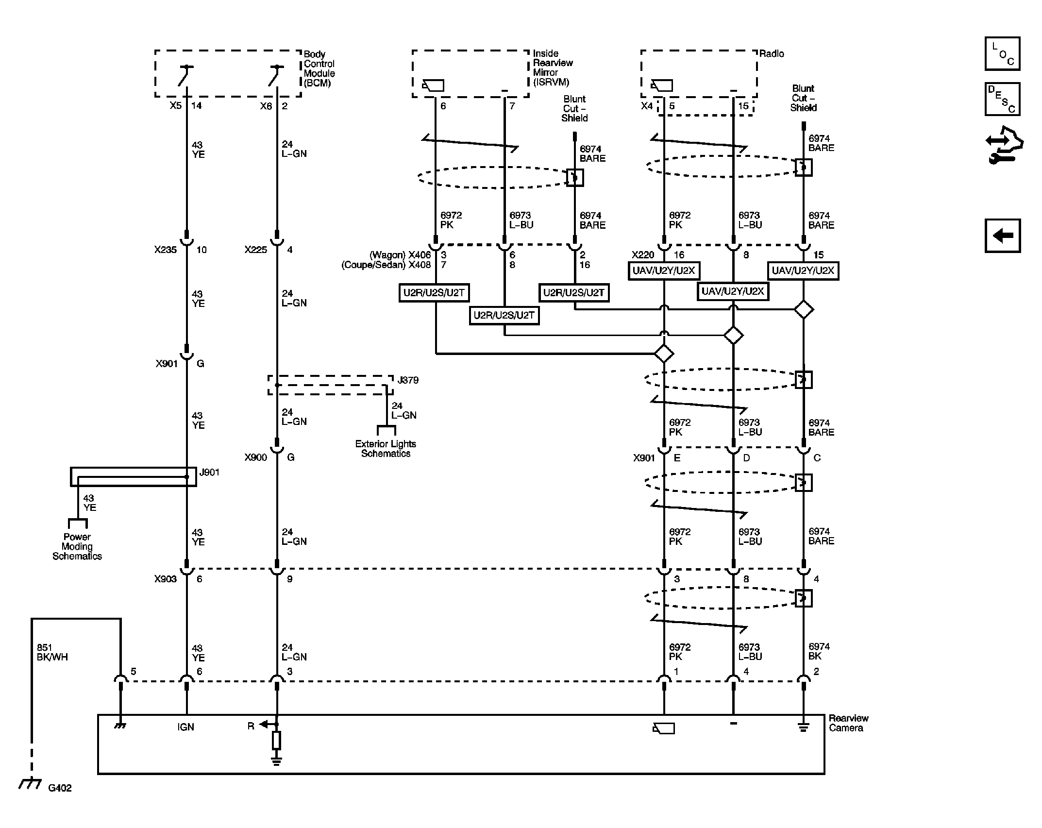
Fig 3: Rearview Camera Wiring Schematic (UVC)
GM2387291Courtesy of GENERAL MOTORS CORP.