LEMON Manuals: Even more car manuals for everyone: 1960-2025
Home >> Cadillac >> 2011 >> DTS 4.6 S >> Repair and Diagnosis >> Engine Performance >> System >> Data Communications System >> Wiring Schematics >> Data Communication Wiring Schematics >> High Speed Serial Data
April 5, 2026: LEMON Manuals is launched! Read the announcement.

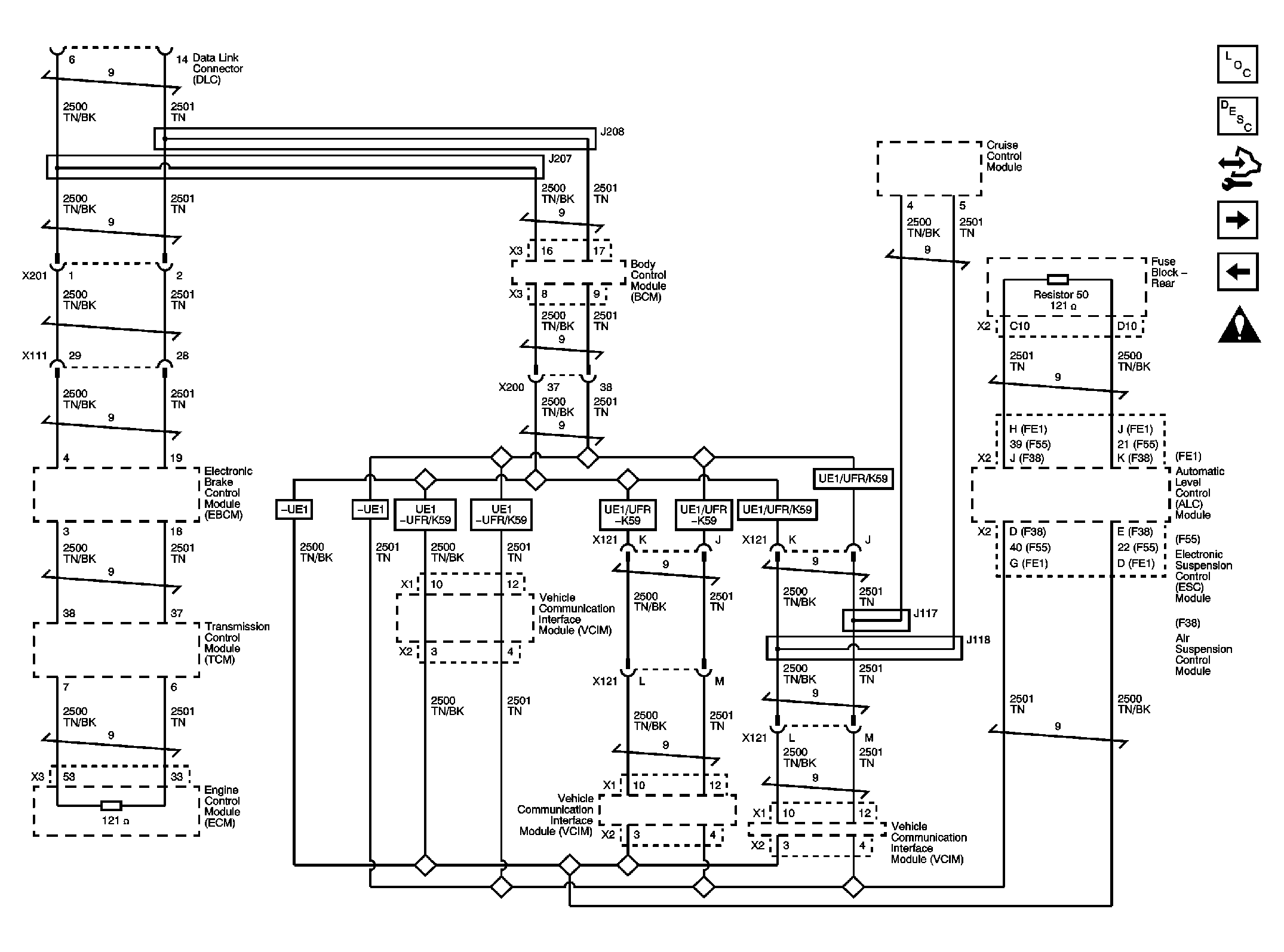
High Speed Serial Data

Fig 1: High Speed Serial Data Wiring Schematic
GM2398522Courtesy of GENERAL MOTORS COMPANY