LEMON Manuals: Even more car manuals for everyone: 1960-2025
Home >> Cadillac >> 2011 >> DTS V8-4.6L >> Repair and Diagnosis >> Powertrain Management >> Computers and Control Systems >> Manifold Pressure/Vacuum Sensor >> Service and Repair
April 5, 2026: LEMON Manuals is launched! Read the announcement.

Manifold Pressure/Vacuum Sensor: Service and Repair




Manifold Absolute Pressure Sensor Replacement

Removal Procedure




1. Remove the fuel injector sight shield, if necessary. Refer to Fuel Injector Sight Shield Replacement (Fuel Injector Sight Shield Replacement).
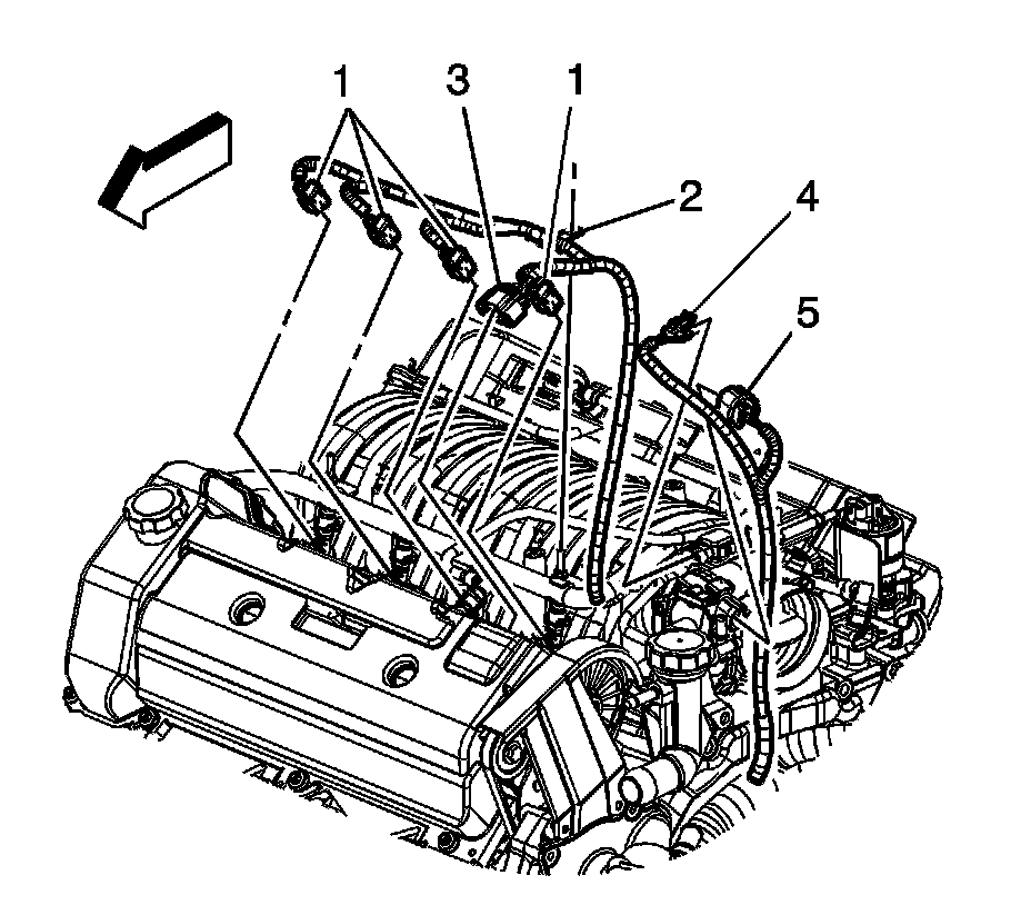
2. Disconnect the engine harness electrical connector (4) from the manifold absolute pressure (MAP) sensor.




3. Remove the MAP sensor bracket bolt.
4. Remove the MAP sensor bracket.
5. Remove the MAP sensor.

Installation Procedure




1. Install the MAP sensor.
2. Install the MAP sensor bracket.

Caution: Refer to Fastener Caution (Fastener Caution).

3. Install the MAP sensor bracket bolt.

Tighten the bolt to 10 Nm (89 lb in).




4. Connect the engine harness electrical connector (4) to the MAP sensor.
5. Install the fuel injector sight shield, if necessary. Refer to Fuel Injector Sight Shield Replacement (Fuel Injector Sight Shield Replacement).