LEMON Manuals: Even more car manuals for everyone: 1960-2025
Home >> Cadillac >> 2011 >> Escalade EXT >> Repair and Diagnosis (Single Page) >> Accessories & Equipment >> Entertainment Systems >> Cellular System, Entertainment System, And Navigation System >> Wiring Schematics >> Video System Schematics >> Display Power and Ground
April 5, 2026: LEMON Manuals is launched! Read the announcement.

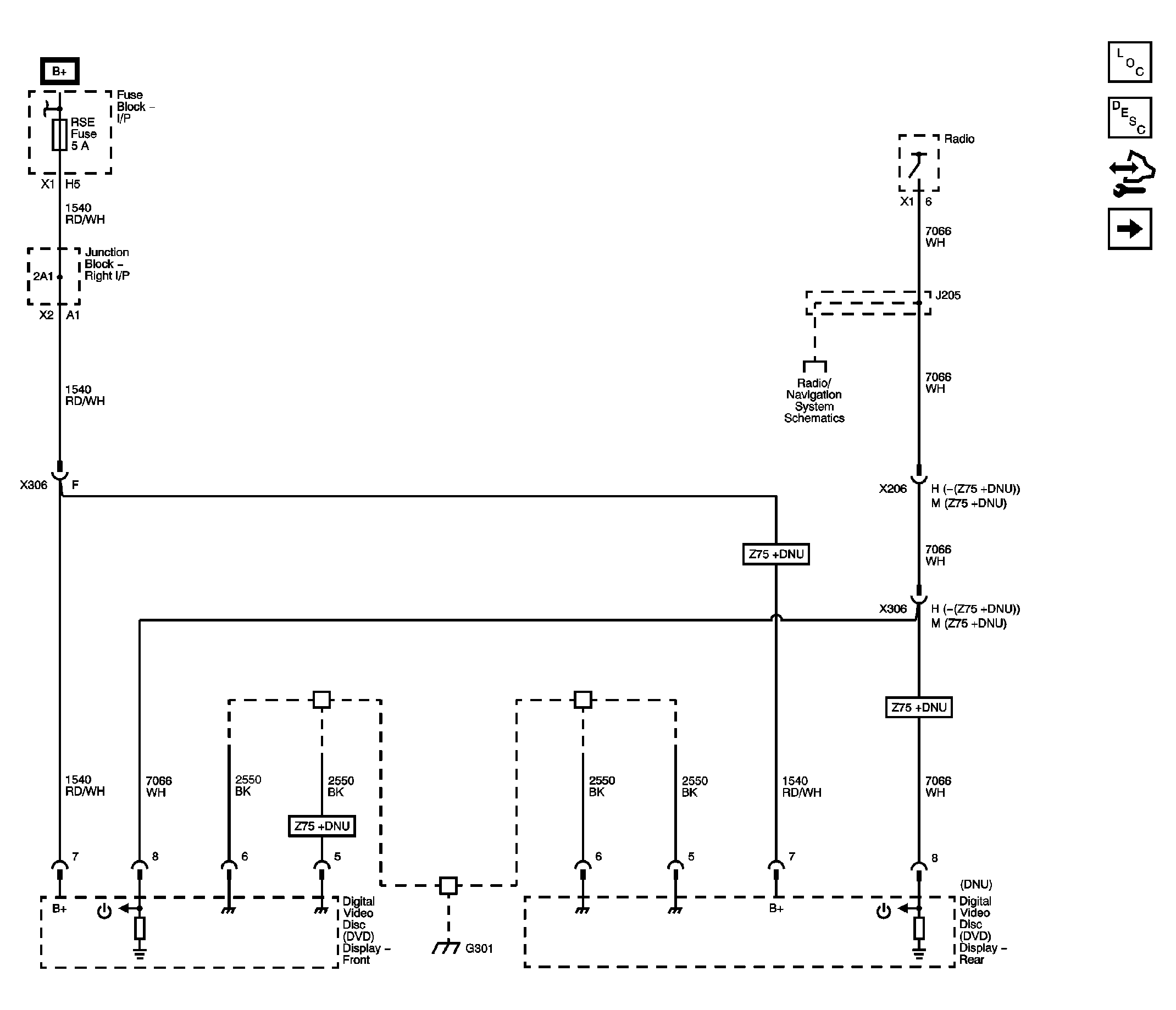
Display Power and Ground

Fig 1: Display Power and Ground Wiring Schematic
GM2399394Courtesy of GENERAL MOTORS CORP.