LEMON Manuals: Even more car manuals for everyone: 1960-2025
Home >> Cadillac >> 2011 >> Escalade EXT >> Repair and Diagnosis (Single Page) >> Engine Performance >> System >> Data Communications System >> Wiring Schematics >> Data Communication Wiring Schematics >> Serial Data Communication Enable and Wake-up Circuits
April 5, 2026: LEMON Manuals is launched! Read the announcement.

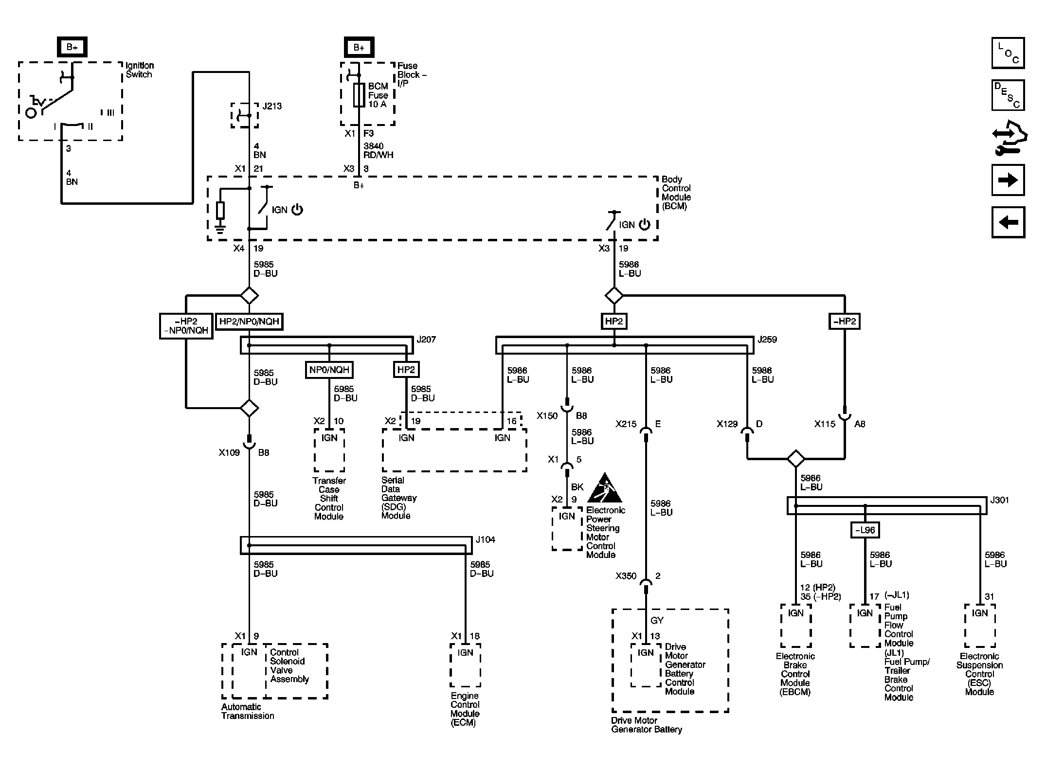
Serial Data Communication Enable and Wake-up Circuits

Fig 1: Serial Data Communication Enable and Wake-up Circuits Wiring Schematic
GM2398339Courtesy of GENERAL MOTORS CORP.