LEMON Manuals: Even more car manuals for everyone: 1960-2025
Home >> Cadillac >> 2011 >> Escalade EXT >> Repair and Diagnosis >> Engine Performance >> System >> Data Communications System >> Wiring Schematics >> Data Communication Wiring Schematics >> High Speed Bus (1 of 2)
April 5, 2026: LEMON Manuals is launched! Read the announcement.

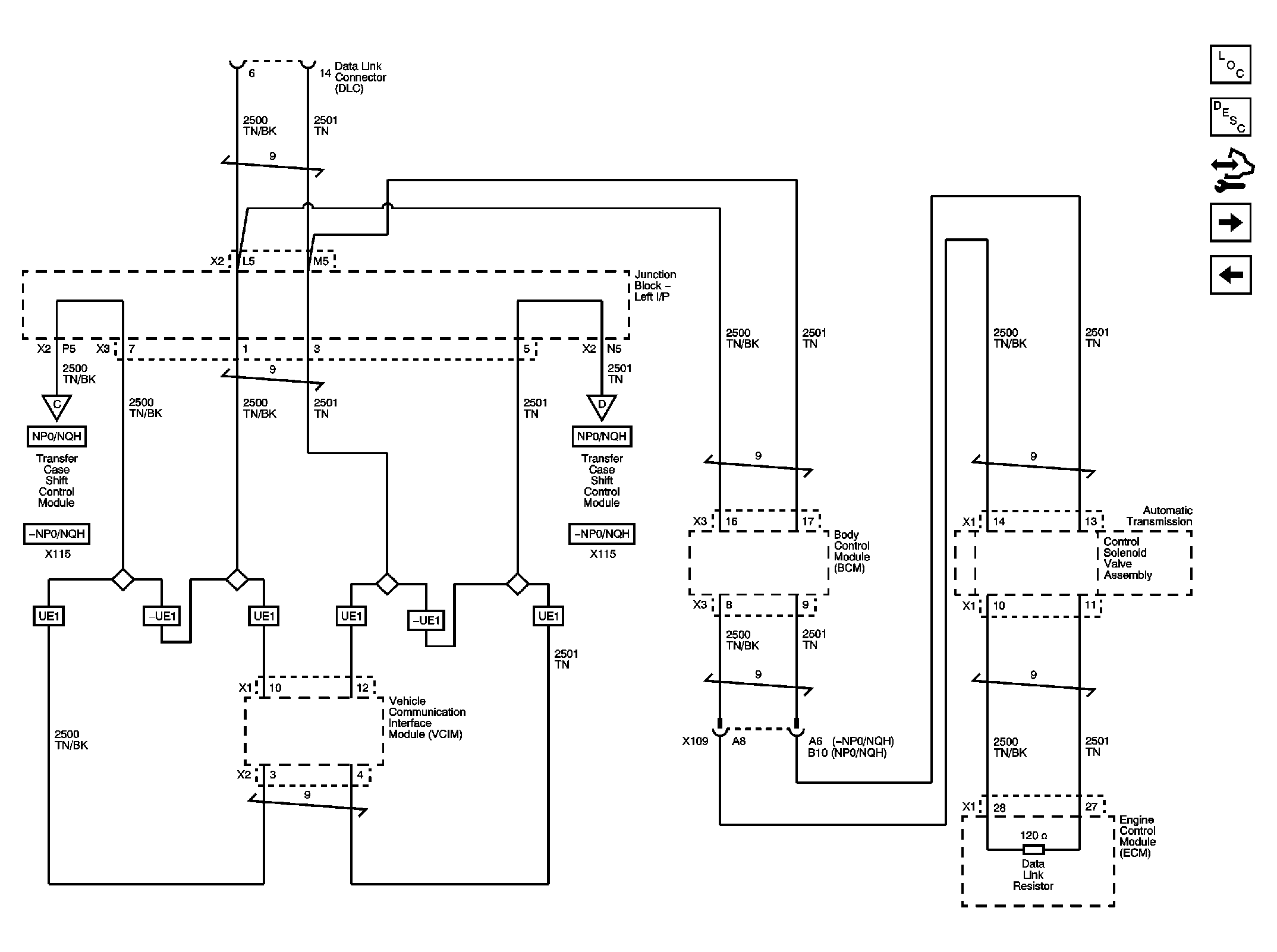
High Speed Bus (1 of 2)

Fig 1: High Speed Bus (1 of 2) Wiring Schematic
GM2398335Courtesy of GENERAL MOTORS CORP.