LEMON Manuals: Even more car manuals for everyone: 1960-2025
Home >> Cadillac >> 2011 >> Escalade EXT >> Repair and Diagnosis >> External Pages >> Different car >> Section 1556 (Data Communication System) >> Schematic and Routing Diagrams >> Data Communication Schematics
April 5, 2026: LEMON Manuals is launched! Read the announcement.

Data Communication Schematics

WARNING: This page is about a different car, the 2010 GMC Sierra, 2010 GMC Cab & Chassis Sierra, 2010 Chevrolet Silverado, and 2010 Chevrolet Cab & Chassis Silverado. However, it is still accessible from the selected car via links, so may be relevant.
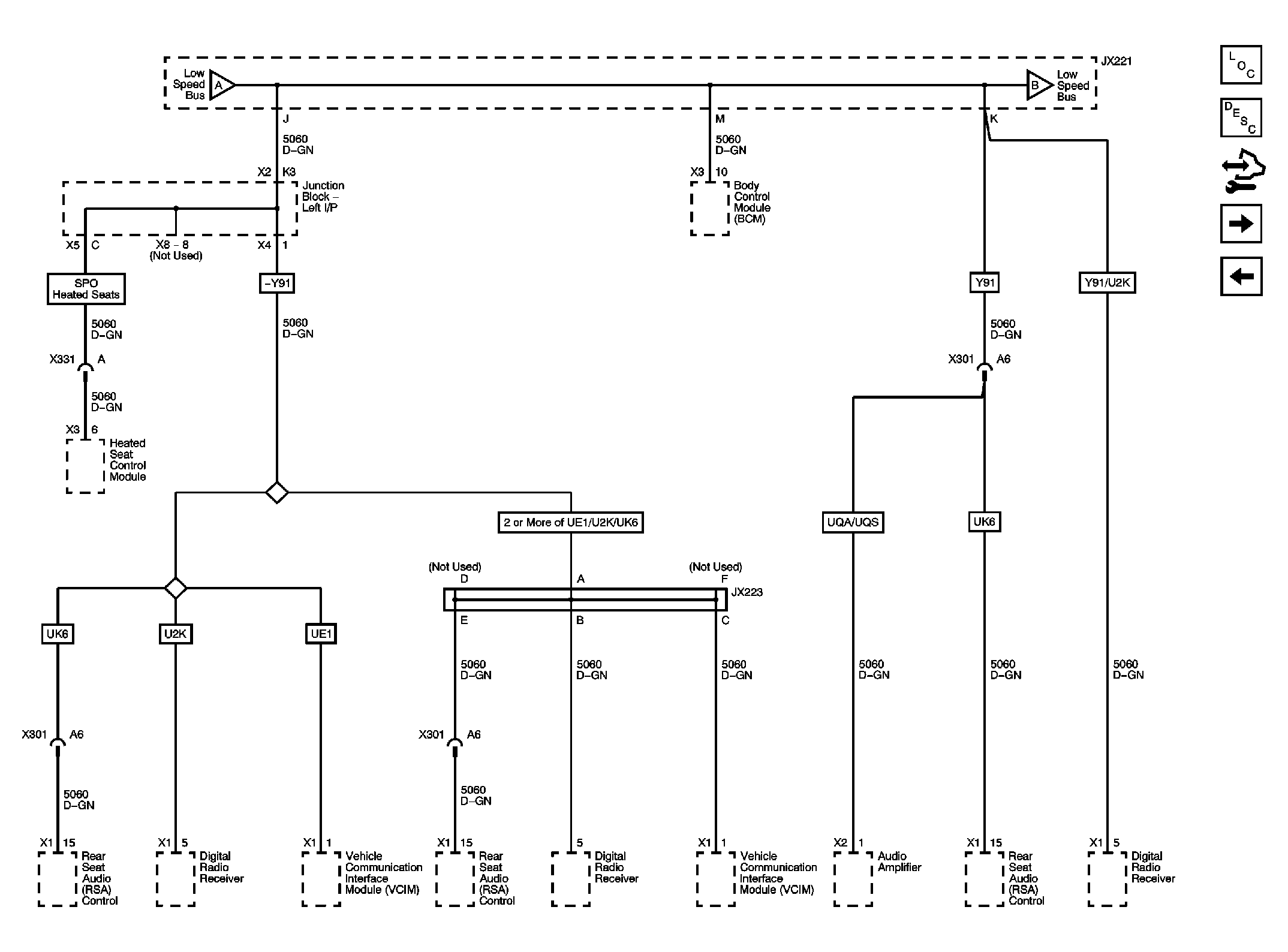
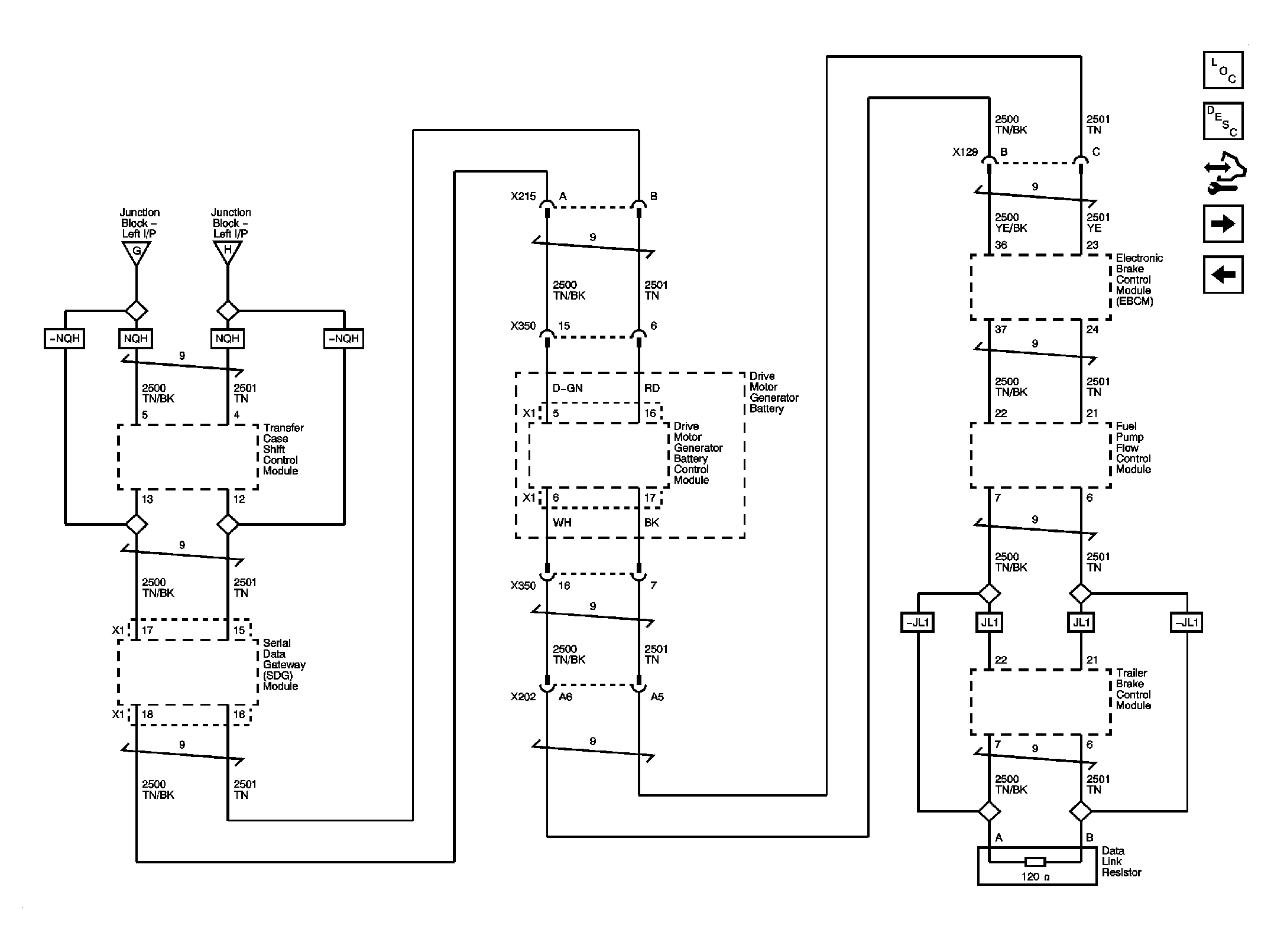
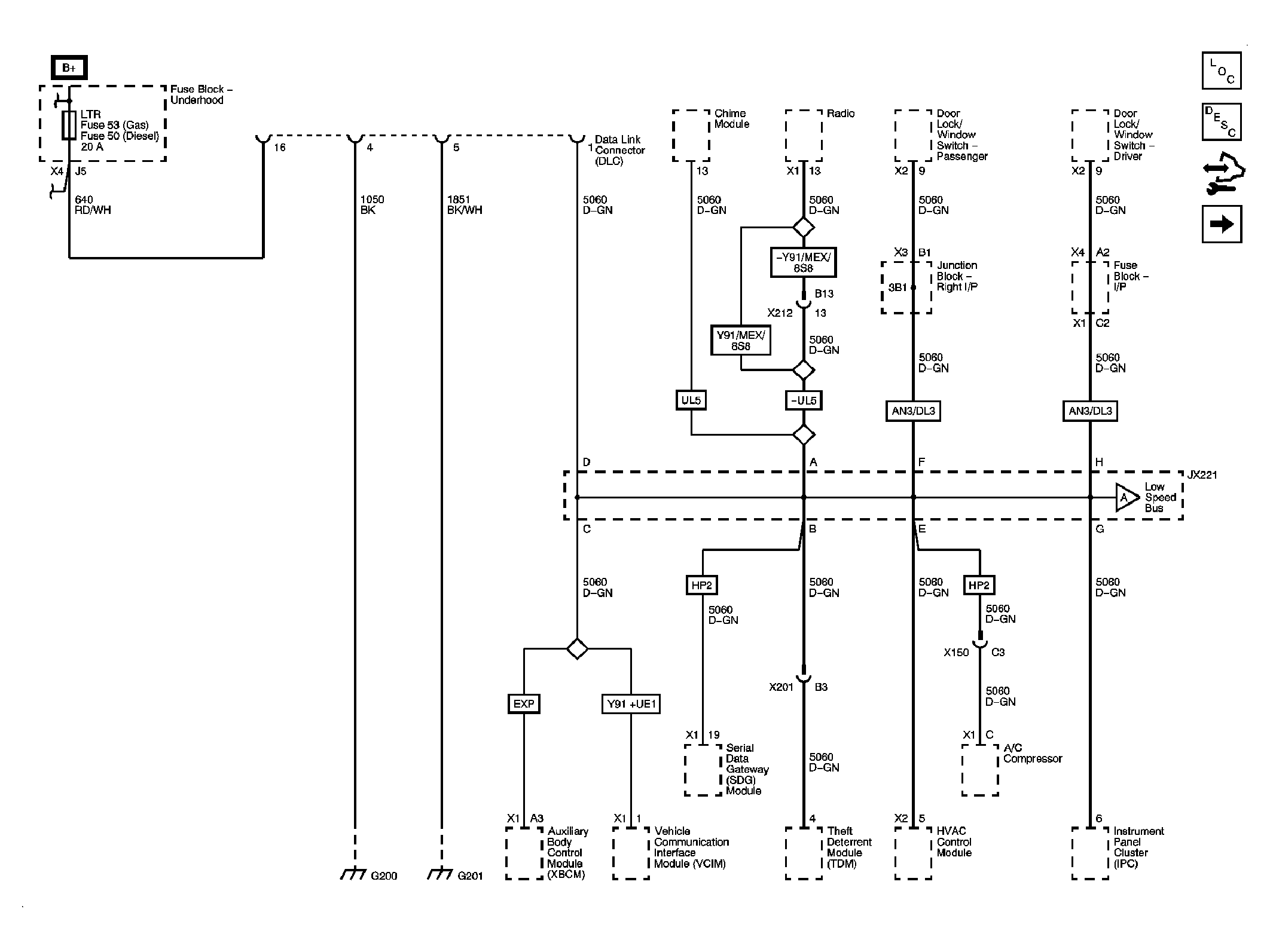
Fig 1: Low Speed Bus - 1 of 3
GM2224337Courtesy of GENERAL MOTORS CORP.
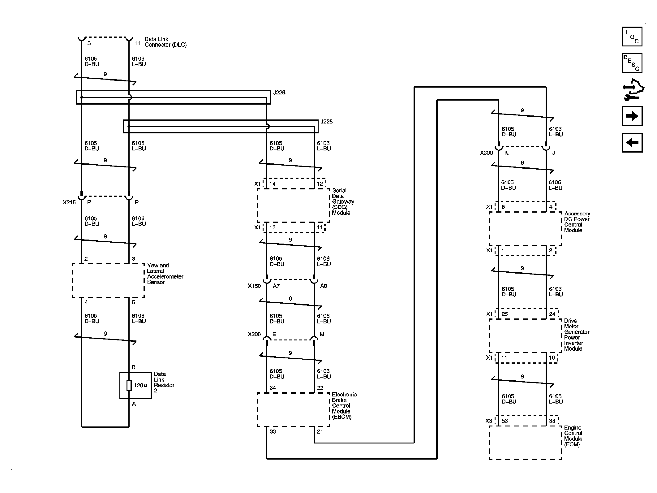
Fig 2: Low Speed Bus - 2 of 3
GM2224338Courtesy of GENERAL MOTORS CORP.
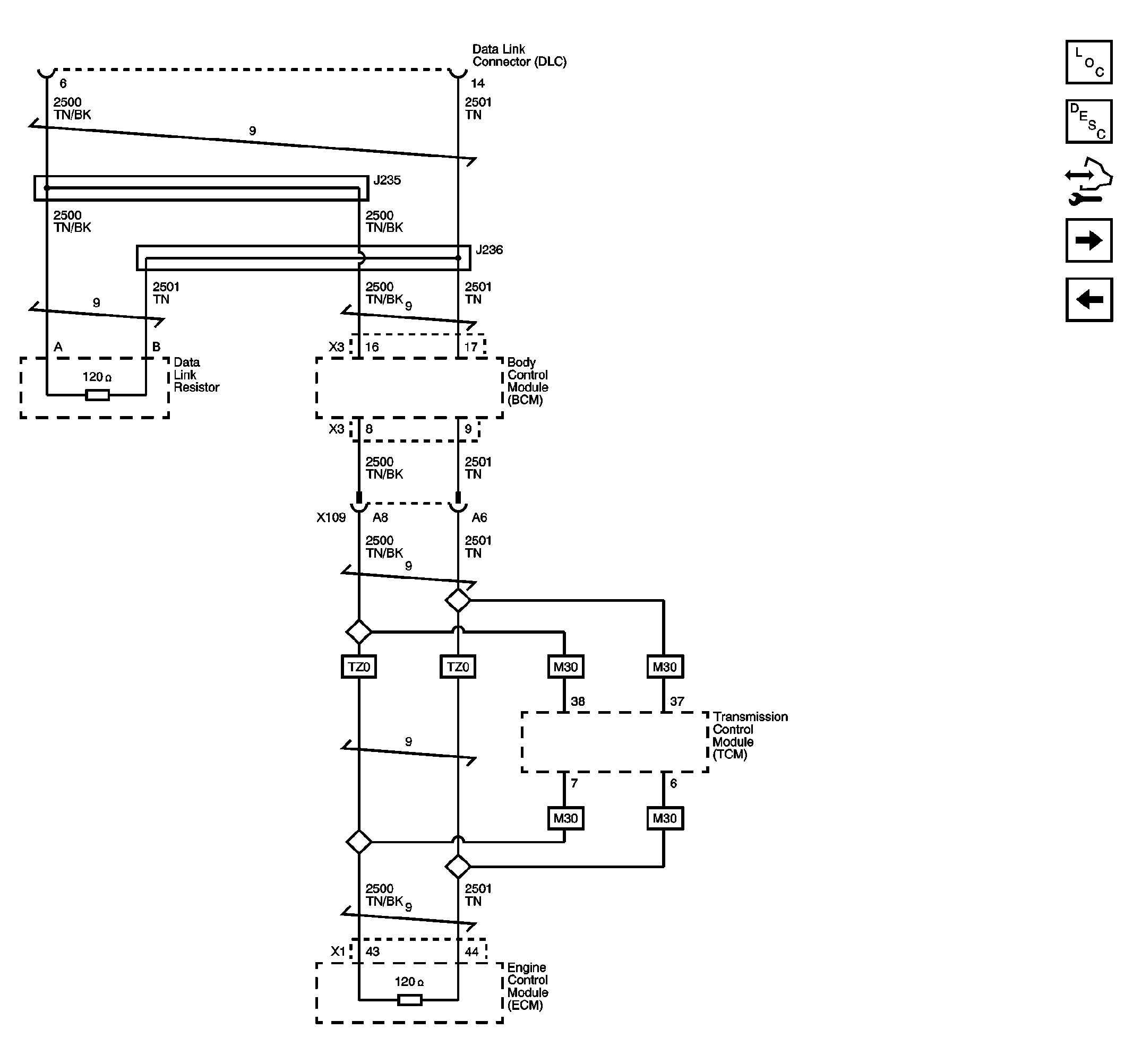
Fig 3: Low Speed Bus - 3 of 3
GM2224340Courtesy of GENERAL MOTORS CORP.
Fig 4: High Speed Bus - 1 of 6 (except MEX/HP2)
GM2224342Courtesy of GENERAL MOTORS CORP.
Fig 5: High Speed Bus - 2 of 6 (except MEX/HP2)
GM2224343Courtesy of GENERAL MOTORS CORP.
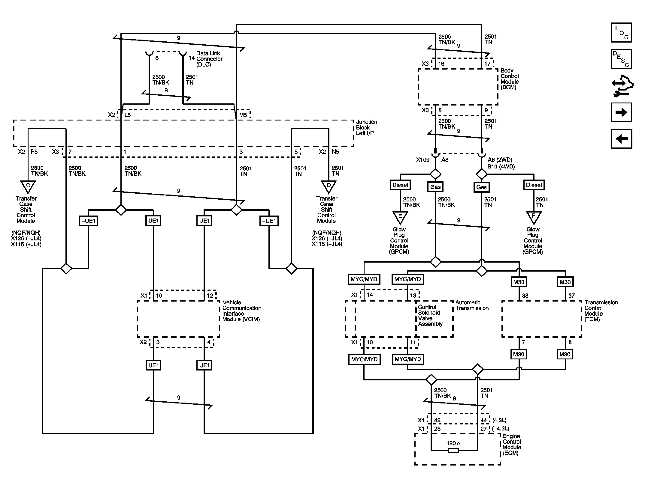
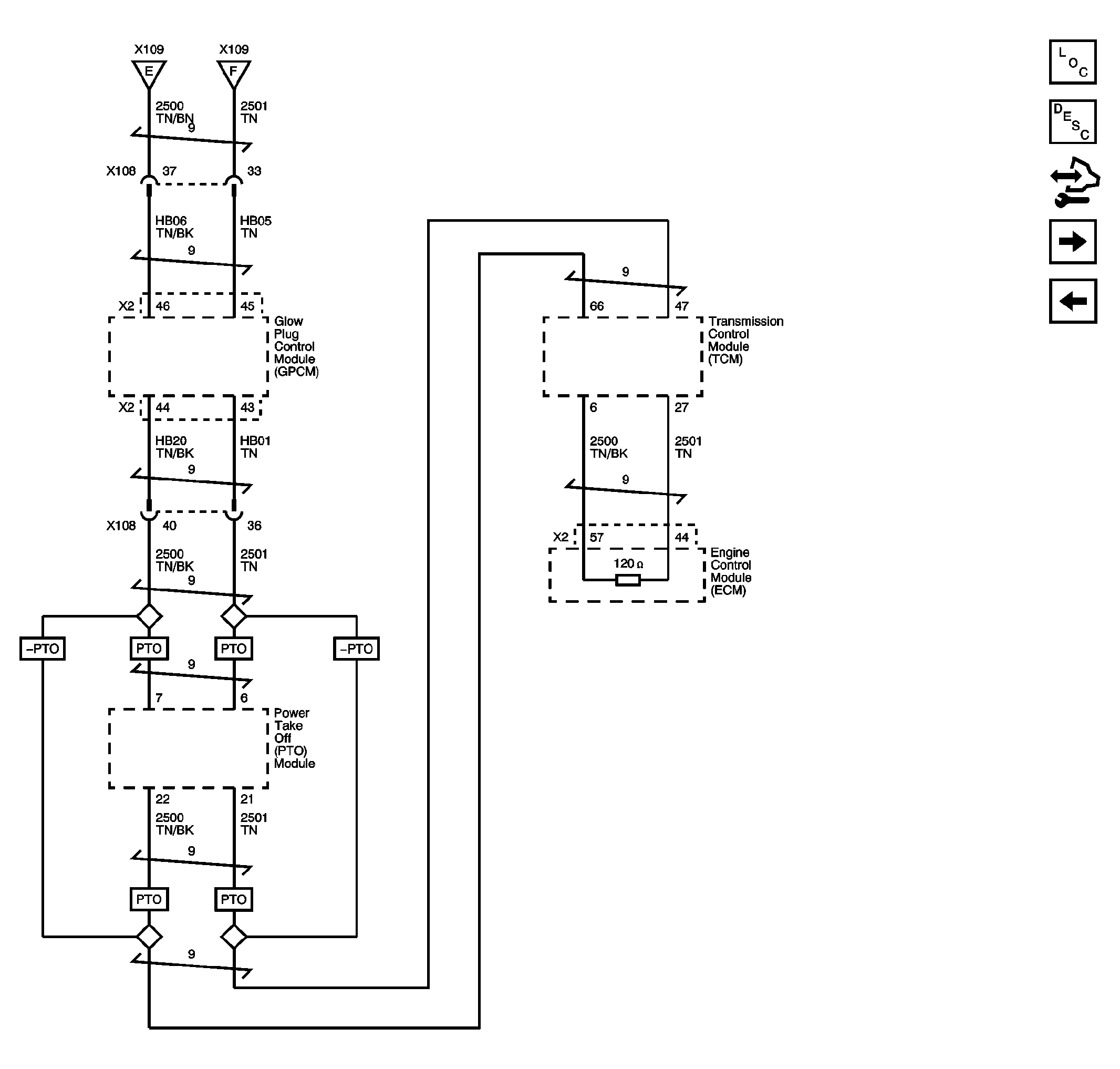
Fig 6: High Speed Bus - 3 of 6 (Diesel)
GM2224344Courtesy of GENERAL MOTORS CORP.
Fig 7: High Speed Bus - 4 of 6 (MEX)
GM2224347Courtesy of GENERAL MOTORS CORP.
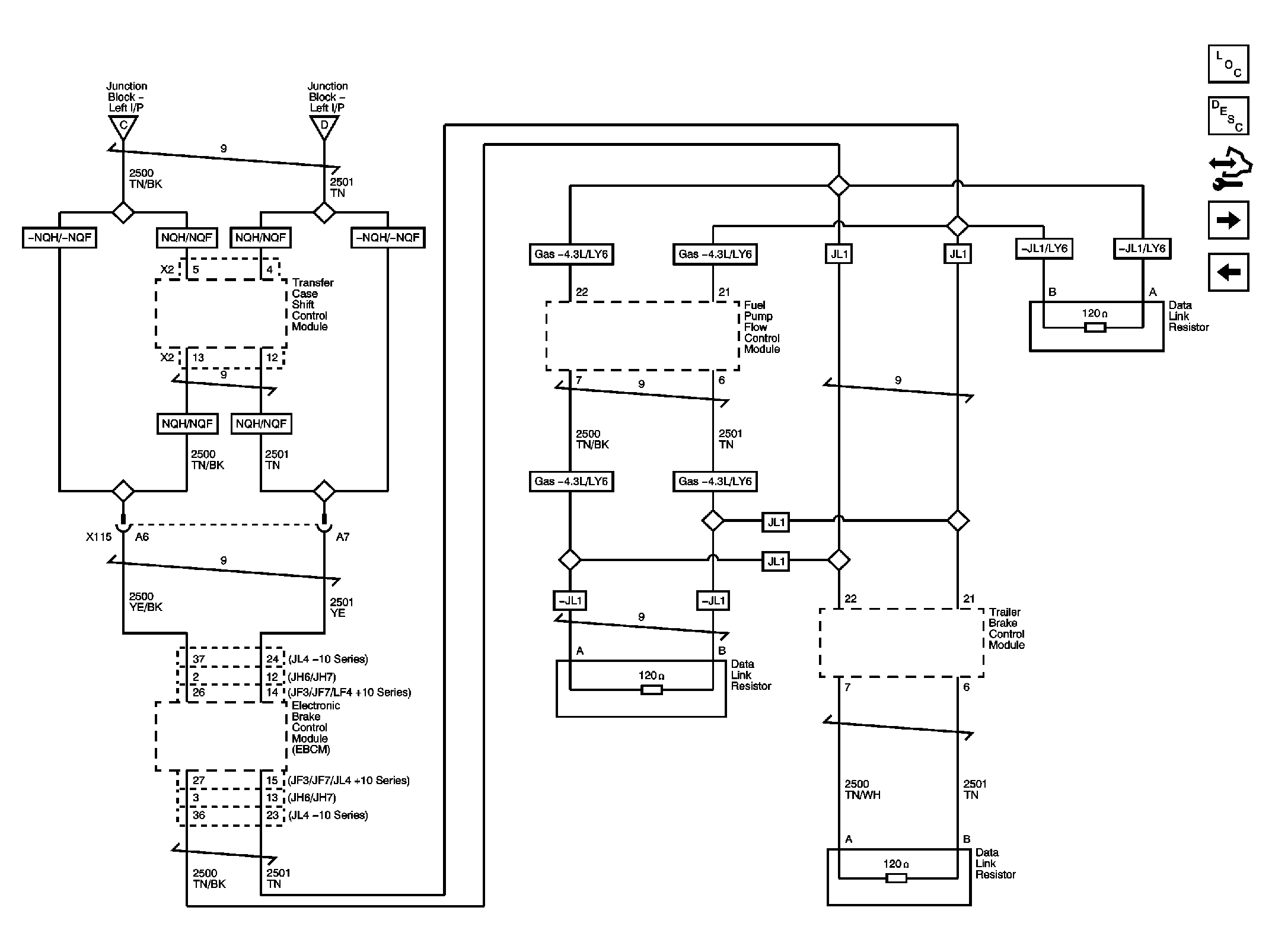
Fig 8: High Speed Bus - 5 of 6 (HP2)
GM2224349Courtesy of GENERAL MOTORS CORP.
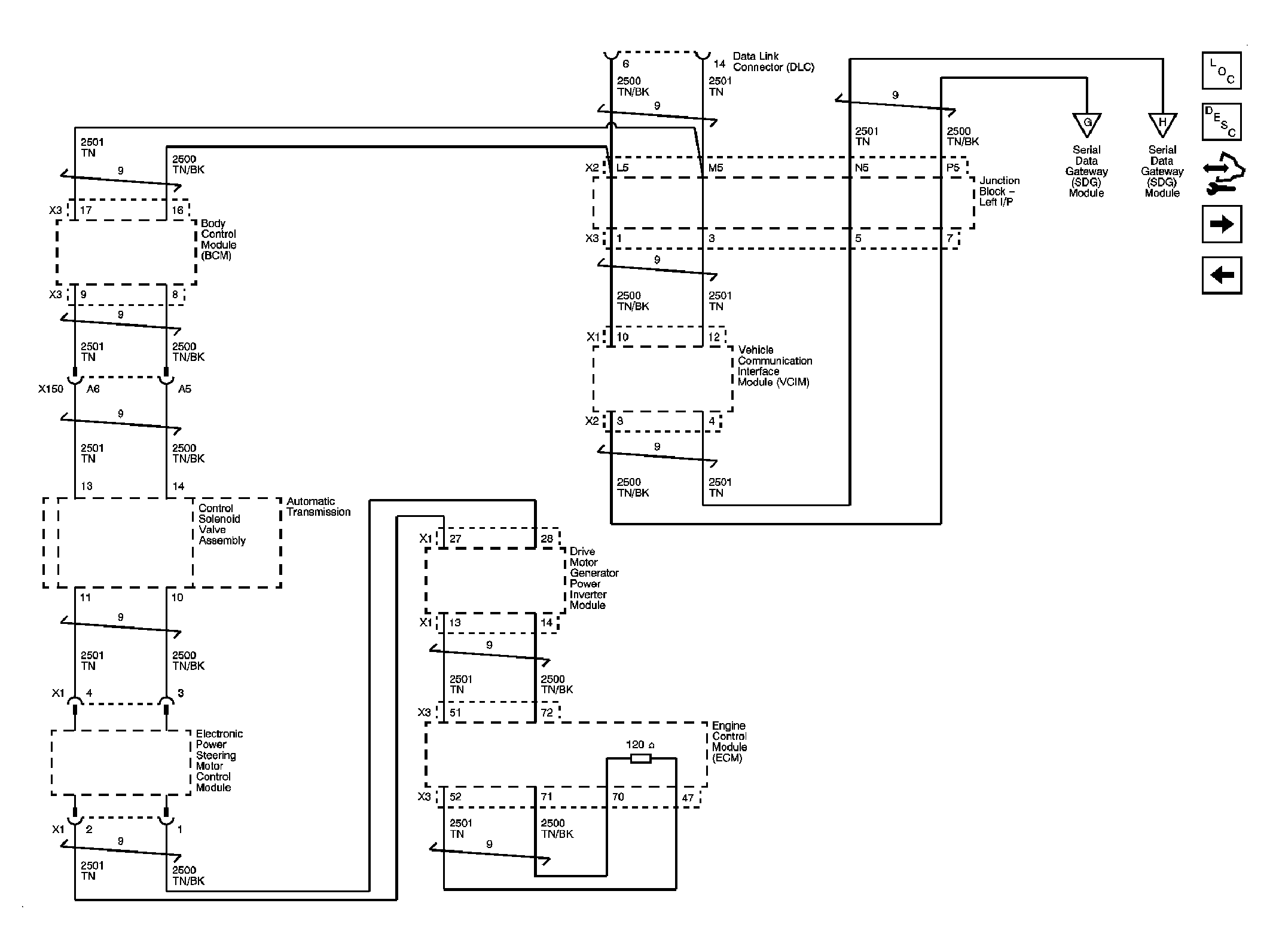
Fig 9: High Speed Bus - 6 of 6 (HP2)
GM2224351Courtesy of GENERAL MOTORS CORP.
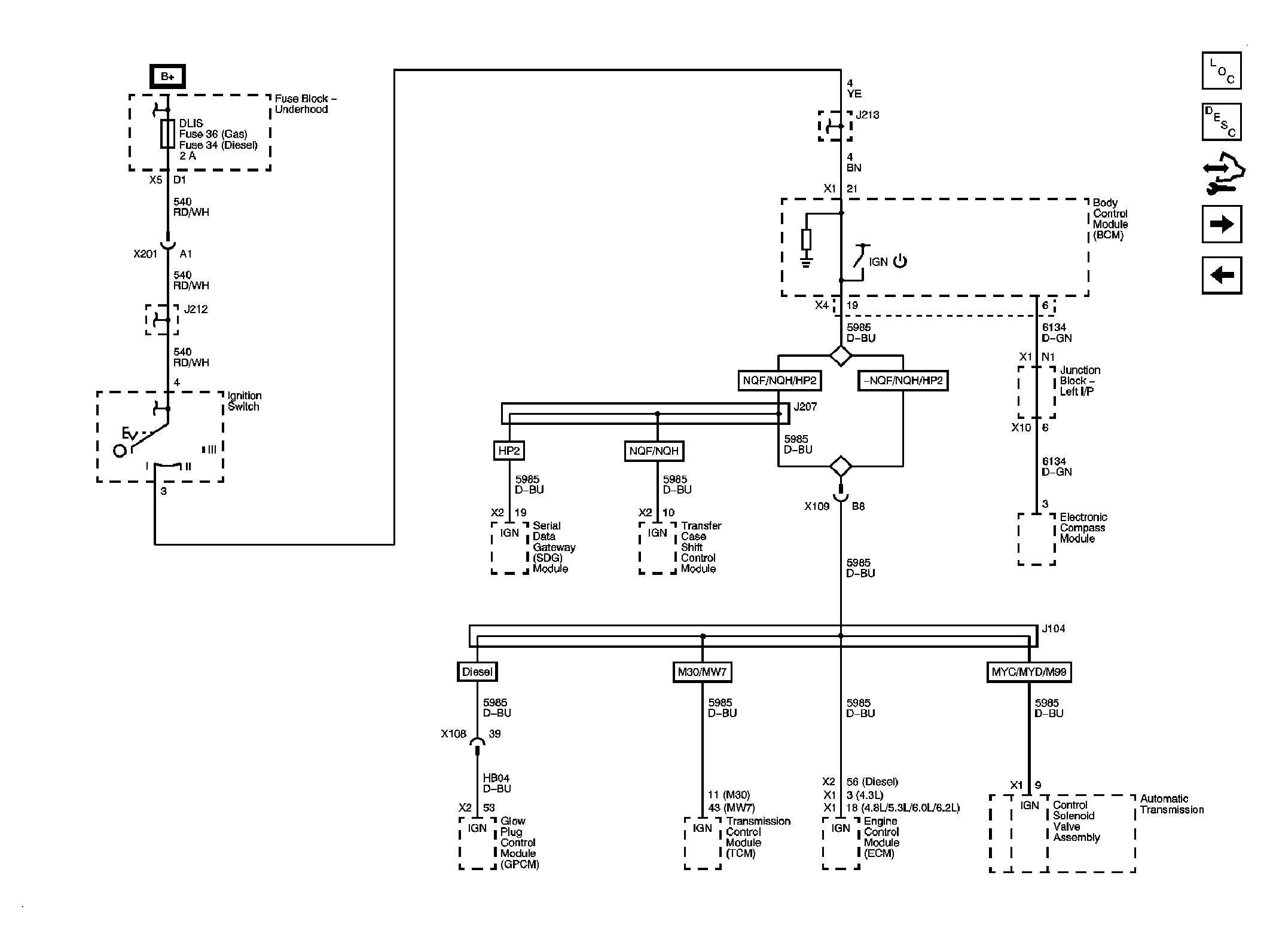
Fig 10: Serial Data Communication Enable
GM2224353Courtesy of GENERAL MOTORS CORP.
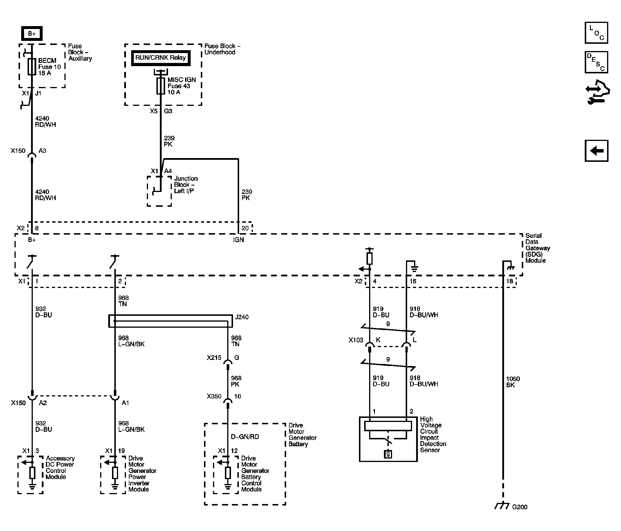
Fig 11: Accessory Wakeup Serial Data and Local Interconnect Network Bus
GM2224354Courtesy of GENERAL MOTORS CORP.
Fig 12: Powertrain Expansion Bus (HP2)
GM2224356Courtesy of GENERAL MOTORS CORP.
Fig 13: Serial Data Gateway (SDG) Module (HP2)
GM2224357Courtesy of GENERAL MOTORS CORP.