LEMON Manuals: Even more car manuals for everyone: 1960-2025
Home >> Cadillac >> 2011 >> SRX 2.8 6 >> Repair and Diagnosis >> Body & Frame >> Door Locks >> Keyless Entry System And Remote Functions >> Wiring Schematics >> Remote Function Wiring Schematics
April 5, 2026: LEMON Manuals is launched! Read the announcement.

Remote Function Wiring Schematics

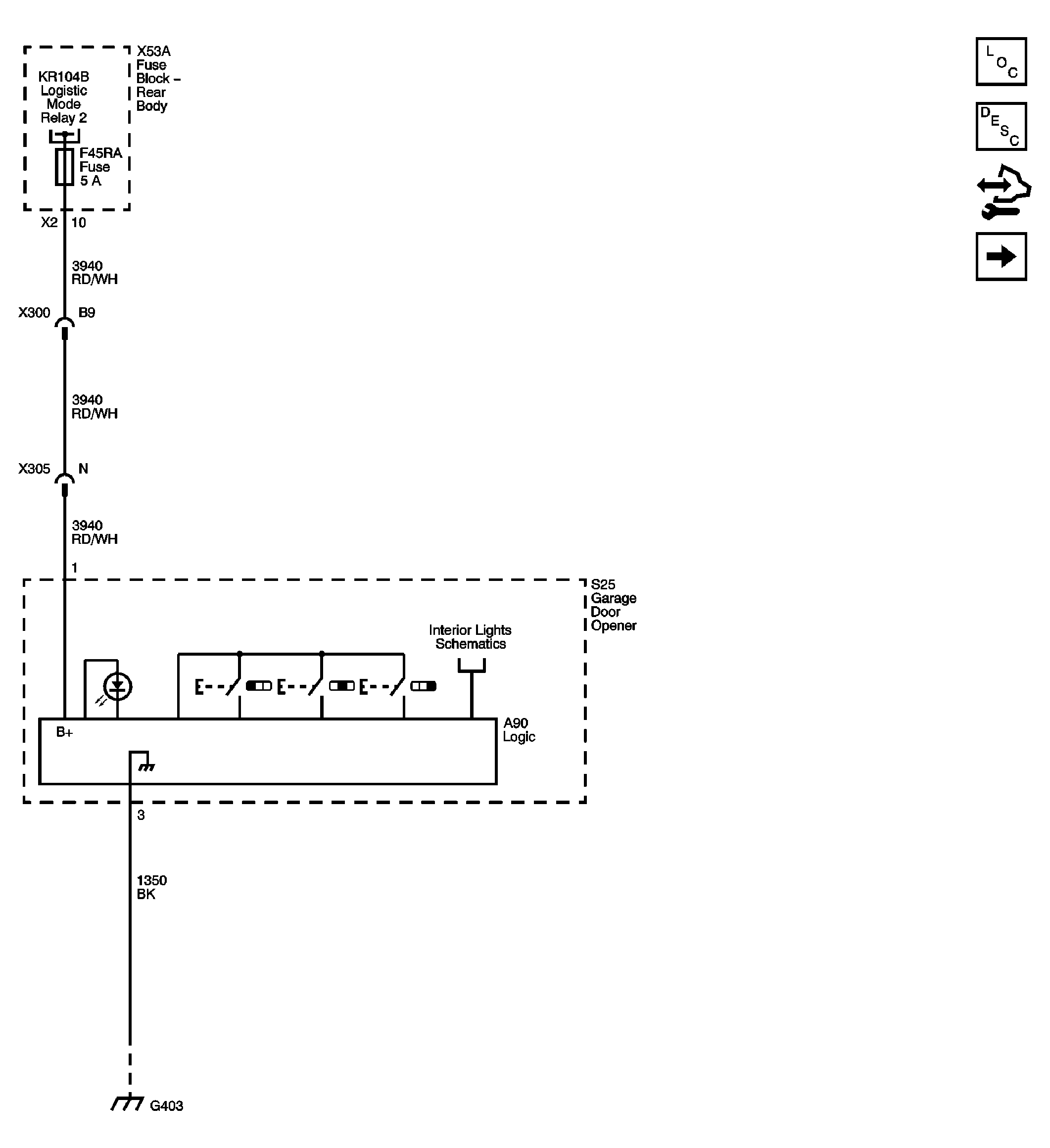
Fig 1: Garage Door Opener Wiring Schematic
GM2423492Courtesy of GENERAL MOTORS CORP.
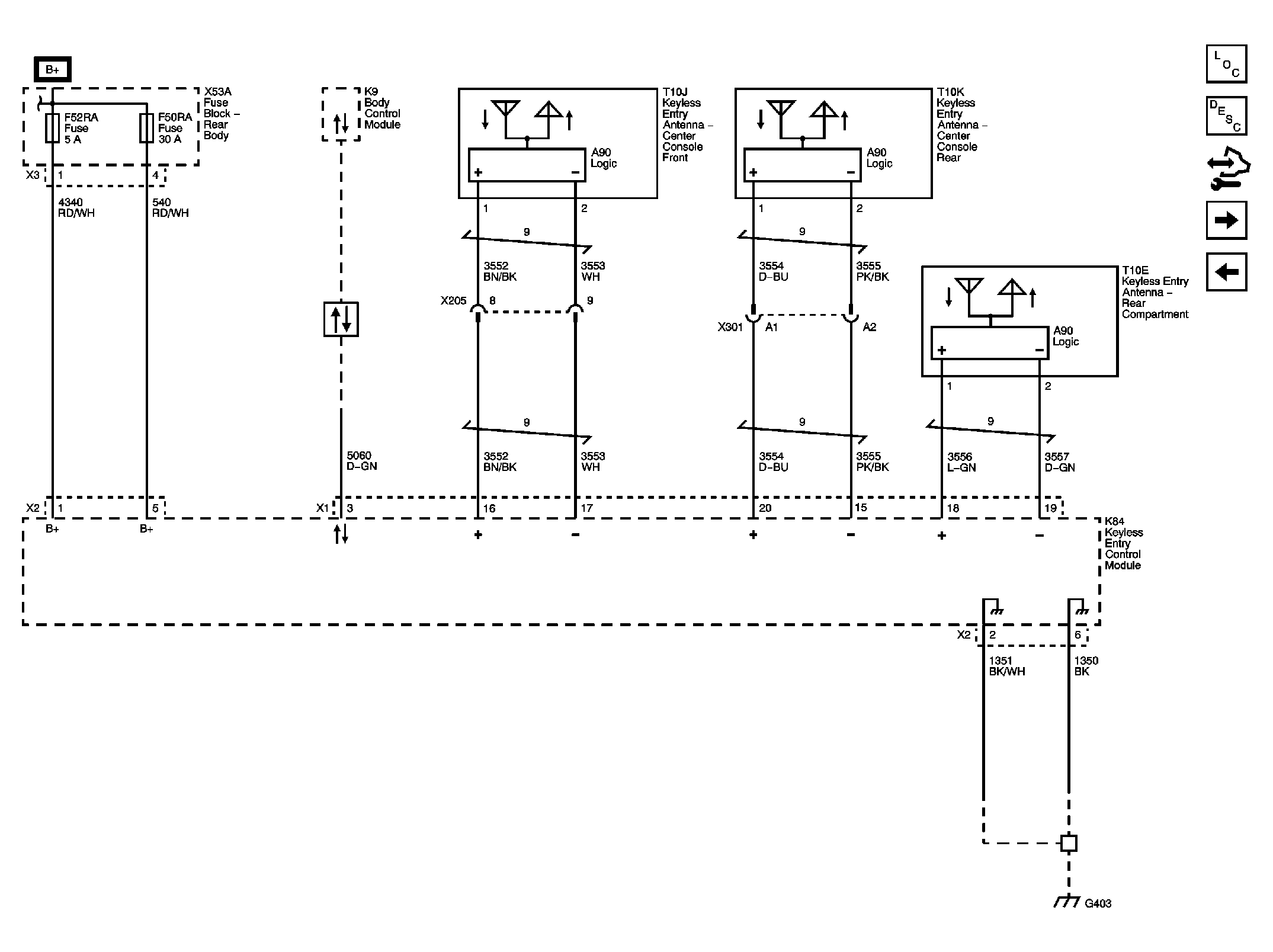
Fig 2: Passive Start Wiring Schematic
GM2423493Courtesy of GENERAL MOTORS CORP.
Fig 3: Passive Entry Wiring Schematic (ATH) (1 of 2)
GM2423494Courtesy of GENERAL MOTORS CORP.
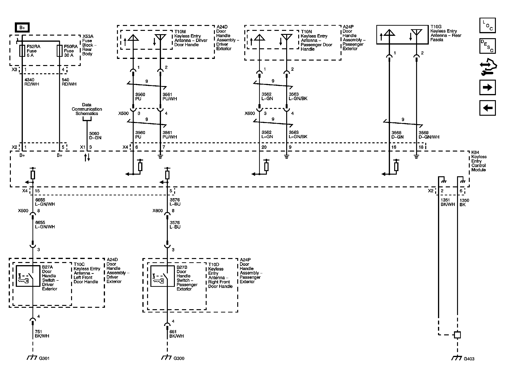
Fig 4: Passive Entry Wiring Schematic (ATH) (2 of 2)
GM2423495Courtesy of GENERAL MOTORS CORP.
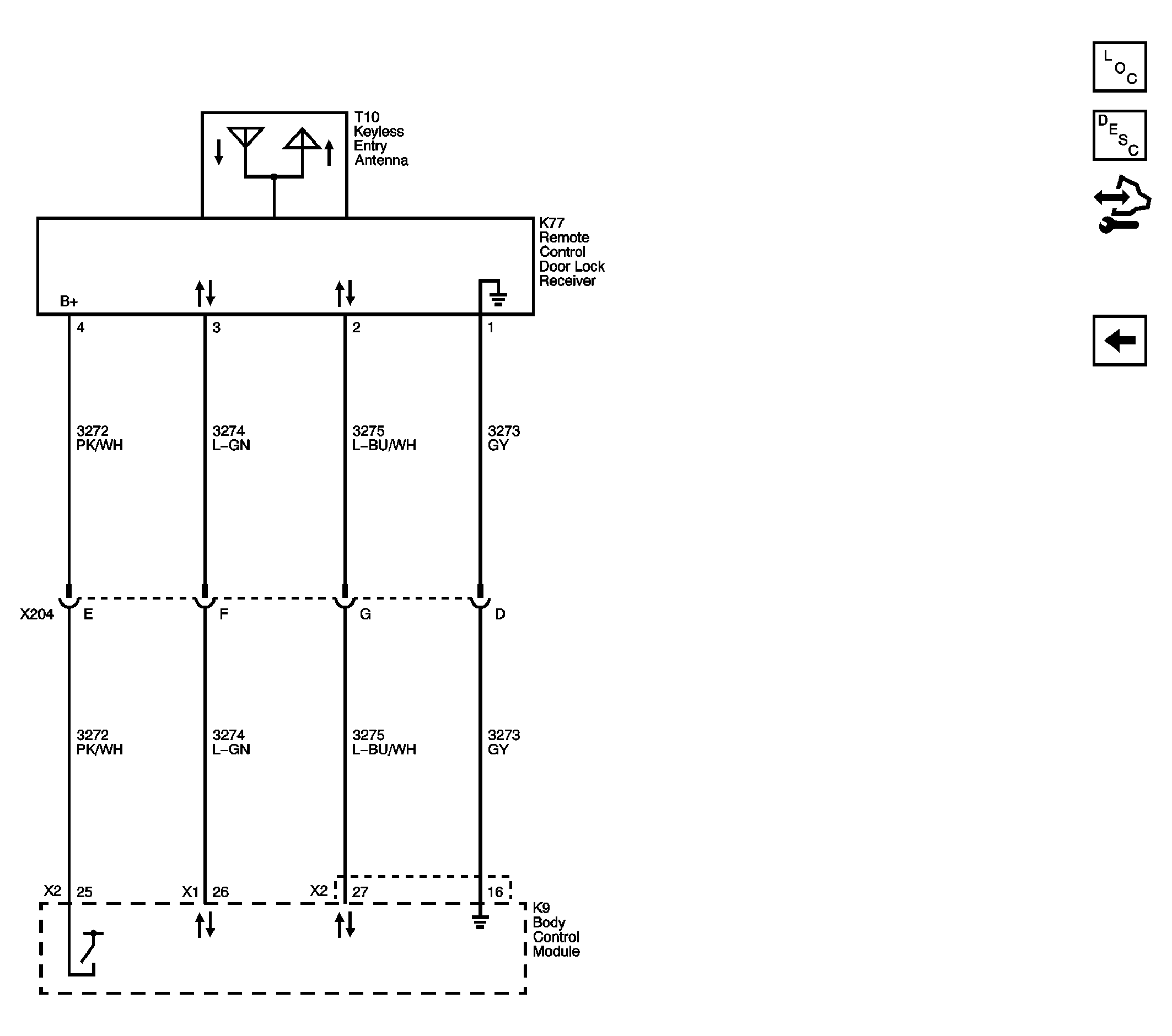
Fig 5: Remote Keyless Entry Wiring Schematic without ATH
GM2423496Courtesy of GENERAL MOTORS CORP.