LEMON Manuals: Even more car manuals for everyone: 1960-2025
Home >> Cadillac >> 2011 >> SRX 3.0 Y, AWD >> Repair and Diagnosis >> Accessories & Equipment >> Drivers Assistance Systems - ADAS >> Object Detection System - Park Assist System >> Wiring Schematics >> Object Detection Wiring Schematics
April 5, 2026: LEMON Manuals is launched! Read the announcement.

Object Detection Wiring Schematics

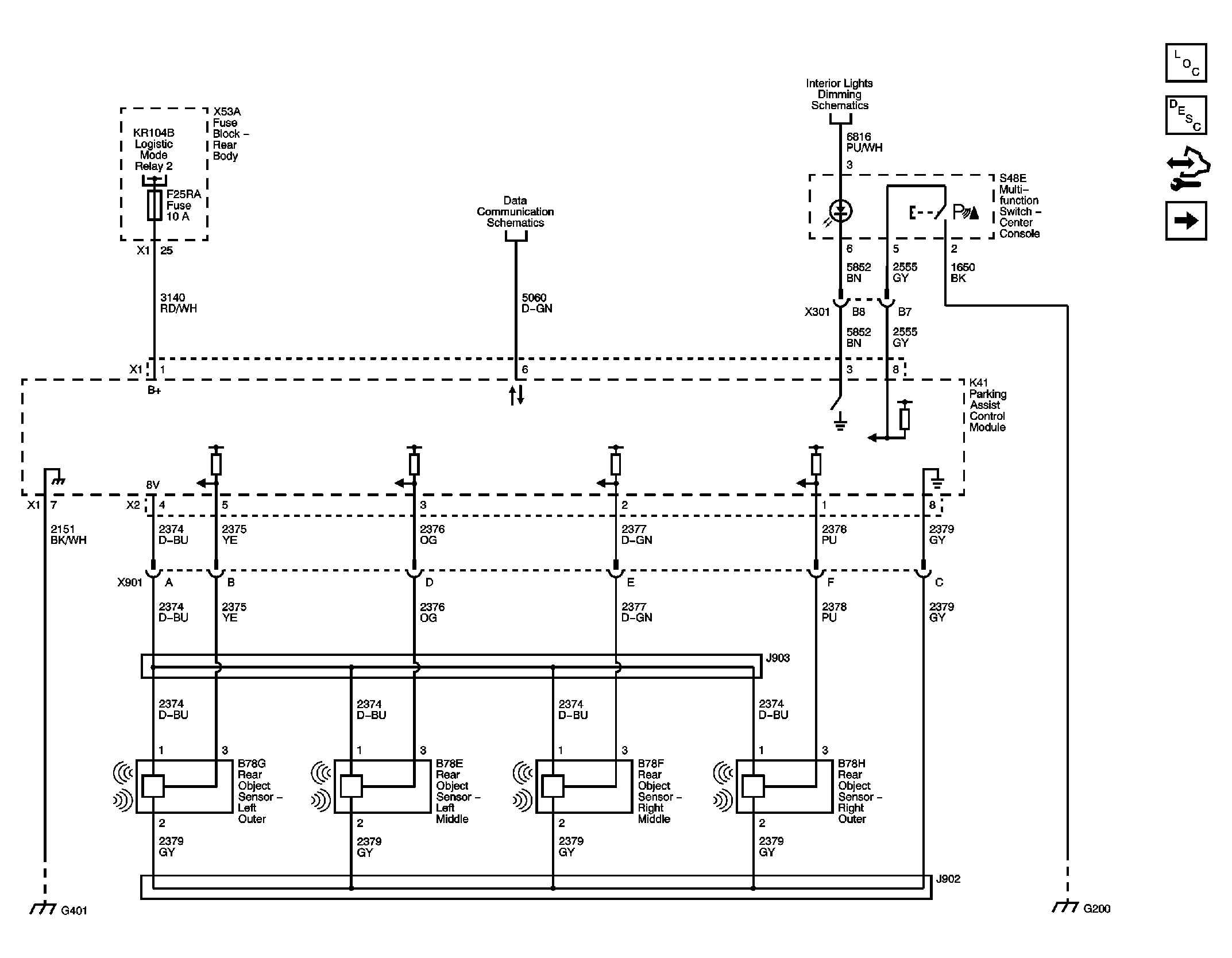
Fig 1: Power, Ground, and Rear Sensors Wiring Schematic
GM2423792Courtesy of GENERAL MOTORS CORP.
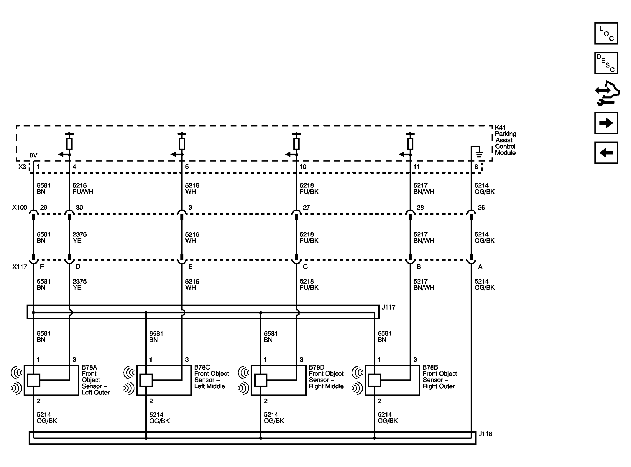
Fig 2: Front Sensors Wiring Schematic
GM2423797Courtesy of GENERAL MOTORS CORP.
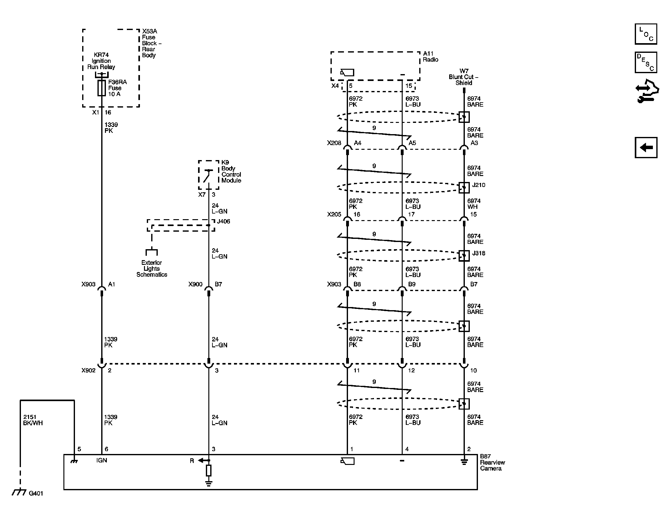
Fig 3: Rear Vision Camera Wiring Schematic
GM2423799Courtesy of GENERAL MOTORS CORP.