LEMON Manuals: Even more car manuals for everyone: 1960-2025
Home >> Cadillac >> 2011 >> STS AWD >> Repair and Diagnosis (Single Page) >> Accessories & Equipment >> Collision/Avoidance >> Object Detection System - Park Assist System >> Wiring Diagrams >> Object Detection Wiring Schematics >> Side Object Detection
April 5, 2026: LEMON Manuals is launched! Read the announcement.

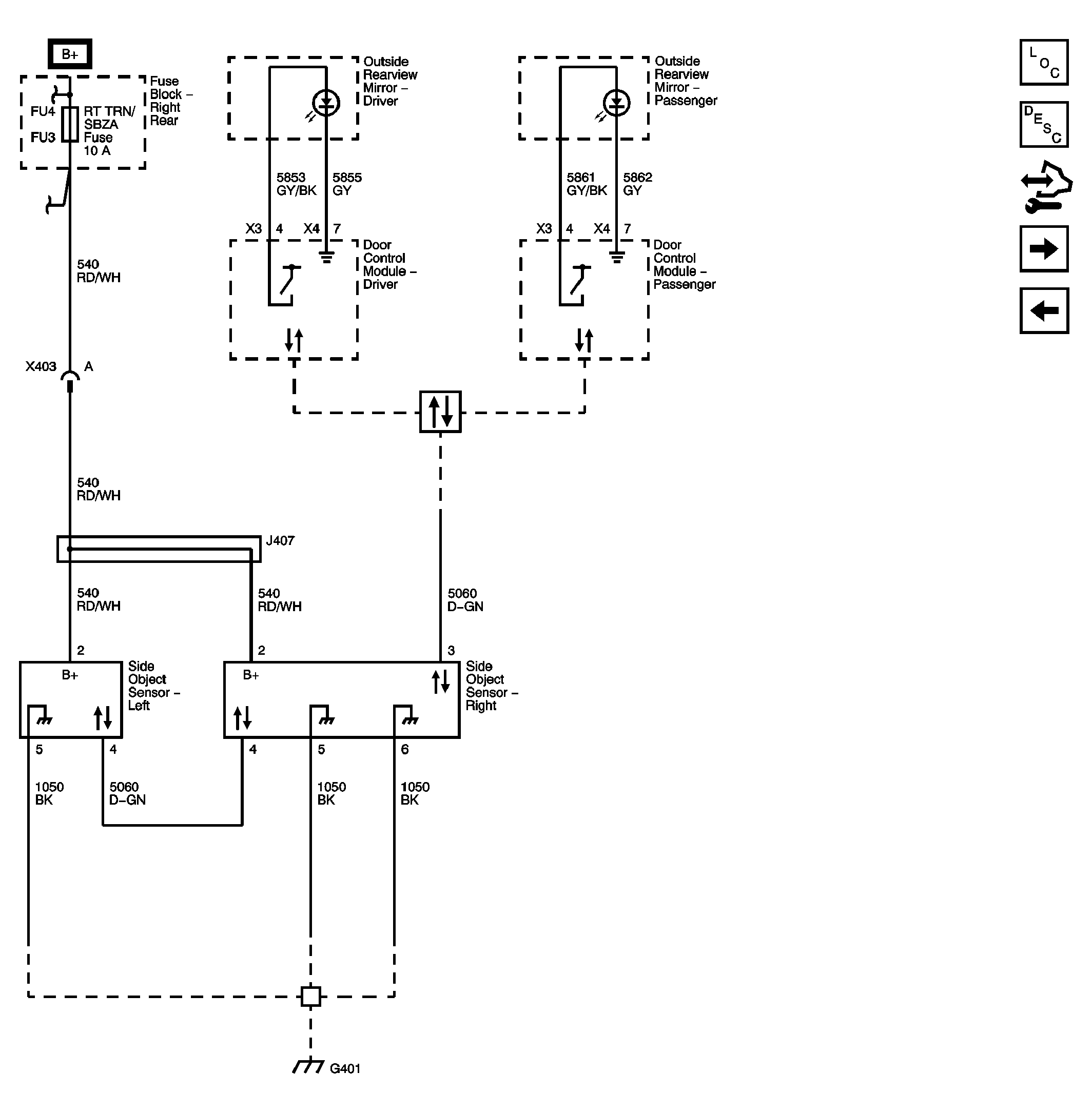
Side Object Detection

Fig 1: Side Object Detection Wiring Schematic
GM2411241Courtesy of GENERAL MOTORS COMPANY