LEMON Manuals: Even more car manuals for everyone: 1960-2025
Home >> Cadillac >> 2011 >> STS AWD >> Repair and Diagnosis >> Accessories & Equipment >> Drivers Assistance Systems - ADAS >> Object Detection System - Park Assist System >> Wiring Diagrams >> Object Detection Wiring Schematics >> Lane Departure Warning
April 5, 2026: LEMON Manuals is launched! Read the announcement.

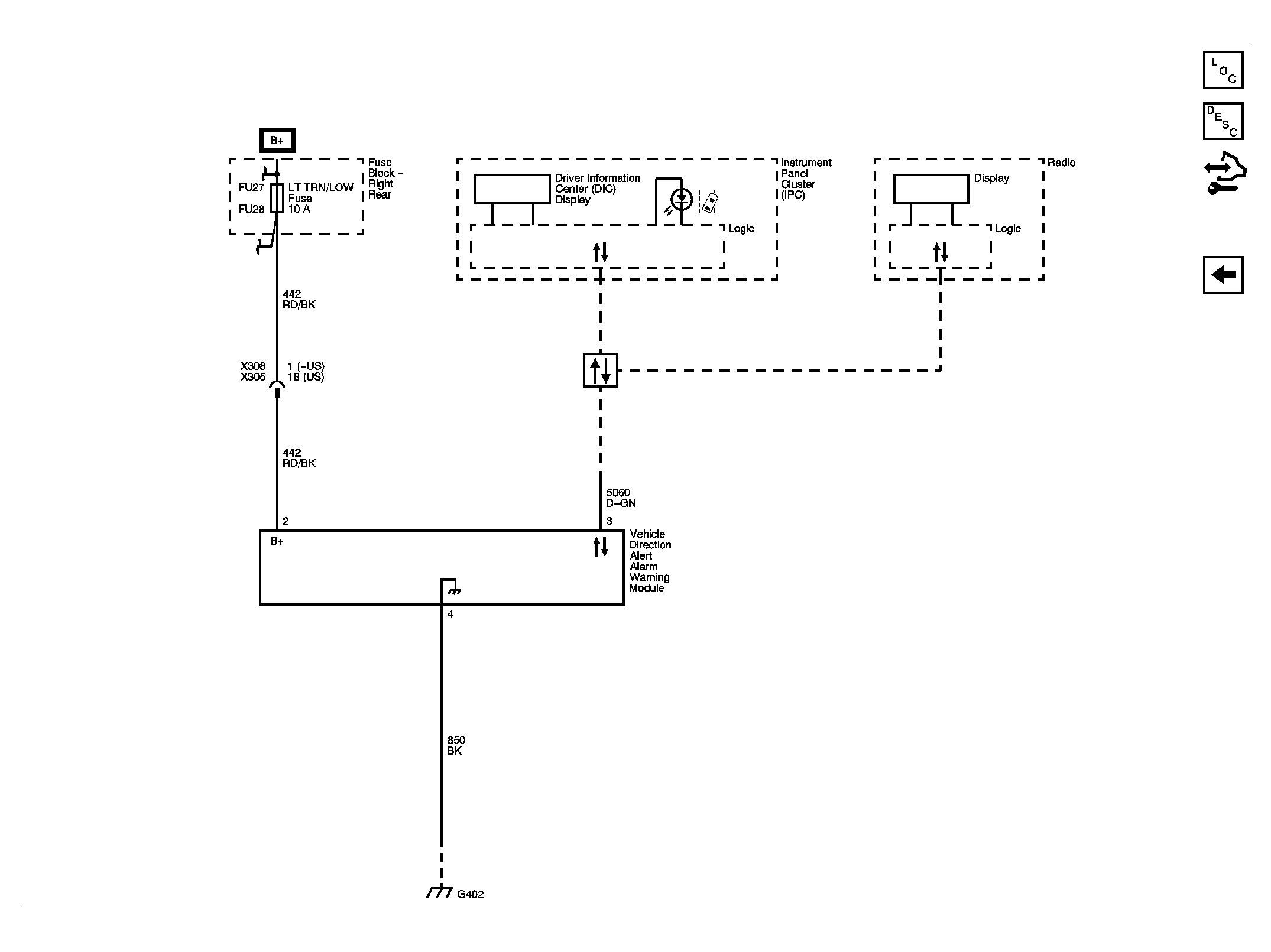
Lane Departure Warning

Fig 1: Lane Departure Warning Wiring Schematic
GM2411243Courtesy of GENERAL MOTORS COMPANY