LEMON Manuals: Even more car manuals for everyone: 1960-2025
Home >> Cadillac >> 2012 >> CTS Base, 2D Coupe, AWD >> Repair and Diagnosis >> Accessories & Equipment >> Drivers Assistance Systems - ADAS >> Object Detection System - Park Assist System >> Wiring Schematics >> Object Detection Wiring Schematics >> Pedestrian Impact Detection System (B37)
April 5, 2026: LEMON Manuals is launched! Read the announcement.

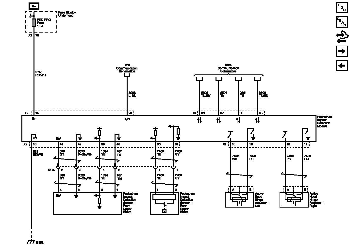
Pedestrian Impact Detection System (B37)

Fig 1: Pedestrian Impact Detection System (B37) Wiring Schematic
GM2578889Courtesy of GENERAL MOTORS COMPANY