LEMON Manuals: Even more car manuals for everyone: 1960-2025
Home >> Cadillac >> 2012 >> CTS Base, 2D Coupe, AWD >> Repair and Diagnosis >> Accessories & Equipment >> Memory Modules >> Secondary And Configurable Customer Control System >> Wiring Schematics >> Steering Wheel Secondary/Configurable Control Wiring Schematics >> Secondary and Configurable Customer Controls
April 5, 2026: LEMON Manuals is launched! Read the announcement.

Secondary and Configurable Customer Controls

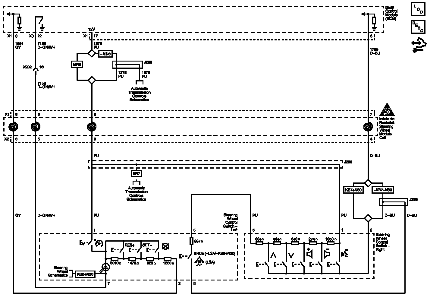
Fig 1: Secondary and Configurable Customer Controls Wiring Schematic
GM2577915Courtesy of GENERAL MOTORS COMPANY